AIR CONDITIONING SYSTEM


  1. CONSTRUCTION


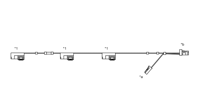
    1. A bus connector is used in the wire harness connection, which connects the servo motor from the air conditioning amplifier assembly.

      Figure 1. For Front Side

      A018GTXC11
      *1 Bus Connector - -
      *a To Evaporator Temperature Sensor (No. 1 Cooler Thermistor) *b To Air Conditioning Amplifier Assembly

      Figure 2. For Rear Side

      A018GLIC02
      *1 Bus Connector - -
      *a To Evaporator Temperature Sensor (No. 1 Cooler Thermistor) *b To Air Conditioning Amplifier Assembly
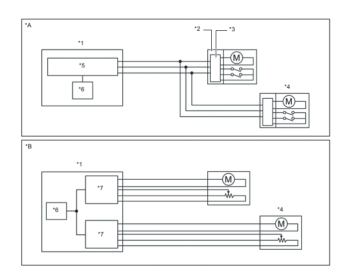
    2. The bus connector has a built-in driver IC with a position detection function that communicates with each servo motor connector and actuates the servo motor. This enables bus communication for the servo motor wire harness with a more lightweight construction and a reduced number of wires.

      A018GTWC03
      *A Models with Bus Connector *B Models without Bus Connector
      *1 Air Conditioning Amplifier Assembly *2 Bus Connector
      *3 Communication Driver IC *4 Servo Motor
      *5 Communication IC *6 CPU
      *7 Driver IC - -