СИСТЕМА CVT


  1. CONSTRUCTION


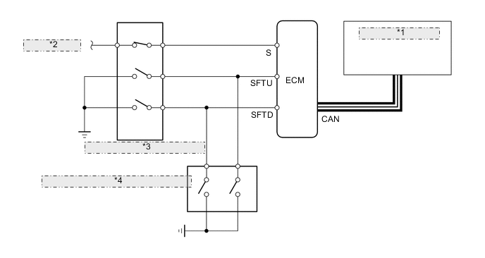
    1. The shift paddle switch is installed in the steering wheel to detect the operating conditions of the shift paddle "+" (upshift) or "-" (downshift) when the shift lever is in D or M.

      A01V2C2C01
      *1 Shift Paddle Switch (Transmission Shift Switch Assembly) - -
    2. The shift paddle switch sends the SFTU and SFTD signals to the ECM. The ECM also sends the selected shift range position signal to the combination meter assembly via CAN.

      A01V29DE03
      *1 Combination Meter Assembly
      *2 From IG1 Relay
      *3 Transmission Control Switch
      *4 Shift Paddle Switch (Transmission Shift Switch Assembly)