СИСТЕМА SFI


  1. OPERATION


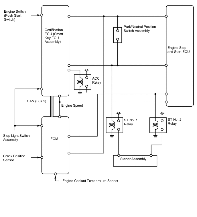
    1. Models with Continuously Variable Transaxle (CVT)


      1. When first starting the engine, if the certification ECU (smart key ECU assembly) receives a start signal from the engine switch, the certification ECU (smart key ECU assembly) sends an operation signal to the ST No. 1 relay via the park/neutral position switch assembly when the shift lever is in P or N and the engine stop and start ECU sends an operation signal to the ST No. 2 relay to operate the starter assembly. At this time, the certification ECU (smart key ECU assembly) turns the ACC relay operation signal (ACCD) off to prevent flickering of the meter, clock and audio systems.

      2. When starting the engine during idling stop control, the engine stop and start ECU sends operation signals to the ST No. 1 relay and ST No. 2 relay according to the vehicle condition to operate the starter assembly.

      3. While the engine is cranking, the certification ECU (smart key ECU assembly) and/or engine stop and start ECU continues to send an operation signal to the starter relay until it has been detected that the engine has started successfully. Whether the engine has started successfully is determined by the certification ECU (smart key ECU assembly) and ECM, and once it has been determined that the engine has started successfully, the signal output from the certification ECU (smart key ECU assembly) and/or engine stop and start ECU to the starter relay is stopped.

      4. The crank hold time and engine speed when it has been determined that the engine has started successfully are determined according to the engine coolant temperature.

        A01V2CZE04
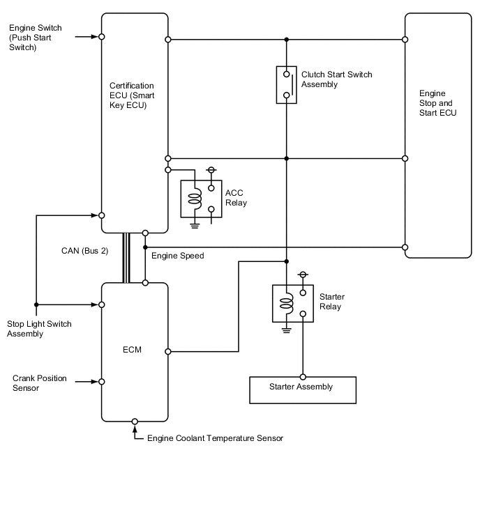
    2. Models with manual transaxle


      1. When first starting the engine, if the certification ECU (smart key ECU assembly) receives a start signal from the engine switch, the certification ECU (smart key ECU assembly) sends an operation signal to the starter relay via the clutch start switch assembly when the clutch pedal is depressed to operate the starter assembly. At this time, the certification ECU (smart key ECU assembly) turns the ACC relay operation signal (ACCD) off to prevent flickering of the meter, clock and audio systems.

      2. When starting the engine during idling stop control, the engine stop and start ECU sends operation signals to the starter relay according to the vehicle condition to operate the starter assembly.

      3. While the engine is cranking, the certification ECU (smart key ECU assembly) and/or engine stop and start ECU continues to send an operation signal to the starter relay until it has been detected that the engine has started successfully. Whether the engine has started successfully is determined by the certification ECU (smart key ECU assembly) and ECM, and once it has been determined that the engine has started successfully, the signal output from the certification ECU (smart key ECU assembly) and/or engine stop and start ECU to the starter relay is stopped.

      4. The crank hold time and engine speed when it has been determined that the engine has started successfully are determined according to the engine coolant temperature.

        A01V29JE02