СИСТЕМА SFI


  1. OPERATION


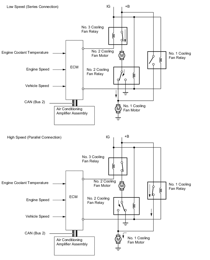
    1. The ECM activates the cooling fan relay to control the cooling fan in accordance with the engine coolant temperature, air conditioning condition, engine speed and vehicle speed.

    2. The cooling fan speeds are controlled in 2 stages: low speed (series connection) and high speed (parallel connection).

      A01V2F1E07