HYBRID CONTROL SYSTEM


  1. CONSTRUCTION


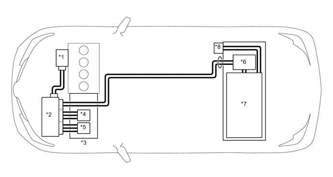
    1. The power cable (frame wire) is a set of high-voltage, high-amperage cables that connect the HV battery assembly with the inverter with converter assembly, the inverter with converter assembly with MG1 and MG2, and the inverter with converter assembly with the compressor with motor assembly.

    2. The power cable (frame wire) is made of shielded cables in order to reduce electromagnetic interference.

    3. For identification purposes, the high-voltage wiring harness and connectors are color-coded orange to distinguish them from those of ordinary low-voltage wiring.

      A00Z03CC01
      *1 Compressor with Motor Assembly *2 Inverter with Converter Assembly
      *3 Hybrid Vehicle Transaxle Assembly *4 MG1
      *5 MG2 *6 Hybrid Battery Junction Block Assembly
      *7 HV Battery Assembly *8 Service Plug Grip
      A00Z0C4 Power Cable (Frame Wire) - -