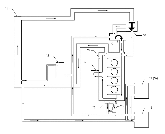
| *A | Models with Combustion Type Power Heater | - | - |
| *1 | Radiator Assembly | *2 | Radiator Reservoir Assembly |
| *3 | Engine | *4 | Oil Cooler |
| *5 | EGR Cooler Assembly | *6 | Heater Radiator Unit Sub-assembly |
| *7 | Heater Assembly | *8 | Thermostat |
| *9 | Water Pump | *10 | EGR Valve Assembly |