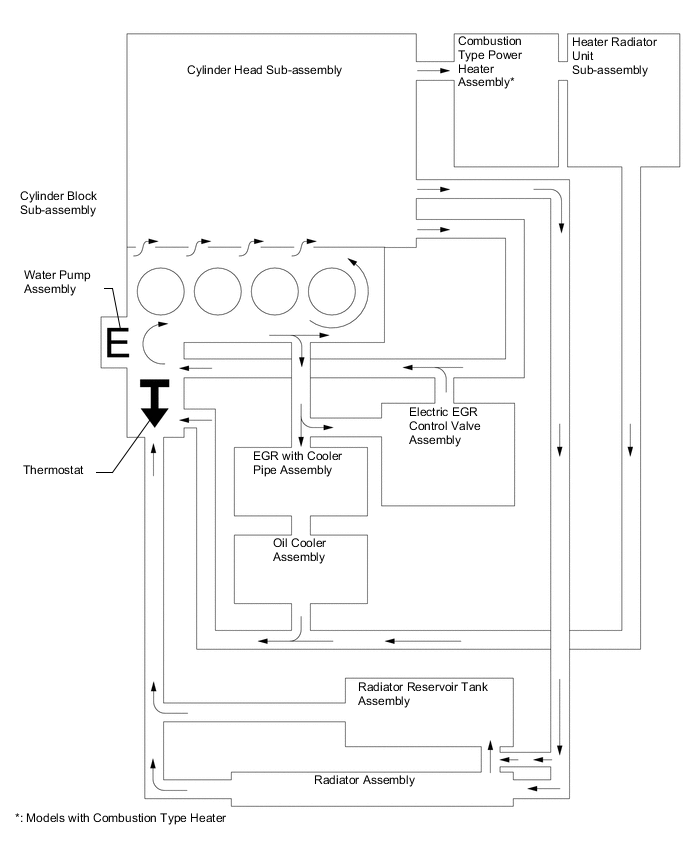
СИСТЕМА ОХЛАЖДЕНИЯ

A00XR9UE02