ТОПЛИВНАЯ СИСТЕМА


  1. OUTLINE


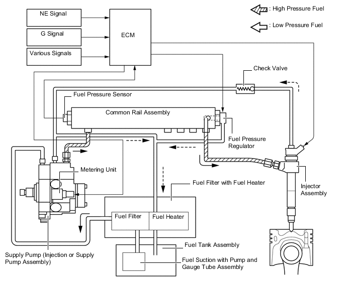
    1. A common-rail system manufactured by BOSCH is used in the fuel injection system. In this system, the highly pressurized fuel that is supplied by the supply pump (injection or supply pump assembly) is stored in the common-rail, and the ECM sends signals to the injectors in order to control the fuel injection timing and injection volume.

    2. A solenoid type injector is used to precisely control the fuel injection volume and timing.*1

    3. A piezo type injector is used to precisely control the fuel injection volume and timing.*2

      *1: Except Destination Package for Turkey sedan models

      *2: Destination Package for Turkey sedan models

    4. Quick connectors are used to connect the fuel pipe with the fuel hose for excellent serviceability.

    5. A fuel filter with fuel heater is used.

    6. A multiplex layered plastic fuel tank assembly is used for weight reduction.

      A01KV4OE01