ТОПЛИВНАЯ СИСТЕМА


  1. OUTLINE


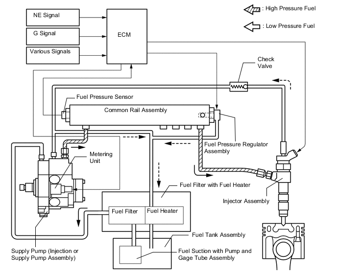
    1. A common-rail system manufactured by BOSCH is used in the fuel injection system. In this system, the highly pressurized fuel that is supplied by the supply pump (injection or supply pump assembly) is stored in the common-rail, and the ECM sends signals to the injectors in order to control the injection timing and injection volume.

    2. A piezo type injector is used to precisely control the fuel injection volume and timing.

    3. Quick connectors are used to connect the fuel pipe with the fuel hose for excellent serviceability.

    4. A fuel filter with fuel heater is used.

    5. A multiplex layered plastic fuel tank assembly is used for weight reduction.

      A00XRKYE02