БЛОК ДВИГАТЕЛЯ


  1. CONSTRUCTION


    1. The ventilation inside the stiffening crankcase assembly uses the same PCV valve (ventilation valve sub-assembly) as a Natural Aspiration (NA) engine. In addition, blow-by gas ventilation control, which forcibly performs ventilation when in the supercharging range by using an ejector, is used. As a result, blow-by gas with a hydrocarbons is prevented from being discharged into the atmosphere by forcibly introducing the blow-by gas into the intake system and combusting the gas. Also, the same oil maintenance schedule as an NA engine is achieved by actively performing ventilation during all driving ranges.

    2. As turbocharged engines produce more blow-by gas than NA engines, an oil separator chamber is installed to the engine block sub-assembly to provide adequate length for the blow-by gas passage. As a result, the efficiency of separating engine oil from the blow-by gas is enhanced.

      A01KVAFC01
      *1 Ejector *2 PCV Valve (Ventilation Valve Sub-assembly)
      *3 Oil Separate Chamber - -
  2. OPERATION


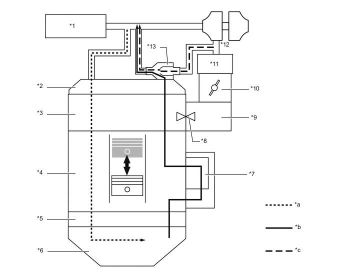
    1. When operating in the turbocharged range, blow-by gas is forcibly routed through the intake air duct by the ejector.

      A01KV3AC01
      *1 Air Cleaner Assembly *2 Cylinder Head Cover Sub-assembly
      *3 Cylinder Head Sub-assembly *4 Cylinder Block Sub-assembly
      *5 Stiffening Crankcase Assembly *6 Oil Pan Sub-assembly
      *7 Oil Separate Chamber *8 PCV Valve (Ventilation Valve Sub-assembly)
      *9 Intake Manifold *10 Throttle Body Assembly
      *11 Intercooler Assembly *12 Turbocharger Sub-assembly
      *13 Ejector - -
      *a Fresh Air *b Fresh Air + Blowby Gas
      *c Ejector Drive Gas - -
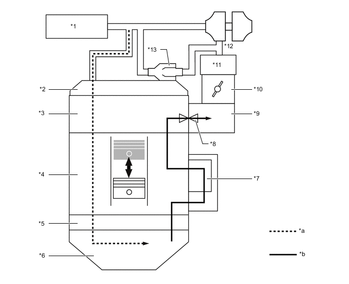
    2. When operating in the natural aspirated range, blow-by gas is suctioned via the PCV valve (ventilation valve sub-assembly) due to the vacuum in the intake air ducts.

      A01KVKSC01
      *1 Air Cleaner Assembly *2 Cylinder Head Cover Sub-assembly
      *3 Cylinder Head Sub-assembly *4 Cylinder Block Sub-assembly
      *5 Stiffening Crankcase Assembly *6 Oil Pan Sub-assembly
      *7 Oil Separate Chamber *8 PCV Valve (Ventilation Valve Sub-assembly)
      *9 Intake Manifold *10 Throttle Body Assembly
      *11 Intercooler Assembly *12 Turbocharger Sub-assembly
      *13 Ejector - -
      *a Fresh Air *b Fresh Air + Blowby Gas
    3. The ejector uses the Venturi effect as its operating principle. Blow-by gas is drawn in by introducing the high pressure air to the ejector.

      A01KV26C01
      *1 Nozzle - -
      *a From Downstream of Turbocharger Sub-assembly *b Towards Upstream of Turbocharger Sub-assembly
      A01KV4F Blowby Gas A01KVT7 Drive Gas
      A01KV47 Blowby Gas + Drive Gas - -