AIR CONDITIONING SYSTEM


  1. CONSTRUCTION


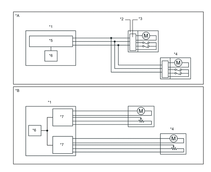
    1. The bus connector (air conditioning harness assembly) has a built-in communication/driver IC, which communicates with each servo motor connector, actuates the servo motor, and has a position detection function. This enables bus communication for the servo motor wire harness to achieve a more lightweight construction and a reduced number of wires.

      A00XRBVC02
      *A Models with Bus Connector *B Models without Bus Connector
      *1 Air Conditioning Amplifier Assembly *2 Bus Connector
      *3 Communication Drive IC *4 Servo Motor
      *5 Communication IC *6 CPU
      *7 Driver IC - -