METER / GAUGE SYSTEM


  1. OPERATING CONDITION


    1. Eco Driving Indicator


      1. Eco Driving Indicator starts to operate when all of the following conditions are met:

        Condition Ignition switch (engine switch*) is ON.
        Engine is running.
        Shift lever is in D.
        Drive mode is normal.
        When the vehicle is at a speed of about 130 km/h (81 mph) or below.

        • *: Models with entry and start system

      2. Eco Driving Indicator stops operation when any of the the following conditions are met:

        Condition Ignition switch (engine switch*) is off.
        Shift lever is in any position other than D.
        Drive mode is in any other mode except normal.
        When the vehicle is at a speed of about 130 km/h (81 mph) or over.

        • *: Models with entry and start system

  2. FUNCTION


    1. Buzzer Function


      1. The table below shows the warning and reminder functions of the multi buzzer in the combination meter assembly:

        Item

        • Reverse Warning*1

        • Light Reminder*2

        • Multi-information Display Warning Mode Indication

        • Front Seat Belt Warning

        • Brake Warning

        • Speed Warning*3

        • Fuel Sedimenter Warning*4, *5

        • Key Reminder*6

        • Entry and Start System Warning*7

        • Parking Brake Unreleased Warning

        • Door Open Driving Warning

        • 4WD System

        • Sport Shift Reject Warning*8

        • Engine Immobiliser System Warning

        • Cruise Control System*9

        • Sliding Roof Open Warning*10

        • Active Test (for Brake)

        • DPF Warning*11

        • Hill-start Assist Control

        • Temperature Increase of Hydraulic Brake Booster Assembly


        • *1: Models with automatic transmission or RA61F manual transmission

        • *2: Models with Light Reminder

        • *3: Models for G.C.C. countries

        • *4: Models for Australia, G.C.C. countries and general countries with diesel engine

        • *5: Destination package for India and Morocco

        • *6: Models without entry and start system

        • *7: Models with entry and start system

        • *8: Models with automatic transmission

        • *9: Models with dynamic radar cruise control system

        • *10: Models with sliding roof system

        • *11: Models with 1GD-FTV engine

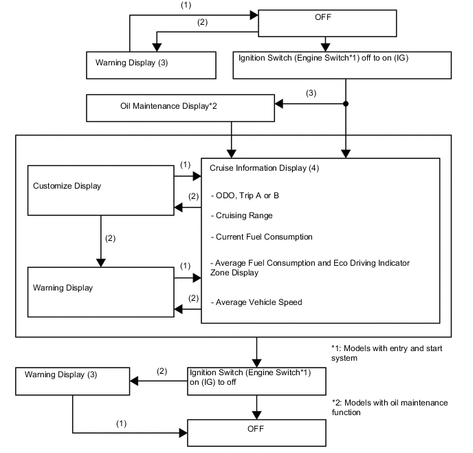
    2. Multi-information Display (Optitron Display Type Combination Meter Assembly)


      1. The multi-information display can be switched by operating the multi-information switch located on the steering pad.

      2. The multi-information display indicates as follows:

        Display Outline
        Cruise Information

        In the cruise information display, 10 types of information can be displayed.


        • TOYOTA Parking Assist-sensor System and Steering Angle

        • Vehicle Speed

        • Cruising Range

        • Average Fuel Consumption After Refueling

        • Current Fuel Consumption

        • Average Fuel Consumption and Eco Driving Indicator Zone Display*1

        • Average Vehicle Speed

        • Elapsed Time

        • Clinometer

        • Traction and Differential Lock and Steering Angle

        Outside Temperature and Compass Displays the outside temperature and the direction of vehicle.
        Multi-terrain Select Displays operating mode of multi-terrain select.
        CRAWL Control Displays operating mode of CRAWL control.
        Multi-function Switch*2

        The settings of the following systems can be changed:


        • TOYOTA Parking Assist-sensor System

        • Blind Spot Monitor System

        • 2nd Start System

        Multi-terrain select can be entered.

        Warning If necessary, the warning display and advisory display will interrupt the multi-information display immediately.
        Customization*2 The language, units, Eco Driving Indicator Light, lighting system, door lock system, entry and start system, vehicle figure, turn-by-turn navigation and power seat control system can be set up from this screen. The customization display is available only while the vehicle is stopped. If vehicle movement is detected during setup, the setup will be canceled automatically.

        Tech Tips

        *1: Models with Eco Driving Indicator

        *2: The items displayed differ by vehicle specification.

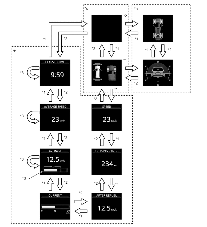
      3. The multi-information display undergoes the following transition:

        A01UKM5E03
        No. Condition
        *1 Conditions are met.
        *2 Conditions are not met.
        *3 Ignition switch (engine switch*a) is turned to ON.
        *4 Ignition switch (engine switch*a) is turned off.

        • *a: Models with entry and start system

        • *b: Models for oil maintenance function

        • *c: Models with diesel engine (except models with 1GD-FTV engine)

      4. Cruise Information Display

        The cruise information display can be switched by operating the ENTER switch of the multi-information switch upward or downward. The counter can be reset by pressing and holding either the ENTER switch of the multi-information switch for 0.8 seconds or more.

        A01UL0NE03
        No. Condition
        *1 The ENTER switch is operated downward.
        *2 The ENTER switch is operated upward.
        *3 The ENTER switch is pressed and held for 0.8 seconds or more to reset the counter.

        • *a: Transfer gear ratio is in low

        • *b: Transfer gear ratio is in high

        • *c: Transfer gear ratio is in low or high

        • *d: Models with Eco Driving Indicator

        Display Outline
        TOYOTA Parking Assist-sensor System and Steering Angle A01UKJB
        • Calculates and displays the steering angle, which is based on signals from the steering angle sensor. The steering angle is displayed in 7 stages (1 for neutral and 3 each for left and right) in accordance with the operation of the steering wheel.

        • The steering angle display will also be displayed at the same time as the door open warning display or TOYOTA parking assist-sensor system display.

        Vehicle Speed A01ULAL Displays the vehicle speed.
        Cruising Range A01UKIP
        • Displays the value that has been calculated by the meter ECU, which is based on the fuel consumption data that the meter ECU continuously monitors and stores in its memory, and the residual fuel volume data, provided that the ignition switch (engine switch*1) is turned to ON.

        • The display updates every 10 seconds.

        Average Fuel Consumption After Refueling A01UKXA
        • Displays the value that has been calculated by the meter ECU, which is based on the driven distance and the fuel consumption volume (fuel injection amount signal from ECM via CAN) after refueling.

        • The display updates every 10 seconds.

        Current Fuel Consumption A01UKVS
        • Displays the value that has been calculated by the meter ECU, which is based on the driven distance and the fuel consumption volume (fuel injection amount signal from ECM via CAN), provided that the ignition switch (engine switch*1) is turned to ON.

        • The display updates every 10 seconds.

        Average Fuel Consumption A01UL71
        • Displays the value that has been calculated by the meter ECU, which is based on the driven distance and the fuel consumption volume (fuel injection amount signal from ECM via CAN).

        • The display updates every 10 seconds.

        Eco Driving Indicator Zone Display*2 Eco driving ratio based on acceleration is shown with a bar graph.
        Average Vehicle Speed A01UKHE
        • Displays the value that has been calculated by the meter ECU, which is based on the elapsed time and driven distance after the ignition switch (engine switch*1) is turned to ON or since the counter was reset.

        • The display updates every 10 seconds.

        Elapsed Time A01UKZK Displays the time that has elapsed since the ignition switch (engine switch*1) has been turned to ON or since the counter was reset.
        Clinometer A01UKF2 Displays the vehicle tilt.
        Traction and Differential Lock and Steering Angle A01UKEM
        • This displays the traction control state of the tires, differential lock operation state and steering angle.

        • A tire being controlled by traction control is displayed in amber.

        • The location at which the differential lock is operating is illuminated. Also, when the differential lock malfunctions, the location blinks.


        • *1: Models with entry and start system

        • *2: Models with Eco Driving Indicator

      5. Multi-function Switch Display


        • The multi-function switch display can be switched to by pressing the menu switch quickly (for less than 1.7 seconds).

        • The selection screen for each system can be switched to by operating the ENTER switch upward or downward.

        • By pressing the ENTER switch while a selection screen is being displayed and each system can be turned on or off.

        A01UL7ZE02
        No. Outline
        *1 The menu switch is pressed quickly (for less than 1.7 seconds) to enter the multi-function switch display.
        *2 Each system is switched by operating the ENTER switch upward or downward.
        *3 The system is turned on or off each time the ENTER switch is pressed.
      6. Warning Display


        • The warning display and the advisory display interrupt the display in the multi-information display if the display conditions are met.

          Priority Display Master Warning Light Multi Buzzer
          1

          <CLINOMETER.>

          INDICATES APPROX. ANGLES.

          PLEASE ENSURE THAT YOU OPERATE THE VEHICLE SAFELY.

          - -
          BRAKE! - -
          AdBlue LEVEL LOW FILL UP AdBlue IN 2400 km SEE OWNER'S MANUAL. Illuminates -
          AdBlue LEVEL LOW NO START IN 800 km! FILL UP AdBlue SEE OWNER'S MANUAL Illuminates Sounds
          AdBlue EMPTY UNABLE TO RESTART ENGINE FILL UP AdBlue SEE OWNER'S MANUAL Illuminates Sounds
          EMISSIONS TOO HIGH CHECK AdBlue VISIT YOUR DEALER Illuminates Sounds
          EMISSIONS TOO HIGH NO START IN 800 km! CHECK AdBlue VISIT YOUR DEALER Illuminates Sounds
          EMISSIONS TOO HIGH UNABLE TO RESTART ENGINE CHECK AdBlue VISIT YOUR DEALER Illuminates Sounds
          2 Warning for Collision with Vehicle Ahead - -
          CRAWL HAS BEEN DEACTIVATED Illuminates Sounds
          3 Door Open (While Driving) Blinks Sounds
          Door Open - -
          TOYOTA Parking Assist-sensor Warning - -
          Glass Hatch Open (While Driving) Blinks Sounds
          Glass Hatch Open - -
          CHECK SONAR SYSTEM Illuminates Sounds
          CLEAN SONAR Illuminates Sounds
          4 AUTO POWER OFF TO CONSERVE BATTERY - -
          5 SHIFT TO P POSITION Blinks Sounds
          6 RELEASE PARKING BRAKE Blinks Sounds
          KEY NOT DETECTED Blinks Sounds
          7 CLEAN RADAR SENSOR Illuminates Sounds
          CRUISE CONTROL NOT AVAILABLE Illuminates Sounds
          8 BSM NOT AVAILABLE Illuminates Sounds
          CHECK CLUTCH SWITCH Illuminates Sounds
          CHECK CRUISE CONTROL SYSTEM Illuminates Sounds
          CHECK PCS SYSTEM Illuminates Sounds
          CHECK BSM SYSTEM Illuminates Sounds
          CHECK STEERING LOCK SYSTEM Illuminates Sounds
          ENGINE OIL PRESSURE LOW Illuminates Sounds
          HIGH TRANSMISSION FLUID TEMPERATURE Illuminates Sounds
          CHECK TRANSMISSION SYSTEM Illuminates Sounds
          CHECK AIR SUSPENSION SYSTEM Illuminates Sounds
          FUEL FILTER MAINTENANCE REQD Illuminates Sounds
          CHECK FUEL SYSTEM Illuminates Sounds
          9 Graphic Display (Dynamic Radar Cruise Control System) - -
          Graphic Display (Navigation System) - -
          TURN POWER OFF Blinks Sounds
          SHIFT TO P POSITION AND PUSH ENGINE SWITCH TO TURN POWER OFF Blinks Sounds
          KEY DETECTED IN VEHICLE Blinks Sounds
          MOONROOF OPENED Blinks Sounds
          DEPRESS BRAKE PEDAL, TOUCH ENGINE SWITCH WITH KEY Blinks Sounds
          DEPRESS CLUTCH PEDAL, TOUCH ENGINE SWITCH WITH KEY Blinks Sounds
          DEPRESS BRAKE PEDAL AND PUSH ENGINE SWITCH TO START Blinks Sounds
          DEPRESS CLUTCH PEDAL AND PUSH ENGINE SWITCH TO START Blinks Sounds
          SHIFT TO P POSITION TO START Blinks Sounds
          10 STEERING LOCK ACTIVE Blinks Sounds
          CRAWL not available Select L4 and shift to [D] or [R] position - -
          CRAWL not available Check system operation conditions - -
          11 KEY BATTERY LOW Illuminates Sounds
          DRAIN WATER FROM FUEL FILTER Illuminates Sounds
          ENGINE OIL LOW Illuminates Sounds
          CHECK HEADLIGHT SYSTEM Illuminates Sounds
          DPF FULL VISIT YOUR DEALER Illuminates -
          MANUAL REGENERATION IN PROCESS KEEP FLAMMABLES AWAY FROM VEHICLE Illuminates -
          12 LOW WASHER FLUID - -
          OIL MAINTENANCE REQUIRED SOON - -
          OIL MAINTENANCE REQUIRED - -
          RESETING OF OIL MAINTENANCE DATA COMPLETE - -
          RESETING OF OIL MAINTENANCE DATA INCOMPLETE - -
          T-BELT MAINTENANCE REQUIRED - -
          RESETING OF T-BELT MAINTENANCE DATA NOW POSSIBLE - -
          RESETING OF T-BELT MAINTENANCE DATA COMPLETE - -
          PCS NOT AVAILABLE TEMPORARILY - -
          DPF FULL SEE OWNER'S MANUAL - -
          DPF REGENERATION IN PROCESS - -
          DPF MANUAL REGENERATION AVAILABLE - -
          DPF FULL MANUAL REGENERATION REQUIRED SEE OWNER'S MANUAL - -
          OPERATION NOT POSSIBLE WHEN MULTI-TERRAIN SELECT ACTIVATED - -
          MULTI-TERRAIN SELECT HAS BEEN CANCELLED - Sounds
          OPERATION NOT POSSIBLE WHEN CRAWL CONTROL ACTIVATED - -
          SHIFT TO L4 - -
          STOP THE VEHICLE AND SHIFT THE AUTOMATIC TRANSMISSION TO N - -
          MULTI-TERRAIN SELECT NOT AVAILABLE - -

        Tech Tips

        The items displayed differ by vehicle specification.

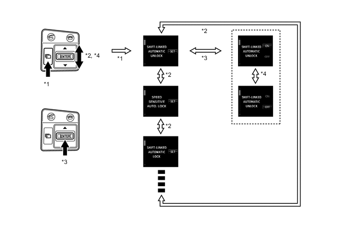
      7. Customization Display


        1. The customization display can be switched to by pressing and holding the menu switch (for 1.7 seconds or more).

        2. The customization item can be switched by operating the ENTER switch upward or downward.

        3. The setting display can be switched to by pressing the ENTER switch while a customization item is being displayed.

        4. Settings can be changed by operating the ENTER switch upward or downward while the setting display is being shown.

          A01UKE5E02
          No. Outline
          *1 The menu switch is pressed and held (for 1.7 seconds or more) to enter the customization display.
          *2 The ENTER switch is operated upward or downward to switch the customization item.
          *3 The ENTER switch is pressed to switch the customization item and setting display.
          *4 The ENTER switch is operated upward or downward to change the setting.

        • The items and available settings are as follows:

          Item Available Setting
          SHIFT-LINKED AUTOMATIC UNLOCK
          • On

          • Off

          SPEED SENSITIVE AUTO. LOCK
          • On

          • Off

          SHIFT-LINKED AUTOMATIC LOCK
          • On

          • Off

          DRIVER DOOR-LINKED UNLOCK
          • On

          • Off

          LOCK/UNLOCK ANSWER BACK RESPONSE
          • On

          • Off

          REMOTE 2-PRESS UNLOCK
          • On

          • Off

          ENTRY AND START SYSTEM
          • On

          • Off

          SELECT DOORS TO UNLOCK
          • Driver

          • All

          LOCK FEEDBACK VOLUME
          • Level 7

          • Level 6

          • Level 5

          • Level 4

          • Level 3

          • Level 2

          • Level 1

          • Off

          HEADLIGHT OFF TIME ADJUSTMENT
          • 90 sec.

          • 60 sec.

          • 30 sec.

          • Off

          LIGHT SENSOR SENSITIVITY
          • +2

          • +1

          • Normal

          • -1

          • -2

          INTERIOR LIGHTS OFF TIME ADJUSTMENT
          • 30 sec.

          • 15 sec.

          • 7.5 sec.

          • Off

          EXT. LIGHTS OFF TIME ADJUSTMENT
          • 30 sec.

          • 15 sec.

          • 7.5 sec.

          • Off

          DISPLAY UNIT CHANGE
          • km, km/L

          • km, L/100km

          • MI., MPG (UK)

          • MI., MPG (US)

          DISPLAY LANGUAGE CHANGE
          • Russian

          • Chinese

          • Italian

          • Spanish

          • German

          • French

          • English

          • Turkish

          ECO INDICATOR DISPLAY
          • On

          • Off

          TURN-BY-TURN NAVIGATION
          • On

          • Off

          VEHICLE FIGURE
          • Spare Tire On

          • Spare Tire Off

        Tech Tips

        The items displayed differ by vehicle specification.

    3. Multi-information Display (Analog Display Type Combination Meter Assembly with Dot Display Type Multi-information Display)


      1. The multi-information display can be switched by operating the ODO/TRIP switch located on the combination meter cluster.

      2. The multi-information display indicates as follows:

        Display Outline
        Outside Temperature Displays the outside temperature.
        Cruise Information

        In the cruise information display, 6 type of information can be displayed.


        • ODO

        • Trip A or B

        • Cruising Range

        • Current Fuel Consumption

        • Average Fuel Consumption and Eco Driving Indicator Zone Display

        • Average Vehicle Speed

        Warning If necessary, the warning display and advisory display will interrupt the multi-information display immediately.
        Coustomization The language, units and Eco Driving Indicator Light can be setup from this screen. The customization display is available only while the vehicle is stopped. If vehicle movement is detected during setup, the setup will be canceled automatically.
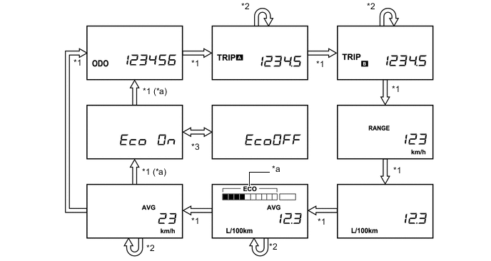
      3. The multi-information display undergoes the following transition:

        A01UL10E03
        No. Condition
        (1) Conditions are not met.
        (2) Conditions are met.
        (3) If there are multiple display requests, items will be displayed in sequence.
        (4) Item or display is selected by operating the ODO/TRIP switch.
      4. Cruise Information Display


        • The cruise information display can be switched by operating the ODO/TRIP switch. The counter can be reset by pressing and holding the ODO/TRIP switch for 0.8 seconds or more.

          A01UKQ0E02
          No. Condition
          (1) The ODO/TRIP switch is pressed quickly (for less than 0.8 seconds.)
          (2) The ODO/TRIP switch is pressed and held (for 0.8 seconds or more.)
          Display Outline
          Cruising Range A01UL3Y
          • Displays the value that has been calculated by the meter ECU, which is based on the fuel consumption data that the meter ECU continuously monitors and stores in its memory, and the residual fuel volume data, provided that the ignition switch (engine switch*) is turned to ON.

          • The display updates every 10 seconds.

          Current Fuel Consumption A01UKJ9
          • Displays the value that has been calculated by the meter ECU, which is based on the driven distance and the fuel consumption volume (fuel injection amount signal from ECM via CAN), provided that the ignition switch (engine switch*) is turned to ON.

          • The display updates every 10 seconds.

          Average Fuel Consumption A01UKEU
          • Displays the value that has been calculated by the meter ECU, which is based on the driven distance and the fuel consumption volume (fuel injection amount signal from ECM via CAN).

          • The display updates every 10 seconds.

          Eco Driving Indicator Zone Display Eco driving ratio based on acceleration is shown with a bar graph.
          Average Vehicle Speed A01UKKU
          • Displays the value that has been calculated by the meter ECU, which is based on the elapsed time and driven distance after the ignition switch (engine switch*) is turned to ON or since the counter was reset.

          • The display updates every 10 seconds.


        • *: Models with entry and start system

      5. Warning Display


        • The warning display and the advisory display interrupt the display in the multi-information display if the display conditions are met.

          Priority Display Master Warning Light Multi Buzzer
          1 AdBlue LEVEL LOW FILL UP AdBlue IN 2400 km SEE OWNER'S MANUAL Illuminates -
          AdBlue LEVEL LOW NO START IN 800 km! FILL UP AdBlue SEE OWNER'S MANUAL Illuminates Sounds
          AdBlue EMPTY UNABLE TO RESTART ENGINE FILL UP AdBlue SEE OWNER'S MANUAL Illuminates Sounds
          EMISSIONS TOO HIGH CHECK AdBlue VISIT YOUR DEALER Illuminates Sounds
          EMISSIONS TOO HIGH NO START IN 800 km! CHECK AdBlue VISIT YOUR DEALER Illuminates Sounds
          EMISSIONS TOO HIGH UNABLE TO RESTART ENGINE CHECK AdBlue VISIT YOUR DEALER Illuminates Sounds
          2 RELEASE PARKING BRAKE Blinks Sounds
          KEY NOT DETECTED Blinks Sounds
          3 ENGINE OIL PRESSURE LOW Illuminates Sounds
          HIGH TRANSMISSION FLUID TEMPERATURE Illuminates Sounds
          CHECK TRANSMISSION SYSTEM Illuminates Sounds
          FUEL FILTER MAINTENANCE REQD Illuminates Sounds
          4 DEPRESS BRAKE PEDAL, TOUCH ENGINE SWITCH WITH KEY Blinks Sounds
          DEPRESS CLUTCH PEDAL, TOUCH ENGINE SWITCH WITH KEY Blinks Sounds
          5 DRAIN WATER FROM FUEL FILTER Illuminates Sounds
          ENGINE OIL LOW Illuminates Sounds
          CHECK HEADLIGHT SYSTEM Illuminates Sounds
          DPF FULL VISIT YOUR DEALER Illuminates -
          MANUAL REGENERATION IN PROCESS KEEP FLAMMABLES AWAY FROM VEHICLE Illuminates -
          6 LOW WASHER FLUID - -
          OIL MAINTENANCE REQUIRED SOON - -
          OIL MAINTENANCE REQUIRED - -
          RESETTING OIL MAINTENANCE DATA - -
          RESETTING OF OIL MAINTENANCE DATA INCOMPLETE - -
          DPF FULL SEE OWNER'S MANUAL - -
          DPF REGENERATION IN PROCESS - -
          DPF MANUAL REGENERATION AVAILABLE - -
          DPF FULL MANUAL REGENERATION REQUIRED SEE OWNER'S MANUAL - -

          Tech Tips

          The items displayed differ by vehicle specification.

      6. Customization Display


        1. Pressing and holding the ODO/TRIP switch with the SETTINGS screen displayed causes the setting selection screen to be displayed.

        2. Briefly pressing the ODO/TRIP switch changes the selection, and pressing and holding the switch entries the selected setting menu.

          A01UL3ME02
          Text in Illustration
          *a The ODO/TRIP switch is pressed and held. - -
    4. Multi-information Display (Analog Display Type Combination Meter Assembly)


      1. The multi-information display can be switched by operating the ODO/TRIP switch located on the meter cluster.

      2. The multi-information display indicates as follows:

        Display Outline
        Odo/Trip ODO, TRIP A and TRIP B can be selected.
        Cruise Information*1

        In the cruise information display, 5 types of information can be displayed.


        • Cruising Range

        • Current Fuel Consumption

        • Average Fuel Consumption and Eco Driving Indicator Zone Display*2

        • Average Vehicle Speed

        Customization*2 Eco Driving Indicator Light can be turned activated/deactivated.

        • *1: Except models with 5L-E engine

        • *2: Models with Eco Driving Indicator

      3. The multi-information display undergoes the following transition in accordance with the operation of the ODO/TRIP switch:

        A01UKUOE03
        No. Condition
        *1 The ODO/TRIP switch is pressed quickly (for less than 0.8 seconds).
        *2 The ODO/TRIP switch is pressed and held (for 0.8 seconds or more) to reset.
        *3 The ODO/TRIP switch is pressed and held (for 0.8 seconds or more).

        • *a: Models with Eco Driving Indicator

    5. Eco Driving Indicator


      1. The operating diagram of Eco Driving Indicator is as follows:

        A01UKETE05
        A01UKN2E04
        *1 Zone of Eco driving
        *2 Eco driving ratio based on acceleration
      2. When the ECM, using information (such as vehicle speed, accelerator pedal operation, shift lever position, engine speed signal (engine RPM data), shift range, drive mode, and so on), calculates that the vehicle is driven in Eco-frendly, it turns on Eco Driving Indicator Light and shows the bar graph of Eco Driving Indicator Zone Display within Zone of Eco driving.

      3. When the ECM calculates that the acceleration exceeds Zone of Eco driving, it turns off Eco Driving Indicator Light and blinks the right side of Eco Driving Indicator Zone Display.

      4. The operation of Eco Driving Indicator is as follows:

        Vehicle Condition Eco Driving Indicator Zone Display Eco Driving Indicator Light
        Analog Display Type Combination Meter Assembly with Segment Display Type Multi-information Display
        Stopped B001BBX Turns off
        Eco Driving B001BCT Turns on
        Non-Eco Driving A01UKZHE01
        *1 Blinking
        Turns off
        Vehicle Condition Eco Driving Indicator Zone Display Eco Driving Indicator Light
        Analog Display Type Combination Meter Assembly with Dot Display Type Multi-information Display
        Stopped A01UKY5 Turns off
        Eco Driving A01UKEF Turns on
        Non-Eco Driving A01UKJ8E02
        *1 Blinking
        Turns off
        Vehicle Condition Eco Driving Indicator Zone Display Eco Driving Indicator Light
        Optitron Display Type Combination Meter Assembly
        Stopped A01UKWG Turns off
        Eco Driving A01UL3Q Turns on
        Non-Eco Driving A01UKY3E02
        *1 Blinking
        Turns off
      5. Eco Driving Indicator Light can be deactivated off in the following ways: Eco Driving Indicator Light can be deactivated from Eco Driving Indicator Light customization display of the multi-information display.

    6. Front Seat Belt Warning Function


      1. When the ignition switch (engine switch*) is ON, this system detects the condition of the seat belts based on the signals from the driver and front passenger seat belt buckle switches and the occupant detection sensor.


        • *: Models with entry and start system

      2. On models except models for G.C.C. countries, the buzzer sounds when the vehicle speed exceeds 20 km/h (12.4 mph) to emphasize the fact that the seat belt is unbuckled. After 30 seconds, the sound changes for emphasis. The sound continues for 90 seconds. Once a buzzer begins to sound, it will continue until the seat belt is buckled or the ignition switch (engine switch*) is turned off.


        • *: Models with entry and start system

      3. On models for G.C.C. countries, when the seat belt is unbuckled, the buzzer sounds 5 times 1.8 seconds after the ignition switch (engine switch*) is turned on (IG). The buzzer sounds only 1 time when the vehicle speed exceeds 20 km/h (12.4 mph) to remind the fact that the seat belt is unbuckled. After 30 seconds, the buzzer sounds intermittently to emphasize the fact that the seat belt is unbuckled. After 9.6 seconds, the sound changes for emphasis. The sound continues for 20 seconds. Once a buzzer begins to sound, it will continue until the seat belt is buckled or the ignition switch (engine switch*) is turned off.


        • *: Models with entry and start system

        Tech Tips

        Upon receiving a request from a user who cannot wear a seat belt for a special reason, the buzzer warning can be canceled using the Global TechStraem (GTS). For details, refer to the Repair Manual.

      4. Occupant Detection Sensor


        • The occupant detection sensor, which is enclosed in the seat cushion of the front passenger seat, is used to detect whether or not the front passenger seat is occupied.

        • This sensor consists of a construction in which 2 electrode sheets sandwich a spacer. When the occupant is seated, the electrode sheets come in contact with each other through the hole provided in the spacer portion, thus enabling the current to flow.

        • Thus, the sensor detects whether or not an occupant is seated in the front passenger seat.

  3. FAIL-SAFE


    1. Eco Driving Indicator


      1. When any of the following conditions are met, Eco Driving Indicator Light is turned off and Eco Driving Indicator Zone Display is stopped:


        • The engine failure signal is detected

        • The failure of CAN Communications