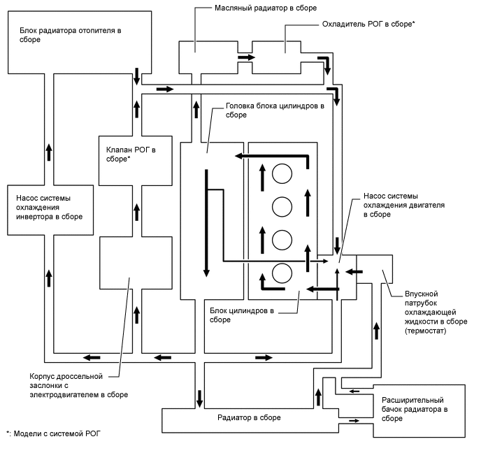
СИСТЕМА ОХЛАЖДЕНИЯ

A01118DE02