АККУМУЛЯТОРНАЯ БАТАРЕЯ ГИБРИДНОЙ СИСТЕМЫ


  1. КОНСТРУКЦИЯ


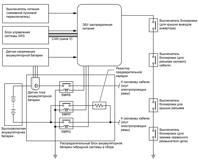
    1. Распределительный блок аккумуляторной батареи гибридной системы содержит главные реле системы (SMR), резистор предварительной зарядки и датчик тока аккумуляторной батареи.

    2. Главные реле системы (SMR)


      1. Реле SMR представляют собой реле, которые подключают и отключают высоковольтную аккумуляторную батарею и силовой кабель (электропроводку рамы) в соответствии с сигналами ЭБУ распределения питания. Используются 3 реле: SMRB для положительной (+) стороны аккумуляторной батареи, SMRG для отрицательной (-) стороны аккумуляторной батареи и SMRP для предварительной зарядки.

        A01MRF9E02
    3. Датчик тока аккумуляторной батареи


      1. Датчик тока аккумуляторной батареи, встроенный в распределительный блок аккумуляторной батареи гибридной системы, измеряет ток зарядки и разрядки высоковольтной аккумуляторной батареи.

      2. Датчик тока аккумуляторной батареи формирует на контакте IB датчика напряжения аккумуляторной батареи напряжение, пропорциональное току. Если выходное напряжение датчика тока аккумуляторной батареи ниже 2,5 В, высоковольтная аккумуляторная батарея разряжена. Если оно составляет 2,5 В или более, высоковольтная аккумуляторная батарея заряжается.

      3. ЭБУ распределения питания оптимально управляет гибридной системой, поддерживая степень заряда высоковольтной аккумуляторной батареи в заданном диапазоне в соответствии с данными о токе, получаемыми через датчика напряжения аккумуляторной батареи.

        A01MR8QE03