AUTOMATIC TRANSAXLE SYSTEM DETAILS

  1. SYSTEM CONTROL

    1. The electronic control system of the U760E automatic transaxle uses the controls listed below.

      Control Outline
      Shift Timing Control The ECM sends current to shift solenoid valves SL1, SL2, SL3, SL4, SL and/or SLU based on signals from various sensors, in order to shift the gears.
      Clutch to Clutch Pressure Control Controls the pressure that is applied directly to the C1, C2 clutches and B1, B3 brakes by actuating the shift solenoid valves (SL1, SL2, SL3 and SL4) in accordance with ECM signals.
      Line Pressure Control Actuates shift solenoid valve SLT to control the line pressure in accordance with information from the ECM and the operating conditions of the transaxle.
      Lock-up Timing Control The ECM sends current to shift solenoid valves SL and SLU based on signals from various sensors to engage or disengage the lock-up clutch.
      Flex Lock-up Clutch Control Controls shift solenoid valve SLU, provides an intermediate mode between the on and off states of the lock-up clutch, and increases the operating range of the lock-up clutch to improve fuel economy.
      Powertrain Cooperative Control Controls both shift control and engine output control in an integrated way, achieving excellent shift characteristics and drivability.
      Deceleration Downshift Control To prevent engine speed from decreasing and thereby maintain fuel cut, the ECM performs downshifts before fuel cut ends.
      Direct Downshift Control Direct downshift control is used. This makes it possible to skip unnecessary shifts, enabling the vehicle to downshift directly from 6th to 3rd or from 5th to 2nd, enhancing downshift response when the accelerator pedal is depressed quickly.
      Artificial Intelligence Shift Control (AI-shift Control) Based on the signals from various sensors, the ECM determines the road conditions and the intention of the driver. Thus, an appropriate shift pattern is automatically determined, improving drivability.
      Multi-mode Automatic Transmission The ECM appropriately controls the automatic transaxle in accordance with the range selected while the shift lever is in S.
      Operating the shift paddle switch "-" (DOWN) with the shift lever in D enables D position fixed range mode. D position fixed range mode allows a fixed range mode identical to the S position with the shift lever remaining in D.*
      Shift Lock System The shift lock mechanism prevents the shift lever from being moved to any position other than P, unless the ignition switch is ON, and the brake pedal is depressed.
      Fail-safe If a malfunction is detected in the sensors or solenoids, the ECM performs fail-safe control to prevent the vehicle drivability from being affected significantly.
      Diagnosis When the ECM detects a malfunction, the ECM records the malfunction and memorizes the information that relates to the fault.
      • *: Models with Paddle Shift Switch

    2. Clutch to Clutch Pressure Control

      1. Clutch to clutch pressure control is used for shift control. As a result, shift control in 2nd gear or above is possible without using a one-way clutch, making the automatic transaxle lightweight and compact.

      2. Based on the information about transmission input and output speed, engine torque and other items, the ECM controls each clutch and brake accordingly with the optimum fluid pressure and timing, in order to shift the gears. The ECM changes gears using fluid pressure circuits which enable the clutches and brakes (C1, C2, B1 and B3) to be controlled independently, and using high flow SL1, SL2, SL3 and SL4 shift solenoid valves which directly control the line pressure. As a result, highly responsive and excellent shift characteristics have been realized.

        A011LJ7E01
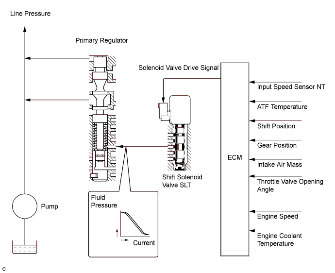
    3. Line Pressure Control

      1. The line pressure is controlled using shift solenoid valve SLT.

      2. Through the use of shift solenoid valve SLT, the line pressure is appropriately controlled in accordance with the engine torque information, as well as with the internal operating conditions of the torque converter and the transaxle.

      3. Accordingly, the line pressure can be accurately controlled in accordance with the engine output, traveling condition, and the ATF temperature, thus realizing smooth shift characteristics and regulating the workload of the oil pump (reducing unnecessary parasitic losses).

        A011LMHE01
    4. Lock-up Timing Control

      1. The ECM uses lock-up timing control in order to improve the fuel economy in 2nd gear or higher when the shift lever is in D, or when the S6, S5 or S4 range has been selected.

        A011LUFE04
        Lock-up Operation:
        Gear Shift Lever Position or Range
        D or S6 S5 S4
        1st X X X
        2nd
        3rd
        4th
        5th -
        6th - -

        Tech Tips

        ○: Operates

        X: Does not operate

        -: Not applicable

    5. Flex Lock-up Clutch Control

      1. During acceleration, the partial control of the power transmission between the lock-up clutch and torque converter greatly boosts the transmission efficiency in accordance with the driving conditions, improving the fuel economy.

      2. Even when the vehicle is decelerating (the accelerator pedal is released), flex lock-up clutch control operates. Therefore, the fuel-cut area of the engine has been expanded and fuel-economy has been improved.

      3. By allowing flex lock-up clutch control to continue operating during gearshifts, smooth torque transmission has been obtained. As a result, fuel economy and drivability have been improved.

      4. For flex lock-up control, H infinity (H∞) control theory is used to achieve a high level of system stability and response to various characteristic changes.

        A011LRBE01
      5. The flex lock-up operating range has been expanded. Flex lock-up begins operating once the vehicle starts moving to lower engine speed and improve fuel economy.

        A011LHRE01
        Flex Lock-up Operation:
        Gear Shift Lever Position or Range
        D S6 S5 S4
        1st X X X
        2nd
        3rd
        4th ○* ○* ○* ○*
        5th ○* ○* ○* -
        6th ○* ○* - -

        Tech Tips

        ○: Operates

        X: Does not operate

        -: Not applicable

        *: Flex lock-up clutch control also operates when the vehicle decelerates.

    6. Powertrain Cooperative Control

      1. The engine output is appropriately controlled with the Electronic Throttle Control System-intelligent (ETCS-i) in real-time according to the transient force from the torque converter when the vehicle is launched. This achieves a "high response and smooth acceleration", ensuring excellent launch performance.

        A011LECE01
      2. The ECM determines the gear that is to be selected when the accelerator pedal is released (released completely) in accordance with the way the accelerator pedal is released (quickly or slowly) during deceleration. In this way, unnecessary upshifts are prevented during deceleration, matching the driver's intentions. In addition, unintended downshifts are prevented when accelerating the vehicle again, achieving smooth acceleration.

        A011LJJE06
      3. Through cooperative control with the Electronic Throttle Control System-intelligent (ETCS-i) and Electronic Spark Advance (ESA), and electronic control of the engagement and release speed of the clutch and brake hydraulic pressures, quick response and shift shock reduction have been achieved.

        A011LEME01
    7. Coast Downshift Control

      1. The ECM performs downshift control to help prevent the engine speed from decreasing, thus keeping fuel cut control operating for as long as possible. In this way, fuel economy is improved.

      2. For this control, when the vehicle is in 6th gear and starts decelerating, the transaxle downshifts from 6th to 5th, 5th to 4th, and 4th to 3rd before fuel cut control ends so that fuel cut continues operating.

        A011LVLE01
    8. Direct Downshift Control

      1. For conventional downshift control, when shifting from 6th to 3rd or 5th to 2nd, downshifts use an intermediate gear in order to achieve smooth acceleration response. In addition to conventional control, direct downshift control is used for this vehicle. This control skips unnecessary shifts, enabling the vehicle to downshift directly from 6th to 3rd or from 5th to 2nd.

      2. When the accelerator pedal is depressed quickly, direct downshift control enables direct downshifts with a quick shift response, skipping unnecessary shifts. Direct downshift control places the emphasis on reducing the time required to achieve the target gear. Conventional downshift control is used when the accelerator pedal is depressed slowly, providing smooth acceleration response. As a result, this logic achieves downshift responsiveness in accordance with the driver's intentions.

        A011LMDE01
    9. Artificial Intelligence Shift Control (AI-shift Control)

      1. The automatic transmission gear is determined by the shift pattern, which uses the vehicle speed and throttle valve opening angle.

      2. Additionally, AI-shift control enables the ECM to estimate the road conditions and the driver's intention in order to automatically control the shift pattern in the manner. As a result, a comfortable ride has been achieved.

      3. AI-shift control includes road condition support control and driver's intention support control.

      4. AI-shift control determines transaxle control based on input signals and automatically changes the shift pattern.

        A011LPYE03
      5. Under road condition support control, the ECM determines the throttle opening angle and the vehicle speed in addition whether the vehicle is being driven uphill or downhill. To achieve the drive force while driving uphill, this control prevents unnecessary upshifts. To achieve engine braking while driving downhill, this control automatically performs downshifts.

        A011LSXE02
      6. The ECM estimates the driver's intention based on the accelerator operation and vehicle operating conditions to select a shift pattern that is well-suited to each driver, without the need to operate the shift pattern select switch used in the conventional models.

    10. Multi-mode Automatic Transmission

      1. Multi-mode Automatic Transmission is designed to allow the driver to switch between gear ranges. By moving the shift lever to S and then moving the shift lever toward "+" or "-", the driver can select the desired shift range. Thus, the driver is able to shift gears with a manual-like feel.

      2. This Multi-mode Automatic Transmission is designed to allow the driver to switch gear ranges; it is not for manually selecting single gears.

      3. When the vehicle is being driven at a speed that is higher than the maximum safe speed for a downshift, any attempt to shift to a lower range by operating the shift lever will not be performed. This is done in order to protect the automatic transaxle. In this case, the ECM sounds the buzzer in the combination meter assembly twice to alert the driver.

        A011LLKE01
      4. With paddle shift switch models, in addition to the shift lever, a transmission shift switch assembly has been provided on the steering wheel, allowing shifting operation similar to that of a manual transmission.

      5. The driver can select S mode by moving the shift lever to S. At this time, the 4th or 5th shift range will be selected according to the vehicle speed (during AI-shift control, however, the 3rd shift range may be selected).

      6. Under this control, the ECM performs shift control within the usable gear range that the driver selects. As with an ordinary automatic transaxle, it shifts to 1st gear when the vehicle is stopped.

      7. The shift lever position and the shift range are indicated by the shift indicator light in the combination meter assembly (the shift range is shown only when the shift lever is in S, and it is not shown when the shift lever is in P, R, N or D).

      8. When the shift lever is in S, the S mode indicator light in the combination meter assembly illuminates. The shift indicator light indicates the shift range that the driver has selected.

      9. Holding the shift lever toward "+" with the shift lever in S will change the shift range to the S6 range regardless of the current range (S1 to S5).

      10. In order to prevent excessive engine speed, a function is used that automatically selects a higher shift range before engine speed becomes excessive.

      11. In order to protect the automatic transmission, a function is adopted that automatically selects a higher shift range when the fluid temperature is high.

        A011LSCE01
        Text in Illustration
        *a Transition of Shift Ranges *b Shift Pattern
        A011LVN Default Shift Range - -
        Usable Gear Chart
        Shift Range Shift Indicator Light Usable Gear
        S6 6 1st to 6th
        S5 5 1st to 5th
        S4 4 1st to 4th
        S3 3 1st to 3rd
        S2 2 1st to 2nd
        S1 1 1st
    11. Shift Lock System

      1. The shift lock system is controlled by the shift lock control ECU.

      2. The shift lock mechanism prevents the shift lever from being moved to any position other than P, unless the ignition switch is ON, and the brake pedal is depressed. This mechanism helps to prevent unintentional acceleration.

      3. The shift lock system mainly consists of the shift lock control ECU sub-assembly, shift lock solenoid assembly and shift lock release button.

        A011LKWE01
      4. The shift lock control ECU uses the P detection switch to detect the shift lever position, and receives inputs from the stop light switch assembly and the main body ECU (multiplex network body ECU) or IG2 relay. Upon receiving these signals, the shift lock control ECU turns on the shift lock solenoid in order to release the shift lock.

  2. FUNCTION

    1. Transmission Shift Switch Assembly (Models with Paddle Shift Switch)

      1. When the shift lever is in S, the shift ranges can be selected by using the transmission shift switch assembly located behind the steering wheel. Then, if the driver pulls the right shift switch (+) or the left one (-), the selected shift range changes one at a time.

      2. Temporary S mode can be selected while driving with the shift lever in D by operating the "+" or "-" switches of the transmission shift switch assembly. When temporary S mode is selected, both the D indicator and the currently selected shift range are displayed in the combination meter assembly. When the "-" switch of the transmission shift switch assembly is operated while the shift lever is in D, temporary S mode selects a shift range that is the same as the currently selected gear or the next lower gear.

      3. The temporarily selected S mode is canceled when any of the following conditions are met.

        Condition Control
        When the vehicle is stopped. Returns to D mode.
        When the accelerator pedal has been depressed for a specified amount of time.
        When + of the transmission shift switch assembly is operated for one second or more while the vehicle is being driven.
        When the shift lever is moved to S. Changes from temporary S mode to S mode

        Tech Tips

        *: Models with Paddle Shift Switch

  3. CONSTRUCTION

    1. Differential Case

      1. The curvature of the front differential case opening where tensile stress is concentrated during driving, is enlarged in order to moderate the stress concentration and enhance the torque tolerance of the differential case. As a result, the use of a lightweight 2-pinion gear differential is possible.

        A011LFOE01
    2. Torque Converter Assembly

      1. A compact, lightweight and high-capacity torque converter assembly is used.

      2. This torque converter has appropriately designed fluid passages and impeller configuration, resulting in substantially enhanced transmission efficiency to ensure good starting, acceleration and fuel economy.

      3. Furthermore, a hydraulically operated lock-up mechanism which cuts power transmission losses due to slippage at medium and high speeds is used.

        A011LU8E01
        Text in Illustration
        *1 Lock-up Clutch *2 Lock-up Damper
        *3 One-way Clutch *4 Stator
        *5 Turbine Runner *6 Pump Impeller
    3. Oil Pump Assembly

      1. The oil pump is operated by the torque converter. It lubricates the planetary gear units and supplies operating fluid pressure for hydraulic control.

      2. The pump cover is made of aluminum to reduce weight.

        A011LMWE02
        Text in Illustration
        *1 Front Oil Pump and Gear Body Sub-assembly *2 Front Oil Pump Drive Gear
        *3 Front Oil Pump Driven Gear *4 Stator Shaft Assembly
    4. Oil Strainer

      1. A felt type valve body oil strainer assembly is used because it is lightweight, offers excellent contamination capturing ability, and is more reliable. This valve body oil strainer assembly is maintenance-free.

        A011LOGE01
        Text in Illustration
        *1 Valve Body Oil Strainer Assembly *2 Oil Pan
    5. ATF Filling Procedure

      1. A special ATF filling procedure is used in order to improve the accuracy of the ATF level when the transaxle is being repaired or replaced. As a result, the oil filler tube and the oil level gauge used in the conventional automatic transmission have been discontinued, eliminating the need to inspect the fluid level as a part of routine maintenance.

      2. This filling procedure uses a refill plug, overflow plug, ATF temperature sensor, and the D indicator. For details about the ATF filling procedure, refer to the Repair Manual.

        A011LIKE02
        Text in Illustration
        *1 Refill Plug *2 Overflow Plug
        *a Proper Level - -
    6. ATF Warmer (transmission oil cooler)

      1. An ATF warmer (transmission oil cooler) is used for the purpose of warming up the ATF quickly and to keep the ATF temperature higher (within limits). As a result, fuel economy has been improved.

      2. Engine coolant flows directly from the engine to the ATF warmer (transmission oil cooler) in order to warm up the ATF quickly even before the engine thermostat opens. Consequently, the friction losses of the automatic transmission are quickly reduced, thus improving fuel economy.

      3. After the ATF warms up, the engine coolant that flows through the ATF warmer (transmission oil cooler) will help to limit the ATF temperature increase.

        A011LMVE01
        Text in Illustration
        *1 ATF Warmer (Transmission Oil Cooler) - -
        *a To Engine *b From Heater Radiator Unit Sub-assembly
        A011LPN Engine Coolant A011LGT ATF WS
    7. Planetary Gear Unit

      1. The 6-speed configuration has been achieved by using 2 planetary gear units, creating a 6-speed automatic transaxle.

      2. A Ravigneaux type planetary gear unit is used as the rear gear unit. The gear unit consists of pairs of sun gears (front and rear) and planetary pinion gears (long and short) with different diameters within a single planetary gear.

      3. A centrifugal fluid pressure canceling mechanism is used in the C1 and C2 clutches that are applied when shifting between 1st to 6th gears.

      4. The shapes of the grooves in the clutches and brake linings have been optimized in order to reduce drag.

        A011LTRE02
        Text in Illustration
        *1 No. 1 Clutch (C1) *2 No. 2 Clutch (C2)
        *3 No. 1 One-way Clutch (F1) *4 No. 2 Brake (B2)
        *5 No. 3 Brake (B3) *6 No. 1 Brake (B1)
        *7 Counter Drive Gear *8 Underdrive Planetary Gear Unit
        *9 Input Shaft *10 Differential Drive Pinion
        *11 Ravigneaux Planetary Gear Unit *12 Counter Driven Gear
        *13 Long Pinion Gear *14 Short Pinion Gear
        *15 Ring Gear *16 Pinion Gear
        *17 Sun Gear *18 Rear Sun Gear
        *19 Front Sun Gear *20 Intermediate Shaft
      5. The functions of the clutches and brakes are as follows:

        Component Function
        C1 No. 1 Clutch Connects the intermediate shaft and Ravigneaux planetary rear sun gear.
        C2 No. 2 Clutch Connects the intermediate shaft and Ravigneaux planetary ring gear.
        B1 No. 1 Brake Prevents the Ravigneaux planetary front sun gear and underdrive planetary carrier from turning either clockwise or counterclockwise.
        B2 No. 2 Brake Prevents the Ravigneaux planetary ring gear from turning either clockwise or counterclockwise.
        B3 No. 3 Brake Prevents the underdrive planetary ring gear from turning either clockwise or counterclockwise.
        F1 No. 1 One-way Clutch Prevents the Ravigneaux planetary ring gear from turning counterclockwise.
        Planetary Gears These gears change the route through which driving force is transmitted, in accordance with the operation of each clutch and brake, in order to increase or reduce the input and output speeds.
    8. Centrifugal Fluid Pressure Canceling Mechanism

      1. For the following reason, a centrifugal fluid pressure canceling mechanism is used on the C1 and C2 clutches.

      2. Clutch shifting operation is affected not only by the valve body controlled fluid pressure but also by centrifugal fluid pressure from the fluid that is present in the clutch piston oil pressure chamber (chamber A). The centrifugal fluid pressure canceling mechanism uses chamber B to reduce the effects of the centrifugal fluid pressure due to the fluid in chamber A. As a result, smooth shifting with excellent response is achieved.

        A011LSEE01
        Text in Illustration
        *1 C1 *2 C2
        *3 Chamber A *4 Chamber B
        *5 Piston - -
      3. Chamber B is filled by fluid supplied to the shaft for lubrication. As a result of filling chamber B, there is the same amount of fluid pressure due to centrifugal force on both sides of the piston. This cancels the effect of fluid pressure on the piston due to centrifugal force. Accordingly, it is not necessary to discharge the fluid through the use of a check ball, and highly responsive and smooth shifting characteristics are achieved.

        A011LE9E04
    9. Counter Drive Gear

      1. Angular ball bearings are used to support the counter drive gear and the Ravigneaux planetary gear unit, reducing the rolling resistance and noise.

        A011LGEE01
        Text in Illustration
        *1 Angular Ball Bearing *2 Counter Drive Gear
    10. Clutch and Brake Pistons

      1. 2 types of pistons are used; a non-split piston that acts in the push direction for the No. 1 clutch (C1) operation, and a split piston that acts in the pull direction for the No. 2 clutch (C2) operation. These 2 types of pistons contribute to making the entire clutch structure compact.

      2. A split type piston is adopted for the C2 piston, achieving a compact design.

      3. A wave spring is used to ensure C2 piston transfer efficiency.

      4. By setting the piston for the No. 3 brake (B3) operation around the counter drive gear, the brake structure has been made more compact.

        A011LOXE01
        Text in Illustration
        *1 Piston (Split Type) *2 Wave Spring
        *3 Piston (Non-split Type) *4 Divided Portion
        *5 Piston *6 Counter Drive Gear
        *7 No. 1 Clutch (C1) *8 No. 2 Clutch (C2)
        *9 No. 3 Brake (B3) - -
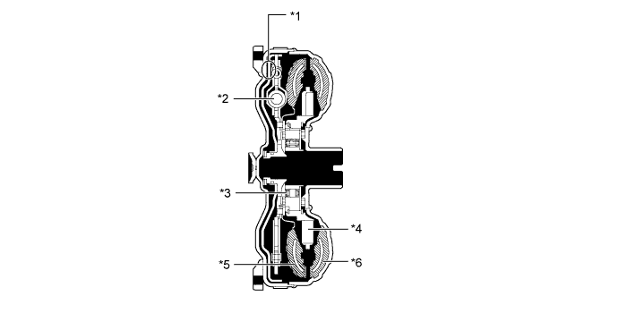
    11. Transmission Valve Body Assembly

      1. The transmission valve body assembly consists of the No. 1 upper, No. 2 upper and lower valve bodies and 7 shift solenoid valves (SL1, SL2, SL3, SL4, SLU, SLT, SL).

        A011LFNE01
        Text in Illustration
        *1 Shift Solenoid Valve SLU *2 Shift Solenoid Valve SL1
        *3 Shift Solenoid Valve SL4 *4 Shift Solenoid Valve SLT
        *5 Shift Solenoid Valve SL2 *6 Shift Solenoid Valve SL
        *7 Shift Solenoid Valve SL3 *8 No. 2 Upper Valve Body
        *9 Plate *10 No. 1 Upper Valve Body
        *11 Lower Valve Body *12 Solenoid Modulator Valve
        *13 B2 Control Valve *14 B2 Apply Control Valve
        *15 Clutch Apply Control Valve *16 Clutch Control Valve
        *17 Sequence Valve *18 Primary Regulator Valve
        *19 B1 Apply Control Valve - -
        A011LQBE02
        Text in Illustration
        *1 Lock-up Control Valve *2 No. 2 Upper Valve Body
        *3 Lock-up Relay Valve *4 Secondary Regulator Valve
        *5 Reverse Sequence Valve *6 Lower Valve Body
        *7 Shift Solenoid Valve SL Installation Position *8 Shift Solenoid Valve SLT Installation Position
        *9 Shift Solenoid Valve SLU Installation Position *10 Shift Solenoid Valve SL2 Installation Position
        *11 Shift Solenoid Valve SL1 Installation Position *12 Shift Solenoid Valve SL3 Installation Position
        *13 Shift Solenoid Valve SL4 Installation Position - -
    12. Shift Solenoid Valves SL1, SL2, SL3, SL4, SLU and SLT

      1. In order to provide a hydraulic pressure that is proportional to the current that flows to the solenoid coil, shift solenoid valves SL1, SL2, SL3, SL4, SLU and SLT linearly control the line pressure and clutch and brake engagement pressure based on the signals from the ECM.

      2. Shift solenoid valves SL1, SL2, SL3 and SL4 are high flow linear solenoid valves that can supply more pressure than conventional ones. These shift solenoid valves control engagement elements by directly regulating the line pressure without using a pressure regulation valve (control valve) or a pressure reduction valve (solenoid modulator valve). Thus, the number of valves and the length of the valve body fluid passage have been reduced, the shifting response has been increased and shift shock has been minimized.

        A011LL2E01
        A011LW9E01
        Shift Solenoid Valve Function
        SL1 C1 clutch pressure control
        SL2 C2 clutch pressure control
        SL3 B1 brake pressure control
        SL4 B3 brake pressure control
        SLU

        - Lock-up clutch pressure control

        - B2 brake pressure control

        SLT Line pressure control
    13. Shift Solenoid Valve SL

      1. Shift solenoid valve SL is a 3-way solenoid valve.

      2. A filter is provided at the tip of the solenoid valve to further improve operational reliability.

        A011LM3E01
        Shift Solenoid Valve Type Function
        SL 3-way
        • - Switches the lock-up relay valve.

        • - Switches the B2 apply control valve and the reverse sequence valve.

    14. ECM

      1. The ECM performs transaxle control.

      2. A label, on which the automatic transaxle compensation values and Quick Response (QR) code are printed, is attached on the top of the automatic transaxle. The label contains encoded information about the characteristics of the automatic transaxle. When the automatic transaxle is replaced, allow the ECM to learn the characteristics of the automatic transaxle by inputting the automatic transaxle compensation values into the ECM using the Techstream. In this way, the shift control performance immediately after replacement of the automatic transaxle is improved. For details, refer to the Repair Manual.

      3. The QR code, which requires a special tool to read, is used at the vehicle assembly plant.

        A011LKXE01
        Text in Illustration
        *1 QR Code *2 Automatic Transaxle Compensation Value
        *a Automatic Transaxle Front View - -

        Tech Tips

        What are Quick Response (QR) Codes?

        • QR code, a matrix symbology consisting of an array of nominally square cells, allows omni-directional, high-speed reading of large amounts of data.

        • QR codes encode many types of data such as numeric, alphanumeric, kanji, kana and binary codes. A maximum of 7,089 characters (numeric) can be encoded.

        • QR codes (2D code) contain information in the vertical and horizontal directions, whereas bar codes only contain data in one direction. QR codes (2D code) hold considerably greater volumes of information than bar codes.

    15. ATF Temperature Sensor

      1. The ATF temperature sensor is installed in the transmission valve body assembly for direct detection of the fluid temperature.

      2. The ATF temperature sensor is used for hydraulic pressure control. This sensor is used for fine-tuning the pressure that is used to apply clutches and brakes in the transmission. This helps to ensure smooth shift quality.

        A011LU4E01
        Text in Illustration
        *1 Lower Valve Body *2 ATF Temperature Sensor
    16. Transmission Revolution Sensor

      1. The U760E automatic transaxle uses an input speed sensor NT and an output speed sensor NC. Thus, the ECM can detect the timing of the shifting of the gears and appropriately control the engine torque and hydraulic pressure in response to the various conditions.

      2. The input speed sensor NT detects the input speed of the transaxle. The No. 2 clutch piston is used as the timing rotor for this sensor.

      3. The output speed sensor NC detects the speed of the counter gear. The counter drive gear is used as the timing rotor for this sensor.

      4. A Hall type speed sensor consists of a magnet and a Hall IC. The Hall IC converts the changes in the magnetic flux density that occur through the rotation of the timing rotor into an electric signal, and outputs the signal to the ECM.

        A011LFTE02
        Text in Illustration
        *1 No. 2 Upper Valve Body *2

        Transmission Revolution Sensor

        - Input Speed Sensor NT

        *3

        Transmission Revolution Sensor

        - Output Speed Sensor NC

        *4 No. 1 Upper Valve Body
        *5 Lower Valve Body - -
        *a Engine Side - -
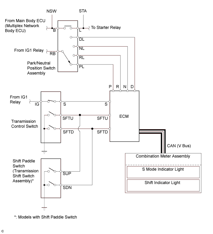
    17. Transmission Shift Switch Assembly (Models with Paddle Shift Switch), Transmission Control Switch and Park/Neutral Position Switch Assembly

      1. The ECM use these switches to detect the shift lever position.

      2. The park/neutral position switch sends the P, R, N and D position signals to the ECM. The ECM transmits signals to the combination meter assembly for the shift position indicator lights (P, R, N and D) in response to the signals received from the switch.

      3. The transmission control switch is installed inside the shift lever assembly to inform the ECM of the shift lever position.

      4. The transmission shift switch assembly is built into the steering wheel assembly and informs the ECM of the driver's "-" or "+" shift operation.*

        *: Models with paddle shift switch

      5. Switch terminal S is used to detect whether the shift lever is in D or S, and terminals SFTU and SFTD are used to detect the operation of the shift lever (if it is moved to the front ["+" position] or rear ["-" position]) when S mode is selected. By transmitting signals to the ECM, the transmission control switch turns on both the shift indicator light and the S mode indicator light when the shift lever is moved to S, and indicates the selected range through shift indicator light.

        A011LS3E01
    18. Automatic Transmission Fluid (ATF) WS

      1. TOYOTA genuine ATF WS is used to reduce the resistance of the ATF and improve the fuel economy by reducing its viscosity in the practical operating temperature range. At higher-fluid temperatures, the viscosity is the same as that of TOYOTA genuine ATF Type T-IV, to ensure the durability of the automatic transmission.

      2. There is no interchangeability between the TOYOTA genuine ATF WS and other types of ATF (D-II, DIII or TOYOTA genuine ATF Type T-IV).

        A011LENE02
  4. OPERATION

    1. Transmission Power Flow

      A011LU2E02
      A011LJEE03
      A011LVTE03
      A011LFKE03
      A011LL5E03
      A011LIDE05
      A011LFIE03
      A011LRNE04
      A011LRPE03
  5. FAIL-SAFE

    This function minimizes the loss of operability when an abnormality occurs in a sensor or solenoid. For details, refer to the Repair Manual.

  6. DIAGNOSIS

    1. When the ECM detects a malfunction, the ECM records the malfunction and memorizes the information related to the fault. Furthermore, the ECM illuminates or blinks the Malfunction Indicator Lamp (MIL) in the combination meter assembly to inform the driver.

    2. A permanent DTC is used for the DTCs associated with the illumination of the MIL. The permanent DTCs cannot be cleared by using the Techstream, disconnecting the battery terminal, or removing the EFI No. 1 fuse.

    3. The ECM will also store the Diagnostic Trouble Codes (DTCs) of the malfunctions. The DTCs stored in the ECM are output to the Techstream via the ECM and the DLC3. For details, refer to the Repair Manual.

      Tech Tips

      To clear a DTC that is stored in the ECM, use the Techstream, disconnect the cable from the battery terminal for 1 minute or longer.