СИСТЕМА УПРАВЛЕНИЯ ГИБРИДНОЙ СИСТЕМОЙ


  1. ОПИСАНИЕ


    1. Гибридная система данного автомобиля основана на гибридном приводе LEXUS в рамках концепции "Hybrid Synergy Drive" (комплексный гибридный привод)*.

    2. В автомобилях с гибридным приводом совместно используются источники энергии 2 видов: двигатель и высоковольтная аккумуляторная батарея, что позволяет пользоваться преимуществами каждого из этих источников и одновременно компенсировать их недостатки. В результате обеспечивается эффективная работа автомобиля.

    3. В отличие от электромобилей автомобили с гибридным приводом не нуждаются во внешней подзарядке аккумуляторных батарей. Таким образом, для эксплуатации автомобилей с гибридным приводом не требуется специальная инфраструктура.

    4. В различных областях продолжается техническое совершенствование силовых агрегатов (таких, как двигатель и топливная батарея). Гибридная система представляет собой гибкую систему, в которой используются высокоэффективный силовой агрегат и электродвигатели.

    5. В автомобилях с гибридным приводом имеются высоковольтные электрические цепи. Поэтому при разработке таких автомобилей особое внимание уделялось защите водителей и механиков от поражения электрическим током.

      Tech Tips

      *: Концепция "Hybrid Synergy Drive" дает 4 основных преимущества: снижение расхода топлива, уменьшение токсичности отработавших газов, плавный разгон и бесшумная работа.

  2. ТЕХНИЧЕСКИЕ ХАРАКТЕРИСТИКИ


    1. Мотор-генератор

      Наименование Технические характеристики
      MG1 MG2
      Тип Электродвигатель с постоянным магнитом Электродвигатель с постоянным магнитом
      Функция Генерация электроэнергии, стартер двигателя Генерация электроэнергии, привод колес
      Максимальное напряжение системы В 650 В пост. тока 650 В пост. тока
      Максимальная мощность кВт - 105
      Максимальный крутящий момент Н*м - 270
      Система охлаждения С водяным охлаждением С водяным охлаждением
    2. Преобразователь-инвертор в сборе

      Наименование Технические характеристики
      Повышающий преобразователь Номинальное напряжение (со стороны инвертора) В 650 В пост. тока
      Номинальное напряжение (со стороны высоковольтной аккумуляторной батареи) В 244,8 В пост. тока
      Преобразователь постоянного тока в постоянный Номинальное выходное напряжение В 13,5 - 15,0 В пост. тока
      Максимальный выходной ток А 120
    3. Высоковольтная аккумуляторная батарея

      Наименование Технические характеристики
      Тип Никель-металл-гидридная (Ni-MH) аккумуляторная батарея
      Количество элементов 204 элементов (6 элементов x 34 модулей)
      Номинальное напряжение В 244,8
      Емкость аккумуляторной батареи (3HR) А*ч 6,5
    4. Система охлаждения (для преобразователя-инвертора и гибридной трансмиссии)

      Наименование Технические характеристики
      Насос системы охлаждения инвертора в сборе Тип электродвигателя Бесщеточный
      Производительность л (кварты США, англ. кварты) 12 (12,7, 10,6) /мин. или более
      Охлаждающая жидкость Тип Фирменная охлаждающая жидкость SLLC (охлаждающая жидкость с увеличенным сроком замены) от компании Toyota
      Цвет Розовый
      Объем л (кварты США, англ. кварты) 3,2 (3,4, 2,8)
      Периодичность техобслуживания Первая замена км (мили) 240000 (150000)
      Последующие замены км (мили) Каждые 80000 (50000)
    5. Система охлаждения (для высоковольтной аккумуляторной батареи)

      Наименование Технические характеристики
      Вентилятор охлаждения аккумуляторной батареи в сборе Тип электродвигателя Бесщеточный
      Тип вентилятора Центробежный вентилятор Sirocco
      Объемный расход воздуха

      м3

      138
  3. ОСНОВНЫЕ ОСОБЕННОСТИ


    1. В гибридном приводе LEXUS реализованы следующие функции.

      Наименование Описание
      Автоматическое выключение двигателя на холостом ходу Двигатель, работающий на холостом ходу, автоматически останавливается (остановка двигателя на холостом ходу) для сокращения потерь энергии.

      Привод EV

      (эффективное управление приводом)

      Когда КПД двигателя мал, этот привод дает автомобилю возможность двигаться только за счет энергии электродвигателя. Кроме того, при высоком КПД двигателя он обеспечивает выработку электроэнергии. Такое управление позволяет добиться максимального суммарного КПД автомобиля.
      Режим привода EV Если водитель нажимает переключатель при выполнении соответствующих условий, автомобиль может двигаться с приводом только от электродвигателя.
      Вспомогательное использование электродвигателя При разгоне мощность электродвигателя добавляется к мощности двигателя.

      Рекуперативное торможение

      (рекуперация энергии)

      Во время замедления, а также при нажатии педали тормоза часть энергии, которая расходуется на тепловые потери, накапливается в виде электрической энергии, подлежащей повторному использованию, например, для питания электродвигателя.
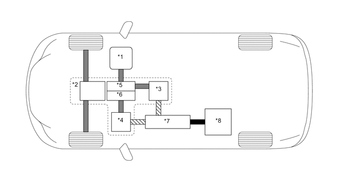
    2. Далее рассмотрен механизм гибридного привода LEXUS.


      1. К основным узлам гибридного привода LEXUS относятся двигатель, гибридная трансмиссия в блоке с главной передачей, преобразователь-инвертор в сборе и высоковольтная аккумуляторная батарея. Используется гибридная система последовательно-параллельного типа.

        A0002VAE08
        Обозначения на рисунке
        *1 Двигатель *2 Гибридная трансмиссия в сборе
        *3 Мотор-генератор № 1 (MG1) *4 Мотор-генератор № 2 (MG2)
        *5 Планетарная передача деления мощности (блок шестерен) *6 Планетарный редуктор электродвигателя (блок шестерен)
        *7 Преобразователь-инвертор в сборе *8 Высоковольтная аккумуляторная батарея
        A000356 Путь передачи электрической энергии (постоянного тока) A0002KP Путь передачи электрической энергии (переменного тока)
        A0002Y6 Путь передачи механической энергии - -

        Tech Tips

        В целом, существуют 3 типа гибридных систем: последовательные гибридные системы, параллельные гибридные системы и смешанные (последовательно-параллельные) гибридные системы.


        • В последовательной гибридной системе электродвигатель вращает колеса, а двигатель посредством генератора действует как источник электроэнергии для электродвигателя.

          A00035LE07
          Обозначения на рисунке
          *1 Двигатель *2 Генератор
          *3 Инвертор *4 Высоковольтная аккумуляторная батарея
          *5 Электродвигатель - -
          A000356 Путь передачи электрической энергии (постоянного тока) A0002KP Путь передачи электрической энергии (переменного тока)
          A0002Y6 Путь передачи механической энергии - -
        • В параллельной гибридной системе колеса вращаются непосредственно как двигателем, так и мотор-генератором. Наряду с дополнением мощности двигателя мотор-генератор также может выполнять функцию генератора, заряжая высоковольтную аккумуляторную батарею во время движения автомобиля. Кроме того, автомобиль может перемещаться только под действием мотор-генератора.

          A00038UE01
          Обозначения на рисунке
          *1 Двигатель *2 Трансмиссия
          *3 Высоковольтная аккумуляторная батарея *4 Инвертор
          *5 Мотор-генератор - -
          A000356 Путь передачи электрической энергии (постоянного тока) A0002KP Путь передачи электрической энергии (переменного тока)
          A0002Y6 Путь передачи механической энергии - -
        • Смешанная (последовательно-параллельная) гибридная система сочетает в себе характеристики последовательной и параллельной гибридных систем. В состав системы входят 2 мотор-генератора. Мотор-генератор № 1 позволяет вырабатывать электроэнергию с использованием мощности двигателя. Вырабатываемая электроэнергия используется для зарядки высоковольтной аккумуляторной батареи, а также для питания мотор-генератора № 2.

          A0002GBE08
          Обозначения на рисунке
          *1 Двигатель *2 Планетарная передача деления мощности
          *3 Высоковольтная аккумуляторная батарея *4 Инвертор
          *5 Мотор-генератор № 1 *6 Мотор-генератор № 2
          A000356 Путь передачи электрической энергии (постоянного тока) A0002KP Путь передачи электрической энергии (переменного тока)
          A0002Y6 Путь передачи механической энергии - -
      2. Эта система осуществляет оптимальное координированное управление двигателем 2AR-FXE, мотором-генератором № 1 (MG1) и мотором-генератором № 2 (MG2) в гибридной трансмиссии P314, обеспечивая превосходное качество работы трансмиссии.

      3. Система включает 2 аккумуляторные батареи, которые выполняют разные функции. Одна представляет собой высоковольтную аккумуляторную батарею (с номинальным постоянным напряжением 244,8 В), которая аккумулирует энергию для привода автомобиля, а другая – вспомогательную аккумуляторную батарею (с номинальным постоянным напряжением 12 В), которая обеспечивает питание электрооборудования.

      4. Помимо прочего используется система регулирования напряжения, включающая в себя высоковольтную аккумуляторную батарею большой емкости с номинальным постоянным напряжением 244,8 В, повышающий преобразователь, который увеличивает рабочее напряжение MG1 и MG2 до максимального уровня 650 В пост. тока, а также инвертор, который преобразует постоянный ток в переменный.

      5. Поскольку автомобили с гибридным приводом не оборудуются обычным генератором, высокое напряжение высоковольтной аккумуляторной батареи понижается примерно до 14 В с помощью преобразователя постоянного тока в постоянный, чтобы обеспечить зарядку вспомогательной аккумуляторной батареи. Кроме того, во время движения автомобиля высоковольтная аккумуляторная батарея регулярно заряжается и разряжается в пределах постоянного диапазона SOC (степень заряда аккумуляторной батареи). Поэтому подзарядка от внешних источников не требуется.

        A0002L1E03
        Обозначения на рисунке
        *1 Двигатель 2AR-FXE *2

        Гибридная трансмиссия P314 в сборе

        - Мотор-генератор № 1 (MG1)

        - Мотор-генератор № 2 (MG2)

        *3

        Преобразователь-инвертор в сборе

        - Инвертор

        - Повышающий преобразователь

        - Преобразователь постоянного тока в постоянный

        *4 Высоковольтная аккумуляторная батарея в сборе
        *5 Вспомогательная аккумуляторная батарея - -
      6. Для охлаждения преобразователя-инвертора, MG1 и MG2 используется специальная система охлаждения, независимая от системы охлаждения двигателя.

        A00032OE03
        Обозначения на рисунке
        *1 Насос системы охлаждения инвертора в сборе *2 Радиатор в сборе
        *3 Расширительный бачок инвертора в сборе - -
        A0002J8 Поток охлаждающей жидкости гибридной системы - -
      7. Так как высоковольтная аккумуляторная батарея выделяет тепло во время периодически повторяющихся циклов зарядки и разрядки, для обеспечения ее нормальной работы применяется специальная система охлаждения.

        A0002SYE04
        Обозначения на рисунке
        *1 Впускной воздуховод *2 Вентилятор охлаждения аккумуляторной батареи в сборе
        *3 Высоковольтная аккумуляторная батарея в сборе - -
        A0002J8 Поток охлаждающего воздуха - -
  4. МЕРЫ ПРЕДОСТОРОЖНОСТИ


    1. Меры предосторожности относительно высокого напряжения гибридной системы


      1. Защита от высокого напряжения реализуется 2 способами: "изоляцией цепей высокого напряжения" и "отключением цепей высокого напряжения". Гибридная система также определяет, не снижено ли сопротивление изоляции между системой высокого напряжения и массой.

    2. Изоляция цепей высокого напряжения


      1. Цепи высокого напряжения связывают высоковольтную аккумуляторную батарею, преобразователь-инвертор в сборе, гибридную трансмиссию в блоке с главной передачей и компрессор электродвигателем в сборе. Каждое из этих устройств подключается с использованием силовых кабелей (жгута электропроводки рамы) и электрически изолируется корпусами и кожухами.

      2. Кроме того, кабели (жгут электропроводки рамы) экранируются с помощью проволочной сетки, вделанной в электрическую изоляцию проводов. Экраны заземляются путем соединения с шасси автомобиля и предназначены, главным образом, для защиты от электромагнитных помех.

        A0002LUE03
        Обозначения на рисунке
        *1 Компрессор с электродвигателем в сборе *2 Силовой кабель (жгут проводов рамы)
        *3 Преобразователь-инвертор в сборе *4 Гибридная трансмиссия в сборе
        *5 Высоковольтная аккумуляторная батарея в сборе - -
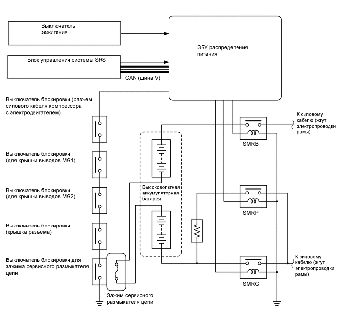
    3. Отключение цепей высокого напряжения


      1. Когда наступает какое-либо из перечисленных ниже событий, главные реле системы (SMR) автоматически отключают ЭБУ распределения питания.


        • Выключатель питания находится в состоянии OFF (ВЫКЛ).

        • Развертывается какая-либо подушка безопасности.

        • Снимается крышка выводов инвертора (размыкается цепь блокировки).

        • Разъем силового кабеля отсоединен (размыкается цепь блокировки).

        • Разблокируется ручка зажима сервисного размыкателя цепи (размыкается цепь блокировки).

        • Возникает определенная неисправность.

        A0002SDE07
      2. Для обеспечения безопасности при выполнении любых проверок и обслуживания следует снять зажим сервисного размыкателя цепи. При этом высоковольтная цепь будет разорвана в промежуточной точке высоковольтной аккумуляторной батареи.

        A00034VE03
        Обозначения на рисунке
        *1 Изолирующие перчатки *2 Зажим сервисного размыкателя цепи

        CAUTION:

        После отключения цепей высокого напряжения высоковольтный конденсатор в преобразователе-инверторе в сборе остается заряженным. После снятия зажима сервисного размыкателя цепи при обслуживании автомобиля с гибридным приводом подождите не менее 10 мин, чтобы дать конденсатору разрядиться до начала работ.

        Note


        • Зажим сервисного размыкателя цепи ни в коем случае не должен сниматься, когда система находится в состоянии готовности READY.

        • Включение питания (READY) при снятом зажиме сервисного размыкателя цепи может стать причиной неисправности. Не включайте питание (READY), если нет соответствующего указания в Руководстве по ремонту.

    4. Меры предосторожности при обращении с высоковольтной аккумуляторной батареей


      1. Электролит высоковольтной аккумуляторной батареи представляет собой концентрированный щелочной раствор едкого калия (без запаха, прозрачный и бесцветный). Небрежное обращение с высоковольтной аккумуляторной батареей крайне опасно. При обращении с высоковольтной аккумуляторной батареей необходимо руководствоваться приведенными ниже указаниями.

        Позиция Порядок выполнения
        При утечке жидкости в зоне высоковольтной аккумуляторной батареи
        • Нейтрализуйте ее насыщенным водным раствором борной кислоты.

        • С помощью лакмусовой бумаги убедитесь, что раствор нейтрализован, и вытрите его ветошью или обтирочным материалом.

        При попадании аккумуляторного электролита на кожу, в глаза и т.п.*
        • Промойте пораженный участок разбавленным водным раствором борной кислоты или большим количеством воды.

        • Сразу же снимите загрязненную одежду.

        При сдаче автомобиля в лом Снимите высоковольтную аккумуляторную батарею с автомобиля для сдачи в специальный пункт сбора.
        При хранении высоковольтной аккумуляторной батареи Запрещается оставлять высоковольтную аккумуляторную батарею в сыром или влажном месте.
        Предотвращение разряда или повреждения высоковольтной аккумуляторной батареи при длительном хранении автомобиля
        • Отсоедините отрицательный вывод вспомогательной аккумуляторной батареи.

        • В процессе хранения высоковольтную аккумуляторную батарею необходимо заряжать каждые 2 месяца. Зарядка высоковольтной аккумуляторной батареи в автомобиле осуществляется в следующем порядке.


          1. Подсоедините отрицательный вывод вспомогательной аккумуляторной батареи.

          2. Включите питание (IG) на 3 мин, не подключая никаких электрических нагрузок (эта операция необходима, чтобы ЭБУ распределения питания мог правильно определить степень заряда батареи).

          3. Переведите систему в состояние готовности (READY). После запуска двигателя дайте ему поработать в течение 30 мин для зарядки высоковольтной аккумуляторной батареи. Если двигатель не запускается или периодически останавливается в течение 30 мин, прекратите выполнение операции (высоковольтная аккумуляторная батарея не нуждается в зарядке).

        CAUTION:

        *: при попадании электролита в глаза громко попросите о помощи и ни в коем случае не растирайте глаза. Немедленно промойте их большим количеством воды и обратитесь за медицинской помощью.