СИСТЕМА УПРАВЛЕНИЯ ГИБРИДНОЙ СИСТЕМОЙ


  1. НАЗНАЧЕНИЕ ОСНОВНЫХ УСТРОЙСТВ


    1. Основные узлы и детали гибридной системы выполняют следующие функции:

      Устройство Функция
      ЭБУ распределения питания
      • Осуществляет комплексное управление гибридной системой.


        • Получает информацию от различных датчиков и ЭБУ (ECM, ЭБУ MG, блок контроля состояния аккумуляторной батареи и ЭБУ системы противоскольжения) и, на основании этих данных, рассчитывает требуемый крутящий момент и мощность. ЭБУ распределения питания передает результаты вычислений в ECM, ЭБУ MG и ЭБУ системы противоскольжения.

        • Контролирует степень заряда (SOC) высоковольтной аккумуляторной батареи.

        • Управляет преобразователем постоянного тока в постоянный.

        • Управляет насосом системы охлаждения инвертора.

        • Управляет вентилятором системы охлаждения аккумуляторной батареи в сборе.

      Гибридная трансмиссия в сборе Мотор-генератор № 1 (MG1) Мотор-генератор MG1 с приводом от двигателя генерирует высокое напряжение, которое приводит в действие MG2 и обеспечивает зарядку высоковольтной аккумуляторной батареи. Кроме того, он выполняет функции стартера при пуске двигателя.
      Мотор-генератор № 2 (MG2)
      • MG2, приводимый в движение электроэнергией от MG1 и высоковольтной аккумуляторной батареи, создает тяговое усилие для ведущих колес.

      • Во время торможения, а также когда педаль акселератора не нажата, он вырабатывает электроэнергию высокого напряжения для подзарядки высоковольтной аккумуляторной батареи.

      Резольвер генератора (для MG1) Определяет положение, частоту и направление вращения ротора MG1.
      Резольвер электродвигателя (для MG2) Определяет положение, частоту и направление вращения ротора MG2.
      Датчик температуры генератора (для MG1) Определяет температуру MG1.
      Датчик температуры электродвигателя (для MG2) Определяет температуру MG2.
      Узел блока шестерен Планетарная передача деления мощности Соответствующим образом распределяет тяговое усилие двигателя для непосредственного приведения автомобиля в движение, а также для привода MG1.
      Планетарный редуктор электродвигателя Снижает частоту вращения MG2 согласно характеристикам планетарной передачей с целью увеличения крутящего момента.
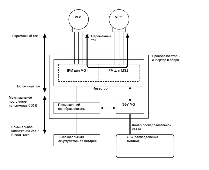
      Преобразователь-инвертор в сборе Инвертор Преобразует постоянный ток от повышающего преобразователя в переменный ток для MG1 и MG2 и наоборот (из переменного тока в постоянный).
      Повышающий преобразователь Повышает номинальное постоянное напряжение высоковольтной аккумуляторной батареи 244,8 В до максимального уровня 650 В и наоборот (понижает напряжение с 650 до 244,8 В).
      Преобразователь постоянного тока в постоянный Понижает номинальное напряжение высоковольтной аккумуляторной батареи 244,8 В примерно до 14 В для питания электрооборудования автомобиля, а также для подзарядки вспомогательной аккумуляторной батареи.
      ЭБУ MG Управляет инвертором и повышающим преобразователем в соответствии с сигналами, получаемыми от ЭБУ распределения питания, тем самым обеспечивая работу MG1 и MG2 в режиме генератора или электродвигателя.
      Датчик атмосферного давления Определяет атмосферное давление.
      Датчик температуры преобразователя-инвертора в сборе Определяет температуру деталей преобразователя-инвертора в сборе, а также температуру охлаждающей жидкости гибридной системы.
      Датчик тока инвертора Определяет ток MG1 и MG2.
      Высоковольтная аккумуляторная батарея в сборе Высоковольтная аккумуляторная батарея (модули аккумуляторной батареи)
      • Обеспечивает электропитание мотор-генераторов MG1 и MG2 в соответствии с условиями движения автомобиля.

      • Подзаряжается посредством MG1 и MG2 в зависимости от степени заряда и условий движения автомобиля.

      Датчик температуры высоковольтной аккумуляторной батареи Определяет значения температуры в различных местах высоковольтной аккумуляторной батареи.
      Датчик температуры воздуха на впуске аккумуляторной батареи гибридной системы Определяет температуру воздуха на впуске, поступающего от вентилятора охлаждения аккумуляторной батареи в сборе.
      Распределительный блок аккумуляторной батареи гибридной системы в сборе Главные реле системы В зависимости от сигналов ЭБУ распределения питания размыкает и замыкает цепь высокого напряжения между высоковольтной аккумуляторной батареей и преобразователем-инвертором в сборе.
      Датчик тока аккумуляторной батареи Определяет входной и выходной токи высоковольтной аккумуляторной батареи.
      Блок контроля состояния аккумуляторной батареи
      • Контролирует состояние высоковольтной аккумуляторной батареи (напряжение, температуру и ток) и передает эту информацию в ЭБУ распределения питания.

      • Контролирует разрушение электрической изоляции высоковольтной системы.

      Зажим сервисного размыкателя цепи При снятии зажима сервисного размыкателя цепи для проверки или обслуживания автомобиля высоковольтная цепь аккумуляторной батареи отключается.
      Выключатель блокировки (для зажима сервисного размыкателя цепи/крышки контакта (MG1)/крышки контакта (MG2)/крышки разъема/разъема силового кабеля) Проверяет, что зажим сервисного размыкателя цепи, крышка контакта (MG1), крышка контакта (MG2), крышка разъема и разъем силового кабеля инвертора установлены.
      Силовой кабель (жгут проводов рамы) Соединяет высоковольтную аккумуляторную батарею, преобразователь-инвертор в сборе, гибридную трансмиссию в блоке с главной передачей и компрессор с электродвигателем в сборе.
      Насос системы охлаждения инвертора в сборе Работает под управлением ЭБУ распределения питания для охлаждения преобразователя-инвертора и мотор-генераторов MG1 и MG2.
      Вентилятор охлаждения аккумуляторной батареи в сборе Работает под управлением ЭБУ распределения питания для охлаждения высоковольтной аккумуляторной батареи.
      Auxiliary Battery (вспомогательная аккумуляторная батарея) Обеспечивает питание электрооборудования.
      Датчик температуры вспомогательной аккумуляторной батареи (термистор в сборе) Определяет температуру вспомогательной аккумуляторной батареи.
      Выключатель питания Запускает и останавливает гибридную систему.
      Датчик положения педали акселератора в сборе Преобразует положение педали акселератора в электрический сигнал и передает его в ЭБУ распределения питания.
      Датчик положения рычага переключения передач Преобразует положение рычага переключения передач в электрические сигналы и передает их в ЭБУ распределения питания.
      Выключатель стоп-сигналов Определяет нажатие педали тормоза.
      Интегрированная панель управления в сборе Выбор режима движения
      • Когда водитель нажимает на переключатель, передает сигнал режима SPORT в ЭБУ распределения питания через ECM.

      • Когда водитель нажимает на переключатель, передает сигнал режима NORMAL в ЭБУ распределения питания через ECM.

      • Когда водитель нажимает на переключатель, передает сигнал режима ECO в ЭБУ распределения питания через блок управления системой кондиционирования.

      Переключатель режима привода EV Когда водитель нажимает на переключатель режима привода EV, передает сигнал режима привода EV в ЭБУ распределения питания.
      ECM
      • Управляет двигателем в соответствии с данными о требуемых частоте вращения коленчатого вала и крутящем моменте двигателя, которые поступают от ЭБУ распределения питания.

      • Передает различные сигналы состояния двигателя в ЭБУ распределения питания.

      ЭБУ системы противоскольжения (усилитель тормозной системы с главным цилиндром в сборе)
      • Во время торможения рассчитывает требуемое усилие рекуперативного торможения и передает результат в ЭБУ распределения питания.

      • Во время действия TRC или VSC передает в ЭБУ распределения питания запрос на ограничение тягового усилия.

      Блок управления системой кондиционирования в сборе Передает различные сигналы состояния системы кондиционирования в ЭБУ распределения питания.
      Центральный блок управления системы SRS При столкновении передает в ЭБУ распределения питания сигнал развертывания подушек безопасности.
      Щиток приборов в сборе Индикатор гибридной системы Дает возможность контролировать мощность системы и рекуперативную зарядку гибридной системы.
      Контрольная лампа режима привода EV Включается во время движения в режиме EV.
      Контрольная лампа READY Информирует водителя о готовности автомобиля начать движение.
      Главная контрольная лампа аварийного состояния В данном случае основным назначением этой контрольной лампы является уведомление водителя о неисправности в гибридной системе или слишком низкой степени заряда высоковольтной аккумуляторной батареи. Лампа включается одновременно с предупредительным зуммером.
      Контрольная лампа вспомогательной аккумуляторной батареи Включается при неисправности системы зарядки вспомогательной аккумуляторной батареи.
      Контрольная лампа неисправности (MIL) Включается при неисправности системы управления гибридной системой и системы управления двигателем.
      Мультиинформационный дисплей
      • На мультиинформационном дисплее отображаются сообщения, информирующие водителя о неисправности. Также на нем отображается состояние системы и указания по управлению.

      • В зависимости от сообщения, выведенного на мультиинформационный дисплей, главная контрольная лампа аварийного состояния может гореть или мигать, а зуммер – подавать звуковой сигнал.

      • Сообщение режима движения EV уведомляет водителя о выборе режима EV.

      • Сообщение режима движения ECO уведомляет водителя о выборе режима ECO.

      • Сообщение режима движения SPORT уведомляет водителя о выборе режима SPORT.

      Приемник мультимедийного модуля в сборе* Передает информацию о расходе энергии на дисплей мультимедийного модуля.
      Дисплей мультимедийного модуля* Отображается экран контроля расхода энергии.

      *: для моделей с системой навигации с жестким диском

  2. УСЛОВИЯ РАБОТЫ


    1. Включение гибридной системы (состояние готовности READY)


      1. Гибридную систему можно включить, нажав на выключатель питания, удерживая нажатой педаль тормоза. В это время мигает контрольная лампа READY, пока не завершится проверка системы. Когда контрольная лампа READY загорится, гибридная система запустится, и автомобиль будет готов к движению.

      2. Иногда, даже если водитель включает питание (READY), ЭБУ распределения питания не запускает двигатель. Двигатель запускается только при выполнении определенных условий относительно температуры охлаждающей жидкости двигателя, степени заряда аккумуляторной батареи, температуры высоковольтной аккумуляторной батареи и электрической нагрузки.

      3. Когда после поездки водитель останавливает автомобиль и включает передачу P, ЭБУ распределения питания оставляет двигатель работающим. Двигатель остановится, когда степень заряда аккумуляторной батареи, температура высоковольтной аккумуляторной батареи и электрическая нагрузка достигнут определенных уровней.

        Note

        Если возникает необходимость прервать работу гибридной системы во время движения автомобиля, достаточно нажать выключатель питания и удерживать его нажатым около 2 - 3 секунд или нажать его не менее 3 раз подряд. При этом источник питания перейдет в режим ON (ВКЛ) (ACC).

    2. Режим привода EV


      1. Режим привода EV можно использовать при выполнении всех необходимых условий, некоторые из которых указаны ниже.

        Условия работы
        • Температура гибридной трансмиссии не высока (температура гибридной системы оказывается повышенной, если высока температура наружного воздуха, либо автомобиль двигался вверх по склону или с высокой скоростью).

        • Температура гибридной трансмиссии не низка (температура гибридной трансмиссии оказывается низкой, если автомобиль в течение длительного времени оставался при низкой температуре наружного воздуха).

        • Температура охлаждающей жидкости двигателя не ниже примерно 0°C (32°F).

        • Степень заряда аккумуляторной батареи – не ниже примерно 50%.

        • Скорость автомобиля составляет примерно 45 км/час (28 миль в час) или ниже. (при прогретом двигателе)

        • Скорость автомобиля равна примерно 30 км/час (19 мили в час) или ниже. (при холодном двигателе)

        • Усилие на педали акселератора не превышает заданного уровня.

        • Оттаиватель выключен.

        • Система круиз-контроля не действует.

        Tech Tips

        Расстояние, которое может быть пройдено в режиме привода EV, зависит от условий движения (состояния дорожной поверхности и уклона) и степени заряда высоковольтной аккумуляторной батареи. Тем не менее, обычно оно варьируется примерно от нескольких сотен метров (нескольких сотен ярдов) до 2 км (1,2 мили).

    3. Степень заряда (SOC)


      1. ЭБУ распределения питания определяет степень заряда высоковольтной аккумуляторной батареи по общему току зарядки и разрядки. Для постоянного поддержания степени заряда на должном уровне ЭБУ распределения питания оптимально управляет гибридной системой.

        A000371E17
    4. Регистрация снижения сопротивления изоляции


      1. В блок контроля состояния аккумуляторной батареи встроена схема обнаружения утечки. Схема обнаружения утечки непрерывно контролирует сопротивление изоляции между цепями высокого напряжения и массой.

      2. На основании данных от блока контроля состояния аккумуляторной батареи ЭБУ распределения питания определяет снижение сопротивления изоляции.

      3. Схема обнаружения утечки содержит источник переменного тока и пропускает через цепь высокого напряжения небольшой переменный ток (положительный и отрицательный).

      4. Чем ниже сопротивление изоляции, тем большее напряжение падает на резисторе регистрации, и тем меньше волны переменного тока. Сопротивление изоляции определяется по амплитуде волн переменного тока.

        A0002V0E30
    5. Отключение цепей высокого напряжения при столкновении


      1. Если автомобиль попал в аварию, как показано ниже, ЭБУ распределения питания отключает электропитание, выключая главные реле системы, чтобы обеспечить безопасность.

      2. При фронтальном, боковом или заднем боковом столкновении ЭБУ распределения питания получает сигнал развертывания подушек безопасности от центрального блока управления системы SRS.

        A0003EDE06
  3. УПРАВЛЕНИЕ В СИСТЕМЕ


    1. Перечень функций управления


      1. В гибридной системе реализованы следующие функции управления.

        Функция управления Описание
        Управление гибридной системой
        • ЭБУ распределения питания вычисляет требуемое тяговое усилие исходя из сигнала датчика положения рычага переключения передач, угла поворота педали акселератора, а также скорости автомобиля. Он осуществляет управление таким образом, чтобы требуемое тяговое усилие создавалось за счет оптимального сочетания мощностей MG1, MG2 и двигателя.

        • ЭБУ распределения питания рассчитывает тяговое усилие двигателя, исходя из заданного тягового усилия, определенного на основании требований водителя и условий движения автомобиля. Чтобы создать такое тяговое усилие, ЭБУ распределения питания передает сигналы в ECM.

        • ЭБУ распределения питания контролирует степень заряда и температуру высоковольтной аккумуляторной батареи, а также температуры MG1 и MG2, что позволяет оптимально управлять этими устройствами.

        Контроль степени заряда аккумуляторной батареи
        • ЭБУ распределения питания рассчитывает степень заряда, оценивая токи заряда и разряда высоковольтной аккумуляторной батареи.

        • На основании вычисленного значения ЭБУ распределения питания непрерывно управляет зарядкой/разрядкой, поддерживая требуемую степень заряда аккумуляторной батареи.

        Система управления двигателем ECM получает данные о требуемой частоте вращения коленчатого вала и необходимом крутящем моменте двигателя, которые передаются ЭБУ распределения питания, управляет системами ETCS-i и VVT-i, а также регулирует объем впрыска топлива и угол опережения зажигания.
        Общее управление MG1 и MG2
        • Мотор-генератор MG1 с приводом от двигателя генерирует высокое напряжение, которое приводит в действие MG2 и обеспечивает зарядку высоковольтной аккумуляторной батареи. Кроме того, он выполняет функции стартера при пуске двигателя.

        • MG2, приводимый в движение электроэнергией от MG1 и высоковольтной аккумуляторной батареи, создает тяговое усилие для ведущих колес.

        • MG2 вырабатывает электроэнергию высокого напряжения для зарядки высоковольтной аккумуляторной батареи в процессе торможения (координированное управление рекуперативным тормозом), а также когда педаль акселератора не нажата (рекуперация энергии).

        • Когда рычаг переключения передач устанавливается в положение N, MG1 и MG2 выключаются. Чтобы прекратить подачу тягового усилия, необходимо остановить MG1 и MG2, так как они механически связаны с ведущими колесами.

        Сигналы управления инвертором
        • Инвертор преобразует постоянный ток высоковольтной аккумуляторной батареи в переменный ток для питания MG1 и MG2, или наоборот, в соответствии с сигналами, поступающими от ЭБУ распределения питания через ЭБУ MG. Кроме того, инвертор используется для передачи мощности от MG1 в MG2.

        • При получении от инвертора через ЭБУ MG сигнала перегрева, перегрузки по току или короткого замыкания ЭБУ распределения питания отключает инвертор.

        Управление повышающим преобразователем
        • Повышающий преобразователь повышает номинальное постоянное напряжение высоковольтной аккумуляторной батареи 244,8 В до максимального уровня 650 В в соответствии сигналами, поступающими из ЭБУ распределения питания через ЭБУ MG.

        • Инвертор преобразует переменный ток, генерируемый MG1 или MG2, в постоянный. Повышающий преобразователь понижает напряжение 650 В пост. тока (максимальное) до уровня около 244,8 В пост. тока в соответствии с сигналами, поступающими от ЭБУ распределения питания через ЭБУ MG.

        Управление преобразователем постоянного тока в постоянный Преобразователь постоянного тока в постоянный понижает номинальное напряжение высоковольтной аккумуляторной батареи 244,8 В примерно до 14 В для питания электрооборудования автомобиля, а также для подзарядки вспомогательной аккумуляторной батареи.
        Управление главными реле системы Чтобы гарантировать надежное подключение и отключение цепей высокого напряжения, ЭБУ распределения питания управляет подсоединением цепей высокого напряжения к высоковольтной аккумуляторной батарее и их отсоединением с помощью 3-х главных реле системы. Кроме того, ЭБУ распределения питания использует моменты включения/выключения 3 главных реле системы для контроля состояния контактов реле.
        Управление системой охлаждения для преобразователя-инвертора в сборе В целях охлаждения преобразователя-инвертора в сборе, MG1 и MG2 ЭБУ распределения питания управляет насосом системы охлаждения инвертора в соответствии с сигналами от датчика температуры (для преобразователя-инвертора в сборе), датчика температуры (для MG1) и датчика температуры (для MG2).
        Управление системой охлаждения для высоковольтной аккумуляторной батареи Для поддержания оптимальной температуры высоковольтной аккумуляторной батареи ЭБУ распределения питания управляет вентилятором охлаждения высоковольтной аккумуляторной батареи в соответствии с сигналами от датчиков температуры высоковольтной аккумуляторной батареи.
        Координированное управление рекуперативным торможением Во время торможения ЭБУ системы противоскольжения рассчитывает требуемое усилие рекуперативного тормоза и передает результат в ЭБУ распределения питания. При получении сигнала ЭБУ распределения питания передает в ЭБУ системы противоскольжения текущее значение управления рекуперативным торможением. Исходя из этого ЭБУ системы противоскольжения вычисляет и формирует требуемое усилие гидравлического тормоза.
        Координированное управление TRC/VSC Во время действия TRC или VSC ЭБУ системы противоскольжения передает в ЭБУ распределения питания запрос на ограничение тягового усилия. ЭБУ распределения питания управляет двигателем и MG2 в соответствии с текущими условиями движения, чтобы подавить тяговое усилие. Более подробная информация приведена в разделе "Система управления тормозами".
        Управление при столкновении Если при столкновении ЭБУ распределения питания получает сигнал развертывания подушек безопасности от центрального блока управления системы SRS, он выключает главные реле системы, чтобы отключить цепь высокого напряжения высоковольтной аккумуляторной батареи.
        Управление работой системы круиз-контроля Когда ЭБУ распределения питания получает сигнал переключателя круиз-контроля, он регулирует тяговые усилия двигателя и MG2, добиваясь их оптимального сочетания, для достижения скорости автомобиля, соответствующей запросу водителя. Более подробная информация приведена в разделе "Система круиз-контроля".
        Управление работой динамической радарной системы круиз-контроля* После получения сигнала запроса тягового усилия от ЭБУ помощи при движении ЭБУ распределения питания регулирует тяговые усилия двигателя и MG2, обеспечивая оптимальное их сочетание, для достижения требуемой скорости автомобиля. Подробная информация приведена в разделе "Динамическая радарная система круиз-контроля".
        Управление переключением передач ЭБУ распределения питания определяет выбранное водителем положение рычага переключения передач (P, R, N, D или S) по сигналам, передаваемым датчиком положения рычага переключения передач. В соответствии с этими сигналами, состоянием автомобиля и требуемым положением трансмиссии ЭБУ распределения питания управляет MG1, MG2 и двигателем.
        Переключение режима привода EV Когда водитель нажимает переключатель режима привода EV (интегрированная панель управления), ЭБУ распределения питания использует для привода автомобиля только MG2, если это допускается рабочими условиями.
        Управляющее устройство режима SPORT При выборе водителем режима движения SPORT ЭБУ распределения питания усиливает реакцию на нажатие педали акселератора для оптимизации разгона автомобиля.
        Управление в режиме ECO При выборе водителем режима движения ECO ЭБУ распределения питания ослабляет реакцию на нажатие педали акселератора для обеспечения движения в экономичном режиме.
        Система принудительного включения тормозов Ограничивает крутящий момент при нажатии педали тормоза, когда нажата педаль акселератора (Условия активации и метод проверки см. в Руководстве по ремонту)
        Иммобилайзер двигателя Блокирует подачу топлива, зажигание и запуск системы управления гибридной системой при попытке запустить ее с использованием ненадлежащего ключа.

        *: для моделей с динамической радарной системой круиз-контроля

    2. Управление гибридной системой


      1. ЭБУ распределения питания определяет усилие нажатия на педаль акселератора, используя сигналы от датчика положения передали акселератора, и получает сигналы от датчика положения рычага переключения передач. ЭБУ распределения питания получает сигналы скорости автомобиля от резольверов MG1 и MG2 через ЭБУ MG. ЭБУ распределения питания определяет условия движения автомобиля и в соответствии с этими данными оптимальным образом регулирует тяговые усилия MG1, MG2 и двигателя. Кроме того, ЭБУ распределения питания оптимальным образом регулирует мощности и крутящие моменты MG1, MG2 и двигателя с тем, чтобы обеспечить меньший расход топлива и снизить токсичность отработавших газов.

      2. ЭБУ распределения питания рассчитывает тяговое усилие двигателя исходя из вычисленного требуемого тягового усилия с учетом степени заряда и температуры высоковольтной аккумуляторной батареи. Значение, полученное путем вычитания тягового усилия двигателя из требуемого тягового усилия, представляет собой тяговое усилие MG2.

      3. ECM управляет двигателем в соответствии с данными о требуемых частоте вращения коленчатого вала и крутящем моменте двигателя, которые поступают от ЭБУ распределения питания. Кроме того, чтобы обеспечить требуемое усилие генерации MG1 и требуемое тяговое усилие MG2, ЭБУ распределения питания надлежащим образом управляет MG1 и MG2.

        A00037XE08
    3. Контроль степени заряда аккумуляторной батареи


      1. ЭБУ распределения питания вычисляет степень заряда высоковольтной аккумуляторной батареи по току заряда/разряда, измеряемым датчиком тока высоковольтной аккумуляторной батареи. На основании вычисленного значения ЭБУ распределения питания непрерывно управляет зарядкой/разрядкой, поддерживая требуемую степень заряда аккумуляторной батареи.

      2. В процессе движения автомобиля высоковольтная аккумуляторная батарея подвергается периодически повторяющимся циклам зарядки/разрядки: она разряжается MG2 при разгоне и заряжается за счет рекуперативного торможения при замедлении.

      3. Когда степень заряда снижается ниже минимального уровня, ЭБУ распределения питания увеличивает полезную мощность двигателя для приведения в движение MG1, который заряжает высоковольтную аккумуляторную батарею.

      4. Блок контроля состояния аккумуляторной батареи преобразует сигналы, характеризующие состояние высоковольтной аккумуляторной батареи (напряжение, ток и температуру), в цифровые сигналы и передает их ЭБУ распределения питания по каналу последовательной связи. Эти сигналы требуются, чтобы определить степень заряда, вычисляемую ЭБУ распределения питания.

        A00039VE21
    4. Система управления двигателем


      1. ECM получает данные о требуемой частоте вращения коленчатого вала и необходимом крутящем моменте двигателя, которые передаются ЭБУ распределения питания, управляет системами ETCS-i и VVT-i, а также регулирует объем впрыска топлива и угол опережения зажигания.

      2. ECM передает в ЭБУ распределения питания информацию о режиме работы двигателя.

      3. При получении команды на остановку двигателя от ЭБУ распределения питания в соответствии с базовым алгоритмом управления гибридной системой блок ECM останавливает двигатель.

        A0002LVE07
    5. Общее управление MG1 и MG2


      1. Мотор-генератор MG1 с приводом от двигателя генерирует высокое напряжение, которое приводит в действие MG2 и обеспечивает зарядку высоковольтной аккумуляторной батареи. Кроме того, он выполняет функции стартера при пуске двигателя.

      2. MG2, приводимый в движение электроэнергией от MG1 и высоковольтной аккумуляторной батареи, создает тяговое усилие для ведущих колес.

      3. MG2 вырабатывает электроэнергию высокого напряжения для зарядки высоковольтной аккумуляторной батареи в процессе торможения (координированное управление рекуперативным тормозом), а также когда педаль акселератора не нажата (рекуперация энергии).

      4. Когда рычаг переключения передач устанавливается в положение N, MG1 и MG2 выключаются. Чтобы прекратить подачу тягового усилия, необходимо остановить MG1 и MG2, так как они механически связаны с ведущими колесами.

      5. ЭБУ MG управляет транзисторами с изолированным затвором (IGBT) в интеллектуальном силовом модуле (IPM) в соответствии с сигналами, получаемыми от ЭБУ распределения питания. IGBT служат для переключения фаз U, V и W каждого мотор-генератора. Управление каждым отдельным мотор-генератором осуществляется путем переключения состояний IGBT-транзисторов (биполярных транзисторов с изолированным затвором) в зависимости от того, в каком режиме он работает: в режиме электродвигателя или в режиме генератора.

      6. Приведенные ниже рисунки иллюстрируют общие принципы управления мотор-генератором в режиме электродвигателя. Посредством включения/выключения транзисторов IGBT в IPM формируется трехфазный переменный ток, подаваемый в мотор-генератор. Чтобы создать требуемое тяговое усилие мотор-генератора, рассчитанное ЭБУ распределения питания, ЭБУ MG переключает состояния транзисторов IGBT, регулируя частоту вращения мотор-генератора.

        A0002JXE08
        *1 IGBT: ON (ВКЛ)
        *2 Мотор-генератор
      7. Приведенные ниже рисунки иллюстрируют общие принципы управления мотор-генератором в режиме генератора. Ток, последовательно генерируемый 3 фазами мотор-генератора, который приводится в движение колесами, используется для зарядки высоковольтной аккумуляторной батареи или привода другого мотор-генератора.

        A00033ZE15
        *1 Мотор-генератор
    6. Сигналы управления инвертором


      1. Инвертор преобразует постоянный ток от высоковольтной аккумуляторной батареи в переменный ток для MG1 и MG2 и наоборот. Кроме того, инвертор отбирает мощность, вырабатываемую MG1, и подает ее в MG2. При этом перед подачей в MG2 электроэнергия, генерируемая MG1, сначала преобразуется инвертором в энергию постоянного тока, а затем – обратно в энергию переменного тока. Это необходимо, поскольку частота переменного тока на выходе MG1 не подходит для управления MG2.

      2. ЭБУ MG управляет модулями IPM для переключения трехфазного переменного тока MG1 и MG2 в соответствии с сигналами от ЭБУ распределения питания.

      3. Когда ЭБУ распределения питания получает от ЭБУ MG сигнал о перегреве, перегрузке по току или коротком замыкании, ЭБУ распределения питания передает в ЭБУ MG сигнал выключения, чтобы выключить модули IPM.

        A0002GTE27
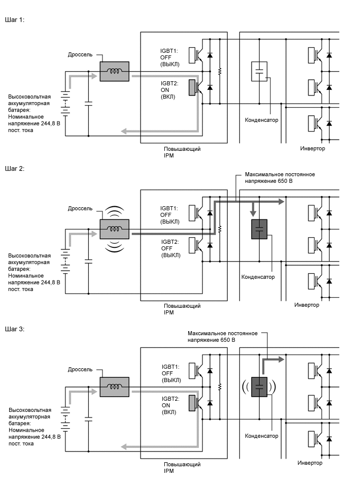
    7. Управление повышающим преобразователем


      1. Повышающий преобразователь повышает номинальное постоянное напряжение высоковольтной аккумуляторной батареи 244,8 В до максимального уровня 650 В в соответствии сигналами, поступающими из ЭБУ распределения питания через ЭБУ MG.

      2. Инвертор преобразует переменный ток, генерируемый MG1 или MG2, в постоянный. Повышающий преобразователь понижает напряжение 650 В пост. тока (максимальное) до уровня около 244,8 В пост. тока в соответствии с сигналами, поступающими от ЭБУ распределения питания через ЭБУ MG.

      3. Повышающий преобразователь включает повышающий IPM со встроенными транзисторами IGBT, который управляет переключением, дроссель, сохраняющий электрическую энергию и создающий электродвижущую силу, а также конденсатор, который заряжается и разряжается повышенным напряжением.

        A0002RME10
      4. Ниже описана схема повышения напряжения преобразователем.

        Шаг Описание
        1 IGBT2 включается, в результате чего электроэнергия высоковольтной аккумуляторной батареи (с номинальным постоянным напряжением 244,8 В) запасается в дросселе. В результате в дросселе сохраняется электроэнергия.
        2 IGBT2 выключается, в результате чего дроссель создает электродвижущую силу (ток продолжает протекать через дроссель). Эта электродвижущая сила вызывает повышение напряжения до максимального уровня 650 В. Создаваемый электродвижущей силой дросселя ток протекает от дросселя в инвертор и конденсатор с повышенным напряжением.
        3 IGBT2 снова включается, в результате чего электроэнергия высоковольтной аккумуляторной батареи запасается в дросселе. В это время в инвертор подается электроэнергия, запасенная в конденсаторе (с максимальным постоянным напряжением 650 В).
        A0002Y2E07
      5. Переменный ток, генерируемый MG1 или MG2 для зарядки высоковольтной аккумуляторной батареи, преобразуется в постоянный ток (с максимальным постоянным напряжением 650 В) инвертором. Затем повышающий преобразователь понижает это напряжение примерно до 244,8 В пост. тока. Это осуществляется транзистором IGBT1, который включается и выключается управляющими импульсами, периодически прерывая подачу электроэнергии инвертором в дроссель.

        A0003EHE06
    8. Управление преобразователем постоянного тока в постоянный


      1. Преобразователь постоянного тока в постоянный понижает номинальное напряжение высоковольтной аккумуляторной батареи 244,8 В примерно до 14 В для питания электрооборудования автомобиля, а также для подзарядки вспомогательной аккумуляторной батареи.

      2. В целях регулирования выходного напряжения преобразователя постоянного тока в постоянный ЭБУ распределения питания передает в этот преобразователь сигнал требуемого выходного напряжения в соответствии с сигналами датчика температуры вспомогательной аккумуляторной батареи.

        A0002R3E08
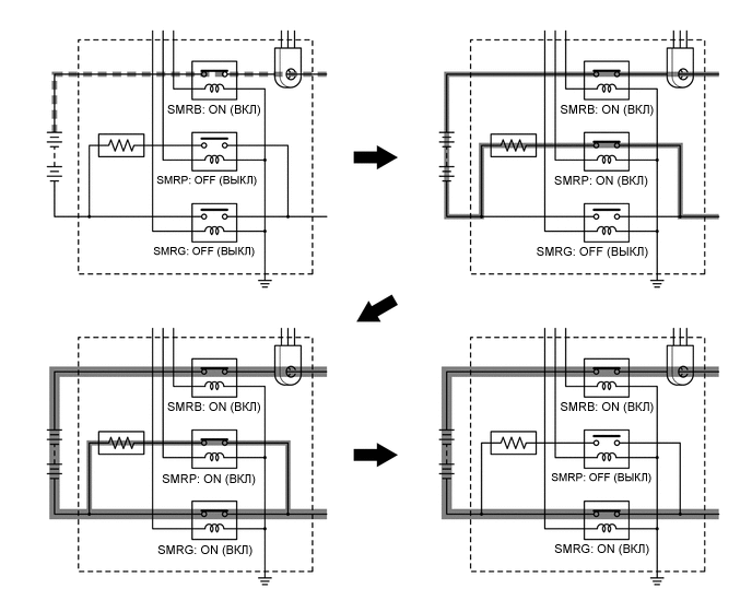
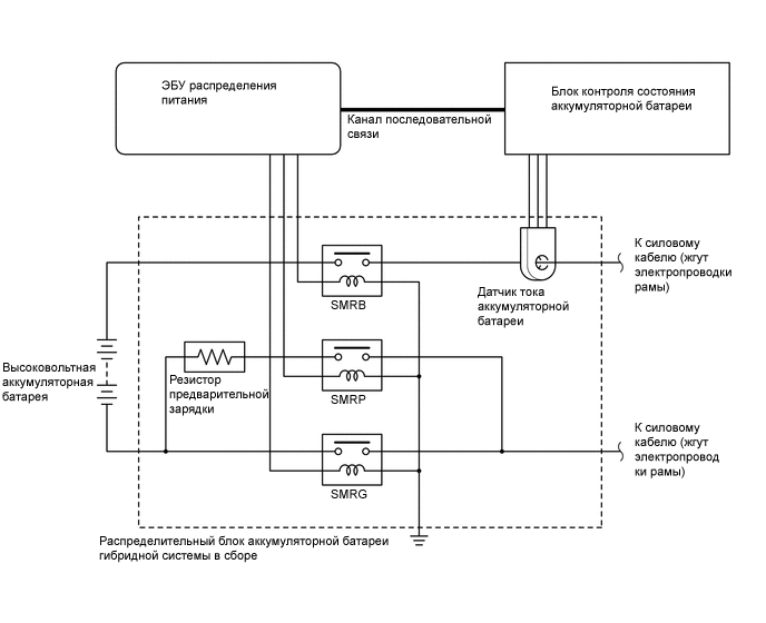
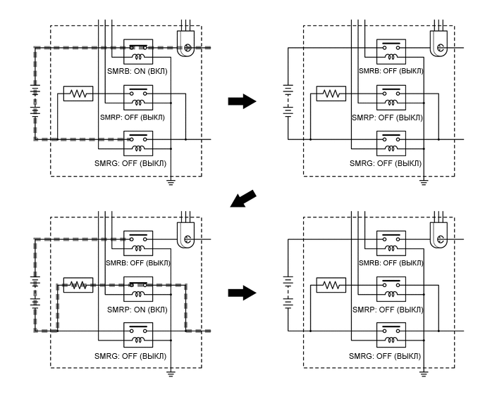
    9. Управление главными реле системы


      1. ЭБУ распределения питания подсоединяет и отсоединяет цепь высокого напряжения от высоковольтной аккумуляторной батареи посредством главных реле системы. Кроме того, ЭБУ распределения питания использует моменты включения/выключения главных реле системы для контроля состояния контактов реле.

      2. Чтобы гарантировать надлежащую работу системы, используются 3 реле – 1 для положительной стороны (SMRB) и 2 для отрицательной стороны (SMRP, SMRG).

        A0002PME16
      3. Когда гибридная система переходит в состояние готовности READY, ЭБУ распределения питания последовательно включает SMRB и SMRP и подает ток через резистор предварительной зарядки. Затем он включает SMRG и подает ток в обход резистора предварительной зарядки. Потом он выключает SMRP. Так как в данной схеме управляемый ток изначально может протекать через резистор предварительной зарядки, контактная точка цепи защищена от повреждения в результате броска тока.

        A00031QE10
      4. Когда гибридная система переходит в состояние, отличное от состояния готовности READY, ЭБУ распределения питания сначала выключает SMRG. Затем он определяет, правильно ли работает SMRG, после чего выключает SMRB. Далее он включает SMRP, проверяет работу SMRB и выключает SMRP. В результате ЭБУ распределения питания подтверждает надлежащее выключение соответствующих реле.

        A00037JE01
    10. Управление системой охлаждения для преобразователя-инвертора в сборе


      1. ЭБУ распределения питания получает сигналы от датчиков температуры преобразователя-инвертора, MG1 и MG2. На основании этой информации ЭБУ распределения питания осуществляет 3-ступенчатое управление продолжительностью включения насоса системы охлаждения инвертора, обеспечивая охлаждение преобразователя-инвертора в сборе, MG2 и MG1.

      2. Когда температура охлаждающей жидкости гибридной системы превышает определенный уровень, ЭБУ распределения питания передает в ECM команду включения вентилятора радиатора. Получив этот сигнал, ECM приводит в действие вентилятор радиатора, ограничивая повышение температуры охлаждающей жидкости гибридной системы и обеспечивая охлаждение преобразователя-инвертора в сборе, MG1 и MG2.

      3. ЭБУ MG преобразует эти сигналы в цифровую форму и передает их в ЭБУ распределения питания по каналу последовательной связи.

        A000358E27
    11. Управление системой охлаждения для высоковольтной аккумуляторной батареи


      1. ЭБУ распределения питания получает сигналы от датчиков температуры высоковольтной аккумуляторной батареи и датчика температуры впускного воздуха высоковольтной аккумуляторной батареи. При этом ЭБУ распределения питания плавно регулирует продолжительность включения вентилятора системы охлаждения высоковольтной аккумуляторной батареи, поддерживая ее температуру в заданном диапазоне.

      2. Если во время работы системы кондиционирования и охлаждения воздуха в салоне существует запас по температуре высоковольтной аккумуляторной батареи, ЭБУ распределения питания выключает вентилятор системы охлаждения аккумуляторной батареи или переключает его на низкую скорость. Цепью такого управления является предоставление приоритета охлаждению салона. В противном случае забор воздуха из салона для охлаждения аккумуляторной батареи будет замедлять охлаждение салона системой кондиционирования.

      3. Блок контроля состояния аккумуляторной батареи преобразует сигналы, характеризующие состояние высоковольтной аккумуляторной батареи (напряжение, ток и температуру), в цифровые сигналы и передает их ЭБУ распределения питания по каналу последовательной связи. Кроме того, блок контроля состояния аккумуляторной батареи формирует частоту обратной связи с информацией о частоте вращения вентилятора, необходимое для управления системой охлаждения, и передает его в ЭБУ распределения питания.

        A0002RTE19
    12. Координированное управление рекуперативным торможением


      1. ЭБУ системы противоскольжения рассчитывает общее требуемое тормозное усилие, исходя из давления регулятора тормозной системы и хода педали тормоза, когда водитель нажимает педаль тормоза.

      2. После расчета общего требуемого тормозного усилия ЭБУ системы противоскольжения передает запрос на рекуперативное торможение в ЭБУ распределения питания. В ответ ЭБУ распределения питания передает фактическое значение управления рекуперативным тормозом.

      3. ЭБУ распределения питания использует MG2 для создания отрицательного крутящего момента (усилия замедления) и, таким образом, обеспечивает рекуперативное торможение.

      4. ЭБУ системы противоскольжения управляет электромагнитными клапанами блока управления рабочими цилиндрами тормозов и создает давление в рабочих тормозных цилиндрах. Создаваемое давление представляет собой величину, которая остается после вычитания текущего значения управления рекуперативным торможением из общего требуемого тормозного усилия.

        A0002G3E22
    13. Переключение режима привода EV


      1. Режим привода EV позволяет снизить шум при движении автомобиля в тех случаях, когда желателен тихий режим работы, например, при въезде в гараж или выезде из него, а также уменьшить выброс отработавших газов в гараже. Когда водитель нажимает переключатель режима привода EV (интегрированная панель управления), ЭБУ распределения питания использует для привода автомобиля только MG2, если это допускается рабочими условиями.

      2. Если выполняются все необходимые условия, то при нажатии переключателя режима движения EV (на интегрированной панели управления) автомобиль переходит в этот режим, и на дисплее отображается сообщение режима движения EV. Если при нажатии переключателя не выполняется хотя бы одно из условий, на мультиинформационном дисплее отображается сообщение, информирующее водителя о невозможности выполнить переход в требуемый режим и отклонении команды, переданной с помощью переключателя режима движения EV (на интегрированной панели управления).

      3. Если во время движения в режиме привода EV нарушается любое из условий, контрольная лампа режима привода EV мигает 3 раза, и звучит зуммер, чтобы уведомить водителя о выходе из режима привода EV. После автоматического выхода из режима привода EV появляется новое сообщение, указывающее на выход из режима привода EV.

    14. Управление в режимах SPORT и ECO


      1. В режиме SPORT ЭБУ распределения питания оптимизирует характеристики разгона, быстрее увеличивая мощность в начале хода педали акселератора.

      2. В режиме ECO ЭБУ распределения питания оптимизирует расход топлива и управляемость, более плавно увеличивая тяговое усилие по сравнению с нормальным режимом при нажатии педали акселератора. В то же время в режиме Eco оптимизируется работа системы кондиционирования.

        A0003A4E18
  4. ФУНКЦИИ


    1. Сообщения на мультиинформационном дисплее


      1. На мультиинформационном дисплее отображаются сообщения, информирующие водителя о неисправности. Также на нем отображается состояние системы и указания по управлению.

      2. В зависимости от сообщения, выведенного на мультиинформационный дисплей, главная контрольная лампа аварийного состояния может гореть или мигать, а зуммер – подавать звуковой сигнал.

        Сообщение Пояснение сообщения Главная контрольная лампа аварийного состояния Зуммер
        Shift to P position when Starting (при запуске переключитесь в положение P) При включении гибридной системы трансмиссия должна находиться в состоянии P. Мигает Подает звуковой сигнал
        Shift to P position when parked (для постановки на стоянку переключитесь в положение P) Если автомобиль останавливается на длительное время, рычаг переключения передач следует переводить в положение P. Мигает Подает звуковой сигнал

        Traction battery low (низкое напряжение тяговой аккумуляторной батареи)

        Charges when not in N position (если рычаг переключения передач не находится в положении N, происходит зарядка аккумуляторной батареи)

        Остановите автомобиль и переведите трансмиссию в состояние P, так как степень заряда высоковольтной аккумуляторной батареи низка. Мигает Подает звуковой сигнал

        Traction battery preservation mode (режим сохранения заряда тяговой аккумуляторной батареи)

        Restart after shifting to the P position (произведите повторный запуск после переключения в положение P)

        Указывает, что напряжение гибридной (тяговой) аккумуляторной батареи упало из-за длительного простоя после перевода рычага переключения передач в положение N. Мигает Подает звуковой сигнал
        N position (положение N) Указывает на нажатие педали акселератора при рычаге переключения передач, находящемся в положении N. Мигает Подает звуковой сигнал
        Check Hybrid System (проверьте гибридную систему) Гибридная система неисправна. Горит Подает звуковой сигнал
        Hybrid System Overheat (перегрев гибридной системы) Температура деталей гибридной системы превышает заданное значение. Горит Подает звуковой сигнал

        EV mode not available (режим EV недоступен)

        Warm up (прогрев)

        Режим привода EV не доступен, так как гибридная система прогревается. - Подает звуковой сигнал

        EV mode currently not available (режим EV временно недоступен)

        Низкое напряжение аккумуляторной батареи

        Режим привода EV не доступен вследствие низкой степени заряда высоковольтной аккумуляторной батареи. - Подает звуковой сигнал

        EV mode currently not available (режим EV временно недоступен)

        Excessive speed (чрезмерная скорость)

        Режим привода EV не доступен, так как скорость автомобиля превышает максимальный уровень. - Подает звуковой сигнал

        EV mode currently not available (режим EV временно недоступен)

        Excessive acceleration (чрезмерное ускорение)

        Режим привода EV не доступен, так как угол поворота педали акселератора превышает заданный уровень. - Подает звуковой сигнал
        EV mode currently not available (режим EV временно недоступен) Режим привода EV не доступен, так как не выполняются рабочие условия. - Подает звуковой сигнал

        EV mode deactivated (режим EV отключен)

        Низкое напряжение аккумуляторной батареи

        Режим привода EV выключен вследствие низкой степени заряда высоковольтной аккумуляторной батареи. -* Подает звуковой сигнал

        EV mode deactivated (режим EV отключен)

        Excessive speed (чрезмерная скорость)

        Режим привода EV выключен, так как скорость автомобиля превышает максимальный уровень. -* Подает звуковой сигнал

        EV mode deactivated (режим EV отключен)

        Excessive acceleration (чрезмерное ускорение)

        Режим привода EV выключен, так как угол поворота педали акселератора превышает заданный уровень. -* Подает звуковой сигнал
        EV mode deactivated (режим EV отключен) Режим привода EV выключен, так как для автомобиля более не выполняются рабочие условия. -* Подает звуковой сигнал

        *: Контрольная лампа режима движения EV мигает 3 раза.

    2. Экран контроля расхода энергии


      1. Экран контроля расхода энергии на мультиинформационном дисплее и/или на дисплее мультимедийного модуля служит для отображения потоков энергии в гибридной системе и степени зарядки высоковольтной аккумуляторной батареи в соответствии с информацией от ЭБУ распределения питания. На этом экране отображается поток энергии, а степень зарядки аккумуляторной батареи воспроизводится на 8-уровневой шкале.

        A0002MRE02
        Обозначения на рисунке
        *A Для моделей с системой навигации с жестким диском - -
        *1 Щиток приборов в сборе *2 Мультиинформационный дисплей
        *3 Дисплей мультимедийного модуля - -
  5. КОНСТРУКЦИЯ


    1. Мотор-генератор № 1 (MG1) и мотор-генератор № 2 (MG2)


      1. MG1 и MG2 встроены в гибридную трансмиссию в сборе и представляют собой компактные облегченные электродвигатели переменного тока с постоянными магнитами и высоким КПД.

      2. Каждый из мотор-генераторов MG1 и MG2 включает в себя статор, обмотку статора, ротор, постоянные магниты и резольвер.

      3. MG1 заряжает высоковольтную аккумуляторную батарею и передает электрическую энергию для приведения в движение MG2. Кроме того, MG1 регулирует вырабатываемую мощность для изменения своей частоты вращения, обеспечивая эффективное управление бесступенчатой трансмиссией. Кроме того, во время пуска двигателя MG1 действует как стартер.

      4. MG2 приводит в движение ведущие колеса, используя электрическую энергию от MG1 или высоковольтной аккумуляторной батареи. Кроме того, во время замедления он действует как генератор, заряжая высоковольтную аккумуляторную батарею.

        A00033KE03
        Обозначения на рисунке
        *1 MG2 *2 MG1
        *3 Обмотка статора *4 Постоянный магнит
        *5 Резольвер *6 Ротор
        *7 Статор - -
      5. При протекании трехфазного переменного тока через трехфазные обмотки статора в электродвигателе создается вращающееся магнитное поле. Вследствие регулирования этого вращающегося магнитного поля в соответствии с угловым положением и частотой вращения ротора постоянные магниты, установленные на роторе, притягиваются вращающимся магнитным полем и, таким образом, создают крутящий момент.

      6. Создаваемый крутящий момент практически пропорционален амплитуде тока, а частота вращения определяется частотой переменного тока. Кроме того, за счет надлежащего регулирования взаимосвязи вращающегося магнитного поля и углов магнитов ротора высокий крутящий момент может эффективно создаваться вплоть до самых высоких частот вращения.

      7. Когда электродвигатель генерирует электроэнергию, вращение ротора приводит к созданию магнитного поля, которое вызывает появление тока в обмотках фаз статора.

        A0002O0E09
        Обозначения на рисунке
        *1 Обмотка статора (фаза U) *2 Обмотка статора (фаза V)
        *3 Обмотка статора (фаза W) *4 Ротор (постоянный магнит)
        *a От преобразователя-инвертора в сборе *b Соединены внутри электродвигателя
        *c Вращающееся магнитное поле *d Отталкивание
        *e Притягивание - -
        A0002WLE06
        Формы трехфазного переменного тока
        *1 Ток
    2. Резольверы для MG1 и MG2


      1. Резольвер представляет собой чрезвычайно надежный и компактный датчик, который точно определяет положение магнитного полюса. Знание точных положений магнитных полюсов роторов (MG1 и MG2) необходимо для эффективного управления мотор-генераторами MG1 и MG2. Каждый из мотор-генераторов MG1 и MG2 имеет собственный резольвер.

      2. Статор резольвера содержит катушки 3 типов: катушку возбуждения A, катушку обнаружения S и катушку обнаружения C.

      3. Ротор резольвера имеет овальную форму, поэтому при его вращении зазор между статором и ротором изменяется.

      4. Протекание переменного тока через катушку возбуждения A вызывает формирование магнитного поля постоянной частоты. Под действием этого магнитного поля катушки S и C формируют сигналы, которые соответствуют положению ротора. Таким образом, ЭБУ MG определяет абсолютное положение по разности значений выходных сигналов катушек S и C. Кроме того, исходя из изменения положения за заданный интервал времени ЭБУ MG вычисляет частоту вращения.

      5. Сигналы пар +S и -S катушки обнаружения S сдвинуты по фазе на 90 градусов. Сигналы пар +C и -C катушки обнаружения C сдвинуты по фазе точно так же. Сигналы пар S и C катушек сдвинуты по фазе относительно друг друга на 45° градусов.

        A0002V2E06
        Обозначения на рисунке
        *1 +S (катушка обнаружения S) *2 +C (катушка обнаружения C)
        *3 -S (катушка обнаружения S) *4 -C (катушка обнаружения C)
        *5 Катушка возбуждения A *6 Ротор
        *a Вид внутренней конструкции резольвера *b Электрическая ориентация катушек резольвера
        *c Схема катушки обнаружения S *d Схема катушки обнаружения C
      6. Так как в катушку возбуждения A подается переменный ток постоянной частоты, магнитное поле постоянной частоты действует на катушки S и C независимо от частоты вращения ротора. Магнитное поле катушки возбуждения A переносится ротором к катушкам S и C. Ротор имеет овальную форму, поэтому при его вращении зазор между статором и ротором изменяется. Из-за изменения зазора максимальные значения выходных сигналов катушек S и C изменяются в соответствии с положением ротора.

      7. ЭБУ MG постоянно контролирует эти максимальные значения и, соединяя их, формирует эквивалентный сигнал. ЭБУ MG вычисляет абсолютное положение ротора, исходя из разности значений сигналов катушек S и C. Кроме того, по разности фаз эквивалентных сигналов катушек S и C он определяет направление вращения ротора. Наконец, на основании изменения положения ротора за заданный интервал времени, ЭБУ MG рассчитывает частоту вращения.

      8. На приведенных ниже диаграммах показаны выходные сигналы катушек A, S и C при совершении ротором поворота на 180° в положительном направлении из определенного положения.

        A0002ILE15
        *1 Катушка возбуждения A
        *2 Виртуальный сигнал
        *3 Катушка обнаружения S
        *4 Катушка обнаружения C
    3. Датчики температуры для MG1 и MG2


      1. Датчики температуры используются для определения температур статоров MG1 и MG2.

      2. ЭБУ распределения питания осуществляет оптимальное управление MG1 и MG2 в соответствии с сигналами от всех датчиков температуры.

        A0003B2E06
        Характеристики датчика температуры
        *1 Сопротивление
        *2 Температура
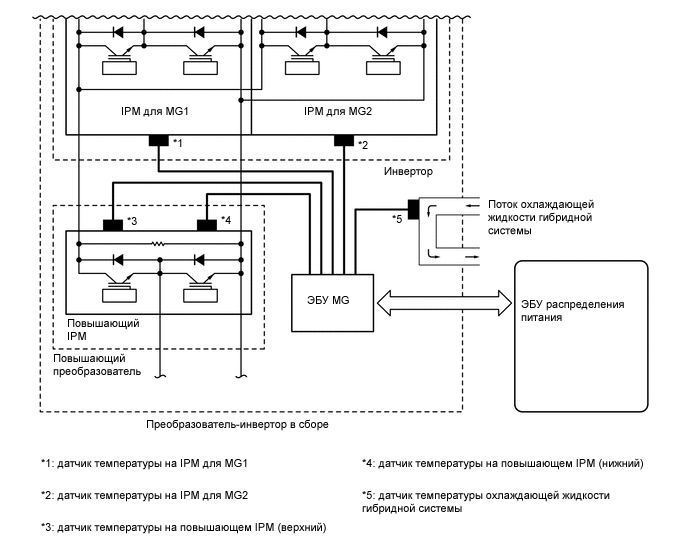
    4. Преобразователь-инвертор в сборе


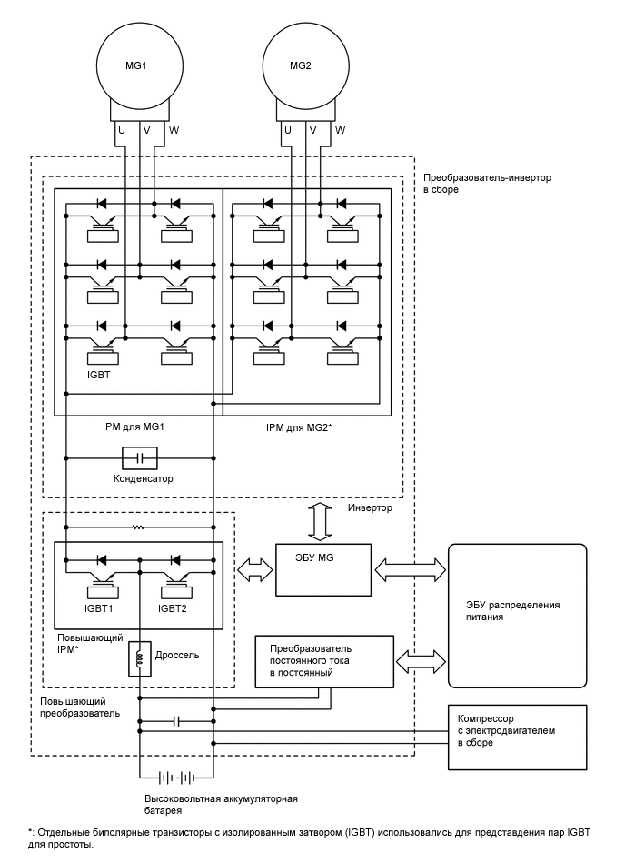
      1. Преобразователь-инвертор в сборе имеет компактную облегченную конструкцию и объединяет в себе ЭБУ MG, инвертор, повышающий преобразователь и преобразователь постоянного тока в постоянный. К основным узлам инвертора и повышающего преобразователя относятся интеллектуальные силовые модули (IPM), дроссель и конденсатор. IPM представляет собой интегрированный силовой модуль, который включает сигнальный процессор, процессор обеспечения защиты и биполярные транзисторы с изолированным затвором (IGBT).

      2. Отвод тепла от преобразователя-инвертора в сборе обеспечивает система водяного охлаждения, изолированная от системы охлаждения двигателя.

      3. В качестве меры защиты от высокого напряжения предусмотрены выключатели блокировки, которые выключают главные реле системы посредством ЭБУ распределения питания, когда снята крышка разъема или контакта, или отсоединен разъем силового кабеля высоковольтной аккумуляторной батареи.

        A0002P9E02
        Обозначения на рисунке
        *1 Инвертор *2 Преобразователь постоянного тока в постоянный
        A0002J8 Впуск охлаждающей жидкости гибридной системы A00039E Выпуск охлаждающей жидкости гибридной системы
      4. Инвертор осуществляет коммутацию с помощью IPM. Модули IPM для MG1 и MG2 содержат мостовую схему из IGBT. IPM для MG1 включает 6 IGBT, по одному в каждом плече, а модуль для MG2 содержит 6 пар IGBT, то есть каждое плечо включает два параллельных прибора.

      5. Повышающий преобразователь содержит повышающий IPM, осуществляющий коммутацию, дроссель, выполняющий функции катушки индуктивности, и конденсатор, запасающий электроэнергию. Повышающий IPM включает IGBT2 для повышения напряжения и IGBT1 для понижения напряжения.

        A0003B1E07
    5. ЭБУ MG


      1. ЭБУ MG входит в состав преобразователя-инвертора в сборе. В соответствии с сигналами, получаемыми от ЭБУ распределения питания, ЭБУ MG управляет инвертором и повышающим преобразователем для приведения в движение MG1 или MG2, либо обеспечения их работы в режиме генерирования электроэнергии.

      2. ЭБУ MG передает в ЭБУ распределения питания информацию, необходимую для управления автомобилем, например, данные об атмосферном давлении, температуре инвертора и неисправностях. От ЭБУ распределения питания ЭБУ MG получает информацию, необходимую для управления MG1 и MG2, например, данные о требуемом тяговом усилии и температуре MG1 и MG2.

    6. Датчик атмосферного давления


      1. На плате ЭБУ MG установлен датчик атмосферного давления.

      2. Этот датчик измеряет атмосферное давление и передает соответствующий сигнал в ЭБУ MG, чтобы последний мог внести поправки, отражающие состояние окружающей среды.

    7. Датчик температуры преобразователя-инвертора в сборе


      1. Для преобразователя-инвертора в сборе используется 5 различных датчиков температуры: 2 в модулях IPM для MG1 и MG2, 2 в повышающем преобразователе и один в канале охлаждающей жидкости гибридной системы.

      2. Эти датчики измеряют температуры внутри преобразователя-инвертора и передают эту информацию в ЭБУ распределения питания через ЭБУ MG. ЭБУ распределения питания оптимально управляет системой охлаждения в соответствии с данными о температуре, поддерживая энергетические характеристики преобразователя-инвертора в сборе.

        A000378E17
    8. Датчик тока инвертора


      1. Датчики тока инвертора измеряют трехфазный переменный ток, который обеспечивает привод MG1 и MG2. Этот фактический ток используется в качестве сигнала обратной связи ЭБУ MG.

      2. Датчики тока определяют ток в трехфазных обмотках MG1 и MG2. Датчики тока в преобразователе-инверторе определяют ток в фазах V и W каждого мотор-генератора. Ток обмотки фазы U протекает через обмотку фазы V или W, поэтому для измерения тока фазы U не требуется устанавливать датчик тока на обмотке фазы U.

        A00031IE20
    9. Высоковольтная аккумуляторная батарея в сборе


      1. Высоковольтная аккумуляторная батарея в сборе имеет в своем составе собственно высоковольтную аккумуляторную батарею, распределительный блок гибридной аккумуляторной батареи, вентилятор охлаждения аккумуляторной батареи, блок контроля состояния аккумуляторной батареи и зажим сервисного разъема.

      2. В высоковольтной аккумуляторной батарее используются элементы в пластмассовых контейнерах. В результате достигнуты высокие показатели удельной мощности, массы и срока службы.

      3. Чтобы обеспечить надлежащее охлаждение аккумуляторной батареи, выделяющей значительное количество тепла во время многократных циклов зарядки/разрядки, используется специальная система охлаждения с вентилятором.

        A0002YQE03
        Обозначения на рисунке
        *1 Верхняя крышка высоковольтной аккумуляторной батареи *2 Блок контроля состояния аккумуляторной батареи
        *3 Высоковольтная аккумуляторная батарея (модули аккумуляторной батареи) *4 Вентилятор охлаждения аккумуляторной батареи в сборе
        *5 Зажим сервисного размыкателя цепи *6 Распределительный блок аккумуляторной батареи гибридной системы в сборе
        *7 Нижний корпус высоковольтной аккумуляторной батареи - -
      4. Высоковольтная аккумуляторная батарея состоит из 34 отдельных модулей, соединенных последовательно 2 модулями шин.

      5. Каждый модуль аккумуляторной батареи состоит из 6 элементов. Высоковольтная аккумуляторная батарея содержит 204 элемента (6 элементов х 34 модуля) и имеет номинальное напряжение 244,8 В (1,2 В х 204 элемента).

        A000355E04
    10. Датчик температуры высоковольтной аккумуляторной батареи и датчик температуры впускного воздуха высоковольтной аккумуляторной батареи)


      1. Предусмотрено 3 датчика температуры высоковольтной аккумуляторной батареи и 1 датчик температуры впускного воздуха высоковольтной аккумуляторной батареи; три из них установлены на модулях аккумуляторной батареи, а один находится на впускном воздуховоде.

      2. ЭБУ распределения питания оптимально управляет системой охлаждения, поддерживая температуру высоковольтной аккумуляторной батареи в заданном диапазоне в соответствии с данными о температуре, получаемыми через блок контроля состояния аккумуляторной батареи.

        A000387E03
        Обозначения на рисунке
        *1 Датчик температуры воздуха на впуске аккумуляторной батареи гибридной системы *2 Датчик температуры высоковольтной аккумуляторной батареи
    11. Распределительный блок аккумуляторной батареи гибридной системы в сборе


      1. Распределительный блок аккумуляторной батареи гибридной системы содержит главные реле системы (SMR), резистор предварительной зарядки и датчик тока аккумуляторной батареи.

      2. Реле SMR представляют собой реле, которые подключают и отключают высоковольтную аккумуляторную батарею и силовой кабель (электропроводку рамы) в соответствии с сигналами ЭБУ распределения питания. Используются 3 реле: SMRB для положительной (+) стороны аккумуляторной батареи, SMRG для отрицательной (-) стороны аккумуляторной батареи и SMRP для предварительной зарядки.

        A0002TSE03
        Обозначения на рисунке
        *1 Датчик тока аккумуляторной батареи *2 Распределительный блок аккумуляторной батареи гибридной системы в сборе
        *3 SMRG *4 SMRB
        *5 SMRP *6 Резистор предварительной зарядки
    12. Датчик тока аккумуляторной батареи


      1. Датчик тока аккумуляторной батареи, встроенный в распределительный блок аккумуляторной батареи гибридной системы, измеряет ток зарядки и разрядки высоковольтной аккумуляторной батареи.

      2. ЭБУ распределения питания оптимально управляет гибридной системой, поддерживая степень заряда высоковольтной аккумуляторной батареи в заданном диапазоне в соответствии с данными о токе, получаемыми через блок контроля состояния аккумуляторной батареи.

        A0002USE09
    13. Блок контроля состояния аккумуляторной батареи


      1. Блок контроля состояния аккумуляторной батареи оценивает состояние высоковольтной аккумуляторной батареи (напряжение, температуру и ток) и передает эту информацию в ЭБУ распределения питания.

      2. Кроме того, блок контроля состояния аккумуляторной батареи формирует частоту обратной связи с информацией о частоте вращения вентилятора, необходимое для управления системой охлаждения, и передает его в ЭБУ распределения питания.

      3. Блок контроля состояния аккумуляторной батареи содержит схему обнаружения утечки, предназначенную для обнаружения утечек тока в высоковольтной аккумуляторной батарее и цепи высокого напряжения.

      4. Блок контроля состояния аккумуляторной батареи преобразует эти сигналы в цифровую форму и передает их в ЭБУ распределения питания по последовательному каналу передачи данных.

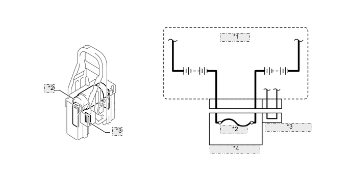
    14. Зажим сервисного размыкателя цепи


      1. Зажим сервисного размыкателя цепи включен в разрыв цепи модуля аккумуляторной батареи и позволяет вручную отключить цепь высокого напряжения. Эта мера гарантирует безопасность обслуживания.

      2. В зажиме сервисного размыкателя цепи установлен предохранитель Main для цепи высокого напряжения.

      3. Зажим сервисного размыкателя цепи снабжен выключателем блокировки. Когда зажим разблокирован, выключатель блокировки выключен, и ЭБУ распределения питания выключает главные реле системы. Однако по соображениям безопасности обязательно выключите питание перед тем, как снимать зажим сервисного размыкателя цепи.

        A0002JIE11
        *1 HV Battery (высоковольтная аккумуляторная батарея)
        *2 Предохранитель Main
        *3 Выключатель блокировки
        *4 Зажим сервисного размыкателя цепи

        CAUTION:

        Дополнительная информация по обращению с сервисным размыкателем цепи и прочие меры предосторожности приведены в Руководстве по ремонту.

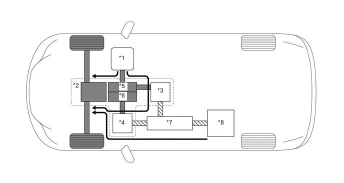
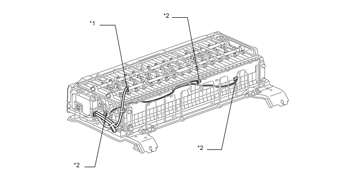
    15. Силовой кабель (жгут проводов рамы)


      1. Рассчитанные на высокое напряжение и большой ток силовые кабели (жгут электропроводки рамы) соединяют высоковольтную аккумуляторную батарею с преобразователем-инвертором в сборе, преобразователь-инвертор в сборе с MG1 и MG2, а также преобразователь-инвертор в сборе с компрессором с электродвигателем в сборе.

      2. Для уменьшения электромагнитных помех силовые кабели (жгут электропроводки рамы) имеют экраны.

      3. В целях идентификации высоковольтные жгуты проводов и разъемы промаркированы оранжевым цветом, чтобы их можно было отличить от обычной низковольтной проводки.

        A000395E03
        Обозначения на рисунке
        *1 Компрессор с электродвигателем в сборе *2 Преобразователь-инвертор в сборе
        *3 Гибридная трансмиссия в сборе *4 MG1
        *5 MG2 *6 Распределительный блок аккумуляторной батареи гибридной системы в сборе
        *7 Высоковольтная аккумуляторная батарея в сборе *8 Зажим сервисного размыкателя цепи
        A000356 Силовой кабель (жгут проводов рамы) - -
    16. Насос системы охлаждения инвертора в сборе


      1. Применяется компактный высокопроизводительный электрический насос системы охлаждения инвертора.

      2. Электродвигатель насоса приводится в движение мощным бесщеточным электродвигателем. Кроме того, благодаря применению подшипников, поддерживающих вал с обоих концов, ослабляются шум и вибрации.

      3. ЭБУ распределения питания осуществляет 3-ступенчатое управление электродвигателем насоса с помощью сигнала продолжительности включения.

        A000345E03
        Обозначения на рисунке
        *1 Вал *2 Рабочее колесо
        *3 Ротор *4 Контроллер электродвигателя
        A0002J8 Впуск охлаждающей жидкости гибридной системы A00039E Выпуск охлаждающей жидкости гибридной системы
    17. Вентилятор охлаждения аккумуляторной батареи в сборе


      1. Применяется компактный высокоэффективный вентилятор охлаждения аккумуляторной батареи.

      2. Вентилятор приводится в движение мощным бесщеточным электродвигателем. Также оптимизирована внутренняя форма корпуса вентилятора. Как следствие, ослабляется шум вентилятора.

      3. ЭБУ распределения питания осуществляет управление встроенным контроллером электродвигателя насоса с помощью сигнала продолжительности включения.

    18. Датчик температуры вспомогательной аккумуляторной батареи (термистор в сборе)


      1. Датчик температуры вспомогательной аккумуляторной батареи (термистор в сборе) передает сигналы температуры в ЭБУ распределения питания.

      2. В соответствии с сигналом этого датчика ЭБУ распределения питания регулирует выходное напряжение преобразователя постоянного тока в постоянный, поддерживая оптимальную степень заряда согласно температуре вспомогательной аккумуляторной батареи.

        A0003BEE12
        *1 Высокая
        *2 Сопротивление
        *3 Низкая
        *4 Battery Temperature
    19. Датчик положения педали акселератора в сборе


      1. В бесконтактном датчике положения педали акселератора используется элемент Холла.

      2. В основании рычага педали акселератора установлено ярмо магнита. Это ярмо поворачивается вокруг датчика Холла в соответствии с усилием на педали акселератора. Датчик Холла преобразует возникающие при этом изменения магнитного потока в электрические сигналы, отражающие положение педали акселератора, и передает их в ЭБУ распределения питания.

      3. В датчике Холла имеются две цепи: одна – для основного сигнала, другая – для вспомогательного. Датчик преобразует положение (угол поворота) педали акселератора в различающиеся по характеристикам электрические сигналы и передает их в ЭБУ распределения питания.

        A000394E06
        Обозначения на рисунке
        *1 Датчик Холла *2 Ярмо магнита
        *3 Рычаг педали акселератора - -
        A0002PNE19
  6. ПРИНЦИП РАБОТЫ


    1. Работа гибридной системы


      1. В гибридной системе тяговое усилие создается двигателем и MG2, а MG1 используется в качестве генератора. Система оптимальным образом сочетает эти усилия в зависимости от условий движения.

      2. ЭБУ распределения питания постоянно контролирует температуру охлаждающей жидкости двигателя, степень заряда аккумуляторной батареи, температуру высоковольтной аккумуляторной батареи и электрическую нагрузку. Если любое из контролируемых условий не отвечает требованиям, когда автомобиль находится в состоянии готовности, а рычаг переключения передач установлен в положение, отличное от N, ЭБУ распределения питания запускает двигатель.

      3. Гибридная система приводит автомобиль в движение, осуществляя оптимальное согласованное управление двигателем, MG1 и MG2 в соответствии с условиями движения, перечисленными ниже. Перечисленные ниже условия представляют собой примеры типичных эксплуатационных условий.

        A0002RFE20
        Условия движения
        А Состояние готовности (READY)
        B Трогание с места
        C Движение с постоянной скоростью
        D Во время разгона при полностью открытой дроссельной заслонке
        E Во время замедления
        F Во время движения задним ходом
    2. Порядок чтения номограмм


      1. Приведенная ниже номограмма дает визуальное представление о балансе крутящих моментов, направлений и частот вращения шестерен планетарной передачи.

      2. Прямая линия на номограмме отражает связь между направлениями и частотами вращения 3 шестерен планетарной передачи. Частота вращения каждой шестерни представляется расстоянием от точки 0 об/мин. В силу конструкции планетарной передачи связь между частотами вращения 3 шестерен всегда выражается прямой линией.

      3. Все представленные далее номограммы и рисунки, иллюстрирующие действие планетарной передачи для каждого режима движения автомобиля, соответствуют конкретным условиям, выбранным для примера. Примеры соответствуют "моментальным снимкам", и в нормальном режиме состояние системы постоянно изменяется в соответствии с условиями и реакцией системы на эти условия.

        A0003CPE16
      4. В гибридной системе мотор-генераторы выполняют различные функции, зависящие от ситуации. Понимание взаимосвязей между направлением вращения и крутящим моментом помогает усвоить функции мотор-генератора.

      5. В следующей таблице показана взаимосвязь между приводом и генерацией электроэнергии для различных комбинаций положительного или отрицательного крутящего момента и направления вращения вперед или назад.

        Направление вращения Крутящий момент Функция узла
        Вращение вперед (+) Положительный крутящий момент Привод
        Отрицательный крутящий момент Генерация электроэнергии
        Вращение назад (-) Положительный крутящий момент Генерация электроэнергии
        Отрицательный крутящий момент Привод
      6. Например, если мотор-генератор вращается в прямом (+) направлении и создает отрицательный крутящий момент, он генерирует электроэнергию (создает электрическую мощность).

      7. С другой стороны, если мотор-генератор вращается в обратном (-) направлении и создает отрицательный крутящий момент, он действует как источник привода (потребляет электрическую мощность).

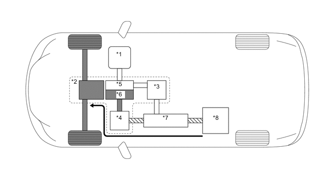
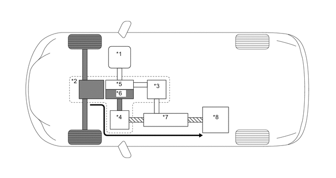
    3. Режим движения B: Трогание с места


      1. При трогании автомобиля с места он приводится в движение посредством MG2. Если в режиме привода от MG2 требуется увеличить крутящий момент, включается MG1 для пуска двигателя.

        A0002O8E14
        Обозначения на рисунке
        *1 Двигатель (остановлен) *2 Гибридная трансмиссия в сборе
        *3 MG1 (вращается свободно) *4 MG2 (ведущий)
        *5 Планетарная передача деления мощности *6 Планетарный редуктор электродвигателя
        *7 Преобразователь-инвертор в сборе *8 Высоковольтная аккумуляторная батарея
        A0002Y6 Путь передачи механической энергии A0002KP Путь передачи электрической энергии
        A0002J8 Передача мощности - -
      2. Когда автомобиль трогается с места в нормальных условиях, он приводится в движение тяговым усилием MG2. При движении в таком состоянии частота вращения водила (двигателя) равна 0 об/мин, так как двигатель остановлен. Кроме того, поскольку MG1 не создает крутящего момента, на солнечную шестерню (MG1) крутящий момент не действует. Тем не менее, солнечная шестерня свободно вращается в направлении (-), компенсируя вращение коронной шестерни.

        A0002K5E13
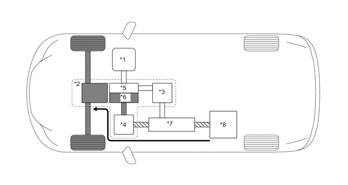
    4. Режим движения C: Движение с постоянной скоростью


      1. Когда автомобиль движется с постоянной скоростью при низкой нагрузке, крутящий момент двигателя передается планетарной передачей деления мощности. Часть этого крутящего момента передается напрямую, оставшаяся часть используется для выработки электроэнергии посредством MG1. По силовым цепям инвертора генерируемая электрическая мощность передается в MG2, где преобразуется в крутящий момент MG2. Если степень заряда высоковольтной аккумуляторной батареи низка, аккумуляторная батарея заряжается MG1, приводимым в движение двигателем.

        A00037CE13
        Обозначения на рисунке
        *1 Двигатель (ведущий) *2 Гибридная трансмиссия в сборе
        *3 MG1 (вырабатывает электроэнергию) *4 MG2 (ведущий)
        *5 Планетарная передача деления мощности *6 Планетарный редуктор электродвигателя
        *7 Преобразователь-инвертор в сборе *8 Высоковольтная аккумуляторная батарея
        A0002Y6 Путь передачи механической энергии A0002KP Путь передачи электрической энергии
        A0002J8 Передача мощности - -
      2. Крутящий момент двигателя действует на водило в направлении (+), заставляя солнечную шестерню (MG1) вращаться в этом же направлении под действием отрицательного крутящего момента. Используя крутящий момент, действующий на солнечную шестерню (MG1) в отрицательном направлении, MG1 вырабатывает электрическую энергию.

        A0002RNE12
    5. Режим движения D: Во время разгона при полностью открытой дроссельной заслонке


      1. Когда автомобиль переходит из режима поддержания постоянной скорости при низкой нагрузке в режим разгона при полностью открытой дроссельной заслонке, система дополняет крутящий момент MG2 электрической мощностью высоковольтной аккумуляторной батареи.

        A0002N2E14
        Обозначения на рисунке
        *1 Двигатель (ведущий) *2 Гибридная трансмиссия в сборе
        *3 MG1 (вырабатывает электроэнергию) *4 MG2 (ведущий)
        *5 Планетарная передача деления мощности *6 Планетарный редуктор электродвигателя
        *7 Преобразователь-инвертор в сборе *8 Высоковольтная аккумуляторная батарея
        A0002Y6 Путь передачи механической энергии A0002KP Путь передачи электрической энергии
        A0002J8 Передача мощности - -
      2. Когда требуется повысить мощность двигателя, для увеличения частоты вращения коленчатого вала частоты вращения соответствующих шестерен изменяются следующим образом. Крутящий момент двигателя действует на водило в направлении (+), заставляя солнечную шестерню (MG1) вращаться в этом же направлении под действием отрицательного крутящего момента. Используя крутящий момент, действующий на солнечную шестерню (MG1) в отрицательном направлении, MG1 вырабатывает электрическую энергию.

        A0002GUE14
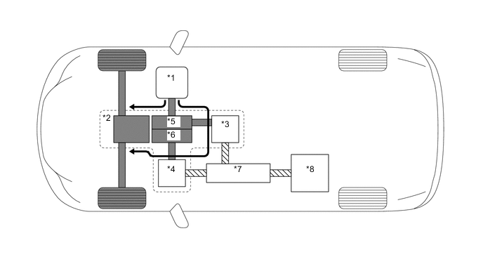
    6. Режим движения E: Во время замедления


      1. Если рычаг переключения передач установлен в положение D, и автомобиль замедляет движение, двигатель выключается, и тяговое усилие становится равным нулю. После этого колеса приводят в движение MG2, заставляя MG2 работать в режиме генератора, заряжая высоковольтную аккумуляторную батарею. Когда автомобиль замедляет движение на высокой скорости, двигатель поддерживает заданную скорость, не останавливаясь, чтобы защитить шестерни планетарной передачи.

        A00032PE13
        Обозначения на рисунке
        *1 Двигатель (остановлен) *2 Гибридная трансмиссия в сборе
        *3 MG1 (вращается свободно) *4 MG2 (вырабатывает электроэнергию)
        *5 Планетарная передача деления мощности *6 Планетарный редуктор электродвигателя
        *7 Преобразователь-инвертор в сборе *8 Высоковольтная аккумуляторная батарея
        A0002Y6 Путь передачи механической энергии A0002KP Путь передачи электрической энергии
        A0002J8 Передача мощности - -
      2. Во время замедления коронная шестерня вращается колесами. В этом состоянии, в силу того, что двигатель остановлен, частота вращения водила (двигателя) равна 0 об/мин. Кроме того, поскольку MG1 не создает крутящего момента, на солнечную шестерню (MG1) крутящий момент не действует. Тем не менее, солнечная шестерня (MG1) свободно вращается в направлении (-), компенсируя вращение коронной шестерни.

        A00032DE13
    7. Режим движения F: Во время движения задним ходом


      1. Когда автомобиль движется задним ходом, необходимую мощность выдает MG2. При этом MG2 вращается в обратном направлении, двигатель остается выключенным, а MG1 вращается в нормальном направлении, не вырабатывая электроэнергию.

        A0002XQE12
        Обозначения на рисунке
        *1 Двигатель (остановлен) *2 Гибридная трансмиссия в сборе
        *3 MG1 (вращается свободно) *4 MG2 (ведущий)
        *5 Планетарная передача деления мощности *6 Планетарный редуктор электродвигателя
        *7 Преобразователь-инвертор в сборе *8 Высоковольтная аккумуляторная батарея
        A0002Y6 Путь передачи механической энергии A0002KP Путь передачи электрической энергии
        A0002J8 Передача мощности - -
      2. Положения шестерен планетарной передачи противоположны описанным в разделе "Трогание с места". Поскольку двигатель остается выключенным, частота вращения водила (двигателя) равна 0 об/мин, однако солнечная шестерня (MG1) свободно вращается в направлении (+), компенсируя вращение коронной шестерни.

        A0002QLE08
  7. ДИАГНОСТИКА


    1. Если ЭБУ распределения питания обнаруживает неисправность в гибридной системе, он выполняет диагностику и сохраняет в памяти ее результаты. Чтобы проинформировать водителя о неисправности, ЭБУ распределения питания (ЭБУ гибридной системы) обеспечивает включение или мигание контрольной лампы неисправности (MIL) или главной контрольной лампы аварийного состояния и выводит сообщение на мультиинформационный дисплей. Одновременно с этим в памяти сохраняется код DTC (диагностический код неисправности).

    2. В основные DTC, представляющие собой 5-значные коды, включены 3-значные информационные коды (коды INF). Это позволяет еще точнее локализовать неисправность в процессе диагностики.

    3. Код DTC можно считать, подключив Global TechStream (GTS) к разъему DLC3. Более подробную информацию см. в руководстве по ремонту.