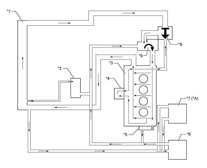
СИСТЕМА ОХЛАЖДЕНИЯ СХЕМА СИСТЕМЫ

A01IM0FE01
Text in Illustration
*A Models with Combustion Type Power Heater - -
*1 Radiator Assembly *2 Radiator Reservoir Assembly
*3 Engine *4 Oil Cooler
*5 EGR Cooler Assembly *6 Heater Radiator Unit Sub-assembly
*7 Heater Assembly *8 Thermostat
*9 Water Pump - -