СИСТЕМА SFI ДЕТАЛЬНОЕ ОПИСАНИЕ


  1. НАЗНАЧЕНИЕ ОСНОВНЫХ УСТРОЙСТВ


    1. В следующей таблице перечислены основные узлы и устройства системы управления двигателем:

      Устройство Описание Количество Функция
      ECM 32-разрядный 1 ECM осуществляет оптимальное управление системой управления двигателем в соответствии с режимом работы двигателя и исходя из сигналов, поступающих от датчиков.
      Датчик состава топливовоздушной смеси (датчик 1 ряда 1) С подогревателем (планарного типа) 1 Определяет концентрацию кислорода в отработавших газах, измеряя ЭДС на своих зажимах.
      Кислородный датчик (ряд 1, датчик 2) С подогревателем (чашечного типа) 1
      Датчик массового расхода воздуха на впуске в сборе С нагреваемым проволочным элементом 1 Содержит проволочный элемент, который непосредственно определяет массу воздуха на впуске.
      Датчик температуры воздуха на впуске Термисторный 1 Определяет температуру воздуха на впуске.
      Датчик температуры охлаждающей жидкости E.F.I. Термисторный 1 Определяет температуру охлаждающей жидкости двигателя.
      Датчик положения коленчатого вала [зубчатое колесо] Индуктивный [36 - 2] 1 Определяет частоту вращения коленчатого вала двигателя и выполняет идентификацию цилиндра.
      Датчик положения коленчатого вала № 1 (датчик положения распредвала) [зубчатое колесо] Магнитный резистивный элемент (MRE) [3] 2 Выполняет идентификацию цилиндра.
      Датчик положения дроссельной заслонки Бесконтактного типа 1 Определяет угол поворота дроссельной заслонки.
      Датчик положения педали акселератора Бесконтактного типа 1 Определяет усилие на педали акселератора.
      Датчик детонации Со встроенным пьезоэлементом (плоский) 1 Косвенно, по вибрации блока цилиндров, вызванной детонацией двигателя, регистрирует появление стука в двигателе.
      Датчик разрежения E.F.I. в сборе С полупроводниковым кремниевым кристаллом 1
      • Определяет давление во впускном коллекторе.

      • Корректирует впрыск топлива в соответствии с изменениями давления воздуха.

      • Регистрирует наличие отложений во впускном клапане по давлению во впускном коллекторе.

      Контроллер бесступенчатого подъема клапанов в сборе Встроенный EDU 1
      • Включает EDU, который управляет электродвигателем в соответствии с сигналами от ECM, регулируя высоту подъема впускных клапанов и рабочий угол впускных клапанов.

      • Встроенный датчик положения электродвигателя определяет положение электродвигателя.

      • Встроенный датчик рабочего угла определяет положение привода, подтверждая рабочий угол.

      Гидравлический клапан изменения фаз в сборе Электромагнитного типа 2 В соответствии с сигналами от ECM регулирует канал подачи масла к зубчатому колесу распредвала (контроллеру VVT-i).
      Электродвигатель привода дроссельной заслонки Электродвигатель постоянного тока 1 Электродвигатель привода дроссельной заслонки регулирует угол поворота дроссельной заслонки в соответствии с сигналами от ECM.
      Топливная форсунка в сборе 12-струйная 4 Топливная форсунка в сборе представляет собой сопло с электромагнитным управлением, через которое производится впрыск топлива в соответствии с сигналами от ECM.
      Катушка зажигания в сборе С усилителем зажигания 4 Содержит усилитель зажигания и формирует высокое напряжение, необходимое для зажигания, в соответствии с сигналами от ECM.
      Электровакуумный клапан (VSV для ACIS) Электромагнитного типа 1 Управляет приводом ACIS в соответствии с сигналами от ECM.
      Свеча зажигания С иридиевым покрытием 4 Создает искру под действием высокого напряжения катушки зажигания в цилиндре.
  2. УПРАВЛЕНИЕ В СИСТЕМЕ


    1. Система управления двигателем имеет следующие особенности. ECM управляет следующими системами:

      Система Описание
      Система последовательного распределенного впрыска топлива (SFI)
      • Система SFI L-типа определяет массу воздуха на впуске посредством датчика массового расхода воздуха с проволочным элементом.

      • Система впрыска топлива представляет собой последовательную распределенную систему впрыска.

      Интеллектуальная электронная система управления дроссельной заслонкой (ETCS-i) Оптимальным образом регулирует угол поворота дроссельной заслонки в соответствии с усилием на педали акселератора, командой открывания дроссельной заслонки от ECM и состоянием двигателя и автомобиля.
      Электронная система регулирования угла опережения зажигания (ESA) Угол опережения зажигания вычисляется ECM на основе сигналов различных датчиков. ECM корректирует угол опережения зажигания в зависимости от детонации двигателя.
      VALVEMATIC Осуществляет согласованное управление с двойной системой VVT-i, регулируя высоту подъема впускных клапанов, а также фазы газораспределения впускных и выпускных клапанов.
      Двойная электронная система изменения фаз газораспределения (двойная система VVT-i) Управляет распредвалами впускных и выпускных клапанов с целью оптимизации фаз газораспределения в соответствии с режимом работы двигателя.
      Система впуска с переменной геометрией (ACIS) Впускные воздушные каналы переключаются в зависимости от частоты вращения коленчатого вала двигателя и угла поворота дроссельной заслонки, что позволяет достигать высоких эксплуатационных характеристик во всех диапазонах частот вращения.
      Система управления топливным насосом
      • Управление топливным насосом осуществляется сигналами, передаваемыми ECM.

      • При разворачивании подушек безопасности системы SRS топливный насос останавливается.

      Система управления подогревателями кислородных датчиков и датчиков состава топливовоздушной смеси Обеспечивает поддержание требуемых температур датчиков состава топливовоздушной смеси и кислородных датчиков, что позволяет повысить точность определения концентрации кислорода в отработавших газах.
      Иммобилайзер двигателя Блокирует подачу топлива и зажигание при попытке запустить двигатель с использованием ненадлежащего ключа.
      Система управления отключением кондиционера*1 Благодаря включению и выключению компрессора системы кондиционирования в зависимости от режима двигателя поддерживается управляемость автомобиля.
      Управление вентилятором системы охлаждения ECM посредством ECU (ЭБУ) вентилятора системы охлаждения бесступенчато регулирует частоту вращения вентилятора в соответствии с температурой охлаждающей жидкости, скоростью автомобиля, частотой вращения коленчатого вала двигателя и режимом работы системы кондиционирования*1. В результате обеспечивается эффективное охлаждение.
      Система управления стартером*2 Эта система приводится в действие при нажатии выключателя зажигания и управляет стартером до запуска двигателя.
      Система принудительного включения тормозов Ограничивает крутящий момент при одновременно нажатых педалях акселератора и тормоза. (Условия активации и метод проверки см. в Руководстве по ремонту)
      Диагностика Когда ECM обнаруживает неисправность, он производит диагностику соответствующего узла и сохраняет в памяти результаты.
      Аварийный режим При обнаружении неисправности ECM останавливает двигатель или начинает осуществлять управление в соответствии с данными, сохраненными в памяти ранее.

      • *1: для моделей с системой кондиционирования

      • *2: для моделей с системой посадки и запуска

  3. ФУНКЦИИ


    1. Интеллектуальная электронная система управления дроссельной заслонкой (ETCS-i)


      1. Система ETCS-i обеспечивает высокое качество управления дроссельной заслонкой во всех режимах работы двигателя. Трос управления дроссельной заслонкой исключен из конструкции, а педаль акселератора снабжена датчиком положения педали акселератора.

      2. В корпусе дроссельной заслонки традиционной конструкции угол поворота заслонки постоянно зависит от усилия на педали акселератора. Вместо этого, в системе ETCS-i ECM вычисляет оптимальный угол поворота дроссельной заслонки, соответствующий режиму движения, и приводит в действие электродвигатель привода заслонки для достижения этого угла.

      3. Система ETCS-i управляет следующими системами: системой регулировки частоты вращения на холодом ходу, антипробуксовочной системой (TRC)*1, системой курсовой устойчивости (VSC)*1 и системой круиз-контроля*2.


        • *1: для моделей с VSC

        • *2: для моделей с системой круиз-контроля

      4. В случае нарушения работы данная система переключается в аварийный режим.

      5. ETCS-i осуществляет согласованное управление с VALVEMATIC.

        A01ILZAE02
    2. VALVEMATIC


      1. Система VALVEMATIC осуществляет согласованное управление с двойной системой VVT-i. Эта система бесступенчато регулирует высоту подъема впускных клапанов, рабочий угол впускных клапанов, фазы газораспределения впускных клапанов, а также управляет фазами газораспределения выпускных клапанов в соответствии с режимом работы двигателя. Это улучшает рабочие характеристики двигателя и снижает расход топлива.

      2. Рабочий угол впускных клапанов изменяется в диапазоне 106-260° CA, а высота подъема впускных клапанов – от 0,9 мм (0,0354 дюйма) до 11 мм (0,433 дюйма).

      3. VALVEMATIC включает контроллер бесступенчатого подъема клапанов в сборе на блоке управления и механизм VALVEMATIC.

      4. Наряду с данной системой предусмотрен вакуумный насос в сборе, создающий разрежение, необходимое для управления тормозами.

        A01ILMQE01
      5. VALVEMATIC управляет высотой подъема впускных клапанов, рабочим углом впускных клапанов, фазами газораспределения впускных клапанов и фазами газораспределения выпускных клапанов, обеспечивая эффективную работу двигателя:

        Условие Принцип работы Цель Результат
        Фазы газораспределения / положение распредвала Высота подъема клапанов / рабочий угол клапанов

        • При запуске двигателя

        • При остановке двигателя

        A01ILPAE01 Рабочий угол впускных клапанов фиксирован и составляет 200° CA.* Уменьшение перекрытия для улучшения степени сжатия. Улучшенная пусковая характеристика
        A01ILLVE01
        Первоначально на холостом ходу A01IM7SE01 Рабочий угол впускных клапанов фиксирован и составляет 255° CA. Увеличение перекрытия для повышения внутренней рециркуляции отработавших газов Снижение токсичности отработавших газов
        A01ILJ6E01
        До прогрева двигателя (кроме первоначальной работы на холостом ходу) A01ILVCE01 Рабочий угол впускных клапанов фиксирован и составляет 240° CA. Повышение КПД воздухозабора
        • Увеличение мощности

        • Снижение расхода топлива

        A01ILSJE01
        При малой и средней нагрузке (после прогрева) A01ILMWE01
        • Осуществляет согласованное управление с двойной системой VVT-i и ETCS-i.

        • Высота подъема впускных клапанов регулируется.

        • Рабочий угол впускного клапана изменяется в пределах от 106° CA до 245° CA.

        Раннее закрывание впускных клапанов уменьшает насосные потери Снижение расхода топлива
        A01ILMTE01
        При большой нагрузке (после прогрева) A01IM6NE01
        • Осуществляет согласованное управление с двойной системой VVT-i.

        • Высота подъема впускных клапанов регулируется.

        • Рабочий угол впускного клапана изменяется в пределах от 230° CA до 260° CA.

        При позднем закрывании впускных клапанов задерживается впрыск, что улучшает коэффициент наполнения
        • Увеличение мощности

        • Снижение расхода топлива

        • Уменьшение температуры отработавших газов

        A01ILYUE01

        Tech Tips

        *: Если во время прокручивания коленчатого вала ECM определяет, что двигатель запущен, рабочий угол впускных клапанов смещается к 255° CA.

    3. Двойная электронная система изменения фаз газораспределения (двойная система VVT-i)


      1. Двойная система VVT-i управляет распредвалами впускных и выпускных клапанов. Данная система осуществляет согласованное управление с системой VALVEMATIC, обеспечивая фазы газораспределения, отвечающие режиму работы двигателя. Система позволяет увеличить крутящий момент во всех диапазонах частоты вращения, повысить экономию топлива и уменьшить токсичность отработавших газов.

      2. Так как двойная система VVT-i данного двигателя осуществляет согласованное управление с VALVEMATIC, ее характеристики опережения отличаются от характеристик обычной двойной системы VVT-i. Подробная информация приведена при описании назначения и принципа работы VALVEMATIC.

        A01ILR1E01
    4. Система впуска с переменной геометрией (ACIS)


      1. Работа системы ACIS основана на использовании перегородки, разделяющей впускной коллектор на 2 части (ступени). Имеющийся в перегородке клапан управления впуском воздуха открывается и закрывается в зависимости от частоты вращения коленчатого вала двигателя и угла поворота дроссельной заслонки, изменяя рабочую длину впускного коллектора. Это способствует увеличению выходной мощности во всех диапазонах частоты вращения.

        A01ILDYE01
        A01ILXJE01
    5. Система управления топливным насосом


      1. Топливным насосом управляет ECM с помощью размыкающего реле. Система управления топливным насосом имеет функцию отсечки подачи топлива. При развертывании подушек безопасности системы SRS система управления отсечкой топлива отключает топливный насос.

    6. Управление вентилятором системы охлаждения


      1. Система управления вентилятором системы охлаждения оптимально регулирует частоту вращения вентилятора в соответствии с температурой охлаждающей жидкости двигателя, скоростью автомобиля, частотой вращения коленчатого вала двигателя и режимом работы системы кондиционирования*1.

    7. Система управления стартером*2


      1. Данная функция начинает управлять стартером сразу после нажатия выключателя зажигания, если в это же время удерживается нажатой педаль сцепления, и действует до запуска двигателя.

      2. Таким образом, предотвращается включение стартера на недостаточное время, а также прокручивание коленчатого вала после запуска двигателя.


        • *1: для моделей с системой кондиционирования

        • *2: для моделей с системой посадки и запуска

  4. КОНСТРУКЦИЯ


    1. Датчик состава топливовоздушной смеси и кислородный датчик


      1. В системе управления двигателем используются планарные датчики состава топливовоздушной смеси и чашечные кислородные датчики. В целом конструкции кислородного датчика и датчика состава топливовоздушной смеси аналогичны. Тем не менее, эти датчики имеют разные типы: чашечный и планарный. Это обусловлено различием конструкций используемых в них подогревателей.

      2. В датчиках планарного типа чувствительный элемент соединяется с подогревателем через окись алюминия – материал, характеризующийся превосходной теплопроводностью и электрическими изоляционными свойствами. В результате улучшается характеристика нагрева датчика.

      3. В кислородном датчике чашечного типа чувствительный элемент охватывает подогреватель.

        A01ILKIE01
      4. Как показано ниже, обычный кислородный датчик характеризуется резким изменением выходного напряжения в окрестности стехиометрического соотношения воздух-топливо (14,7:1). В отличие от этого сигнал датчика состава топливовоздушной смеси примерно пропорционален существующему соотношению воздух-топливо. Датчик состава топливовоздушной смеси преобразует концентрацию кислорода в ток, который передается в ECM. Как следствие, повышается точность определения соотношения воздух-топливо. Показания датчика состава топливовоздушной смеси можно считать с помощью портативного диагностического прибора II.

        A01ILSQE03
    2. Датчик массового расхода воздуха на впуске в сборе


      1. Датчик массового расхода воздуха на впуске является вставным и обеспечивает прохождение части впускаемого воздуха через зону измерения. Благодаря тому, что масса и расход входящего воздуха измеряются непосредственно, повышается точность измерений и снижается сопротивление воздушному потоку.

      2. В датчик массового расхода воздуха на впуске встроен датчик температуры воздуха на впуске.

        A01ILY7E01
    3. Датчик положения коленчатого вала и датчик положения коленчатого вала № 1 (датчик положения распредвала)


      1. В системе управления двигателем применяется индуктивный датчик положения коленчатого вала. Зубчатый диск датчика положения коленчатого вала № 1 имеет 34 зубца, причем 2 зубца отсутствуют. Датчик положения коленчатого вала через каждые 10° выдает сигналы вращения коленчатого вала, а отсутствующие зубцы используются для определения верхней мертвой точки.

      2. Датчик положения коленчатого вала № 1 (датчик положения распредвала) имеет магнитный резистивный элемент (MRE). Положение каждого распредвала впускных и выпускных клапанов определяется по вращению задающего ротора распредвала, которое используется для генерации 3 импульсов (3 состояния высокого уровня и 3 состояния низкого уровня) на каждые 2 оборота коленчатого вала.

        A01ILRIE01
        Обозначения на рисунке
        *1 Датчик положения коленчатого вала *2 Зубчатый диск датчика положения коленчатого вала № 1
        *3 Датчик положения коленчатого вала № 1 (датчик положения распредвала впускных клапанов) *4 Датчик положения коленчатого вала № 1 (датчик положения распредвала выпускных клапанов)
        *5 Задающий ротор (распредвала) - -
        A01IM6SE01
      3. Датчик положения коленчатого вала № 1 типа MRE (датчик положения распредвала) состоит из магнитного резистивного элемента, магнита и чувствительного элемента. В силу особенностей профиля (выступающих и невыступающих частей) задающего ротора, проходящего рядом с чувствительным элементом, вращение ротора приводит к изменению направления вектора напряженности магнитного поля. В результате изменяется сопротивление магнитного резистивного элемента, и происходит переключение уровня выходного напряжения, подаваемого на ECM. На основе этого напряжения ECM определяет положение распредвала.

      4. Датчик положения коленчатого вала № 1 типа MRE (датчик положения распредвала) имеет следующие отличия от индуктивных датчиков положения распредвала, применяемых в обычных моделях:

        Параметр / Устройство Тип датчика
        MRE Индуктивный
        Выходной сигнал Цифровой выходной сигнал датчика выдается начиная с малых частот вращения коленчатого вала двигателя. Аналоговый выходной сигнал изменяется в зависимости от частоты вращения коленчатого вала двигателя.
        Определение положения распредвала Определение положения осуществляется в результате сопоставления временных характеристик сигналов NE с моментами переключения уровня выходного сигнала датчика, обусловленного наличием выступающих частей на задающем роторе, либо исходя из числа сигналов NE, поступивших во время выдачи высокого/низкого уровня. Определение положения осуществляется путем сравнения сигналов NE с сигналами, выдаваемыми в моменты прохождения выступающих частей задающего ротора.
        A01IM8CE01
        A01ILZGE01
    4. Датчик положения дроссельной заслонки


      1. Используется бесконтактный датчик положения дроссельной заслонки. Этот датчик представляет собой элемент Холла, смонтированный на корпусе дроссельной заслонки.

      2. Датчик Холла располагается внутри ярма магнита. Он преобразует изменения магнитного потока в электрические сигналы, отражающие положение дроссельной заслонки, и передает их в ECM.

      3. Датчик Холла имеет цепи основного и вспомогательного сигналов. Датчик преобразует углы поворота дроссельной заслонки в 2 различающихся по характеристикам электрических сигнала и передает их в ECM.

        A01IM04E01
    5. Датчик положения педали акселератора


      1. В бесконтактном датчике положения педали акселератора используется элемент Холла.

      2. Ярмо магнита, расположенное в основании рычага педали акселератора, поворачивается вокруг датчика Холла согласно усилию, действующему на педаль акселератора. Датчик Холла преобразует возникающие при этом изменения магнитного потока в электрические сигналы, отражающие положение педали акселератора, и передает их в ECM.

      3. Датчик положения педали акселератора содержит 2 элемента Холла, включенных в цепи основного и вспомогательного сигналов. Датчик преобразует угол поворота педали акселератора в 2 различающихся по характеристикам электрических сигнала и передает их в ECM.

      4. Если на автомобиле с ограничителем скорости усилие, прикладываемое к педали акселератора, превышает заданную величину, ECM, используя сигнал VPA, выдаваемый датчиком положения педали акселератора, регистрирует состояние "принудительного перехода на пониженную передачу".

        A01ILUSE03
        A01IM91E01
    6. Датчик детонации (плоский)


      1. В обычных датчиках детонации (резонансного типа) внутрь датчика встроена вибропластина. Резонансная частота ее колебаний совпадает с частотой детонации* блока двигателя. Датчики этого типа способны регистрировать вибрации только вблизи частоты резонанса.

        Tech Tips

        *: Термины "стук" и "детонация" используются для описания преждевременного зажигания или вспышки топливовоздушной смеси в камере сгорания. Преждевременное зажигание (вспышка) означает, что топливовоздушная смесь воспламеняется раньше, чем требуется. Таким образом, под "стуком" и "детонацией" в большинстве случаев не подразумевается громкий механический шум, создаваемый двигателем.

      2. Конструкция плоского датчика детонации (нерезонансного типа) позволяет определять вибрацию в широком диапазоне частот (6-15 кГц). Эти датчики обладают следующими особенностями:

      3. Частота детонации двигателя слегка меняется в зависимости от частоты вращения коленчатого вала. Плоский датчик детонации способен регистрировать вибрацию даже при изменении частоты детонации. Таким образом, он является более чувствительным к вибрациям по сравнению с датчиками детонации обычной конструкции, что позволяет точнее регулировать угол опережения зажигания.

        A01ILHVE05
      4. Плоский датчик детонации крепится к двигателю с помощью шпильки, вворачиваемой в блок цилиндров. Для этого в центре датчика есть отверстие под шпильку.

      5. В верхней части датчика размещается стальной груз. Между грузом и пьезоэлементом установлен изолятор.

      6. Кроме того, в датчике имеется резистор регистрации обрыва/короткого замыкания. Когда зажигание включено, резистор регистрации обрыва/короткого замыкания в датчике детонации и резистор в ECM поддерживают постоянное напряжение на контакте KNK1 двигателя. Интегральная микросхема (ИС) в ECM непрерывно контролирует напряжение на контакте KNK1 двигателя. Если между датчиком детонации и ECM возникает обрыв или короткое замыкание, напряжение на контакте KNK1 изменяется, и ECM регистрирует обрыв / короткое замыкание, сохраняя в памяти DTC (диагностический код неисправности).

        A01ILQ1E02
      7. Вибрации, вызванные детонацией, передаются на стальной груз. Груз, в свою очередь, посредством силы инерции надавливает на пьезоэлемент. В результате создается электродвижущая сила (ЭДС).

        A01ILOVE03
        Обозначения на рисунке
        *1 Стальной груз *2 Сила инерции
        *3 Пьезоэлемент - -
      8. При монтаже данного датчика необходимо соблюдать ориентацию и углы установки, показанные на рисунке. Чтобы предотвратить накопление воды в разъеме, плоский датчик детонации следует устанавливать, как показано на рисунке.

        A01ILO9E01
    7. Датчик разрежения E.F.I. в сборе


      1. Датчик разрежения E.F.I. содержит полупроводник, действие которого основано на свойстве кремниевого кристалла изменять свое электрическое сопротивление при подаче давления. Датчик преобразует давление во впускном коллекторе в электрический сигнал, усиливает этот сигнал и передает в ECM.

        A01IM4YE01
    8. Контроллер бесступенчатого подъема клапанов в сборе


      1. К основным узлам контроллера бесступенчатого подъема клапанов относятся EDU, бесщеточный электродвигатель и дифференциальный роликовый преобразователь.

      2. Внутренние шестерни контроллера бесступенчатого подъема клапанов смазываются моторным маслом.

      3. Компактность плоского бесщеточного электродвигателя обеспечивает неодимовый магнит. Плоский бесщеточный электродвигатель представляет собой электродвигатель постоянного тока, в котором отсутствуют щетки и коллектор. Многополюсный магнит выполняет функции ротора, который переключает полярность напряжения на окружающей обмотке возбуждения статора синхронно с вращением ротора. Получающееся в результате переменное поле и магнитный поток магнита ротора вызывают притяжение и отталкивание, создающие крутящий момент.

        Tech Tips

        Неодимовый магнит представляет собой магнит из редкоземельных металлов, который состоит в основном из неодима, железа и бора. Он имеет высокую плотность магнитного потока, обеспечивающую чрезвычайно сильные магнитные свойства.

      4. Блок EDU приводит в действие электродвигатель в соответствии с сигналами от ECM. Дифференциальный роликовый преобразователь преобразует вращение вала электродвигателя в линейное перемещение. Это линейное перемещение используется в механизме VALVEMATIC.

        A01ILPWE01
      5. Электродвигатель вращает гайку на дифференциальном роликовом преобразователе. Движение гайки передается на шестерню и винт планетарного редуктора, в результате чего вал солнечной шестерни перемещается линейно.

        A01ILXEE01
    9. Гидравлический клапан изменения фаз в сборе


      1. Гидравлический клапан изменения фаз управляет золотниковым клапаном в соответствии с командами включения, поступающими от ECM. В результате на контроллер VVT-i со стороны опережения или запаздывания действует гидравлическое давление. Когда двигатель остановлен, гидравлический клапан изменения фаз находится в положении наибольшего запаздывания.

        A01IM5LE01
        A01ILRJE01
    10. Электродвигатель привода дроссельной заслонки


      1. Электродвигатель постоянного тока (DC) для привода дроссельной заслонки обладает превосходной характеристикой и потребляет минимальную мощность. ECM изменяет продолжительность включения для каждого направления и величину тока, подаваемого в электродвигатель привода дроссельной заслонки, тем самым регулируя угол поворота дроссельной заслонки.

        A01ILVJE01
        Обозначения на рисунке
        *1 Корпус дроссельной заслонки в сборе *2 Дроссельная заслонка
        *3 Электродвигатель привода дроссельной заслонки - -
    11. Катушка зажигания в сборе


      1. В системе зажигания с индивидуальными катушками (DIS) имеются 4 катушки зажигания — по одной для каждого из цилиндров. Наконечники свечей зажигания, обеспечивающие контакт со свечами зажигания, объединены с катушками зажигания. Кроме того, для упрощения конструкции системы в катушки зажигания встроены усилители зажигания.

        A01IM0XE01
    12. Свеча зажигания


      1. Используются удлиненные свечи зажигания с тонкими электродами и иридиевым покрытием на концах. Свечи зажигания этого типа дают возможность увеличить толщину зоны головки блока цилиндров, куда входят свечи зажигания. Таким образом, может быть расширена водяная рубашка вблизи камеры сгорания, от которой зависит эффективность охлаждения.

      2. Благодаря иридиевому покрытию на концах свечей зажигания обеспечивается улучшение характеристики зажигания при сохранении такой же износостойкости, какой характеризуются свечи зажигания с платиновым покрытием на концах.

        A01ILGPE01

        Tech Tips

        Поскольку применяемые свечи зажигания отличаются от обычных свечей зажигания, необходимо использовать свечной ключ надлежащего размера.

  5. ПРИНЦИП РАБОТЫ


    1. ETCS-i


      1. ECM определяет требуемый угол поворота дроссельной заслонки и управляет электродвигателем привода дроссельной заслонки в соответствии с рабочими условиями.

      2. ECM устанавливает оптимальный угол поворота дроссельной заслонки в соответствии с режимом движения (то есть в зависимости от усилия на педали акселератора и частоты вращения коленчатого вала двигателя), обеспечивая высококачественное управление дроссельной заслонкой и комфорт во всех режимах работы двигателя.

        A01ILUAE01
      3. ECM управляет дроссельной заслонкой с тем, чтобы постоянно поддерживалась оптимальная частота вращения холостого хода.

      4. На моделях с VSC заслонка, являющаяся частью системы TRC, закрывается при поступлении команды от ЭБУ системы противоскольжения при значительной пробуксовке ведущего колеса, таким образом помогая автомобилю сохранить устойчивость и тяговое усилие.

      5. На моделях с VSC для максимально эффективной работы системы VSC угол поворота дроссельной заслонки регулируется совместно с ЭБУ системы противоскольжения.

      6. На моделях с системой круиз-контроля ECM, интегрированный с ЭБУ круиз-контроля, непосредственно регулирует положение дроссельной заслонки, поддерживая заданную скорость движения.

      7. ECM управляет дроссельной заслонкой в соответствии с режимом работы VALVEMATIC.

    2. VALVEMATIC


      1. Контроллер бесступенчатого подъема клапанов приводит в действие механизм VALVEMATIC в соответствии с сигналами от ECM, регулируя высоту подъема и рабочий угол впускных клапанов.

      2. VALVEMATIC осуществляет согласованное управление с двойной системой VVT-i и ETCS-i.

        A01IM3UE01
      3. В базовом режиме ECM определяет требуемый объем воздуха на впуске в соответствии с углом поворота педали акселератора, частотой вращения коленчатого вала двигателя и сигналами различных датчиков. EDU, встроенный в контроллер бесступенчатого подъема клапанов, определяет требуемые высоту подъема и рабочий угол впускных клапанов в соответствии с сигналами от ECM.

        A01ILOKE01
      4. В целях оптимизации моментов открывания и закрывания клапанов VALVEMATIC осуществляет согласованное управление с двойной системой VVT-i. Таким образом, эта система регулирует высоту подъема и рабочий угол клапанов в соответствии с условиями движения. Так как VALVEMATIC имеет характеристики опережения, в соответствии с которыми высота подъема и рабочий угол клапанов изменяются, то эта система осуществляет управление, обеспечивающее поддержание требуемой высоты подъема клапанов. Характеристики опережения данной системы VVT-i отличаются от обычной двойной системы управления VVT-i.

        A01IM3CE01
        A01ILZBE01
        A01ILWTE01
      5. В следующей таблице рассмотрено согласованное управление VALVEMATIC с ETCS-i в базовом режиме.

        Функция управления Принцип работы
        Управление запуском VALVEMATIC регулирует рабочий угол впускных клапанов, а ETCS-i приводит в действие дроссельную заслонку, регулируя объем воздуха на впуске.
        Начальная регулировка частоты вращения на холостом ходу
        Управление до прогрева
        Управление после прогрева
        • VALVEMATIC регулирует высоту подъема и фазы газораспределения впускных клапанов, ETCS-i открывает дроссельную заслонку шире, чем в обычном режиме, и уменьшает разрежение во впускном коллекторе, чтобы минимизировать насосные потери.

        • На холостом ходу, когда объем воздуха на впуске мал, ETCS-i регулирует его, как и ранее.

        Управление остановкой двигателя
    3. Двойная электронная система изменения фаз газораспределения (двойная система VVT-i)


      1. На основе частоты вращения коленчатого вала, массы воздуха на впуске, положения дроссельной заслонки и температуры охлаждающей жидкости ECM может вычислить оптимальные фазы газораспределения для любого режима движения и использовать эти данные для управления гидравлическим клапаном изменения фаз. Кроме того, ECM определяет фактические фазы газораспределения, используя сигналы датчика положения коленчатого вала и датчика положения коленчатого вала № 1 (датчика положения распредвала) как сигналы обратной связи, что позволяет точно устанавливать требуемые фазы газораспределения.

        A01IM4NE01
      2. Когда гидравлический клапан изменения фаз посредством сигналов опережения, поступающих от ECM, устанавливается, как показано на рисунке ниже, результирующее давление масла подается в полость направляющего элемента со стороны опережения, вызывая вращение распредвала в направлении опережения.

        A01ILUWE01
      3. Когда гидравлический клапан изменения фаз посредством сигналов запаздывания, поступающих от ECM, устанавливается, как показано на рисунке ниже, результирующее давление масла подается в полость направляющего элемента со стороны запаздывания, вызывая вращение распредвала в направлении запаздывания.

        A01IM09E01
      4. После достижения требуемого состояния фазы газораспределения сохраняются за счет удержания гидравлического клапана изменения фаз в нейтральном положении до изменения условий движения. В результате обеспечивается необходимая регулировка фаз газораспределения, и предотвращается вытекание моторного масла, когда это не требуется.

    4. Система впуска с переменной геометрией (ACIS)


      1. При увеличении периода импульсного сигнала ECM приводит в действие электровакуумный клапан (VSV для ACIS) с тем, чтобы в мембранной камере привода действовало отрицательное давление. В результате клапан управления забором воздуха закрывается. В результате рабочая длина впускного коллектора увеличивается, и благодаря динамическому действию воздуха на впуске возрастает КПД воздухозабора на низких и средних частотах вращения, вследствие чего повышается выходная мощность.

        A01ILXNE01
      2. ECM отключает электровакуумный клапан (VSV для ACIS) в соответствии с уменьшением периода импульсных сигналов с тем, чтобы в мембранную камеру привода поступил атмосферный воздух, и клапан управления впуском воздуха открылся. Когда клапан управления впуском воздуха открывается, рабочая длина камеры воздухозаборника сокращается, и КПД воздухозабора становится максимальным в диапазоне от низких до высоких частот вращения коленчатого вала двигателя, что обусловливает повышение мощности на низких, средних и высоких частотах.

        A01IM7HE01
    5. Система управления топливным насосом


      1. Когда ECM регистрирует сигнал развертывания подушки безопасности, переданный центральным блоком управления системы SRS, он выключает размыкающее реле. Чтобы получить возможность снова запустить двигатель и возобновить подачу топлива после приведения в действие системы управления отсечкой топлива, необходимо перевести замок зажигания (выключатель зажигания*) из положения OFF (ВЫКЛ) в положение ON (ВКЛ).


        • *: для моделей с системой посадки и запуска

        A01ILJ9E01
    6. Управление вентилятором системы охлаждения


      1. ECM рассчитывает частоту вращения вентилятора системы охлаждения в зависимости от температуры охлаждающей жидкости, скорости автомобиля, частоты вращения коленчатого вала двигателя и режима работы системы кондиционирования* и передает соответствующие сигналы в ЭБУ вентилятора системы охлаждения. На основе сигналов от ECM ЭБУ вентилятора системы охлаждения управляет электродвигателем вентилятора системы охлаждения.


        • *: для моделей с системой кондиционирования

        A01IM0YE01
      2. Как показано на рисунке ниже, ECM определяет необходимую скорость вентилятора, выбирая максимальную скорость из:

      3. Скорости вентилятора, обусловленной температурой охлаждающей жидкости (график A), скорости вентилятора, обусловленной давлением хладагента в системе кондиционирования (график B), скорости вентилятора, обусловленной частотой вращения коленчатого вала двигателя (график C), и скорости вентилятора, обусловленной скоростью автомобиля (график D).

        A01ILKQE01
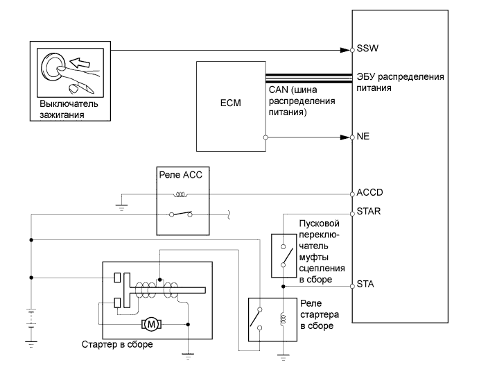
    7. Управление стартером (для моделей с системой посадки и запуска)


      1. Когда водитель однократно нажимает выключатель зажигания, и ЭБУ распределения питания обнаруживает сигнал запуска, ЭБУ распределения питания выдает сигналы ACCD и STAR и начинает прокручивать коленчатый вал. Также водитель может продолжать прокручивать коленчатый вал до 30 с, удерживая нажатым выключатель зажигания.

      2. Когда частота вращения коленчатого вала двигателя достигает примерно 500 об/мин, ECM регистрирует запуск двигателя и передает сигнал в ЭБУ распределения питания по шине CAN. Затем ЭБУ распределения питания останавливает стартер.

      3. В случае нарушения связи по шине CAN между ЭБУ распределения питания и ECM ЭБУ распределения получает сигнал частоты вращения коленчатого вала двигателя (NE) от ECM напрямую и выключает стартер.

      4. Во время прокручивания коленчатого вала двигателя данная система отключает ток питания вспомогательного оборудования. Это предотвращает прерывистое мигание подсветки вследствие колебаний напряжения при прокручивании коленчатого вала.

      5. В данной системе реализованы следующие меры защиты:


        • При нормальной работе двигателя стартер не включается.

        • Если выключатель зажигания удерживается в нажатом положении, прокручивание прекращается, как только частота вращения коленчатого вала достигает определенного уровня. Это позволяет избежать превышения максимально допустимой частоты вращения стартера.

        • Если двигатель не запускается примерно через 6 с после включения стартера, ЭБУ распределения питания выключает реле стартера. Кроме того, если двигатель не запускается после того, как выключатель зажигания удерживается нажатым в течение 30 с, прокручивание прекращается, чтобы защитить стартер.

        • В течение 2 с после неудачного запуска двигателя и прекращения прокручивания коленчатого вала включение стартера будет невозможно. Это помогает защитить стартер.

          A01ILRVE04
          A01ILWUE04