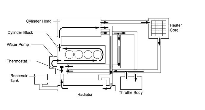
COOLING SYSTEM SYSTEM DIAGRAM

A01ILX9E01