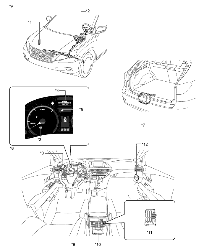
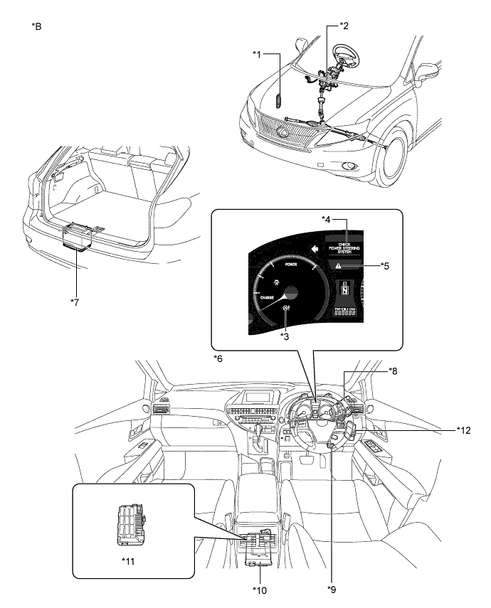
POWER STEERING SYSTEM PARTS LOCATION

A019WSAE03
A019WQKE01
Text in Illustration
*A LHD Models: *B RHD models:
*1 ECM *2

Steering Column Assembly

- Power Steering Torque Sensor

- Power Steering Motor

- Reduction Mechanism

*3 EPS Warning Light *4 Multi-information Display
*5 Master Warning Light *6 Combination Meter Assembly
*7 Auxiliary Battery *8 Power Steering ECU
*9 DLC3 *10 Power Steering Converter Assembly (DC-DC Converter)*1
*11 Power Steering Converter Assembly (DC-DC Converter)*2 *12 Skid Control ECU

*1: Models without active stabilizer suspension system

*2: Models with active stabilizer suspension system