FUEL SYSTEM GENERAL


  1. OUTLINE


    1. A compact 12-hole type fuel injector assembly is used to increase atomization of the fuel.

      A019W9GE01
    2. A quick connector is used to connect the fuel pipe with the fuel hose for excellent serviceability.

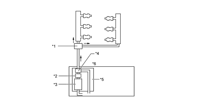
    3. A fuel returnless system is used to reduce evaporative emissions. This system is used to reduce evaporative emissions. As shown below, by integrating the fuel filter assembly, fuel pressure regulator assembly, and fuel pump, it is possible to discontinue the return of fuel from the engine area thus preventing temperature rise inside the fuel tank assembly. This reduces the generation of evaporative emissions in the fuel tank assembly.

      A019WH7E01
      Text in Illustration
      *1 Fuel Pressure Pulsation Damper Assembly *2 Fuel Filter Assembly
      *3 Fuel Pump *4 Fuel Pressure Regulator Assembly
      *5 Fuel Pump Module Assembly *6 Fuel Tank Assembly
    4. A fuel tank assembly made of 2.0 mm (0.08 in.) think sheet steel, to provide high pressure resistance is used.

    5. A fuel delivery pipe sub-assembly made of plastic is used.

    6. A compact fuel pump in which a fuel filter is integrated in the fuel pump assembly is used.

    7. A fuel cut control is used to stop the fuel pump if the SRS airbag is deployed in a frontal, side or rear side collision. For details, Click here.