HYBRID CONTROL SYSTEM GENERAL


  1. OUTLINE


    1. Hybrid vehicles uses a combination of 2 kinds of power sources, such as an engine and electric motor, so as to take advantage of the benefits provided by each power source while compensating for each other's shortcomings. As a result, efficient operation is achieved.

    2. Hybrid vehicles do not need their batteries to be charged externally unlike existing electric-only vehicles. Therefore, special infrastructure is not required to use hybrid vehicles.

    3. Technical development of power units (such as an engine or fuel cell) is advancing in various fields. The hybrid system is a flexible system that uses a high-efficiency power unit and electric motors.

    4. Hybrid vehicles have high-voltage electrical circuits. Hybrid vehicles have been developed with consideration given to the protection of drivers and technicians against electrocution.

    5. This hybrid vehicle uses LEXUS Hybrid Drive to drive the front wheels and adds the E-Four system to drive the rear wheels.*

      *: AWD models

  2. MAJOR DIFFERENCE


    1. The new models have been modified from the previous models as shown below:


      1. Due to the adoption of the EV drive mode switch, the operation to enter EV drive mode has been changed.

      2. SPORT mode control is provided. This control increases the drive force provided by the vehicle during mid-range acceleration, enhancing acceleration response.

      3. An additional operation method of the emergency shutdown function has been provided, which stops the hybrid system when holding the power switch for approximately 2 seconds or the power switch is pushed 3 times or more in a row.

      4. The inverter water pump assembly has been changed.

  3. SPECIFICATION

    Motor Generator MG1 MG2 MGR
    Type Permanent Magnet Motor Permanent Magnet Motor Permanent Magnet Motor
    Function Generate, Engine Starter Generate, Drive Front Wheels Generate, Drive Rear Wheels
    Maximum System Voltage DC 650 V DC 650 V DC 650 V
    Maximum Output - 123 kW (165 HP) 50 kW (67 HP)
    Maximum Torque - 335 N*m (247 ft.*lbf) 139 N*m (103 ft.*lbf)
    Cooling System Oil-cooled Oil-cooled Air-cooled
    Item Specifications
    HV Battery Assembly Type Sealed Nickel Metal Hydride Battery
    Cell Quantity 240 cells (8 cells x 10 modules x 3 groups)
    Module Type Nickel Plated Metal Case
    Nominal Voltage 288 V (1.2 V x 240 cells)
    Inverter Water Pump Discharge Volume 12 L/min or greater@65 °C (149 °F)
    Inverter Coolant Capacity 1.9 liters (2.0 US qts, 1.7 Imp. qts)
    Type TOYOTA Genuine Super Long Life Coolant (SLLC) or Equivalent
    Color Pink
    Maintenance Intervals First Time 240000 km (150000 miles)
    Subsequent 80000 km (50000 miles)
  4. MAIN FEATURES


    1. Hybrid vehicles have the following features.

      Features Outline
      Idle Stop (Reduction of Energy Loss) Idling of the engine is automatically stopped (idle stop) to reduce energy loss.
      Regenerative Braking (Energy Regeneration) During deceleration and while depressing the brake pedal, part of the energy that was lost as heat is collected as electrical energy to be reused, such as for motor power.
      Motor Assist A motor supplements the engine power when accelerating.
      EV Drive (Efficient Drive Control) This allows the vehicle to be driven using only the electric motor when engine efficiency is low. In addition, electricity is generated when engine efficiency is high. Control is performed to maximize the total efficiency of the vehicle.
    2. Generally, there are 3 types of hybrid systems: A series-type hybrid system, a parallel-type hybrid system and a series/parallel-type hybrid system.


      1. In a series-type hybrid system, the motor rotates the wheels, and the engine, using a generator, acts as an electric power source for the motor.

        A019WG1E01
        Text in Illustration
        *1 Engine *2 Generator
        *3 Inverter *4 HV Battery
        *5 Motor A019WFY Mechanical Power
        A019WFC AC Power A019WHP DC Power
      2. In a parallel-type hybrid system, both the engine and the motor directly rotate the wheels. In addition to supplementing the power of the gasoline engine, the electric motor can also serve as a generator to charge the high-voltage battery pack while the vehicle is in motion. Driving the vehicle only with the motor is also possible.

        A019WOME01
        Text in Illustration
        *1 Engine *2 Transmission
        *3 HV Battery *4 Inverter
        *5 Motor Generator A019WFY Mechanical Power
        A019WFC AC Power A019WHP DC Power
      3. In a series/parallel hybrid system, aspects of both a series hybrid system and a parallel hybrid system are combined. The system has 2 motor generators. Electricity can be generated by Motor Generator 1 (MG1) using engine power. The generated electricity is used to charge the HV battery and/or also to power Motor Generator 2 (MG2).

        A019WU9E01
        Text in Illustration
        *1 Engine *2 Power Split Planetary Gear
        *3 HV Battery *4 Inverter
        *5 Motor Generator 1 (MG1) *6 Motor Generator 2 (MG2)
        A019WFY Mechanical Power A019WFC AC Power
        A019WHP DC Power - -
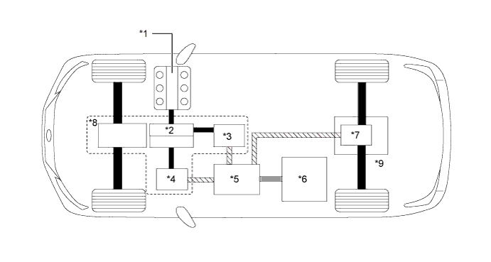
    3. LEXUS Hybrid Drive aims for a high-level simultaneous pursuit of ecology and power, which embodies the hybrid synergy drive concept.


      1. The LEXUS Hybrid Drive, as used in this hybrid vehicle, is an E-Four system that uses a series/parallel-type hybrid system for the hybrid transaxle, and a series type hybrid system for the rear drive unit.

        A019WM3E01
        Text in Illustration
        *1 Engine *2 Compound Gear Unit
        *3 Motor Generator 1 (MG1) *4 Motor Generator 2 (MG2)
        *5 Inverter *6 HV Battery
        *7 Motor Generator Rear (MGR) *8 Hybrid Transaxle
        *9 Rear Drive Unit A019WFY Mechanical Power
        A019WFC AC Power A019WHP DC Power
      2. This system optimally performs cooperative control of the high-output 2GR-FXE engine, and the high-speed, high-output Motor Generator 1 (MG1) and Motor Generator 2 (MG2) in the P313 hybrid transaxle (hybrid vehicle transaxle assembly). The system also controls Motor Generator Rear (MGR) through the Q211 rear drive unit (rear traction motor with transaxle assembly) that provides excellent transmission performance.

      3. Furthermore, it uses a variable-voltage system consisting of a high-output HV battery with a nominal voltage of DC 288 V, and a boost converter that boosts the operating voltage of the system to a maximum voltage of DC 650 V.

        A019WFWE01
        Text in Illustration
        *1 2GR-FXE Engine *2

        Inverter with Converter Assembly

        - Inverter

        - Boost Converter

        - DC-DC Converter

        - Motor Generator ECU (MG ECU)

        *3

        P313 Hybrid Transaxle (Hybrid Vehicle Transaxle Assembly)

        - Motor Generator 1 (MG1)

        - Motor Generator 2 (MG2)

        *4

        HV Battery Assembly (DC 288 V)

        - Battery Module Group

        - Battery Voltage Sensor

        - System Main Relays (SMRs)

        - Battery Cooling Blower Assemblies

        - Service Plug Grip

        *5

        Q211 Rear Drive Unit (Rear Traction Motor with Transaxle Assembly)

        - Motor Generator Rear (MGR)

        - -
    4. Hybrid vehicles have 2 batteries.


      1. One is the HV battery (DC 288 V) that stores power to drive the motors, and the other is the auxiliary battery (DC 12 V) that supplies the power to the electrical equipment and ECUs.

      2. Since hybrid vehicles are not equipped with an alternator, the high voltage from the HV battery is dropped to 14 V using the DC-DC converter in order to charge the auxiliary battery.

      3. The HV battery assembly uses sealed nickel metal hydride (Ni-MH) battery cells. This HV battery assembly has a high power density, is lightweight, and it offers longevity to match the characteristics of the LEXUS Hybrid Drive. Because charge/discharge control is performed to maintain the HV battery assembly within a constant State Of Charge (SOC) range while the vehicle is operating normally, it does not require external recharging.

        A019WHOE02
        Text in Illustration
        *1 HV Battery Assembly *2 Auxiliary Battery
    5. Hybrid vehicles have 2 hybrid related cooling systems, one for the HV battery assembly and one for cooling the inverter with converter assembly.


      1. To ensure the proper performance of the HV battery assembly while it generates heat during the repetitive charge and discharge cycles, a dedicated cooling system is used for the HV battery assembly.

      2. One cooling fan is provided for each of the 3 module groups of the HV battery assembly. Because each of the 3 battery cooling blower assemblies has been made compact, the overall operating sound has been reduced. Furthermore, because the battery cooling blower assemblies are mounted using rubber dampers, this construction also contributes to noise reduction.

      3. The cabin air that is drawn in from the intake air ducts underneath the rear seat flows across the battery modules from top to bottom, thus lowering the temperature of the battery modules. Then, it passes out from the back and through the space below the deck board, and flows inside the cabin or is discharged outside of the vehicle.

        A019WC1E01
        Text in Illustration
        *1 Battery Cooling Blower Assembly *2 Intake Air Duct
        *3 Rear Seat Cushion *4 HV Battery Module Group
        *5 Floor Carpet - -
        A019WSS Cooling Airflow - -
      4. A low noise sirocco type fan is used for the battery cooling blower assemblies.

      5. The power management control ECU (HV CPU) controls the operation of the battery cooling blower assemblies. The power management control ECU (HV CPU) receives signals from the battery voltage sensor about the battery temperature sensors which are built into the HV battery assembly. Then, the power management control ECU (HV CPU) controls the battery cooling blower assemblies in order to control the battery temperature to an appropriate level.

      6. A cooling system for the inverter with converter assembly is independent is provided separately from the engine cooling system.

      7. This cooling system activates when the power switch is turned on (READY).

        A019WDDE01
        Text in Illustration
        *1 Inverter Radiator *2 Inverter with Converter Assembly
        *3 Inverter Reservoir Tank *4 Inverter Water Pump (Water Pump with Motor Assembly)
        A019WSS Coolant Flow - -
    6. The E-Four system has the following features.

      Features Outline
      Ensures Traction Performance The E-Four system realizes a level of start-off stability and acceleration on snow-covered or other slippery road surfaces that is appropriate for AWD models.
      Ensures Fuel Efficiency
      • The E-Four system usually uses the front wheel drive only in order to ensure fuel economy. Using Motor Generator Rear (MGR), it distributes drive force to the rear wheels in accordance with driving conditions.

      • During deceleration, Motor Generator Rear (MGR) acts as a generator, using the kinetic energy of the wheels to generate electrical power and charge the HV battery. This contributes to effective use of energy that results in good fuel efficiency.

  5. PRECAUTION


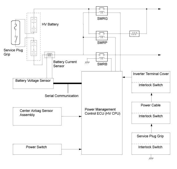
    1. High-voltage safety is comprised of 2 points: "Insulation of High-voltage Circuits" and "Cutoff of High-voltage Circuits". The hybrid system also detects whether or not a decrease in insulation resistance has occurred between the high-voltage system and body ground.

    2. Insulation of high-voltage circuits


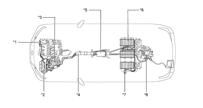
      1. High-voltage circuits are used between the HV battery assembly, power steering converter assembly (EPS DC-DC converter), inverter with converter assembly, P313 hybrid transaxle (hybrid vehicle transaxle assembly), and Q211 rear drive unit (rear traction motor with transaxle assembly) and cooler compressor with motor assembly. Each of these items is connected by the power cables and is electrically insulated using cases and covers.

      2. Cables are also shielded using a mesh conductor built into the electrical insulation of the wires. The shielding is grounded to the chassis of the vehicle and the main purpose is to prevent electromagnetic interference.

        A019WN5E01
        Text in Illustration
        *1 Cooler Compressor with Motor Assembly *2 Inverter with Converter Assembly
        *3 P313 Hybrid Transaxle (Hybrid Vehicle Transaxle Assembly) *4 Power Cable
        *5 Power Steering Converter Assembly (EPS DC-DC Converter) *6 Hybrid Battery Assembly
        *7 Service Plug Grip *8 Q211 Rear Drive Unit (Rear Traction Motor with Transaxle Assembly)
    3. Cut-off of high-voltage circuits


      1. When any of the conditions below occurs, the System Main Relays (SMRs) are automatically shut off by the power management control ECU (HV CPU).


        • Power source is off.

        • Any airbag is deployed.

        • The power cable from the HV battery is removed from the inverter.

        • Inverter terminal cover is removed (interlock circuit is opened).

        • Service plug grip handle is raised partway (interlock circuit is opened)*.

        • A specified malfunction occurs.

        *: The service plug grip should never be removed when the vehicle is in the READY state.

      2. The service plug grip is used to cut off the high-voltage circuit manually for when service is to be performed on the vehicle.

        A019WC0E01

        CAUTION:

        Regarding discharge of the capacitor in the inverter with converter assembly: A charge remains in the high-voltage capacitor in the inverter with converter assembly after the high voltage circuits are shut down. When servicing a hybrid vehicle, after the service plug grip is removed, wait at least 10 minutes to allow the capacitor in the inverter to discharge before beginning work.

    4. HV battery handling precautions


      1. HV battery electrolyte is a highly alkaline potassium hydroxide solution (odorless, transparent, colorless). Careless handling of the HV battery is very dangerous. Handle the HV battery properly according to the procedures below.

        Procedure Precaution
        When there is liquid leakage present in the area of the HV battery Neutralize it with a saturated mixture of boric acid and water.
        After litmus paper has been used to determine that the mixture is neutral, wipe it up with rags or waste cloth.
        When battery electrolyte gets on skin, eyes etc.* Flush it with a saturated solution of boric acid and water, or with a large amount of water.
        Remove contaminated clothes at once.
        When a vehicle is scrapped Remove the HV battery from the vehicle for collection via the specified route.
        When stored The HV battery should not be left in a damp or wet location.
        Prevention of HV battery discharge or damage when a vehicle is stored for a long time. Disconnect the auxiliary battery negative terminal.

        When in storage, the HV battery should be charged every 2 months. Using the following procedure, charge the HV battery with the vehicle.


        1. Connect the negative terminal of the auxiliary battery.

        2. Turn the power switch on (IG) for 3 minutes, do not apply any electrical loads. (This operation is needed to allow the power management control ECU (HV CPU) to detect the correct SOC.)

        3. Enter the READY-ON state. After the engine starts, leave it running for 30 minutes to charge the HV battery.

        If the engine does not start or intermittently stops within 30 minutes, stop the operation at that time. (The HV battery does not need to be charged.)

        *: If you get electrolyte in your eyes, shout loudly for help, do not rub your eyes. Rinse your eyes with a large amount of water and seek medical attention immediately.