МУЛЬТИПЛЕКСНАЯ СИСТЕМА ПЕРЕДАЧИ ДАННЫХ ОБЩИЕ СВЕДЕНИЯ


  1. ОПИСАНИЕ


    1. В мультиплексной системе передачи данных используются 4 протокола (CAN, LIN, AVC-LAN и MOST), позволяющие реализовать конфигурацию проводки, соответствующую современным требованиям.

      Протокол Описание
      Мультиплексная шина CAN

      В зависимости от скорости передачи данных существует 2 типа CAN. Высокоскоростная шина CAN (HS-CAN) используется для силовой передачи, шасси и электрооборудования кузова, а среднескоростная шина CAN (MS-CAN) – только для электрооборудования кузова.


      • HS-CAN включает в себя шины CAN № 1, CAN № 2, шину распределения питания. шину силовой передачи и шину датчиков. MS-CAN включает шину CAN MS.

      • Функции шлюзов при передаче данных между шинами выполняют ЭБУ распределения питания и главный ЭБУ кузова (бортовой ЭБУ сети мультиплексной связи).

      Локальная сеть передачи данных LIN LIN используется для организации локальных сетей, в которых каждая система электрооборудования имеет свою шину.
      Локальная мультиплексная сеть для передачи аудиовизуальных данных (AVC-LAN) AVC-LAN обеспечивает связь между компонентами аудиовизуальной системы.
      Шина, ориентированная на передачу медиа-данных (MOST) MOST обеспечивает связь между компонентами аудиовизуальной системы.
    2. Шина CAN используется в системах силовой передачи, шасси и электрооборудования.

    3. Прямая связь между сетями CAN, LIN, AVC-LAN и MOST отсутствует, так как эти мультиплексные шины не совместимы. CAN, LIN, AVC-LAN и MOST представляют собой отдельные сети. Так как эти сети разделены, некоторые ЭБУ выполняют функции шлюзов передачи данных, обеспечивая связь между сетями CAN и LIN.

    4. Реализованы следующие шины LIN, обеспечивающие связь соответствующих систем:


      • Шина сертификации

      • Шина системы кондиционирования

      • Шина системы освещения

      • Шина системы дверей

      • Шина стеклоочистителей

    5. Реализована система настройки электрооборудования кузова, позволяющая настраивать некоторые функции управления ЭБУ с помощью портативного диагностического прибора. Более подробную информацию см. в руководстве по ремонту.

      Tech Tips

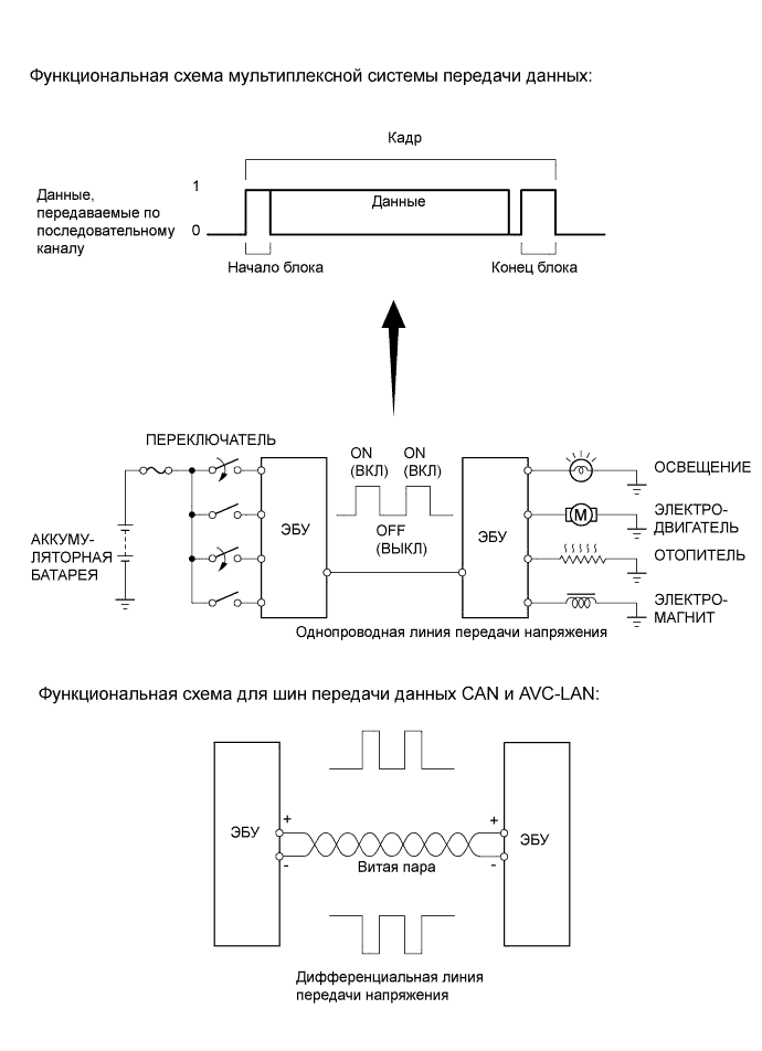
      Мультиплексная система обеспечивает последовательную передачу данных, представляемых битами и кадрами, между различными ЭБУ. Она позволяет уменьшить количество проводов в автомобиле. Бит представляет собой элементарную единицу передаваемых данных. Он может принимать одно из двух значений: "0" или "1". В системе CAN для представления двоичных "0" и "1" используются дифференциальная линия передачи напряжения. "Дифференциальная линия передачи напряжения" снижает влияние электрических помех.

      A019Q4KE03
    6. Различия между CAN, LIN, AVC-LAN и MOST


      1. Шины CAN, LIN, AVC-LAN и MOST различаются протоколами, определяющими правила передачи данных. Если ЭБУ в сетях используют различные методы передачи данных (например, различаются скорости передачи данных, проводка, сигналы), они не смогут взаимодействовать. Поэтому протоколы (правила) передачи данных должны быть согласованы.

      2. По сравнению с шинами LIN и AVC-LAN шина CAN обеспечивает более высокую скорость передачи данных. Поэтому CAN позволяет передавать большие объемы данных быстрее, чем другие протоколы. Это дает возможность организовать безошибочный обмен данными между системами управления силовой передачи и шасси. Для этих систем требуется передавать большие объемы данных за короткое время.

      3. MOST используется для передачи в реальном времени управляющей информации, аудиовизуальных сигналов и данных.

        Протокол CAN LIN AVC-LAN MOST
        HS-CAN MS-CAN
        Скорость передачи данных 500 кбит/с* 250 кбит/с* 9,6–20 кбит/с* Макс. 17,8 кбит/с* Макс. 50 Мбит/с*
        Кабель связи Витая пара Одиночный кабель AV Витая пара Экранированная витая пара
        Тип привода Дифференциальная линия передачи напряжения Однопроводная линия передачи напряжения Дифференциальная линия передачи напряжения
        Длина слова данных 1-8 байт (переменная) 2, 4, 8 байт (переменная) 0-32 байта (переменная) 0-128 байт (переменная)

        бит/с*: обозначение единицы измерения скорости передачи данных, показывающей, сколько битов может быть передано за одну секунду.

      4. Передача данных в сетях CAN и AVC-LAN осуществляется по витым парам. В сети LIN используются одиночные автомобильные виниловые кабели (AV).

        Кабель связи Описание

        Витая пара

        A019Q2D
        Этот кабель представляет собой скрученную пару проводов. Передача одного сигнала осуществляется путем подачи разных напряжений на 2 провода кабеля. Эта система, называемая "дифференциальной линией передачи напряжения", обеспечивает снижение уровня помех.

        Одиночный кабель AV

        A019PXZ
        Легкий одиночный кабель передачи данных, состоящий из одной жилы, окруженной изоляцией. В процессе передачи данных на эту жилу подается напряжение, а вся система называется "однопроводной линией передачи напряжения".

        Экранированная витая пара

        A019PUY
        Этот кабель представляет собой экранированную скрученную пару проводов. Передача одного сигнала осуществляется путем подачи разных напряжений на 2 провода кабеля. Эта система, называемая "дифференциальной линией передачи напряжения", обеспечивает снижение уровня помех.
  2. ОСНОВНЫЕ ОТЛИЧИЯ


    1. По сравнению с предыдущими новые модели имеют следующие особенности:


      1. Для обмена данными между ЭБУ помощи при движении в сборе и датчиком радара миллиметрового диапазона вместо прямого соединения теперь используется мультиплексная шина CAN.