ТОПЛИВНАЯ СИСТЕМА ДЕТАЛЬНОЕ ОПИСАНИЕ


  1. FUNCTION OF MAIN COMPONENTS


    1. The D-4S system has the following components and functions:

      Component Function
      Fuel Pump Assembly (for Low Pressure) Sends fuel (400 kPa) from the fuel tank assembly to the fuel pump assembly (for high pressure) and fuel injector assembly (for port injection).
      Fuel Pump Assembly (for High Pressure) Increases the pressure of the fuel from the fuel pump assembly (for low pressure) to a pressure of 2.75 MPa to 18 MPa and sends it to the fuel delivery pipe sub-assembly (for direct injection).
      Spill Control Valve Closes and opens the fuel flow path to the high-pressure fuel system in accordance with signals from the EDU (Injector Driver).
      Fuel Delivery Pipe Sub-assembly (for Port Injection) Delivers the low-pressure fuel to the fuel injector assembly (for port injection).
      Fuel Delivery Pipe Sub-assembly (for Direct Injection) Delivers the high-pressure fuel to the fuel injector assembly (for direct injection).
      Fuel Pressure Pulsation Damper Assembly Reduces fuel pressure fluctuation (pulsation) and noise.
      Fuel Pressure Sensor Senses the fuel pressure and outputs a signal to the ECM.
      Fuel Injector Assembly (for Port Injection) Injects a calculated (by the ECM) quantity of 400 kPa (low pressure) fuel into the intake port.
      Fuel Injector Assembly (for Direct Injection) Injects a calculated (by the ECM) quantity of 2.75 MPa to 18 MPa (high pressure) fuel directly into the combustion chamber.
      EDU (Injector Driver) Transforms signals sent from the ECM (fuel injection request and high-pressure fuel injection volume control) into high-pressure and high-voltage operation signals in order to operate the fuel injector assemblies (for direct injection) and spill control valve at high-speed.
      ECM Depending on the vehicle condition, and based on signals from various sensors, the ECM calculates the optimal injection timing and volume, and controls the fuel injector assembly (for direct injection) and fuel pump assembly (for high pressure).
  2. CONSTRUCTION


    1. Fuel Suction Tube with Pump and Gauge Assembly


      1. A compact fuel suction tube with pump and gauge assembly is used. Its basic components are a fuel pump assembly (for low pressure), a fuel filter assembly, a fuel pressure regulator assembly and a fuel sender gauge assembly.

      2. The fuel suction tube with pump and gauge assembly is located in the fuel tank assembly. The fuel pump pressurizes the fuel from the fuel tank assembly and sends the fuel to the high-pressure and low-pressure fuel systems.

        A01FPDSE01
        Text in Illustration
        *1 Fuel Suction Tube with Pump and Gauge Assembly *2 Jet Pump
        *3 Fuel Filter Assembly *4 Fuel Pressure Regulator Assembly
        *5 Fuel Pump Assembly (for Low Pressure) *6 Fuel Sender Gauge Assembly
    2. Fuel Pump Assembly (for High Pressure)


      1. The fuel pump assembly (for high pressure) is composed of an electromagnetic spill valve that adjusts the discharge amount of high pressurized fuel, a plunger that is driven by the intake camshaft to pressurize fuel, a check valve that mechanically opens and closes the path to the fuel delivery pipe sub-assembly (for direct injection) and a fuel relief valve that releases the fuel when a malfunction is detected in the high-pressure fuel system. In addition, to reduce fuel pulsations, a fuel pressure pulsation damper assembly is installed at the inlet for low pressure fuel flowing from the fuel tank assembly.

      2. A roller lifter (fuel pump lifter assembly) is provided to cope with higher output performance and higher pressurized fuel.

      3. The plunger is moved up and down by a lobe that is located at the rear end of the intake camshaft of the engine. This lobe causes 3 strokes of the pump piston to occur for each camshaft revolution (3 protrusions exist 120 degrees from each other on the same camshaft "lobe").

      4. The pressure of highly pressurized fuel is adjusted between 2.75 MPa to 18 MPa in accordance with the vehicle driving conditions, reducing friction loss.

      5. A spill control valve is used to control the pump discharge pressure. The spill control valve is located in the inlet passage of the fuel pump assembly (for high pressure). The valve is electrically opened and closed by the EDU, based on instructions from the ECM.

      6. A check valve is present in the outlet of the fuel pump assembly (for high pressure). As the pressure in the outlet of the pump rises and becomes high enough to push the check valve off its seat, fuel will begin to flow to the fuel delivery pipe sub-assembly (for direct injection) (minimum pressure to open the check valve is 60 kPa).

        A01FPTCE01
        Text in Illustration
        *1 Spill Control Valve *2 Roller Lifter (Fuel Pump Lifter Assembly)
        *3 Fuel Injector Assembly (for Direct Injection) *4 Fuel Delivery Pipe Sub-assembly (for Direct Injection)
        *5 Fuel Pressure Sensor *6 Fuel Tank Assembly
        *7 Fuel Pressure Regulator Assembly *8 Jet Pump
        *9 Fuel Pump Assembly (for Low Pressure) *10 Fuel Filter Assembly
        *11 Fuel Pump Assembly (for High Pressure) *12 Fuel Pressure Pulsation Damper Assembly
        *13 Plunger *14 Check Valve (60 kPa)
        *15 Fuel Relief Valve (23.6 MPa) *16 Intake Camshaft (Cam to Drive Fuel Pump Assembly (for High Pressure))
        *a Low-pressure Fuel (from Fuel Pump Assembly (for Low Pressure)) *b High-pressure Fuel (to Fuel Delivery Pipe Sub-assembly (for Direct Injection))
        *c to Fuel Delivery Pipe Sub-assembly (for Port Injection) *d High-pressure Fuel Pipe
    3. Fuel Delivery Pipe Sub-assembly (for Port Injection)


      1. A pressed steel fuel delivery pipe sub-assembly (for port injection) is used.

      2. This design eliminates the use of the pulsation damper provided on conventional models, making the fuel system more compact and lightweight. When the fuel pulsates, the shape of the inner pipe changes with the pulsation, thus changing the internal capacity of the delivery pipe. This change in capacity absorbs the fuel pulsations.

        A01FPNPE01
        Text in Illustration
        *1 Fuel Delivery Pipe Sub-assembly (for Port Injection) - -
    4. Fuel Delivery Pipe Sub-assembly (for Direct Injection)


      1. Cast-iron is used for the fuel delivery pipe sub-assembly (for direct injection).

      2. A fuel pressure sensor is installed on the fuel delivery pipe sub-assembly (for direct injection).

      3. A nozzle holder clamp is provided for each area where a fuel injector assembly is installed. This clamp applies a constant spring force to the fuel injector assembly to prevent it from moving when the combustion pressure is applied to the injector while the engine is being started, during which the fuel pressure is low. As a result, the clamp increases the sealing performance of the injector, while reducing vibration and noise.

      4. Metal-to-metal surface seal connections are used for the joint areas of the fuel pressure sensor and high-pressure fuel pipes.

        A01FPT9E01
        Text in Illustration
        *1 High-pressure Fuel Pipe *2 Fuel Delivery Pipe Sub-assembly (for Direct Injection)
        *3 Fuel Pressure Sensor *4 Nozzle Holder Clamp
        *5 Fuel Injector Assembly (for Direct Injection) - -
    5. Fuel Injector Assembly (for Port Injection)


      1. A high-atomization 12-hole long nozzle fuel injector assembly is used. Through the adoption of a long nozzle type injector, airflow in the intake port is optimized and the amount of fuel adhesion is reduced, contributing to higher fuel efficiency and reduced emissions.

      2. Moving parts and magnetic circuits have been optimized to realize an expanded dynamic range of the fuel injection volume and excellent high temperature characteristics, contributing to higher fuel efficiency and reduced emissions.

        A01FPN7E01
        Text in Illustration
        *1 Injection Nozzle - -
        *a Fuel Injector Assembly (for Port Injection) Cross Section *b Bottom Side View
    6. Fuel Injector Assembly (for Direct Injection)


      1. High-pressure, single slit-nozzle type fuel injector assemblies are used in conjunction with the adoption of the Direct injection 4-stroke gasoline engine Superior version (D-4S) system.

      2. Each injector, based on signals from the ECM, measures the flow of high-pressure fuel. The fuel is directly injected to the combustion chamber as a finely atomized mist in a fan-shaped pattern via a slit-type nozzle.

      3. An insulator is used where the injector comes in contact with the cylinder head, and a Teflon shaft seal is used to seal the injector against the combustion pressure in the cylinders. This is employed in order to reduce vibration and noise and to enhance sealing performance.

      4. An O-ring and a back-up ring are provided for the fuel injector assembly (for direct injection). This reduces the transmission of operating sounds of the fuel injector assembly (for direct injection), enhances quiet operation and ensures the sealing performance of the joint areas.

      5. The injectors are actuated by the EDU using high-voltage and a constant-current control based on instructions from the ECM. This control allows the injectors to inject high-pressure fuel in a short time frame.

        A01FP96E01
        Text in Illustration
        *1 O-ring *2 Backup Ring
        *3 Insulator *4 Teflon Shaft Seal
        *5 Injection Nozzle - -
        *a Fuel Injector Assembly (for Direct Injection) Cross Section *b Bottom Side View
    7. Fuel Tank Assembly


      1. A multi-layer plastic fuel tank is used. The multiplex layered plastic fuel tank consists of 6 layers of 4 types of materials, one of which is a recyclable material to address environmental concerns.

      2. A fuel drain mark has been provided at the lowest position of the fuel tank assembly. When dismantling (scrapping) the vehicle, drain fuel by drilling a hole at the drain mark.

        A01FPDHE01
        Text in Illustration
        *1 Fuel Tank Assembly *2 High Density Polyethylene (HDPE)
        *3 Regrind Material *4 Adhesive
        *5 Ethylene Vinyl Alcohol Copolymer (EVOH) *6 Fuel Drain Mark
        *a Fuel Tank Outside *b Fuel Tank Inside
        *c Bottom Side View - -
      3. The fuel tank uses a saddle shape to allow the propeller shaft to pass under the center portion of the tank. Also, a jet pump is used to transfer the fuel from the side of the tank without the fuel pump assembly to the side with the fuel pump assembly.

      4. A fuel tank with such a shape tends to cause fuel to be present in both chamber A and chamber B when the fuel level is low. This stops the fuel in chamber B from being pumped out. To prevent this from occurring, a jet pump has been provided to transfer the fuel from chamber B to chamber A.

      5. This is accomplished by utilizing the flow of the fuel through the jet pump, so that the pressure difference, which is created by the fuel as it passes through the venturi, is used to suck the fuel out of chamber B and send it to chamber A.

        A01FPW2E01
        Text in Illustration
        *1 Engine *2 Fuel Tank Assembly
        *3 Jet Pump *4 Fuel Pump Assembly
        *5 Fuel Filter Assembly *6 Fuel Pressure Regulator Assembly
        *a Chamber B *b Chamber A
        *c From Fuel Pump Assembly (Return) *d From Chamber B
        *e To Chamber A - -
  3. OPERATION


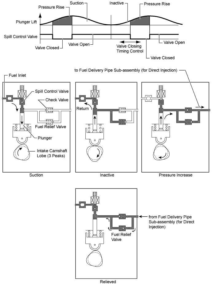
    1. Fuel Pump Assembly (for High Pressure)


      1. During the intake portion of the pump cycle, the spill control valve is opened, and the pump plunger (piston) is moved downward by the force of the spring. This allows fuel to be drawn into the cylinder of the pump. If the spill control valve has not been closed yet, when the cam forces the plunger to move upward, the fuel in the pump cylinder (this fuel is not pressurized) will be pushed back to the pump inlet (fuel tank side).

      2. In order to close the spill control valve as the piston is moving upward, the ECM sends a signal to the valve via the EDU. When the spill control valve is closed and the plunger is moving upward, the pressure in the pump cylinder will rise. As this pressure rises above 60 kPa (or the pressure of the delivery pipe, whichever is higher), the fuel will begin to flow to the fuel delivery pipe sub-assembly (for direct injection). The ECM calculates the target fuel pressure based on driving conditions. The ECM controls the pressure by operating the spill control valve via the EDU. The timing and duration of the spill control valve closing operation are varied to cause the pump pressure to meet the target pressure.

      3. If the fuel pressure in the high-pressure fuel pipes is abnormally high, the relief valve discharges some of fuel in order to limit the pressure.

        A01FP17E01