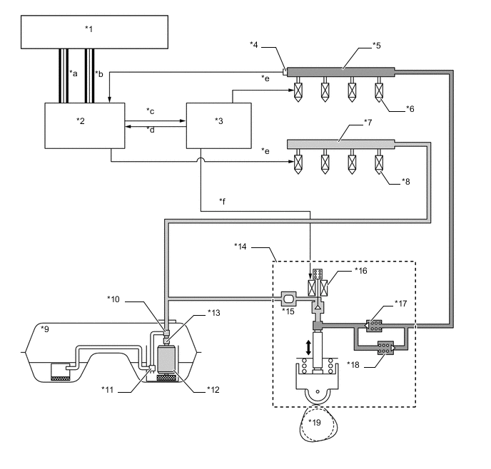
| *1 | Power Management Control ECU | *2 | ECM |
| *3 | EDU (Injector Driver) | *4 | Fuel Pressure Sensor |
| *5 | Fuel Delivery Pipe Sub-assembly (for Direct Injection) | *6 | Fuel Injector Assembly (for Direct Injection) |
| *7 | Fuel Delivery Pipe Sub-assembly (for Port Injection) | *8 | Fuel Injector Assembly (for Port Injection) |
| *9 | Fuel Tank Assembly | *10 | Fuel Pressure Regulator Assembly |
| *11 | Jet Pump | *12 | Fuel Pump Assembly (for Low Pressure) |
| *13 | Fuel Filter Assembly | *14 | Fuel Pump Assembly (for High Pressure) |
| *15 | Fuel Pressure Pulsation Damper Assembly | *16 | Spill Control Valve |
| *17 | Check Valve (60 kPa) | *18 | Fuel Relief Valve (23.6 MPa) |
| *19 | Intake Camshaft (Cam to Drive Fuel Pump Assembly (for High Pressure)) | - | - |
| *a | CAN (Sub Bus 15) | *b | CAN (Bus 2) |
| *c | Spill Control Valve Drive Indication Signal | *d | Spill Control Valve Operation Confirmation Signal |
| *e | Injector Drive Signal | *f | Spill Control Valve Drive Signal |