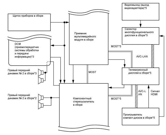
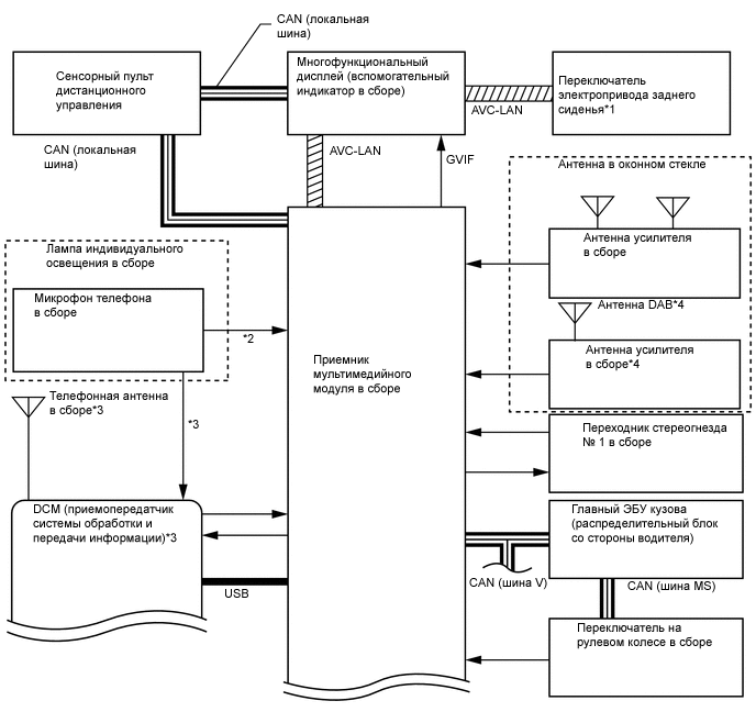
АУДИОВИЗУАЛЬНАЯ СИСТЕМА

A000M3LE03
A000MOWE02
A000MK9E03