МУЛЬТИПЛЕКСНАЯ СИСТЕМА ПЕРЕДАЧИ ДАННЫХ


  1. ОПИСАНИЕ


    1. В мультиплексной системе передачи данных используются следующие 4 протокола передачи данных:


      1. Протокол CAN (локальная сеть контроллеров) используется для передачи данных между двигателем, шасси и электрооборудованием автомобиля.

      2. Шина LIN (локальная сеть передачи данных) обеспечивает передачу данных в пределах системы электрооборудования автомобиля.

      3. Шина AVC-LAN обеспечивает обмен данными только между устройствами аудиовизуальной системы (AV).

      4. Шина MOST (специализированная шина для передачи аудиовизуальной информации) обеспечивает обмен данными внутри устройств аудиовизуальной системы (AV).

    2. Существуют 2 типа протоколов CAN, различающихся скоростью передачи данных: HS-CAN (высокоскоростной) и MS-CAN (среднескоростной).

    3. Так как для передачи данных в силовой передаче, шасси и электрооборудовании кузова применяется мультиплексная шина CAN, конфигурация проводки упрощена.

    4. Сети CAN и LIN не связаны друг с другом напрямую, поскольку соответствующие мультиплексные системы передачи данных несовместимы. CAN и LIN представляют собой отдельные сети.

    5. Реализована система настройки электрооборудования кузова, позволяющая настраивать некоторые функции управления ЭБУ с помощью Global TechStream (GTS). Более подробную информацию см. в Руководстве по ремонту.

  2. ОСНОВНЫЕ ОСОБЕННОСТИ


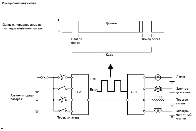
    1. Мультиплексная система передачи данных представляет собой последовательную систему передачи данных, представляемых битами и кадрами, между различными ЭБУ. Она позволяет уменьшить количество проводов в автомобиле.


      1. Бит представляет собой элементарную единицу передаваемых данных. Он может принимать одно из двух значений: "0" или "1".

      2. Кадр представляет собой блок данных, передаваемых совместно. Он содержит заголовок, указывающий начало блока данных, и код конца, указывающий конец блока.

        A0010LYE14
    2. Различия между CAN, LIN, AVC-LAN и MOST


      1. Шины CAN, LIN, AVC-LAN и MOST различаются протоколами, определяющими правила передачи данных. Если ЭБУ в сетях используют различные методы передачи данных (например, различаются скорости передачи данных, проводка, сигналы), они не смогут взаимодействовать. Поэтому протоколы (правила) передачи данных должны быть согласованы.

      2. По сравнению с шинами LIN и AVC-LAN шина CAN обеспечивает более высокую скорость передачи данных. Поэтому CAN позволяет передавать большие объемы данных быстрее, чем другие протоколы. Это дает возможность организовать безошибочный обмен данными между системами управления силовой передачи и шасси. Для этих систем требуется передавать большие объемы данных за короткое время.

      3. MOST используется для передачи в реальном времени управляющей информации, аудиовизуальных сигналов и данных.

        Протокол CAN LIN AVC-LAN MOST
        HS-CAN MS-CAN AVC-LAN AVC-LAN plus
        Скорость передачи данных 500 кбит/с* 250 кбит/с*

        9,6 кбит/с*

        (Макс. 20 кбит/с*)

        Макс. 17,8 кбит/с* Макс. 7,5 Мбит/с* Макс. 50 Мбит/с*
        Кабель связи Витая пара Одиночный кабель AV Витая пара Экранированная витая пара
        Тип привода Дифференциальная линия передачи напряжения Однопроводная линия передачи напряжения Дифференциальная линия передачи напряжения Дифференциальная линия передачи напряжения
        Длина слова данных 1 - 8 байт (переменная) 2, 4, 8 байт (переменная) 0 - 32 байт (переменная) 0 - 128 байт (переменная)

        Tech Tips

        *: бит/с – обозначение единицы измерения скорости передачи данных, показывающей, сколько битов может быть передано за одну секунду.

    3. Кабель связи


      1. Передача данных в сетях CAN и AVC-LAN осуществляется по витым парам. В сети LIN используются одиночные автомобильные виниловые кабели (AV). Для передачи данных в сети MOST используется экранированная витая пара.

        Кабель связи Описание
        Витая пара A0010XY Этот кабель представляет собой скрученную пару проводов. Передача одного сигнала осуществляется путем подачи разных напряжений на 2 провода кабеля. Эта система, называемая "дифференциальной линией передачи напряжения", обеспечивает снижение уровня помех.
        Одиночный кабель AV A00106Z Легкий одиночный кабель передачи данных, состоящий из одной жилы, окруженной изоляцией. В процессе передачи данных на эту жилу подается напряжение, а вся система называется "однопроводной линией передачи напряжения".
        Экранированная витая пара A0010K8 Этот кабель представляет собой экранированную скрученную пару проводов. Передача одного сигнала осуществляется путем подачи разных напряжений на 2 провода кабеля. Эта система, называемая "дифференциальной линией передачи напряжения", обеспечивает снижение уровня помех.
        A0010QME06
        *1 Одиночный кабель AV
        *2 Витая пара
        *3 Однопроводная линия передачи напряжения
        *4 Дифференциальная линия передачи напряжения