ДВИГАТЕЛЬ 3UR-FE


  1. Общие сведения


    1. В системе впуска используется циклонный фильтр предварительной очистки.

    2. Интеллектуальная электронная система управления дроссельной заслонкой (ETCS-i) обеспечивает высокое качество управления дроссельной заслонкой во всех режимах работы.

    3. Для улучшения рабочих характеристик двигателя во всех диапазонах частоты вращения используется система впуска с переменной геометрией (ACIS).

    4. Впускной коллектор, изготовленный из пластмассы

    5. Выпускные коллекторы и выпускные трубы изготавливаются из нержавеющей стали.

      A01W6L1C01
      *1 Впускной коллектор *2 Воздушный фильтр
      *3 Фильтр предварительной очистки *4 Корпус дроссельной заслонки
      *5 Правый выпускной коллектор *6 Левый выпускной коллектор
      *7 Левая приемная труба *8 Центральная выпускная труба
      *9 Задняя выпускная труба *10 Правая приемная труба
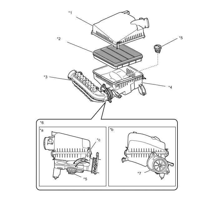
  2. Воздушный фильтр


    1. В воздушном фильтре использован нетканый синтетический фильтрующий элемент.

    2. В корпус воздушного фильтра установлен циклонный фильтр предварительной очистки. Этот фильтр имеет винтовую форму (спиралевидная перегородка) и собирает частицы пыли крупного размера в пылесборнике, завихряя впускаемый воздух. Пылесборник является съемным (снимается с внутренней стороны корпуса воздушного фильтра), поэтому собранную пыль можно удалить из фильтра.

    3. Для входного патрубка воздушного фильтра предусмотрен задний воздуховод, что улучшает защиту от пыли при неизменной мощности двигателя.

      A01W6K4C02
      *1 Крышка воздушного фильтра *2 Фильтрующий элемент воздушного фильтра
      *3 Впускной патрубок воздушного фильтра *4 Корпус воздушного фильтра
      *5 Пылесборник *6 Циклонный фильтр предварительной очистки
      *7 Спиралевидная перегородка - -
      *a Вид сзади *b Вид сбоку
      *c Закрученный воздушный поток - -
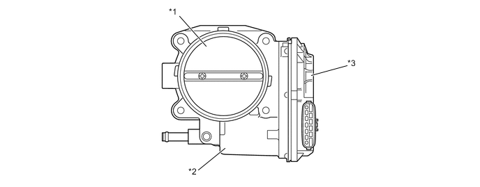
  3. Корпус дроссельной заслонки


    1. В корпусе дроссельной заслонки объединены датчик положения и электродвигатель привода дроссельной заслонки. Такая конструкция позволяет существенно повысить качество управления дроссельной заслонкой.

    2. Для управления дроссельной заслонкой используется электродвигатель постоянного тока с превосходной характеристикой и минимальной потребляемой мощностью. ECM изменяет продолжительность включения для каждого направления и величину тока, подаваемого в электродвигатель привода дроссельной заслонки, тем самым, регулируя угол поворота дроссельной заслонки.

      A01W5ULC01
      *1 Дроссельная заслонка *2 Электродвигатель привода дроссельной заслонки
      *3 Чувствительный элемент датчика положения дроссельной заслонки - -
  4. Впускной коллектор


    1. Для снижения массы используется впускной коллектор со встроенной пластмассовой камерой воздухозаборника.

    2. Благодаря оптимизации длины и диаметра канала удалось добиться высокого крутящего момента во всех режимах движения.

    3. Внутри впускного коллектора установлены клапаны системы ACIS (система впуска с переменной геометрией), а сам коллектор с помощью лазерной сварки соединен с приводом.

      A01W5TDC01
      *1 Канал левого ряда *2 Канал правого ряда
      *3 Привод ACIS *4 Лазерная сварка
      *5 Клапан управления забором воздуха - -
      *a Передняя сторона - -

      Tech Tips

      Лазерная сварка:

      При лазерной сварке материал (впускного коллектора), поглощающий лазерное излучение, соединяется с материалом (привода ACIS), передающим лазерное излучение. Затем со стороны, передающей лазерное излучение, начинают испускаться лазерные лучи. Эти лучи проходят сквозь материал, передающий излучение, нагревая и расплавляя поверхность поглощающего излучение материала. После этого нагретый поглощающий материал расплавляет передающий материал, и оба материала свариваются друг с другом.

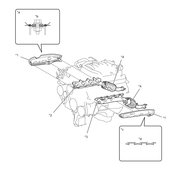
  5. Выпускной коллектор


    1. Для облегчения конструкции и улучшения коррозионной стойкости выпускной коллектор изготавливается из нержавеющей стали.

    2. В выпускном коллекторе каждого ряда имеется керамический трехкомпонентный каталитический нейтрализатор (TWC). В результате использования данных TWC снижается токсичность отработавших газов двигателя.

    3. Теплозащитный экран выпускного коллектора изготавливается из волнистого листового алюминия. Это гарантирует прочность и, одновременно, увеличивает площадь поверхности, что способствует улучшению теплопередачи. Более того, благодаря плавающей конструкции в зоне крепления уменьшается передача тепла и вибраций на теплозащитный экран и повышается надежность.

      A01W71BC01
      *1 Теплоизоляция *2 Правый выпускной коллектор
      *3 Левый выпускной коллектор *4 TWC
      *a Сечение места крепления теплозащитного экрана *b Плавающая конструкция
      *c Сечение теплозащитного экрана *d Волнистый лист
  6. Выпускная труба


    1. Общие сведения


      1. Для снижения массы и улучшения коррозионной стойкости выпускные трубы изготавливаются из нержавеющей стали.

      2. Основной глушитель снабжен двойной системой выпуска отработавших газов.

      3. В приемной трубе каждого ряда имеется керамический трехкомпонентный каталитический нейтрализатор (TWC). Как следствие, достигается снижение токсичности отработавших газов двигателя.

        A01W61BC01
        *1 Правая приемная труба *2 Левая приемная труба
        *3 TWC *4 Центральная выпускная труба
        *5 Основной глушитель *6 Задняя выпускная труба
        *7 Вспомогательный глушитель - -
    2. Двойная система выпуска отработавших газов


      1. Общие сведения


        • Двойная система выпуска отработавших газов, открывая и закрывая клапан управления, который размещен в основном глушителе, снижает противодавление, и, таким образом, изменяет давление отработавших газов.

        • Регулирующий клапан открывается плавно согласно режиму работы двигателя, что способствует снижению уровня шума на низких частотах вращения коленчатого вала двигателя и ослаблению противодавления на высоких частотах вращения коленчатого вала двигателя.

        • Когда давление отработавших газов преодолевает упругую силу клапана управления, клапан постепенно открывается согласно давлению отработавших газов.

      2. Принцип работы


        1. Клапан управления закрыт (низкая частота вращения коленчатого вала двигателя)


          • Так как давление в глушителе мало, клапан управления закрыт. Следовательно, отработавшие газы не поступают в перепускной канал, и шум выхлопа снижается глушителем.

            A01W64YC01
            *a Отработавшие газы *b Клапан управления закрыт
        2. Клапан управления открыт (средняя или высокая частота вращения коленчатого вала двигателя)


          • Чем выше частота вращения коленчатого вала двигателя и противодавление в глушителе, тем сильнее открывается клапан. Это дает возможность большому объему отработавших газов поступать в перепускной канал, вследствие чего значительно падает противодавление.

            A01W6W0C01
            *a Отработавшие газы *b Клапан управления открыт