NEW FEATURES


  1. DESCRIPTION


    1. General


      1. The entry and start system has the following main functions, making it a very user-friendly system.

        Function Outline
        Start Function

        The start function is operated by simply pushing the engine switch while carrying the electrical key transmitter sub-assembly. When the engine switch is pushed, the certification ECU (smart key ECU assembly) turns the ACC relay, IG1 relay and IG2 relay on or off to switch the power source.*1


        • The power source changes depending on the depression of the brake pedal*2 or the clutch pedal*3 and the shift position*2.

        Immobiliser The immobiliser system compares the ID code that is registered in the certification ECU (smart key ECU assembly) with the ID code of the transponder chip that is embedded in the electrical key transmitter sub-assembly.
        Steering Wheel Lock The steering wheel lock function is operated to lock and unlock the steering wheel by using a lock/unlock mechanism in the steering column assembly.
        Entry Function

        Entry Unlock:

        The doors unlock when the outside door handle is gripped.


        • The driver door outside door handle unlocks driver door.

        • The passenger door outside door handle unlocks all doors.

        • The rear door outside door handles unlock all doors.*4

        Entry Lock:

        All doors lock when the lock sensor on an outside door handle is touched or back door opener switch assembly (back door lock switch) is pressing.

        Entry Back Door Open The entry back door open function can be operated manually by simply pressing the back door opener switch assembly.
        Wireless Door Lock Control The wireless door lock control function is a convenient system for locking and unlocking all the doors and the back door at a distance. The basic operation is the same as that of the wireless door lock control system.

        *1: In this chapter, the expression "power source" has been used in some locations to allow precise explanations. The power source condition is also expressed using conventional expressions such as "engine switch off", "engine switch on (ACC)" and "engine switch on (IG)".

        *2: Models with automatic transmission

        *3: Models with manual transmission

        *4: Models with rear door entry function

  2. SYSTEM DIAGRAM

    Figure 1. Entry Function 1

    A01W5YPE01

    Figure 2. Entry Function 2

    A01W655E01

    Figure 3. Start System

    A01W6EIE01
  3. PARTS LOCATION

    A01W6DVC01
    *A Models with Automatic Transmission *B Models with Rear Door Entry Function
    *C Models with Tire Pressure Warning System *D Models without Tire Pressure Warning System
    *1 ECM *2 Park/Neutral Position Switch Assembly
    *3 Front Door Outside Handle Assembly LH *4 No. 1 Indoor Electrical Key Antenna Assembly (Front)
    *5 Rear Door Outside Handle Assembly LH *6 No. 2 Indoor Electrical Key Antenna Assembly (Center)
    *7 No. 3 Indoor Electrical Key Antenna Assembly (Rear) *8 Electrical Key Antenna
    *9 Back Door Opener Switch Assembly *10 Door Control Receiver (Electrical Key and TPMS Receiver Assembly)
    *11 Door Control Receiver *12 Rear Door Outside Handle Assembly RH
    *13 Front Door Outside Handle Assembly RH - -
    A01W5Z3C01
    *A Models with Wireless Door Lock Buzzer Answer Back Function *B Models with Power Back Door System
    *C Models without Power Back Door System - -
    *1 Front Door Lock Assembly RH *2 Wireless Door Lock Buzzer
    *3 Front Door Lock Assembly LH *4 Front Door Courtesy Light Switch Assembly LH
    *5 Rear Door Lock Assembly LH *6 Rear Door Courtesy Light Switch Assembly LH
    *7 Rear Door Courtesy Light Switch Assembly RH *8 Back Door Lock Assembly
    *9 Power Back Door ECU (Multiplex Network Door ECU) *10 Rear Door Lock Assembly RH
    *11 Front Door Courtesy Light Switch Assembly RH - -
    A01W6PGC01
    *A Models without Multi-media Module Receiver Assembly *B Models with Manual Transmission
    *C Models with Automatic Transmission *D Models with Multi-media Module Receiver Assembly
    *1 Certification ECU (Smart Key ECU Assembly) *2 ID Code Box (Immobiliser Code ECU)
    *3 Clock Assembly *4 Security Indicator Light
    *5 Engine Switch (Push Start Switch) *6 Combination Meter Assembly
    *7 Main Body ECU (Multiplex Network Body ECU) *8 Clutch Start Switch
    *9 Stop Light Switch Assembly *10 Steering Lock ECU (Steering Lock Actuator Assembly)
    *11 Transmission Floor Shift Assembly *12 Multi-media Module Receiver Assembly
    *13 Security Indicator Light - -
    *a Refer to the Service Bulletin for the installation position of the parts. - -
  4. ENTRY AND START CONTROL


    1. Function of Main Components


      1. The main components for the start function have the following functions:

        Component Function
        Engine Switch (Push Start Switch)
        • Transmits the engine switch signal to the certification ECU (smart key ECU assembly).

        • Receives the ID code and transmits it to the certification ECU (smart key ECU assembly) when the key battery is too weak to respond to the door control receiver based on the signals from the room antennas.

        Electrical Key Transmitter Sub-assembly Receives the signals from the antennas and returns the ID code to the door control receiver.
        No. 1 Indoor Electrical Key Antenna Assembly (Front), No. 2 Indoor Electrical Key Antenna Assembly (Center), No. 3 Indoor Electrical Key Antenna Assembly (Rear) Receives a request signal from the certification ECU (smart key ECU assembly) and forms the actuation area in the vehicle.
        Door Control Receiver Receives the ID code from the electrical key transmitter sub-assembly and transmits it to the certification ECU (smart key ECU assembly).
        Certification ECU (Smart Key ECU Assembly)
        • Certifies the ID code received from the door control receiver and transmits the certification results to the steering lock ECU (steering lock actuator assembly).

        • Transmits the steering wheel lock/unlock signals.

        • Transmits the immobiliser set/unset request signals.

        • Switches the power source ("engine switch") among 4 modes (off, on (ACC), on (IG), start) in accordance with the shift position and the brake pedal*1 or the clutch pedal*2 signal.

        • Controls the entry and start system in accordance with the signals received from the switches and each ECU.

        Stop Light Switch Assembly*1 Outputs the state of the brake pedal to the certification ECU (smart key ECU assembly).
        Clutch Start Switch*2 Outputs the state of the clutch pedal to the certification ECU (smart key ECU assembly).
        ID Code Box (Immobiliser Code ECU) Receives the steering unlock or immobiliser unset request signals from the certification ECU (smart key ECU assembly), certifies them, and transmits each unset signal to the steering lock ECU (steering lock actuator assembly) or ECM.
        Steering Lock ECU (Steering Lock Actuator Assembly) Receives the steering wheel unlock/lock request signal from the certification ECU (smart key ECU assembly), and activates the steering lock motor.
        Combination Meter Assembly*3 Multi Buzzer Sounds to inform the driver of malfunctions in the entry and start system.
        Multi-information Display Informs the driver of power source or system abnormalities by displaying a warning message.
        Combination Meter Assembly*4 Buzzer Sounds to inform the driver of malfunctions in the entry and start system.
        Key Warning Light Informs the driver of power source or system abnormalities by blinking a key warning light.

        *1: Models with automatic transmission

        *2: Models with manual transmission

        *3: Models with Optitron display type combination meter assembly

        *4: Models with analog display type combination meter assembly

      2. The main components for the entry function have the following functions:

        Component Function
        Electrical Key Transmitter Sub-assembly
        • Outputs information such as the key ID and vehicle ID when request signals that are output by the room and door antennas are received.

        • Outputs a request signal when the lock, unlock, panic, or power back door button*1 on the electrical key transmitter sub-assembly is pushed.

        • Outputs information such as the key ID and vehicle ID when the radio wave signal that is output by the transponder key amplifier in the engine switch is received.

        • Has an integrated mechanical key that can be used to unlock the doors when the key battery is weak.

        Main Body ECU (Multiplex Network Body ECU)
        • Receives the request signal from the certification ECU (smart key ECU assembly), and actuates the door lock motors to unlock or lock all the doors.

        • Transmits the condition of each door to the certification ECU (smart key ECU assembly).

        Certification ECU (Smart Key ECU Assembly)
        • Certifies the ID code received from the door control receiver and transmits the certification results to the steering lock ECU (steering lock actuator assembly).

        • Controls the antennas and lock/unlock sensor.

        • Transmits the door lock/unlock request signals during the entry function.

        Front and Rear Door*2 Outside Door Handle Assembly Door Electrical Key Antenna Receives a request signal from the certification ECU (smart key ECU assembly) and creates an actuation area around the front and rear*2 doors.
        Lock Sensor Transmits door lock request signals to the certification ECU (smart key ECU assembly).
        Unlock Sensor Detects when a person touches the inside of an outside door handle.
        Electrical Key Antenna (Outside Luggage Compartment) Receives a request signal from the certification ECU (smart key ECU assembly) and forms an actuation area around the back door.
        No. 1/No. 2/No. 3 Indoor Electrical Key Antenna Assembly Receives a request signal from the certification ECU (smart key ECU assembly) and forms an actuation area in the vehicle.
        Door Control Receiver Receives the ID code from the door control receiver and transmits it to the certification ECU (smart key ECU assembly).
        Combination Meter Assembly*3 Multi Buzzer Sounds to inform the driver of malfunctions in the entry and start system.
        Multi-information Display Informs the driver of power source or system abnormalities by displaying a warning message.
        Combination Meter Assembly*4 Buzzer Sounds to inform the driver of malfunctions in the entry and start system.
        Key Warning Light Informs the driver of power source or system abnormalities by blinking a key warning light.
        Wireless Door Lock Buzzer
        • Sounds as an answer back for entry lock/unlock and wireless lock/unlock to inform the driver.*5

        • Sounds to inform the driver of malfunctions in the entry and start system.

        *1: Models with power back door system

        *2: Models with rear door entry function

        *3: Models with Optitron display type combination meter assembly

        *4: Models with analog display type combination meter assembly

        *5: Models with wireless door lock buzzer answer back function

    2. Operation


      1. The special functions of the entry and start system start only work when the electrical key transmitter sub-assembly is in the actuation area formed by the antennas.

      2. The No. 1, No. 2 and No. 3 indoor electrical key antenna assemblies form the actuation area of the start function.

      3. The door electrical key antennas and the electrical key antenna form the actuation area of the entry function.

        A01W718C01
        *A Models with Rear Door Entry Function - -
        *1 No. 1 Indoor Electrical Key Antenna Assembly (Front) *2

        Front Door Outside Handle Assembly LH


        • Door Electrical Key Antenna

        *3

        Rear Door Outside Handle Assembly LH


        • Door Electrical Key Antenna

        *4 No. 3 Indoor Electrical Key Antenna Assembly (Rear)
        *5 Electrical Key Antenna *6

        Rear Door Outside Handle Assembly RH


        • Door Electrical Key Antenna

        *7

        Front Door Outside Handle Assembly RH


        • Door Electrical Key Antenna

        *8 No. 2 Indoor Electrical Key Antenna Assembly (Center)
        *a Approx. 0.7 m to 1.0 m (2.3 ft. to 3.3 ft.) *b Exterior Actuation Area
        *c Interior Actuation Area - -
        Actuation Area Detail
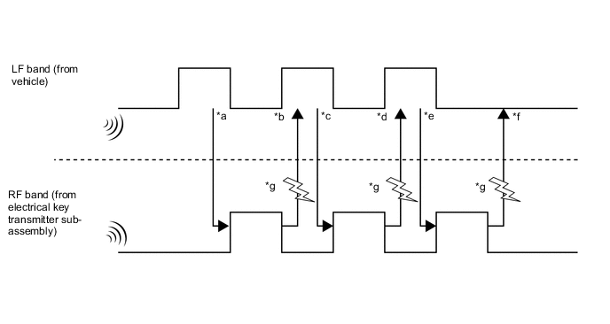
        Interior The interior actuation area of the indoor electrical key antennas (front, center, rear) is formed when the driver door is opened or closed, when the engine switch is pushed, when a warning is activated, or when a lock sensor is on.
        Exterior The exterior actuation area formed by the front and rear* door electrical key antennas (LH, RH) and electrical key antenna is approximately 0.7 to 1.0 m (2.3 to 3.3 ft.) from the outside door handle or the center of the rear bumper.
        Around Front Doors and Rear Doors* The exterior actuation area of the door electrical key antennas is formed by transmitting a request signal every 0.25 seconds while the engine switch is off and each door is locked. In this way, the presence of an electrical key transmitter sub-assembly is detected. When locking the door using the lock sensor on the outside door handle, the actuation area is formed when the lock sensor is touched.
        Around Back Door The exterior actuation area of the electrical key antenna is formed when the back door lock or back door unlock switch is on.

        *: Models with rear door entry function

    3. System Control


      1. Start Function


        • On models with automatic transmission, the start function has different power source change patterns to suit the brake pedal state and shift lever position.

          Pattern Brake Pedal Shift Lever Position Power Source Change Pattern
          A Depressed P or N

          When the engine switch is pushed once.


          • Off → on (IG) (after engine is started)

          B Not Depressed P

          Each time the engine switch is pushed.


          • Off → on (ACC) → on (IG) → off

          C Except P

          Each time the engine switch is pushed.


          • Off → on (ACC) → on (IG) → on (ACC)

          D - P

          When the engine switch is pushed in the on (IG) condition.


          • On (IG) (engine is started or not started) → off

          E - Except P

          When the engine switch is pushed in the on (IG) condition.


          • On (IG) (engine is started or not started) → on (ACC)

          Figure 4. Transition of Power Source Modes (Models with automatic transmission):

          A01W5WWE01
        • Transition of the power source mode when the electrical key transmitter sub-assembly battery is low or the electrical key transmitter sub-assembly is not operating normally due to an electromagnetic interference is as follows:


          • The driver uses the mechanical key to unlock the door and enters the vehicle while carrying the electrical key transmitter sub-assembly.

          • The driver touches the engine switch with the back side of the lock/unlock switch of the electrical key transmitter sub-assembly while depressing the brake pedal.

          • Within approximately 10 seconds after the buzzer sounds in the combination meter, the driver has to release the brake pedal and press the engine switch.

          • With each pressing of the engine switch, the power source mode changes as follows: off → on (ACC) → on (IG) → off.

        • When starting the engine while the electrical key transmitter sub-assembly battery is low or the electrical key transmitter sub-assembly is not operating normally due to an electromagnetic interference:


          • The driver uses the mechanical key to unlock the door and enters the vehicle while carrying the electrical key transmitter sub-assembly.

          • The driver touches the engine switch with the backside of the lock/unlock switch of the electrical key transmitter sub-assembly while the shift lever is in P or N and while depressing the brake pedal.

          • Within approximately 10 seconds after the buzzer sounds and the key warning light is shown in the multi-information display, the driver has to press the engine switch while depressing the brake pedal.

          • Pressing the engine switch starts the engine.

        CAUTION:

        If you want to stop the engine in an emergency while driving the vehicle, press and hold the engine switch for more than 2 seconds, or press it briefly 3 times or more in succession.

        If your vehicle has to be stopped in an emergency


        • Steadily step on the brake pedal with both feet and firmly depress it. (Do not pump the brake pedal repeatedly as this will increase the effort required to slow the vehicle.)

        • Shift the shift lever to N.

        If the shift lever is shifted to N


        • After slowing down, stop the vehicle in a safe place by the road.

        • Stop the engine.

        If the shift lever cannot be shifted to N


        • Keep depressing the brake pedal with both feet to reduce vehicle speed as much as possible.

        • To stop the engine, press and hold the engine switch for 2 consecutive seconds or more, or press it briefly 3 times or more in succession.

        • Stop the vehicle in a safe place by the road.

        Tech Tips


        • If no signals are transmitted to the certification ECU (smart key ECU assembly) due to malfunctions in the stop light switch assembly, the engine may not start when the engine switch is pushed with the brake pedal depressed. In such cases, performing the following procedure may enable the engine to start: 1) push the engine switch to turn the power source from off to on (ACC), and 2) push the engine switch again and hold it for 15 seconds or more.

        • The above 2 operations must be applied only in emergency situations. Under normal conditions, the engine must not be stopped by pushing the engine switch while driving. Also, it should not be started without depressing the brake pedal or when the shift lever is in any position other than P or N.


        • On models with manual transmission, the start function has different power source change patterns to suit the clutch pedal state.

          Clutch Pedal Power Source Change Pattern
          Depressed

          When the engine switch is pushed once.


          • Off → on (IG) (after engine is started)

          Not Depressed

          Each time the engine switch is pushed.


          • Off → on (ACC) → on (IG) → off

          Each time the engine switch is pushed.


          • Off → on (ACC) → on (IG) → on (ACC)

          -

          When the engine switch is pushed in the on (IG) condition.


          • On (IG) (engine is started or not started) → off

          -

          When the engine switch is pushed in the on (IG) condition.


          • On (IG) (engine is started or not started) → on (ACC)

          Figure 5. Transition of Power Source Modes (Models with manual transmission):

          A01W6VCE01
        • Transition of Power Source Modes (Models with manual transmission):


          • The driver uses the mechanical key to unlock the door and enters the vehicle while carrying the electrical key transmitter sub-assembly.

          • The driver touches the engine switch with the back side of the lock/unlock switch of the electrical key transmitter sub-assembly while depressing the clutch pedal.

          • Within approximately 10 seconds after the buzzer sounds in the combination meter, the driver has to release the clutch pedal and press the engine switch.

          • With each pressing of the engine switch, the power source mode changes as follows: off → on (ACC) → on (IG) → off.

        • When starting the engine while the electrical key transmitter sub-assembly battery is low or the electrical key transmitter sub-assembly is not operating normally due to an electromagnetic interference:


          • The driver uses the mechanical key to unlock the door and enters the vehicle while carrying the electrical key transmitter sub-assembly.

          • The driver touches the engine switch with back side of the lock/unlock switch of the electrical key transmitter sub-assembly while depressing the clutch pedal.

          • Within approximately 10 seconds after the buzzer sounds and the key warning light is shown in the multi-information display, the driver has to press the engine switch while depressing the clutch pedal.

          • Pressing the engine switch starts the engine.

        CAUTION:

        If you want to stop the engine in an emergency while driving the vehicle, press and hold the engine switch for more than 2 seconds, or press it briefly 3 times or more in succession.

        If your vehicle has to be stopped in an emergency


        • Steadily step on the brake pedal with both feet and firmly depress it. (Do not pump the brake pedal repeatedly as this will increase the effort required to slow the vehicle.)

        • Shift the shift lever to N.

        If the shift lever is shifted to N


        • After slowing down, stop the vehicle in a safe place by the road.

        • Stop the engine.

        If the shift lever cannot be shifted to N


        • Keep depressing the brake pedal with both feet to reduce vehicle speed as much as possible.

        • To stop the engine, press and hold the engine switch for 2 consecutive seconds or more, or press it briefly 3 times or more in succession.

        • Stop the vehicle in a safe place by the road.

        Tech Tips


        • If no signals are transmitted to the certification ECU (smart key ECU assembly) due to a malfunction in the clutch start switch assembly, the engine will not start even if the driver presses the engine switch while depressing the clutch pedal. In such cases, performing the following procedure may enable the engine to start: 1) push the engine switch to turn the power source from off to on (ACC), and 2) push the engine switch again and hold it for 15 seconds or more.

        • The above 2 operations must be applied only in emergency situations. Under normal conditions, the engine must not be stopped by pressing the engine switch while driving or started without depressing the clutch pedal.

      2. Entry Unlock


        • When the electrical key transmitter sub-assembly is in the actuation area formed by the door electrical key antenna, holding the outside door handle assembly of the driver seat and touching the built-in touch sensor unlocks the driver door only, and holding any of the passenger side or rear outside handle assemblies*1 and touching the built-in touch sensor unlocks all the doors. (Driver door mode)

        • When the electrical key transmitter sub-assembly is in the actuation area formed by the door electrical key antenna, holding any of the outside door handle assemblies and touching the built-in touch sensor unlocks all the doors. (All door mode)

        • When the doors are unlocked, the hazard warning lights flash twice and the buzzer sounds twice*2 as an answer back.

          *1: Models with rear door entry function

          *2: Models with wireless door lock buzzer answer back function

          Tech Tips

          If the doors are locked by wireless operation, the entry and start system or key linked power door lock operation, it may not be possible to unlock the doors using the entry and start system. In this situation, use the wireless function of the electrical key transmitter sub-assembly to unlock the doors.

          A01W6TB
      3. Entry Lock


        • When the electrical key transmitter sub-assembly is in any of the exterior actuation areas, all doors are locked by touching the lock sensor of the front or rear outside door handle assembly*1 or by pressing the back door lock switch of the back door.

        • After all doors have been locked, the wireless door lock buzzer sounds once*2 as an answer back and the hazard lights flash once at the same time.

          *1: Models with rear door entry function

          *2: Models with wireless door lock buzzer answer back function

        A01W5SM

        • When the electrical key transmitter sub-assembly is in the back door exterior actuation area with all the doors closed, all doors are locked by pressing the back door lock switch.

          A01W5TNC01
          *1 Back Door Lock Switch (Back Door Opener Switch Assembly) - -
      4. Entry Back Door Unlock Function


        • When the electrical key transmitter sub-assembly is in the actuation area surrounding the back door, pressing the back door unlock switch will unlock the back door.

        A01W5TNC02
        *1 Back Door Opener Switch (Back Door Opener Switch Assembly) - -
      5. Warning


        • When any of the situations below occur, the entry and start system sounds the wireless door lock buzzer, a buzzer in the combination meter assembly, displays a message on the multi-information display*1 and blinks a key warning light*2 in order to alert the driver.

          *1: Models with Optitron display type combination meter assembly

          *2: Models with analog display type combination meter assembly

        Situation Condition
        A*1 The engine is left running and the shift lever is in a position other than P when the driver gets out of the vehicle.
        B The engine is left running and the shift lever is in P when the driver gets out of the vehicle.
        C The engine is left running when a passenger gets out of the vehicle while holding the electrical key transmitter sub-assembly.
        D The electrical key transmitter sub-assembly is not within the actuation areas.
        E The vehicle is driven without an electrical key transmitter sub-assembly.
        F The electrical key transmitter sub-assembly is left in the vehicle.
        G*2 A door is ajar.
        H The key reminder sounds.
        I The key battery is weak.
        J Steering lock does not release.
        K A malfunction has been detected in a vehicle speed signal, etc.
        L The engine cannot be started (system/driver error).
        M Immobiliser system certification confirmation occurs.
        N Engine start operation guide on (ACC)
        O Engine start operation guide on (IG)
        P*1 The engine switch cannot be turned off (shift lever in any position except P).
        Q*1 The engine switch cannot be turned off (shift lever in P).
        R Auto power off operation occurs.
        S Engine emergency stop operation is performed.
        T Engine switch is operated while driving.
        U Engine switch is operated while driving.
        V Accessory state
        W Ignition on state

        *1: Models with automatic transmission

        *2: Except models for China


        • Situation A (Models with automatic transmission)

        • There are 2 patterns for situation A.


          • Pattern 1:


            • When the shift lever is in a position other than P, the engine switch is in a mode other than off and the driver opens the door and attempts to get out of the vehicle. In this situation, the following control is performed:

              Possible Effects without Warning Sudden vehicle movement, vehicle theft, vehicle roll-away (vehicle creep, such as when N is selected)
              Warning Active Condition

              The warning is activated when all of the following conditions are met:


              • The engine switch is on (ACC) or on (IG).

              • The shift lever is in any position except P.

              • The driver door is opened.

              • The vehicle speed is not detected.

              Warning Method Combination Meter Assembly Multi Buzzer*1 Sounds continuously
              Multi-information Display*1

              The following warning message is displayed:


              • Shift to P Before Exiting Vehicle

              Advisory Display*1 -
              Buzzer*2 Sounds continuously
              Key Warning Light*2 -
              Wireless Door Lock Buzzer*3 -
              Warning Stop Condition

              The warning is stopped when one of the following conditions is met:


              • The engine switch is turned off.

              • The shift lever is moved to P.

              • The driver door is closed.

              • The vehicle speed is above 5 km/h (3 mph).

              *1: Models with optitron display type combination meter assembly

              *2: Models with analog display type combination meter assembly

              *3: Models with wireless door lock buzzer answer back function

          • Pattern 2:


            • Under the situation of pattern 1, the driver closes the door and attempts to leave the vehicle while holding the electrical key transmitter sub-assembly. In this situation, the following control is performed:

              Possible Effects without Warning Sudden vehicle movement, vehicle theft, vehicle roll-away (vehicle creep, such as when N is selected)
              Warning Active Condition

              The warning is activated when all of the following conditions are met:


              • The engine switch is on (ACC) or on (IG).

              • The shift lever is in any position except P.

              • The driver door is opened → closed.

              • The electrical key transmitter sub-assembly is not detected in the vehicle (interior key certification fails).

              • The vehicle speed is not detected.

              Warning Method Combination Meter Assembly Multi Buzzer*1 Sounds continuously
              Multi-information Display*1

              The following warning messages are alternately displayed:


              • Shift to P Before Exiting Vehicle

              • Key Not Detected Check Key Location

              Advisory Display*1 -
              Buzzer*2 Sounds continuously
              Key Warning Light*2 Blinks (Yellow)
              Wireless Door Lock Buzzer*3 Sounds continuously
              Buzzer and Wireless Door Lock Buzzer Warning Stop Condition

              The warning is stopped when one of the following conditions is met:


              • The engine switch is turned off.

              • The shift lever is moved to P.

              • The vehicle speed is above 5 km/h (3 mph).

              • The electrical key transmitter sub-assembly is detected in the vehicle (interior key certification result is OK).

              "Shift to P Before Exiting Vehicle" Message Warning Stop Condition*1

              The warning is stopped when either of the following conditions is met:


              • The shift lever is moved to P.

              • The vehicle speed is above 5 km/h (3 mph).

              "Key Not Detected Check Key Location" Message Warning Stop Condition*1

              The warning is stopped when either of the following conditions is met:


              • The engine switch is turned off.

              • The electrical key transmitter sub-assembly is detected in the vehicle (interior key certification result is OK).

              Key Warning Light Stop Condition *2

              *1: Models with optitron display type combination meter assembly

              *2: Models with analog display type combination meter assembly

              *3: Models with wireless door lock buzzer answer back function


        • Situation B

        • There are 3 patterns for situation B.


          • Pattern 1:


            • When the shift lever is in P*1 and the engine switch is in a mode other than off (the steering remains unlocked), the driver door is opened and the driver attempts to leave the vehicle. In this situation, the following control is performed:

              Possible Effects without Warning Vehicle theft
              Warning Active Condition

              Condition 1

              The warning is activated when both of the following conditions are met:


              • The engine switch is on (ACC).

              • The driver door is open.

              Condition 2

              The warning is activated when all of the following conditions are met for 1 second:


              • The engine switch is turned off.

              • The steering lock remains unlocked.

              • The driver door is open.

              Warning Method Combination Meter Assembly Multi Buzzer*2 Sounds continuously at short and even intervals
              Multi-information Display*2 -
              Advisory Display*2 -
              Buzzer*3 Sounds continuously at short and even intervals
              Key Warning Light*3 -
              Wireless Door Lock Buzzer*4 -
              Warning Stop Condition

              The warning is stopped when one of the following conditions is met:


              • The engine switch is turned on (IG).

              • The driver door is closed.

              • The engine switch is turned off and the steering wheel lock control is performed.

              *1: Models with automatic transmission

              *2: Models with optitron display type combination meter assembly

              *3: Models with analog display type combination meter assembly

              *4: Models with wireless door lock buzzer answer back function

          • Pattern 2:


            • Under the situation of pattern 1, the driver closes the door and attempts to leave the vehicle while holding the electrical key transmitter sub-assembly. In this situation, the following control is performed:

              Possible Effects without Warning Vehicle theft
              Warning Active Condition

              The warning is activated when all of the following conditions are met:


              • The engine switch is on (ACC) or on (IG).

              • The shift lever is in P. *1

              • The driver door is opened → closed.

              • The electrical key transmitter sub-assembly is not detected in the vehicle (interior key certification fails).

              • The vehicle speed is not detected.

              Warning Method Combination Meter Assembly Multi Buzzer*2 Sounds once
              Multi-information Display*2

              The following warning message is displayed:


              • Key Not Detected Check Key Location

              Advisory Display*2 -
              Buzzer*3 Sounds once
              Key Warning Light*3 Blinks (Yellow)
              Wireless Door Lock Buzzer*4 Sounds 3 times
              Warning Stop Condition

              The warning is stopped when either of the following conditions is met:


              • The engine switch is turned off.

              • The electrical key transmitter sub-assembly is detected in the vehicle (interior key certification result is OK).

              *1: Models with automatic transmission

              *2: Models with optitron display type combination meter assembly

              *3: Models with analog display type combination meter assembly

              *4: Models with wireless door lock buzzer answer back function

          • Pattern 3:


            • Under the situation of pattern 2, the driver touches the lock sensor on the door outside handle. In this situation, the following control is performed:

              Possible Effects without Warning Vehicle theft
              Warning Active Condition

              The warning is activated when all of the following conditions are met:


              • The engine switch is on (ACC) or on (IG).

              • The shift lever is in P. *1

              • The electrical key transmitter sub-assembly is not detected in the vehicle (interior key certification fails), but detected in an outside detection area (exterior key certification result is OK).

              • The lock sensor on the outer door handle is on (touched).

              • The vehicle speed is not detected.

              Warning Method Combination Meter Assembly Multi Buzzer*2 Sounds once
              Multi-information Display*2

              The following warning messages are alternately displayed:


              • Turn off Vehicle.

              • Key Not Detected Check Key Location

              Advisory Display*2 -
              Buzzer*3 Sounds once
              Key Warning Light*3 Blinks (Yellow)
              Wireless Door Lock Buzzer*3 Sounds continuously
              Wireless Door Lock Buzzer Warning Stop Condition

              The warning is stopped when one of the following conditions is met:


              • 5 seconds elapse.

              • The engine switch is turned off.

              • The shift lever is moved to any position except P. *1

              • The vehicle speed is above 5 km/h (3 mph).

              • The electrical key transmitter sub-assembly is detected in the vehicle (interior key certification result is OK).

              • Any door is opened or closed.

              "Turn off Vehicle." Message Warning Stop Condition*2

              The warning is stopped when one of the following conditions is met:


              • 60 seconds elapse.

              • The engine switch is turned off.

              • The shift lever is moved to any position except P. *1

              • The vehicle speed is above 5 km/h (3 mph).

              "Key Not Detected Check Key Location" Message Warning Stop Condition*2

              The warning is stopped when either of the following conditions is met:


              • The engine switch is turned off.

              • The electrical key transmitter sub-assembly is detected in the vehicle (interior key certification result is OK).

              Key Warning Light Stop Condition *3

              *1: Models with automatic transmission

              *2: Models with optitron display type combination meter assembly

              *3: Models with analog display type combination meter assembly

              *4: Models with wireless door lock buzzer answer back function


        • Situation C


          • When the engine is left running, a passenger leaves the vehicle while holding the electrical key transmitter sub-assembly. In this situation, the following control is performed:

            Possible Effects without Warning Engine cannot be restarted.
            Warning Active Condition

            The warning is activated when all of the following conditions are met:


            • The engine switch is on (ACC) or on (IG).

            • A door other than the driver door is opened → closed.

            • The electrical key transmitter sub-assembly is not detected in the vehicle (interior key certification fails).

            • The vehicle speed is not detected.

            Warning Method Combination Meter Assembly Multi Buzzer*1 Sounds once
            Multi-information Display*1

            The following warning message is displayed:


            • Key Not Detected Check Key Location

            Advisory Display*1 -
            Buzzer*2 Sounds once
            Key Warning Light*2 Blinks (Yellow)
            Wireless Door Lock Buzzer*3 Sounds 3 times
            Warning Stop Condition

            The warning is stopped when either of the following conditions is met:


            • The engine switch is turned off.

            • The electrical key transmitter sub-assembly is detected in the vehicle (interior key certification result is OK).

            *1: Models with optitron display type combination meter assembly

            *2: Models with analog display type combination meter assembly

            *3: Models with wireless door lock buzzer answer back function


        • Situation D


          • When the electrical key transmitter sub-assembly is not in the vehicle, the driver attempts to turn the engine switch on (IG) (emergency key operation*1 is included). In this situation, the following control is performed:

            Possible Effects without Warning User becomes confused
            Warning Active Condition

            The warning is activated when all of the following conditions are met:


            • The immobiliser system is set.

            • The electrical key transmitter sub-assembly is not in the vehicle (interior key certification fails and transponder certification fails).

            • No records of unlock operation using a mechanical key and key certification failure when the engine switch was turned on (IG).

            Warning Method Combination Meter Assembly Multi Buzzer*2 Sounds once
            Multi-information Display*2

            The following warning message is displayed:


            • Key Not Detected Check Key Location

            Advisory Display*2 -
            Buzzer*3 Sounds once
            Key Warning Light*3 Blinks (Yellow)
            Wireless Door Lock Buzzer*4 -
            Warning Stop Condition

            The warning is stopped when one of the following conditions is met:


            • 15 seconds elapse.

            • The electrical key transmitter sub-assembly is detected in the vehicle (interior key certification result is OK and transponder certification result is OK).

            • 30 seconds have elapsed since a door was opened using a door outside door handle.

            *1: Emergency key operation is an operation that changes the power source by touching the engine switch with the electrical key transmitter sub-assembly.

            *2: Models with optitron display type combination meter assembly

            *3: Models with analog display type combination meter assembly

            *4: Models with wireless door lock buzzer answer back function


        • Situation E


          • The vehicle starts moving without a registered electrical key transmitter sub-assembly in the vehicle. In this situation, the following control is performed:

            Possible Effects without Warning Engine cannot be restarted.
            Warning Active Condition

            The warning is activated when all of the following conditions are met:


            • The engine switch is on (IG).

            • The warning is activated in situation C.

            • The vehicle speed is above 5 km/h (3 mph).

            • The electrical key transmitter sub-assembly is not detected in the vehicle (interior key certification fails).

            Warning Method Combination Meter Assembly Multi Buzzer*1 Sounds once
            Multi-information Display*1

            The following warning message is displayed:


            • Key Not Detected Check Key Location

            Advisory Display*1 -
            Buzzer*2 Sounds 9 times
            Key Warning Light*2 Blinks (Yellow)
            Wireless Door Lock Buzzer*3 -
            Warning Stop Condition

            The warning is stopped when either of the following conditions is met:


            • The engine switch is turned off.

            • The electrical key transmitter sub-assembly is detected in the vehicle (interior key certification result is OK).

            *1: Models with optitron display type combination meter assembly

            *2: Models with analog display type combination meter assembly

            *3: Models with wireless door lock buzzer answer back function


        • Situation F


          • The lock sensor on a door outside handle is touched to perform entry lock with the electrical key transmitter sub-assembly left in the vehicle. In this situation, the following control is performed:

            Possible Effects without Warning Vehicle theft
            Warning Active Condition

            The warning is activated when all of the following conditions are met:


            • The engine switch is off.

            • All doors are closed.

            • The electrical key transmitter sub-assembly is detected in the vehicle (interior key certification result is OK).

            • The lock sensor on the outer door handle is on (touched).

            • Any door is unlocked.

            • The vehicle speed is not detected.

            Warning Method Combination Meter Assembly Multi Buzzer*1 -
            Multi-information Display*1

            The following warning message is displayed:


            • Key Left inside Vehicle

            Advisory Display*1 -
            Buzzer*2 -
            Key Warning Light*2 -
            Wireless Door Lock Buzzer*3 Sounds continuously
            Wireless Door Lock Buzzer Warning Stop Condition

            The warning is stopped when any of the following conditions is met:


            • 5 seconds elapse.

            • The engine switch is turned on (ACC) or on (IG).

            • The vehicle speed is above 5 km/h (3 mph).

            • Any door is opened.

            • Lock operation is detected.

            "Key Left inside Vehicle" Message Warning Stop Condition*1

            The warning is stopped when any of the following conditions is met:


            • 60 seconds elapse.

            • The engine switch is turned on (ACC) or on (IG).

            • The vehicle speed is above 5 km/h (3 mph).

            • Lock operation is detected.

            *1: Models with optitron display type combination meter assembly

            *2: Models with analog display type combination meter assembly

            *3: Models with wireless door lock buzzer answer back function


        • Situation G (Except models for China)


          • The lock sensor on the door outside handle is pushed to perform entry lock, however, a door is ajar. In this situation, the following control is performed:

            Possible Effects without Warning Vehicle theft
            Warning Active Condition

            The warning is activated when all of the following conditions are met:


            • The engine switch is off.

            • Any door is open other than the door where the entry lock operation is performed.

            • The lock sensor on the outer door handle is on (touched), the lock button on the electrical key transmitter sub-assembly or the back door lock switch is pressed.

            • The electrical key transmitter sub-assembly is in an outside detection area (exterior key certification result is OK).

            Warning Method Combination Meter Assembly Multi Buzzer*1 -
            Multi-information Display*1 -
            Advisory Display*1 -
            Buzzer*2 -
            Key Warning Light*2 -
            Wireless Door Lock Buzzer*3 Sounds continuously
            Warning Stop Condition

            The warning is stopped when one of the following conditions is met:


            • 5 seconds elapse.

            • The engine switch is turned on (ACC) or on (IG).

            • All doors are closed.

            • Unlock operation is performed using the wireless door lock remote function.

            • Unlock operation is performed using the touch sensor on the inside of an outer door handle.

            *1: Models with optitron display type combination meter assembly

            *2: Models with analog display type combination meter assembly

            *3: Models with wireless door lock buzzer answer back function


        • Situation H


          • The door is locked with the electrical key transmitter sub-assembly left in the vehicle. In this situation, the following control is performed:

            Possible Effects without Warning Vehicle theft
            Warning Active Condition

            The warning is activated when all of the following conditions are met:


            • The door is locked using the keyless lock operation.*1

            • The electrical key transmitter sub-assembly is in the vehicle (interior key certification result is OK).

            • The vehicle speed is not detected.

            Warning Method Combination Meter Assembly Multi Buzzer*2 Sounds once
            Multi-information Display*2

            The following warning message is displayed:


            • Key Left inside Vehicle

            Advisory Display*2 -
            Buzzer*3 Sounds once
            Key Warning Light*3 -
            Wireless Door Lock Buzzer*4 Sounds continuously
            Wireless Door Lock Buzzer Warning Stop Condition

            The warning is stopped when one of the following conditions is met:


            • 5 seconds elapse.

            • The engine switch is turned to other mode.

            • Any door is opened.

            • Lock operation is detected.

            • The vehicle speed is above 5 km/h (3 mph).

            "Key Left inside Vehicle" Message Warning Stop Condition*2

            The warning is stopped when any of the following conditions is met:


            • 60 seconds elapse.

            • The engine switch is turned to another mode.

            • Lock operation is detected.

            • The vehicle speed is above 5 km/h (3 mph).

            *1: Keyless lock operation is door lock operation without using the electrical key transmitter sub-assembly. First, set the lock position (door lock knob) when the door is open, and close the door while pulling the door handle to lock the door.

            *2: Models with optitron display type combination meter assembly

            *3: Models with analog display type combination meter assembly

            *4: Models with wireless door lock buzzer answer back function


        • Situation I


          • The vehicle is driven using an electrical key transmitter sub-assembly that has a low battery. In this situation, the following control is performed:

            Possible Effects without Warning Usability function, engine cannot be restarted
            Warning Active Condition

            Condition 1

            The warning is activated when all of the following conditions are met:


            • The engine switch is turned off after being left on (IG) for more than 20 minutes.

            • The key battery voltage is low (key battery low code is received).

            • The electrical key transmitter sub-assembly is in the vehicle (interior key certification result is OK).

            • The vehicle speed is not detected.

            Condition 2

            The warning is activated when all of the following conditions are met:


            • The engine is stopped → restarted (engine speed is 200 rpm or more).

            • The key battery voltage is low (key battery low code is received).

            • The electrical key transmitter sub-assembly is in the vehicle (interior key certification result is OK).

            • The vehicle speed is not detected.

            • The low key battery warning for condition 1 was performed. *1

            Warning Method Combination Meter Assembly Multi Buzzer*2 Sounds once
            Multi-information Display*2

            The following warning message is displayed:


            • Key Battery Low

            Advisory Display*2 -
            Buzzer*3 Sounds once
            Key Warning Light*3 Blinks (Yellow)
            Wireless Door Lock Buzzer*4 -
            Warning Stop Condition

            The warning is stopped when either of the following conditions is met:


            • 15 seconds elapse.

            • The vehicle speed is above 5 km/h (3 mph).

            *1: Warning performed after 20 minutes of the engine switch being turned on (IG)

            *2: Models with optitron display type combination meter assembly

            *3: Models with analog display type combination meter assembly

            *4: Models with wireless door lock buzzer answer back function


        • Situation J


          • The steering lock cannot be released or the shift lever is moved to a position other than P*1 before the steering lock is unlocked. In this situation, the following control is performed:

            Possible Effects without Warning Usability function
            Warning Active Condition

            The warning is activated when the following condition is met:


            • The steering lock cannot be released (the steering lock ECU judgment).

            Warning Method Combination Meter Assembly Multi Buzzer*2 Sounds once
            Multi-information Display*2

            The following warning message is displayed:


            • Steering Wheel Lock Press Engine Switch while Turning Wheel

            Advisory Display*2 -
            Buzzer*3 Sounds once
            Key Warning Light*3 Blinks (Green)
            Wireless Door Lock Buzzer*4 -
            Warning Stop Condition

            The engine switch is pushed while the steering wheel is turned left and right.

            The warning is stopped when either of the following conditions is met:


            • 15 seconds elapse.

            • The steering lock is released.

            *1: Models with automatic transmission

            *2: Models with optitron display type combination meter assembly

            *3: Models with analog display type combination meter assembly

            *4: Models with wireless door lock buzzer answer back function


        • Situation K


          • A vehicle speed signal malfunction or malfunction that interferes with steering lock ECU (steering lock actuator assembly) operation has been detected. In this situation, the following control is performed:

            Possible Effects without Warning Malfunction detection
            Warning Active Condition

            The warning is activated when either of the following conditions is met:


            • The steering lock ECU (steering lock actuator assembly) or steering lock/unlock position switch is malfunctioning.

            • The vehicle speed is judged as abnormal or vehicle speed signal communication is malfunctioning.

            Warning Method Combination Meter Assembly Multi Buzzer*1 Sounds once
            Multi-information Display*1

            The following warning message is displayed:


            • Smart Entry & Start System Malfunction See Owner's Manual

            Advisory Display*1 -
            Buzzer*2 Sounds once
            Key Warning Light*2 Blinks (Yellow)
            Wireless Door Lock Buzzer -
            Warning Stop Condition

            The warning is stopped when either of the following conditions is met:


            • 15 seconds elapse.

            • The system returns to normal.

            *1: Models with optitron display type combination meter assembly

            *2: Models with analog display type combination meter assembly


        • Situation L


          • When the driver attempts to start the engine after unlocking the driver door using the mechanical key, the electrical key transmitter sub-assembly cannot be detected in the vehicle or cannot be detected in the vehicle 2 times in a row. In this situation, the following control is performed:

            Possible Effects without Warning Usability function
            Warning Active Condition

            The warning is activated when the engine switch is pressed with all of the following conditions met:


            • The immobiliser system is set.

            • The electrical key transmitter sub-assembly is not detected in the vehicle (interior key certification fails).

            • The doors were unlocked using a mechanical key or when the engine switch is pressed, a certification error occurs 2 times in a row.

            Warning Method Combination Meter Assembly Multi Buzzer*1 Sounds once
            Multi-information Display*1

            The following warning message is displayed for 60 seconds (and then automatically turned off):


            • Depress Brake and Then Touch Key to Engine Switch

            Advisory Display*1 -
            Buzzer*2 Sounds once
            Key Warning Light*2 Blinks (Yellow)
            Wireless Door Lock Buzzer*3 -
            Warning Stop Condition

            The warning is stopped when one of the following conditions is met:


            • 60 seconds elapse.

            • The electrical key transmitter sub-assembly is detected in the vehicle (interior key certification result is OK and transponder certification result is OK).

            • 30 seconds have elapsed since the door was opened using a door outside door handle.

            *1: Models with optitron display type combination meter assembly

            *2: Models with analog display type combination meter assembly

            *3: Models with wireless door lock buzzer answer back function


        • Situation M


          • The engine switch is touched with an electrical key transmitter sub-assembly when the transmitter battery voltage is low, smart operation is canceled or radio interference occurs. In this situation, the following control is performed:

            Possible Effects without Warning Usability function
            Warning Active Condition Transponder certification result is OK.
            Warning Method Combination Meter Assembly Multi Buzzer*1 Sounds once
            Multi-information Display*1

            The following warning message is displayed:


            • Depress Brake and Then Start Engine

            Advisory Display*1 -
            Buzzer*2 Sounds once
            Key Warning Light*2 -
            Wireless Door Lock Buzzer*3 -
            Warning Stop Condition

            The warning is stopped when one of the following conditions is met:


            • 10 seconds elapse.

            • The electrical key transmitter sub-assembly is detected in the vehicle (interior key certification results is OK).

            • The engine is running at 500 r/min or more.

            • The engine is started.

            • The immobiliser system is set and interior certification is stopped or key certification fails.

            *1: Models with optitron display type combination meter assembly

            *2: Models with analog display type combination meter assembly

            *3: Models with wireless door lock buzzer answer back function


        • Situation N


          • The system recognizes the situation that indicates the driver may start the engine (when the driver enters the vehicle or the engine switch is on (ACC)). In this situation, the following control is performed:

            Possible Effects without Warning Engine cannot be restarted
            Warning Active Condition

            The warning is activated when either of the following conditions is met:


            • When the door is unlocked from the outside of the vehicle with the engine switch off, the driver door is closed → opened.

            • Each time the power source mode is changed from off to on (ACC) without the brake pedal depressed.

            Warning Method Combination Meter Assembly Multi Buzzer*1 -
            Multi-information Display*1

            The following warning message is displayed:


            • Depress Brake and Then Start Engine

            Advisory Display*1 -
            Buzzer*2 -
            Key Warning Light*2 -
            Wireless Door Lock Buzzer*3 -
            Warning Stop Condition

            The warning is stopped when one of the following conditions is met:


            • 20 seconds have elapsed since the warning started.

            • The engine is started.

            • Door lock operation is performed from the outside of the vehicle.

            • Wireless operation is performed from the inside of the vehicle or door lock operation is performed using a keyless lock function.

            *1: Models with optitron display type combination meter assembly

            *2: Models with analog display type combination meter assembly

            *3: Models with wireless door lock buzzer answer back function


        • Situation O


          • The system recognizes the situation that indicates the driver may start the engine (when the engine switch is on (IG)). In this situation, the following control is performed:

            Possible Effects without Warning Engine cannot be restarted
            Warning Active Condition

            The warning is activated when either of the following conditions is met:


            • Each time the power source mode is changed from off to on (IG) (the engine is not started) with the shift lever in P or N and without the brake pedal depressed.

            • When the engine switch is on (IG) (the engine is not started) with the shift lever in a position other than P, the shift lever is moved to P.

            Warning Method Combination Meter Assembly Multi Buzzer*1 -
            Multi-information Display*1

            The following warning message is displayed:


            • Depress Brake and Then Start Engine

            Advisory Display*1 -
            Buzzer*2 -
            Key Warning Light*2 -
            Wireless Door Lock Buzzer*3 -
            Warning Stop Condition

            The warning is stopped when one of the following conditions is met:


            • The power source mode is changed to any mode other than on (IG).

            • The vehicle speed is above 5 km/h (3 mph).

            • The shift lever is in a position other than P or N.

            *1: Models with optitron display type combination meter assembly

            *2: Models with analog display type combination meter assembly

            *3: Models with wireless door lock buzzer answer back function


        • Situation P (Models with automatic transmission)


          • The driver attempts to turn the engine switch off with the shift lever in any position other than P or N. In this situation, the following control is performed:

            Possible Effects without Warning Discharged vehicle battery, vehicle roll-away.
            Warning Active Condition The engine switch is turned off when the shift lever in a position other than P or N. (Excluding an emergency stop by pressing the engine switch 3 times quickly or pressing and holding the engine switch for 2 seconds or more.)
            Warning Method Combination Meter Assembly Multi Buzzer*1 Sounds once
            Multi-information Display*1

            The following warning message is displayed:


            • Shift to P Before Exiting Vehicle

            Advisory Display*1 -
            Buzzer*2 Sounds once
            Key Warning Light*2 -
            Wireless Door Lock Buzzer*3 -
            Warning Stop Condition

            The warning is stopped when either of the following conditions is met:


            • The shift lever is moved to P.

            • The engine switch is turned to a mode other than on (ACC).

            *1: Models with optitron display type combination meter assembly

            *2: Models with analog display type combination meter assembly

            *3: Models with wireless door lock buzzer answer back function


        • Situation Q (Models with automatic transmission)


          • Under situation P, the shift lever is moved to P. In this situation, the following control is performed:

            Possible Effects without Warning Discharged vehicle battery, vehicle roll-away (vehicle creep, such as when N is selected)
            Warning Active Condition The shift lever is moved to P.
            Warning Method Combination Meter Assembly Multi Buzzer*1 Sounds once
            Multi-information Display*1

            The following warning message is displayed:


            • Turn off vehicle

            Advisory Display*1 -
            Buzzer*2 Sounds once
            Key Warning Light*2 -
            Wireless Door Lock Buzzer*3 -
            Warning Stop Condition

            The warning is stopped when either of the following conditions is met:


            • The power source mode is changed to a mode other than on (ACC).

            • The shift lever is in any position other than P.

            *1: Models with optitron display type combination meter assembly

            *2: Models with analog display type combination meter assembly

            *3: Models with wireless door lock buzzer answer back function


        • Situation R


          • Automatic power off operation occurs. In this situation, the following control is performed:

            Possible Effects without Warning Usability function
            Warning Active Condition

            The warning is activated when all of the following conditions are met:


            • The shift lever is in P. *1

            • The engine switch is on (ACC) or on (IG).

            • The vehicle speed is not detected and the engine is stopped.

            • The power source is turned off by the automatic power off function (the vehicle remains not operated for 20 minutes with the engine switch on (ACC) or for 1 hour with the engine switch on (IG)).

            Warning Method Combination Meter Assembly Multi Buzzer*2 -
            Multi-information Display*2

            The following warning message is displayed:


            • Power Turned Off to Save Battery

            Advisory Display*2 -
            Buzzer*3 -
            Key Warning Light*3 -
            Wireless Door Lock Buzzer*4 -
            Warning Stop Condition

            The warning is stopped when either of the following conditions is met:


            • 10 seconds have elapsed since the warning started.

            • The engine switch is turned on (ACC) or on (IG).

            *1: Models with automatic transmission

            *2: Models with optitron display type combination meter assembly

            *3: Models with analog display type combination meter assembly

            *4: Models with wireless door lock buzzer answer back function


        • Situation S


          • The driver stopped the engine using emergency operation while driving. In this situation, the following control is performed:

            Possible Effects without Warning Usability function
            Warning Active Condition

            The warning is activated when either of the following conditions is met:


            • The engine is stopped by emergency stop operation while driving.

            • After emergency stop operation, the engine switch is turned on (IG), the vehicle speed is detected and the engine is not started.

            Warning Method Combination Meter Assembly Multi Buzzer*1 Sounds continuously
            Multi-information Display*1

            The following warning message is displayed:


            • Shift to N and Press Engine Switch to Restart

            Advisory Display*1 -
            Buzzer*2 Sounds continuously
            Key Warning Light*2 -
            Wireless Door Lock Buzzer*3 -
            Warning Stop Condition

            The warning is stopped when one of the following conditions is met:


            • The shift lever is moved to P.*3

            • The vehicle speed is not detected (after the engine switch is turned on (IG) using engine switch operation).

            • The engine switch is operated.

            • The engine has started.

            *1: Models with optitron display type combination meter assembly

            *2: Models with analog display type combination meter assembly

            *3: Models with wireless door lock buzzer answer back function


        • Situation T


          • The driver pressed the engine switch while driving. In this situation, the following control is performed:

            Possible Effects without Warning Wrong operation is prevented
            Warning Active Condition The vehicle is moving, the vehicle speed is detected and the engine switch is pressed.
            Warning Method Combination Meter Assembly Multi Buzzer*1 Sounds continuously
            Multi-information Display*1 -
            Advisory Display*1 -
            Buzzer*2 Sounds continuously
            Key Warning Light*2 -
            Wireless Door Lock Buzzer*3 -
            Warning Stop Condition

            The warning is stopped when either of the following conditions is met:


            • 2 seconds have elapsed since the engine switch operation was stopped.

            • The engine switch is turned off.

            *1: Models with optitron display type combination meter assembly

            *2: Models with analog display type combination meter assembly

            *3: Models with wireless door lock buzzer answer back function


        • Situation U


          • The driver pressed the engine switch while driving. In this situation, the following control is performed:

            Possible Effects without Warning Usability function
            Warning Active Condition The vehicle is moving, the vehicle speed is detected and the engine switch is pressed.
            Warning Method Combination Meter Assembly Multi Buzzer*1 Sounds continuously
            Multi-information Display*1

            The following warning message is displayed:


            • Push and Hold Engine Switch for Emergency Stop

            Advisory Display*1 -
            Buzzer*2 Sounds continuously
            Key Warning Light*2 -
            Wireless Door Lock Buzzer*3 -
            Warning Stop Condition

            The warning is stopped when either of the following conditions is met:


            • 10 seconds elapse.

            • The engine switch is turned off.

            *1: Models with optitron display type combination meter assembly

            *2: Models with analog display type combination meter assembly

            *3: Models with wireless door lock buzzer answer back function


        • Situation V


          • The power source is changed to on (ACC). In this situation, the following control is performed:

            Possible Effects without Warning Usability function
            Warning Active Condition The power source is changed to on (ACC).
            Warning Method Combination Meter Assembly Multi Buzzer*1 -
            Multi-information Display*1 -
            Advisory Display*1 ACCESSORY
            Buzzer*2 -
            Key Warning Light*2 Blinks (Green)
            Wireless Door Lock Buzzer*3 -
            Warning Stop Condition

            The warning is stopped when the following condition is met:


            • The power source is changed to a mode other than on (ACC).

            • The entry and start system is malfunction.*2

            • Engine can be started.*2

            *1: Models with optitron display type combination meter assembly

            *2: Models with analog display type combination meter assembly

            *3: Models with wireless door lock buzzer answer back function


        • Situation W


          • The power source is changed to on (IG). In this situation, the following control is performed:

            Possible Effects without Warning Usability function
            Warning Active Condition The power source is changed to on (IG).
            Warning Method Combination Meter Assembly Multi Buzzer*1 -
            Multi-information Display*1 -
            Advisory Display*1 IGNITION ON
            Buzzer*2 -
            Key Warning Light*2 Blinks (Green)
            Wireless Door Lock Buzzer*3 -
            Warning Stop Condition

            The warning is stopped when either of the following conditions is met:


            • The power source is changed to a mode other than on (IG).

            • The display in the odometer area is changed due to user operation.*1

            • The entry and start system is malfunction.*2

            • Engine can be started.*2

            *1: Models with optitron display type combination meter assembly

            *2: Models with analog display type combination meter assembly

            *3: Models with wireless door lock buzzer answer back function

      6. Battery Saving


        • Battery saving preserves the vehicle and key batteries. It is activated when the vehicle remains parked for a long time and when the electrical key transmitter sub-assembly is left in the exterior actuation area.

          Condition Control Reinstatement Condition
          When the vehicle remains parked for a long time.

          Control 1:

          No response from electrical key transmitter sub-assembly for more than 5 days


          • Door electrical key antennas and electrical key antenna stop emitting signals for creating the actuation area.

          When the engine switch is turned on (IG), the control is canceled and the system is returned to normal.

          Control 2:

          No response from electrical key transmitter sub-assembly for more than 14 days


          • Door electrical key antennas and electrical key antenna stop emitting signals for creating the actuation area.

          • Door lock sensors and unlock sensors for seats other than the driver seat are disabled.

          When the engine switch is turned on (IG), the control is canceled and the system is returned to normal.

          When one of the following conditions is met, the control is returned to control 1:


          • The doors are locked or unlocked using wireless remote control.

          • The doors are locked or unlocked by touching the lock/unlock sensor on the driver door.

          • A door is locked or unlocked using the mechanical key.

          • Door is opened → closed.

          When the electrical key transmitter sub-assembly is left in the exterior detection area.

          This state continues longer than 10 minutes


          • Electrical key antenna that is detecting the electrical key transmitter sub-assembly stops emitting signals for creating the actuation area.

          The control is stopped when one of the following conditions is met:


          • The doors are locked or unlocked using wireless remote control.

          • The doors are locked or unlocked by touching the lock/unlock sensor on the front or rear door.

          • A door is locked or unlocked using the mechanical key.

        • In addition to the above functions, the auto power off function helps to reduce drain on the vehicle battery by turning the power source mode to off when approximately 60 minutes have elapsed since the shift lever was moved to P* with the power source on (ACC), or the engine was turned off with the shift lever in P*, the power source on (IG) and the vehicle stationary.

          *: Models with automatic transmission

      7. Battery Saving Function of Electrical Key Transmitter Sub-assembly


        • This function cancels the signal reception waiting state of the electrical key transmitter sub-assembly, reducing the consumption of current from its battery.

        • The electrical key transmitter sub-assembly can be placed into and taken out of battery saving mode. When the electrical key transmitter sub-assembly is in battery saving mode, the entry and start system will not be able to detect the transmitter, as the transmitter will not respond to signals from the vehicle. The function of the entry and start system will not operate if the electrical key transmitter sub-assembly is in battery saving mode.

        • Pressing the unlock button of the electrical key transmitter sub-assembly twice while pressing the lock button (the indicator light of the electrical key transmitter sub-assembly blinks 4 times) selects battery saving mode for the electrical key transmitter sub-assembly.

        • Battery saving mode can be canceled by pressing any switch on the electrical key transmitter sub-assembly.

      8. Entry Unlock Mode Switching Function (Manual Operation)


        • The following entry unlock modes can be selected when using the entry unlock mode switching function.


          • All door unlock mode: When the sensor of a door outside handle assembly is touched, an entry unlock operation is performed simultaneously for all doors.

          • Driver door unlock mode (Default): When the sensor of the driver side door outside handle assembly is touched, an entry unlock operation is performed for the driver door only. If any other door handle is touched, an entry unlock operation is performed simultaneously for all doors.

        • When customizing through manual operation:


          • Turn the engine switch off.

          • Check that the LED of the electrical key transmitter sub-assembly is not illuminated, and then press and hold the lock and unlock buttons of the electrical key transmitter sub-assembly for 5 seconds or more while the electrical key transmitter sub-assembly is in the actuation area.

          • Check the current setting.

            Tech Tips

            The mode changes from all door unlock mode to driver door unlock mode and then back to all door unlock mode.

            The answer back (wireless door lock buzzer, multi buzzer in the combination meter assembly) operation for each mode is indicated in the table below.

            Currently Selected Mode Answer back (Wireless Door Lock Buzzer) Answer back (Multi Buzzer in Combination Meter Assembly)
            All door unlock mode Buzzer sounds twice (short beeps) Buzzer sounds once
            Driver door unlock mode Buzzer sounds 3 times (short beeps) Buzzer sounds once
          • Release the lock and unlock buttons of the electrical key transmitter sub-assembly.

          • Check that the LED of the electrical key transmitter sub-assembly is not illuminated, and then press and hold the lock and unlock buttons of the electrical key transmitter sub-assembly for 5 seconds or more to change the mode.

            Tech Tips

            Repeat the procedure as necessary to select the desired mode.

          • Unlock the doors with the wireless operation, and then open any door.

            A01W6WPE01
      9. Key Cancel


        • The following system functions can be deactivated by using the key cancel procedure.


          • Entry Function

          • Start Function*

          • Prevention of Key Confinement

          • Warning

            *: The power source condition is changed by touching the engine switch with the electrical key transmitter sub-assembly. (Emergency Key Operation)

        • The system functions can be deactivated by using the following key cancel procedure when the engine switch is off and the driver door is closed and unlocked.

          Key Cancel Procedure

          The procedure is as follows:


          • Press the unlock switch of the electrical key transmitter sub-assembly once.

          • Within 5 seconds of the step above, open the driver door (Driver Door: Close → Open).

          • Within 5 seconds of the step above, press the unlock switch of the electrical key transmitter sub-assembly twice.

          • Repeat close → open for the driver door twice* (Driver Door: Open → Close → Open → Close → Open).

          • Press the unlock switch of the electrical key transmitter sub-assembly twice.*

          • Repeat close → open for the driver door once* (Driver Door: Open → Close → Open).

          • Within 5 seconds of the step above, close the driver door.

          When the cancel procedure is complete, the buzzer sounds twice.

          Meanwhile, when the procedure is performed again to resume the system, the multi buzzer sounds once.

          *: Perform all these 3 steps within 30 seconds of the previous step.

      10. Key Code Registration Function


        • The table below shows the 3 special ID code registration function modes through which up to 7 different transmitter recognition codes can be registered. For details, refer to the Repair Manual.

          Mode Function
          Rewrite Clears all previously registered codes and registers only the newly received codes. This mode is used whenever the certification ECU (smart key ECU assembly) is replaced.
          Add Clears all previously registered codes and registers only the newly received codes. This mode is used whenever the certification ECU (smart key ECU assembly) is replaced.
          Confirm Confirms how many codes are currently registered. When adding a new code, this mode is used to check how many codes already exist.
    4. Function


      1. Entry Function


        • The entry function consists of the following functions:

          Function Outline
          Wireless Door Lock Control This function is a convenient system for locking and unlocking all the doors at a distance. The operation of this function is the same as that in the wireless door lock control system.
          Entry Illumination When an electrical key transmitter sub-assembly enters the exterior actuation area of the door electrical key antennas, the interior light illuminates.
          Entry Unlock When an electrical key transmitter sub-assembly is located in the exterior actuation area of any door electrical key antenna, the door will unlock after the inner part of an outside door handle is touched.
          Entry Unlock Mode Switching

          Allows switching between 2 modes that can be operated with the entry unlock function.


          • Driver Door Mode

          • All Door Mode

          Entry Lock When an electrical key transmitter sub-assembly is located in the exterior actuation area of an electrical key antenna and the engine switch is off, all doors can be locked by simply touching the lock sensor or pressing the back door lock switch.
          Entry Back Door Unlock When an electrical key transmitter sub-assembly is located in the exterior actuation area of back door electrical key antenna, the door will unlock after the back door opener switch assembly is pushed.
          Power Back Door Reserve Lock* When a door other than the power back door is closed and the door lock is operated by simply touching the lock sensor during auto close operation, a door lock operation is performed at that time. The door lock operation completes when the power back door close operation ends.
          Prevention of Key Confinement The key confinement prevention function prevents the vehicle from being locked with an electrical key transmitter sub-assembly left inside it. This function operates in 2 different situations: when the lock knob is used (keyless lock) and when an outside door handle lock sensor is used (lock sensor).
          Warning

          When any of the situations below occur, the entry and start system causes the certification ECU (smart key ECU assembly) to sound the multi buzzer in the combination meter and the wireless door lock buzzer, and indicates a warning on the multi-information display in order to alert the driver.


          • An exit warning is activated if the shift lever is in any position other than P.

          • An exit warning is activated if the shift lever is in P and the engine switch is in a mode other than off.

          • A warning is activated if the occupant leaves with the electrical key transmitter sub-assembly in inappropriate circumstances.

          • A warning is activated if the engine switch is operated while the electrical key transmitter sub-assembly is outside the actuation area.

          • A warning is activated if the lock button is operated while the electrical key transmitter sub-assembly is inside the vehicle.

          • A warning is activated if the key battery is weak.

          Battery Saving To prevent the electrical key transmitter sub-assembly battery and the vehicle battery from becoming discharged, the battery saving function activates when the vehicle remains unused for a long period of time or the electrical key transmitter sub-assembly has been detected in the exterior actuation area for more than 10 minutes.
          Key Cancel

          The following key functions can be canceled by following the specified procedure.


          • Entry Function

          • Start Function

          • Prevention of key confinement

          • Warning

          Key Code Registration A total of 7 electrical key transmitter sub-assemblies can be registered.

          *: Models with power back door system

      2. Wireless Door Lock Control Function


        • The wireless door lock control system has the following functions:

          Function Outline
          All Doors Lock Pressing the lock button of the electrical key transmitter sub-assembly locks all doors.
          All Doors Unlock (2-step Unlock) Pressing the unlock button of the electrical key transmitter sub-assembly, twice within 5 seconds unlocks all doors after it first unlocks the driver's door.
          All Doors Unlock (1-step Unlock) Pressing the unlock button of the electrical key transmitter sub-assembly once unlocks all doors.
          Power Back Door Open or Close*1 Pressing the power back door button for approximately 1 second opens and closes the power back door.
          Power Back Door Reserve Lock*1 When a door other than the power back door is closed and the door lock is operated by electrical key transmitter sub-assembly during auto close operation, a door lock operation is performed at that time. The door lock operation completes when the power back door close operation ends.
          Answer Back When the doors are being locked or unlocked using the electrical key transmitter sub-assembly, the wireless door lock buzzer sounds*2 and the hazard warning lights blink once while locking and twice while unlocking. Also, the answer back function operates when the doors are locked by the automatic relock function.
          Panic Alarm*3

          Keeping the panic switch of the electrical key transmitter sub-assembly pushed longer than about 1 second causes the following to activate as an alarm:


          • The vehicle horn sounds.

          • The hazard lights, headlights and taillights flash.

          • The interior lights are illuminated (if the interior light switch is in the DOOR position).

          Automatic Relock If none of the doors are opened within 60 seconds after they are unlocked using the wireless door lock remote control, all the doors will be locked again automatically.
          Repeat If a door is not locked in response to the locking operation of the electrical key transmitter sub-assembly, the main body ECU (Cowl Side Junction Block LH) will output a lock signal again after 1 second elapses.
          Security Sends a door lock/unlock operation request signal as a rolling code.
          Door Ajar Warning*4 If any door is open or ajar, pushing the lock button of the electrical key transmitter sub-assembly will cause the wireless door lock buzzer to sound for about 5 seconds as a warning.

          *1: Models with power back door system

          *2: Models with wireless door lock buzzer answer back function

          *3: Models with panic alarm function

          *4: Except models for China

    5. DIAGNOSIS


      1. Start Function


        • The certification ECU (smart key ECU assembly) can detect malfunctions in the entry and start system when the power source is on (IG).

        • When the ECU detects a malfunction, a message is displayed on the multi-information display*1 or the key warning light blinks in yellow*2 to warn the driver. At the same time, the ECU stores a 5-digit Diagnostic Trouble Code (DTC) in its memory.

        • The indicator light warning continues for 15 seconds even after the engine switch is turned off.

        • The 5-digit DTCs can be read after connecting the Global TechStream (GTS) to the DLC3.

        • The entry and start system may not operate successfully if a malfunction occurs.

          *1: Models with Optitron display type combination meter assembly

          *2: Models with analog display type combination meter assembly

  5. KEY


    1. Construction


      1. Electrical Key Transmitter Sub-assembly


        • Depending on models, either electrical key transmitter sub-assembly of Type A or Type B is used.

        • The electrical key transmitter sub-assembly consists of a mechanical key, transmitter for the wireless door lock control, transceiver for the entry function, and transponder chip for the immobiliser function.

        • The transmitter for the wireless door lock control has a lock button, unlock button, panic button*1 and power back door button*2.

          *1: Models with panic function

          *2: Models with power back door system


        • This mechanical key operates the driver door lock cylinder and glove box lock cylinder, but cannot be used to start the engine.

        • The transceiver in the electrical key transmitter sub-assembly receives the signals from the antennas and returns the ID code of the electrical key transmitter sub-assembly to the door control receiver.

        • The transponder chip for the immobiliser system returns a signal to the engine switch as a response to the radio wave signals received from the engine switch.

          A01W64UC01
          *A Type A *B Type B
          *C Models with Power Back Door System *D Models with Panic Alarm Function
          *1 Lock Button *2 Unlock Button
          *3 Power Back Door Button *4 Panic Button
          *5 Mechanical Key - -
  6. ENGINE SWITCH


    1. Construction


      1. The engine switch consists of a momentary type switch, illumination, antenna coil, and transponder key amplifier.

        A01W648
  7. COMBINATION METER


    1. Construction


      1. Optitron Display Type Combination Meter Assembly


        • When the certification ECU (smart key ECU assembly) detects an abnormality with the entry and start system, a message appears on the multi-information display. If the engine is stopped in this state, it might not be possible to restart it.

        A01W6BHC01
        *1 Multi-information Display - -
        *a Power Source State *b Power Source State (ACC)
        *c Power Source State (IG) *d Key Warning Light
        Power Source Display
        Displayed Item Power Source Condition
        -

        Either of the following conditions is met:


        • The engine has started.

        • The power source is turned off.

        ACCESSORY On (ACC) state
        IGNITION ON On (IG) state (the engine is not started.)
        Key Warning Light Engine start ready state*

        *: The shift lever is in P, the key certification result is OK and the brake pedal is depressed (the stop light switch assembly is on).

      2. Analog Display Type Combination Meter Assembly


        • When the certification ECU (smart key ECU assembly) detects an abnormality with the entry and start system, a key warning light blinks on the combination meter assembly. If the engine is stopped in this state, it might not be possible to restart it.

          A01W6XGC01
          *1 Key Warning Light - -
  8. DOOR CONTROL RECEIVER


    1. Construction


      1. Door Control Receiver (Multi-channel)


        • The electrical key transmitter sub-assembly and door control receiver can operate on 2 different RF channels. When an electrical key transmitter sub-assembly is brought within an exterior detection area, key verification begins. If key verification fails due to radio wave interference, the channel will be switched and key verification will be performed again. The multi-channel system begins verification using the channel on which the last verification was successfully performed. When verification fails, the system switches to the other channel.

          A01W636E01
          *a Exterior detection areas are created using LF waves (emitted from the vehicle at intervals of 0.25 seconds) to receive a response from the electrical key transmitter sub-assembly.
          *b When the electrical key transmitter sub-assembly is brought into an exterior detection area, it receives LF waves from the vehicle. Using RF waves, the electrical key transmitter sub-assembly responds to the vehicle.
          *c Upon receiving the response from the electrical key transmitter sub-assembly, the certification ECU (smart key ECU assembly) activates the electrical key antennas (outside) one by one. Using LF waves, the certification ECU (smart key ECU assembly) determines which exterior detection area the electrical key transmitter sub-assembly is in.
          *d The electrical key transmitter sub-assembly receives the LF waves from the vehicle and responds using RF waves. (The certification ECU (smart key ECU assembly) recognizes which exterior detection area the electrical key transmitter sub-assembly is in.)
          *e The certification ECU (smart key ECU assembly) sends registered key ID information to the electrical key transmitter sub-assembly using LF waves. (Up to 7 key IDs can be registered.)
          *f The electrical key transmitter sub-assembly sends the key ID information using RF waves. When the certification ECU (smart key ECU assembly) receives it, verification completes.
          *g Radio wave interference (Channel switching)
        • The multi-channel system changes channels when communication on the RF band (*b, *d and *f) is interrupted by radio wave interference. See the table below to confirm when the system changes channels.

          *b or *d is NG *f is NG
          Condition RF waves cannot be received RF waves cannot be received properly RF waves cannot be received RF waves cannot be received properly
          Channel switching Channels will not be switched. Channels will be switched. Channels will be switched. Channels will be switched.