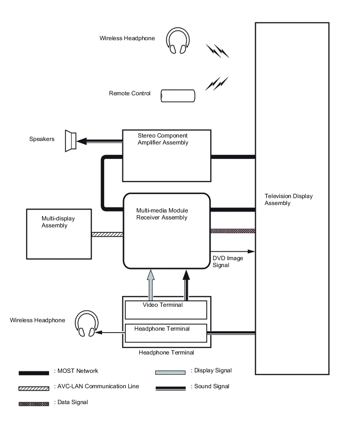
REAR SEAT ENTERTAINMENT SYSTEM (RSES)

A01W65XE01