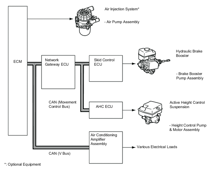
ELECTRIC POWER CONTROL SYSTEM

A01W6RCE01