1VD-FTV ENGINE


  1. General


    1. The lubrication circuit is fully pressurized and all oil passes through an oil cooler and oil filter.

    2. A trochoid gear type oil pump, which uses 2 oil pump gears, is provided.

    3. A scavenging pump is used to suppress the accumulation of oil in the turbocharger while driving on a slope.

    4. A water-cooled type oil cooler is installed on oil filter bracket.

      A01W6O4C01
      *1 Oil Filter Bracket Sub-assembly *2 Oil Filter
      *3 Oil Cooler *4 Oil Strainer
      *5 Oil Catch Tank *6 No. 2 Turbocharger Sub-assembly
      *7 Scavenging Pump Assembly *8 Oil Pump Assembly
      *9 No. 1 Turbocharger Sub-assembly - -

      Figure 1. Oil Circuit

      A01W5ZJE01
  2. Oil Pump


    1. A trochoid gear type oil pump is used. The oil pump uses 2 oil pump gears and is driven by a gear engaged with the crankshaft.

      A01W6LQC01
      *1 Oil Pump Gear *2 Driven Gear
      *3 Drive Gear - -
      *a Oil Pump Cross Section *b Oil Pump Gear Cross Section
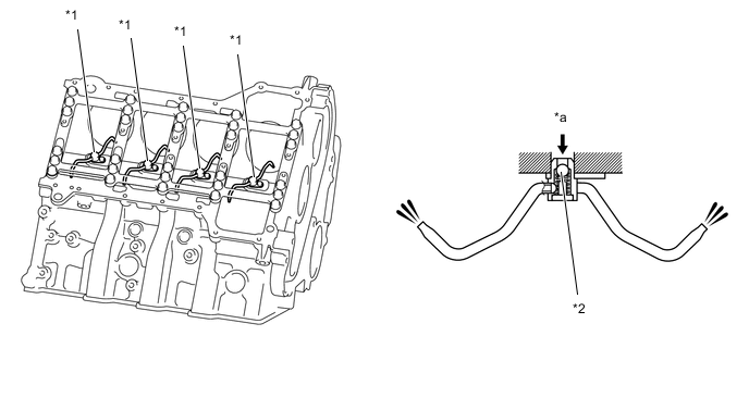
  3. Oil Jet


    1. Oil jets are provided at the bottom of the cylinder block to spray oil to the piston's cooling channel, thus further cooling and lubricating the pistons.

    2. These oil jets contain a check valve to prevent oil from being fed when the oil pressure is low. This prevents the overall oil pressure in the engine from dropping.

      A01W6MXC01
      *1 Oil Jet *2 Check Valve
      *a Engine Oil - -
  4. Oil Filter


    1. An oil filter with a replaceable element is used. The oil filter element uses a high-performance filter paper to improve filtration performance. It is also combustible for environmental protection.

    2. A plastic oil filter cap is used.

      A01W6STC01
      *1 Oil Filter Element *2 O-ring
      *a Oil Filter Cap - -
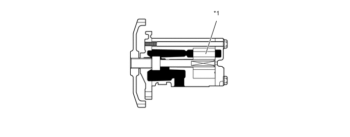
  5. Scavenging Pump


    1. The scavenging pump, which is located at the back end of the cylinder block, is driven by the crankshaft via gears.

    2. After the turbocharger discharges the oil, the scavenging pump returns the oil from the oil catch tank through a forced suction and discharges it to the oil pan.

      A01W6JXC01
      *1 Scavenging Pump Assembly *2 No. 2 Turbocharger Sub-assembly
      *3 Oil Catch Tank *4 No. 1 Turbocharger Sub-assembly

      Figure 2. Scavenging Pump Cross Section

      A01W5ZTC01
      *1 Oil Pump Gear - -

      Figure 3. Scavenging Pump Gear Cross Section

      A01W6HNC01
      *1 Driven Gear *2 Drive Gear
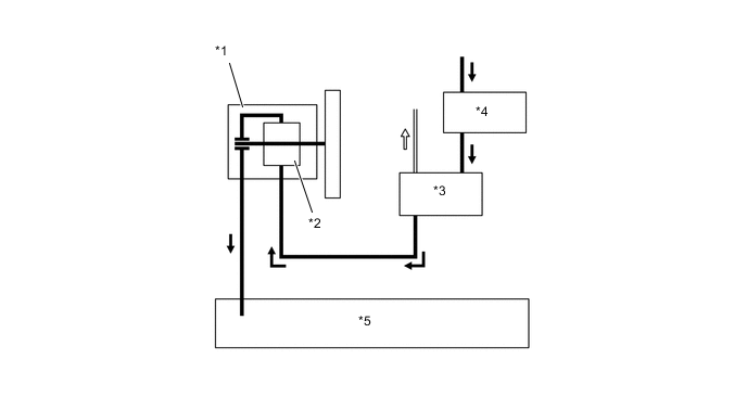
      Pump Components and Functions
      Component Function
      Oil Catch Tank The oil catch tank separates the oil discharged by the turbocharger into gas and liquid.
      Scavenging Pump Returns the oil from the oil catch tank by suction, and discharges it to the oil pan.

      Figure 4. System Diagram

      A01W6QHC01
      *1 Scavenging Pump *2 Oil Pump Gear
      *3 Oil Catch Tank *4 Turbocharger Sub-assembly
      *5 Oil Pan - -
      A01W6Y0 Gas A01W60O Oil