DESCRIPTION
The 1VD-FTV engine is newly provided. The 1VD-FTV TOYOTA Direct injection 4 stroke common-rail Diesel engine (D-4D) is V8 4.5 liter, 32-valve DOHC, turbocharged diesel engine with intercooler*.This engine uses direct injection system and common-rail system to realize high performance, clean emission, low noise and low vibration.
*: Models with intercooler
| No. of Cyls. & Arrangement | 8-cylinder, V Type | ||||
| Valve Mechanism | 32-valve, DOHC, Chain & Gear Drive | ||||
| Combustion Chamber | Direct Injection Type | ||||
| Manifolds | Cross-flow | ||||
| Fuel System | Common-rail Type | ||||
| Displacement | 4461 cm3 (272.2 cu. in.) | ||||
| Bore x Stroke | 86.0 mm x 96.0 mm (3.39 in. x 3.78 in.) | ||||
| Compression Ratio | 16.8 : 1 | ||||
| Max. Output [ECE] | Europe | EURO 5 | 200 kW @ 3600 rpm | ||
| Except EURO 5 | 210 kW @ 3600 rpm | ||||
| Australia and Europe (Models with pre-cleaner) | 195 kW @ 3400 rpm | ||||
| G.C.C. Countries and General Countries | w/ Intercooler | A/T | 173 kW @ 3200 rpm | ||
| M/T | 162 kW @ 3600 rpm | ||||
| w/o Intercooler | 136 kW @ 3200 rpm | ||||
| Max. Torque [ECE] | Europe | 650 N*m @ 1600 to 2800 rpm | |||
| Australia and Europe (Models with pre-cleaner) | 650 N*m @ 1600 to 2600 rpm | ||||
| G.C.C. Countries and General Countries | w/ Intercooler | A/T | 615 N*m @ 1800 to 2200 rpm | ||
| M/T | 430 N*m @ 1200 to 3600 rpm | ||||
| w/o Intercooler | 430 N*m @ 1600 to 3000 rpm | ||||
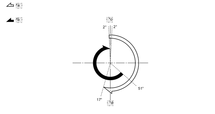
| Valve Timing | Intake | Open | 2° BTDC | ||
| Close | 17° ABDC | ||||
| Exhaust | Open | 51° BBDC | |||
| Close | 2° ATDC | ||||
| Firing Order | 1 - 2 - 7 - 3 - 4 - 5 - 6 - 8 | ||||
| Fuel Cetane Number | Europe | 48 or higher | |||
| Except Europe | 50 (Cetane Index 45) or higher | ||||
| Emission Regulation*1 | Europe | EURO 5 | |||
| EURO 4 | |||||
| EURO 3 | |||||
| Australia | EURO 4 | ||||
| G.C.C. Countries | - | ||||
| General Countries | EURO 4 | ||||
| EURO 3 | |||||
| EURO 2 | |||||
| - | |||||
| Engine Service Mass (Reference)*2 | EURO 5 | 330 kg (728 lb) | |||
| Except EURO 5 | w/ Intercooler | w/ EGR | A/T | 325 kg (717 lb) | |
| M/T | 340 kg (750 lb) | ||||
| w/o EGR | A/T | 320 kg (705 lb) | |||
| M/T | 334 kg (736 lb) | ||||
| w/o Intercooler | w/o EGR | 328 kg (723 lb) | |||
*1: Emission regulations differ by country and region.
*2: The figure shown is the weight of the part without coolant and oil.
Figure 1. Valve Timing
| *a | Intake valve opening ngle |
| *b | Exhaust valve opening angle |
| *c | TDC |
| *d | BDC |