1GR-FE ENGINE


  1. General


    1. The engine control system has the following features. The ECM controls these systems:

      System Outline
      Electoronic Fuel Injection (EFI)
      • An L-type EFI system directly detects the intake air mass using a hot wire type intake mass air flow meter sub-assembly.

      • An independent injection system (in which fuel is injected once into each intake port for each 2 revolutions of the crankshaft) is used.

      • Fuel injection takes 2 forms:


        • Synchronous injection, in which injection always occurs at the same timing relative to the firing order.

        • Non-synchronous injection, in which injection is effected regardless of the crankshaft angle.

      • This system performs group injection when the engine coolant temperature is extremely low and the engine is operating at a low speed.

      Electronic Spark Advance (ESA)
      • Ignition timing is determined by the ECM based on signals from various sensors. The ECM corrects ignition timing in response to engine knocking.

      • This system selects the optimal ignition timing in accordance with the signals received from the sensors and sends the (IGT) ignition signal to the igniter.

      Electronic Throttle Control System-intelligent (ETCS-i) Optimally controls the throttle valve opening in accordance with the amount of accelerator pedal effort and the condition of the engine and the vehicle.
      Dual Variable Valve Timing-intelligent (VVT-i) Controls the intake and exhaust camshafts to optimal valve timing in accordance with the engine operating conditions.
      Fuel Pump Control
      • Based on signals from the ECM, the fuel pump control ECU controls the fuel pump in linear control.

      • The fuel pump is stopped when the SRS airbag is deployed.

      Air Injection Control* The ECM controls the air injection time based on the signals from the crank position sensor, engine coolant temperature sensor, intake mass air flow meter sub-assembly and air pressure sensor.
      Starter Control (Cranking Hold Function) Once the engine switch is pushed while the brake pedal is depressed, this control continues to operate the starter until the engine starts.
      Air-fuel Ratio Sensor and Oxygen Sensor Heater Control Maintains the temperature of the air-fuel ratio sensors or oxygen sensors at an appropriate level to increase the detection accuracy of the exhaust gas oxygen concentration.
      Air Conditioning Cut-off Control By turning the air conditioning compressor on or off in accordance with the engine condition, driveability is maintained.
      Evaporative Emission Control The ECM controls the purge flow of evaporative emissions (HC) in the charcoal canister in accordance with the engine conditions.
      Engine Immobiliser Prohibits fuel delivery and ignition if an attempt is made to start the engine with an invalid key.
      Brake Override System The driving torque is restricted when the brake pedal is depressed while the accelerator pedal is depressed. (For the Activation Conditions and Inspection Method, refer to the Repair Manual.)
      Diagnosis When the ECM detects a malfunction, it records the malfunction and memorizes information related to the fault.
      Fail-safe When the ECM detects a malfunction, it stops or controls the engine according to the data already stored in the memory.

      *: Models with air injection control

  2. Construction


    1. The configuration of the engine control system is as shown in the following chart.

      A01W674E01
      A01W61IE02
      A01W5WBE01
      A01W5YEE01
      A01W647E01
  3. Layout of Main Components

    A01W60GC01
    *1

    Intake Mass Air Flow Meter Sub-assembly


    • Intake Air Temperature Sensor

    *2

    Air Switching Valve (Bank 1)


    • Air Pressure Sensor

    *3 ECM *4

    Air Switching Valve (Bank 2)


    • Air Pressure Sensor

    *5 Charcoal Canister *6 Fuel Pump Control ECU
    *7 Fuel Suction with Pump and Gauge Tube Assembly *8 Oxygen Sensor (Bank 1, Sensor 2)
    *9 Air Fuel Ratio Sensor (Bank 1, Sensor 1) *10 Oxygen Sensor (Bank 2, Sensor 2)
    *11 Air Injection Control Driver *12 Air Fuel Ratio Sensor (Bank 2, Sensor 1)
    *13

    Throttle Body


    • Throttle Position Sensor

    • Throttle Control Motor

    *14 Air Pump
    A01W6PJC01
    *A LHD Models - -
    *1 Check Engine Warning Light *2 DLC3
    *3 Accelerator Pedal Position Sensor - -
    A01W6QCC01
    *1 VVT Sensor (Bank 2, Intake) *2 VVT Sensor (Bank 1, Intake)
    *3 Camshaft Timing Oil Control Valve (Bank 1, Exhaust) *4 Camshaft Timing Oil Control Valve (Bank 1, Intake)
    *5 VVT Sensor (Bank 1, Exhaust) *6 Camshaft Timing Oil Control Valve (Bank 2, Intake)
    *7 Purge VSV *8 Engine Coolant Temperature Sensor
    *9 VVT Sensor (Bank 2, Exhaust) *10 Camshaft Timing Oil Control Valve (Bank 2, Exhaust)
    *11 Crank Position Sensor *12 Knock Control Sensor 1
    *13 Knock Control Sensor 2 *14 Ignition Coil with Igniter
    *15 Fuel Injector Assembly - -
  4. Main Components of Engine Control System


    1. General


      1. The main components of the 1GR-FE engine control system are as follows:

        Components Outline Quantity Function
        ECM 32-bit CPU 1 The ECM optimally controls the EFI, ESA, and ISC to suit the operating conditions of the engine in accordance with the signals provided by the sensors.
        Intake Mass Air Flow Meter Sub-assembly Hot-wire Type 1 This sensor has a built-in hot-wire to directly detect the intake air mass and flow rate.
        Intake Air Temperature Sensor Thermistor Type 1 This sensor detects the intake air temperature by means of an internal thermistor.
        Crank Position Sensor Pick-up Coil Type (Rotor Teeth/36-2) 1 This sensor detects the engine speed and crank angle.
        VVT Sensor (Intake) MRE Type (Rotor Teeth/3) 2 (1 each bank) These sensors perform the cylinder identification and detect VVT angle.
        VVT Sensor (Exhaust) MRE Type (Rotor Teeth/3) 2 (1 each bank) These sensors detect VVT angle.
        Accelerator Pedal Position Sensor Hall IC Type (Non-contact Type) 1 This sensor detects the amount of pedal effort applied to the accelerator pedal.
        Throttle Position Sensor Hall IC Type (Non-contact Type) 1 This sensor detects the throttle valve opening angle.
        Knock Control Sensor Built-in Piezoelectric Element (Flat Type) 2 (1 Each Bank) These sensors detect an occurrence of the engine knocking indirectly from the vibration of the cylinder block caused by the occurrence of engine knocking.
        Oxygen Sensor (Bank 1, Sensor 2) (Bank 2, Sensor 2) Cup Type with Heater 2 (1 each bank) These sensors detect the oxygen concentration in the exhaust emission by measuring the electromotive force which is generated in the sensor itself.
        Air Fuel Ratio Sensor (Bank 1, Sensor 1) (Bank 2, Sensor 1) Planar Type with Heater 2 (1 each bank) As with the oxygen sensor, these sensors detect the oxygen concentration in the exhaust emissions. However, they detect the oxygen concentration in the exhaust emissions linearly.
        Engine Coolant Temperature Sensor Thermistor Type 1 This sensor detects the engine coolant temperature by means of an internal thermistor.
        Fuel Injector Assembly 12-hole Type 6 These assemblies contain an electro-magnetically operated nozzle to inject fuel into the intake port.
        Camshaft Timing Oil Control Valve Electro-magnetic Coil Type 4 (2 each bank) These valves change the valve timing by switching the oil passage that acts on the camshaft timing gear assembly in accordance with the signals received from the ECM.
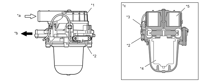
    2. Intake Mass Air Flow Meter Sub-assembly


      1. This intake mass air flow meter sub-assembly, which is a plug-in type, allows a portion of the intake air to flow through the detection area. By directly measuring the mass and the flow rate of the intake air, the detection precision is improved and the intake air resistance is reduced.

      2. This intake mass air flow meter sub-assembly has a built-in intake air temperature sensor.

        A01W6FWC01
        *1 Intake Air Temperature Sensor *2 Temperature Sensing Element
        *3 Platinum Hot-wire Element - -
        *a Air Flow - -
    3. Cranks position sensor and VVT Sensor


      1. General


        • Pick up coil type crank position sensor is used. The timing rotor of the crankshaft consists of 34 teeth, with 2 teeth missing. The crank position sensor outputs the crankshaft rotation signals every 10°, and the missing teeth are used to determine the top-dead-center.

        • MRE (Magnetic Resistance Element) type VVT sensor is used. To detect the camshaft position, a timing rotor that is secured to the camshaft in front of the VVT controller is used to generate 3 (3 Hi output, 3 Lo output) for every 2 revolutions of the crankshaft.

          A01W5Z2C01
          *1 Crank Position Sensor *2 Timing Rotor
          *3 VVT Sensor (For Bank 2, Intake) *4 VVT Sensor (For Bank 2, Exhaust)
          *a Front - -

          Figure 1. Sensor Output Waveforms

          A01W61CE01
          *a VVT Sensor Signal
          *b Crank Position Sensor Signal
          *c 2 Teeth Missing
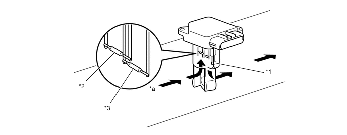
      2. MRE Type VVT Sensor


        • The MRE type VVT sensor consists of an MRE, a magnet and a sensor. The direction of the magnetic field changes due to the different shapes (protruded and non-protruded portions) of the timing rotor, which passes by the sensor. As a result, the resistance of the MRE changes, and the output voltage to the ECM changes to Hi or Lo. The ECM detects the camshaft position based on this output voltage.

        • The differences between the MRE type VVT sensor and the pickup coil type VVT sensor used on the conventional model are as follows.

          Item Sensor Type
          MRE Pick up Coil
          Signal Output Constant digital output starts from low engine speeds Analog output changes with the engine speed
          Camshaft Position Detection Detection based on the waveforms output throughout the timing rotor speed range Detection based on the waveforms output as the protruded portion of the timing rotor passes

          Figure 2. Wiring Diagram

          A01W61UE01
          *1 Timing Rotor
          *2 VVT Sensor

          Figure 3. MRE Type and Pickup Coil Type Output Waveform Image Comparison

          A01W69IE01
    4. Accelerator Pedal Position Sensor


      1. The no-contact type accelerator pedal position sensor uses a Hall IC, which is mounted on the accelerator pedal arm.

      2. A magnetic yoke is mounted at the base of the accelerator pedal arm. This yoke rotates around the Hall IC in accordance with the amount of effort that is applied to the accelerator pedal. The Hall IC converts the changes that occur in the magnetic flux into electrical signals, and outputs them in the form of accelerator pedal position signals to the ECM.

      3. The Hall IC contains two circuits, one for the main signal, and the other for the sub signal. It converts the accelerator pedal position (angle) into electric signals that have differing characteristics and outputs them to the ECM.

        A01W62RC01
        *1 Hall IC *2 Magnetic Yoke
        *3 Accelerator Pedal Arm - -
        A01W5Z9E03
    5. Throttle Position Sensor


      1. The non-contact type throttle position sensor uses a Hall IC, which is mounted on the throttle body.

      2. The Hall IC is surrounded by a magnetic yoke. The Hall IC converts the changes that occur in the magnetic flux into electrical signals, and outputs them in the form of throttle valve position signals to the ECM.

      3. The Hall IC contains circuits for the main and sub signals. The Hall IC converts the throttle valve opening angle into two electrical signals that have differing characteristics and outputs them to the ECM.

        A01W5WIC01
        *1 Magnet *2 Hall IC
        *a Cross Section - -
        A01W64HE02
    6. Knock Sensor (Flat Type)


      1. General


        • In the conventional type knock sensor (resonant type), a vibration plate, which has the same resonance point as the knocking frequency of the engine, is built in and can detect the vibration in this frequency band.

        • On the other hand, a flat type knock sensor (non-resonant type) has the ability to detect vibration in a wider frequency band from approximately 6 kHz to 15 kHz, and has the following features:


          • The engine knocking frequency will change slightly depending on the engine speed. The flat type knock sensor can detect vibration even when the engine knocking frequency is changed. Thus the vibration detection ability is increased compared to the conventional type knock sensor, and a more precise ignition timing control is possible.

            A01W5TAE04
      2. Construction


        • The flat type knock sensor is installed on the engine through the stud bolt installed on the cylinder block. For this reason, a hole for the stud bolt is running through in the center of the sensor.

        • Inside of the sensor, a steel weight is located on the upper portion and a piezoelectric element is located under the weight through the insulator.

        • The open/short circuit detection resistor is integrated.

          A01W6D5C01
          *A Flat Type Knock Sensor (Non-resonant Type) *B Conventional Type Knock Sensor (Resonant Type)
          *1 Steel Weight *2 Insulator
          *3 Piezoelectric Element *4 Open/Short Circuit Detection Resistor
          *5 Vibration Plate - -
      3. Operation


        • The knocking vibration is transmitted to the steel weight and its inertia applies pressure to the piezoelectric element. This action generates electromotive force.

          A01W71IC01
          *1 Steel Weight *2 Piezoelectric Element
          *a Inertia - -
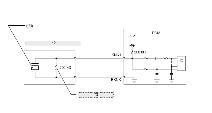
      4. Open/Short Circuit Detection Resistor


        • While the engine switch is on (IG), the open/short circuit detection resistor in the knock sensor and the resistor in the ECM keep the voltage at the terminal KNK1 of engine constant.

        • An Integrated Circuit (IC) in the ECM is always monitoring the voltage of the terminal KNK1. If the open/short circuit occurs between the knock sensor and the ECM, the voltage of the terminal KNK1 changes and the ECM detects the open/short circuit and stores Diagnostic Trouble Code (DTC).

          A01W6O1E04
          *1 Piezoelectric Element
          *2 Knock Sensor (Bank 1, Sensor 1)
          *3 Open/Short Circuit Detection Resistor

          Tech Tips

          These knock sensors are mounted in specific directions at specific angles. To prevent the right and left bank wiring connectors from being interchanged, be sure to install each sensor in its prescribed direction. For details, refer to the Repair Manual.

    7. Air-fuel Ratio Sensor and Oxygen Sensor


      1. General


        • The oxygen sensor and the air-fuel ratio sensor differ in output characteristics.

        • The output voltage of the oxygen sensor changes in accordance with the oxygen concentration in the exhaust gas. The ECM uses this output voltage to determine whether the present air-fuel ratio is richer or leaner than the stoichiometric air-fuel ratio.

        • Approximately 0.4 V is constantly applied to the air-fuel ratio sensor, which outputs an amperage that varies in accordance with the oxygen concentration in the exhaust gas. The ECM converts the changes in the output amperage into voltage in order to linearly detect the present air-fuel ratio.

          A01W6VKE07

          *: This calculation value is used internally in the ECM, and is not an ECM terminal voltage.

      2. Construction


        • The basic construction of the oxygen sensor and the air-fuel ratio sensor is the same. However, they are divided into the cup type and the planar type, according to the different types of heater construction that are used.

        • The cup type sensor contains a sensor element that surrounds the heater.

        • The planar type sensor uses alumina, which excels in heat conductivity and insulation, to integrate a sensor element with the heater, thus improving the warm-up performance of the sensor.

          A01W6J4C01
          *A Air-fuel Ratio Sensor (Planar Type) *B Oxygen Sensor (Cup Type)
          *1 Dilation Layer *2 Alumina
          *3 Platinum Electrode *4 Sensor Element (Zirconia)
          *5 Heater *6 Atmospheric

          The illustrations above are intended to show the differences in the basic construction between the cup type sensor and the planner type sensor, so the illustrated sensor shapes may differ from the actual ones.

  5. Electronic Throttle Control System-intelligent (ETCS-i)


    1. General


      1. In the conventional throttle body, the throttle valve angle is determined invariably by the amount of accelerator pedal effort. In contrast, ETCS-i uses the ECM to calculate the optimal throttle valve angle that is appropriate for the respective driving condition and uses a throttle control motor to control the angle.

      2. In case of an abnormal condition, this system transfers to the fail-safe mode.

        Figure 4. System Diagram

        A01W6C1E01
    2. Control


      1. General


        • The ETCS-i consists of the following functions:


          • Normal Throttle Control (Non-linear Control)

          • Idle Speed Control (ISC)

          • Cruise Control*


            • *: Models with cruise control system

      2. Normal Throttle Control (Non-linear Control)


        1. General


          • Controls the throttle to an optimal throttle valve angle that is appropriate for the driving condition such as the amount of the accelerator pedal effort and the engine speed in order to realize excellent throttle control and comfort in all operating ranges.

            Figure 5. Conceptual Diagrams of Engine Control during Acceleration and Deceleration

            A01W6SXE01
        2. 2nd Start Control (Models with Automatic Transmission)


          • In situations in which low-μ (low friction) road surface conditions can be anticipated, such as when driving in the snow, the rate of throttle valve opening can be controlled to help vehicle stability while driving on the slippery surface. This is accomplished by turning on 2nd start control. Pressing the 2nd side of the pattern select switch activates this control. This control modifies the relationship and reaction of the throttle to the accelerator pedal, and assists the driver by reducing the engine output from that of a normal level.

      3. Idle Speed Control


        • The ECM controls the throttle valve in order to constantly maintain an ideal idle speed.

      4. Cruise Control*


        • The ECM directly actuates the throttle valve for operation of the cruise control.


          • *: Models with cruise control system

  6. Dual Variable Valve Timing-intelligent (VVT-i) System


    1. General


      1. The Dual VVT-i system is designed to control the intake and exhaust camshafts within a range of 40° and 35° respectively (of crankshaft angle) to provide valve timing optimally suited to the engine operating conditions. This improves torque in all the speed ranges as well as increasing fuel economy, and reducing exhaust emissions.

        A01W6X9C01
        *1 Camshaft Timing Oil Control Valve (Bank 2, Exhaust) *2 Camshaft Timing Oil Control Valve (Bank 2, Intake)
        *3 VVT Sensor (Bank 2, Exhaust) *4 VVT Sensor (Bank 2, Intake)
        *5 VVT Sensor (Bank 1, Exhaust) *6 VVT Sensor (Bank 1, Intake)
        *7 Crank Position Sensor *8 ECM
        *9 Camshaft Timing Oil Control Valve (Bank 1, Exhaust) *10 Camshaft Timing Oil Control Valve (Bank 1, Intake)
        *11 Engine Coolant Temperature Sensor *12 Intake Mass Air Flow Meter Sub-assembly
        *13 Throttle Position Sensor *14 Vehicle Speed Signal
      2. By using the engine speed, intake air mass, throttle position and engine coolant temperature, the ECM calculates the optimal valve timing for each driving condition and controls the camshaft timing oil control valve. In addition, the ECM uses signals from the intake and exhaust VVT sensors for each bank and the crank position sensor to detect the actual valve timing, thus providing feedback control to achieve the target valve timing.

        A01W6HCE01
    2. Effectiveness of Dual VVT-i System

      Condition Operation Objective Effect
      During Idling A01W6DHE01
      *1 Earliest Timing (EX)
      *2 TDC
      *3 Latest Timing (IN)
      *4 BDC
      Eliminating overlap to reduce blow back to the intake side.
      • Stabilized idle speed

      • Better fuel economy

      At Light Load A01W68YE01
      *1 To Advance Side (EX)
      *2 To Retard Side (IN)
      Eliminating overlap to reduce blowback to the intake side. Ensured engine stability
      At Medium Load A01W6SLE01
      *1 To Advance Side (IN)
      *2 To Retard Side (EX)
      Increasing overlap increases internal EGR, reducing pumping loss.
      • Better fuel economy

      • Improved emission control

      In Low to Medium Speed Range with Heavy Load A01W719E01
      *1 To Retard Side (EX)
      *2 To Advance Side (IN)
      Advancing the intake valve closing timing for volumetric efficiency improvement. Improved torque in low to medium speed range
      In High Speed Range with Heavy Load A01W5SAE01
      *1 To Retard Side (IN)
      *2 To Advance Side (EX)
      Retarding the intake valve closing timing for volumetric efficiency improvement. Improved output
      At Low Temperatures A01W6DHE02
      *1 Earliest Timing (EX)
      *2 Latest Timing (IN)
      Eliminating overlap to reduce blowback to the intake side.
      • Stabilized fast idle speed

      • Better fuel economy


      • Upon Starting

      • Stopping the Engine

      A01W6DHE02
      *1 Earliest Timing (EX)
      *2 Latest Timing (IN)
      Eliminating overlap to minimize blowback to the intake side. Improved startability
    3. Construction


      1. Camshaft Timing Gear Assembly


        • The camshaft timing gear assembly consists of an outer housing that is driven by the timing chain sprocket, and a vane sub-assembly that is coupled to each camshaft.

        • The intake side uses a camshaft timing gear assembly with 3 vanes, and the exhaust side uses one with 4 vanes.

        • When the engine stops, the camshaft timing gear assembly (intake) is locked at the most retarded angle by its lock pin, and the camshaft timing gear assembly (exhaust) is locked at the most advanced angle. This ensures excellent engine startability.

        • The oil pressure sent from the advance or retard side passages of the intake and exhaust camshafts causes rotation of the vane sub-assembly relative to the timing chain sprocket, to vary the valve timing continuously.

        • An advance assist spring is provided on the camshaft timing gear assembly (exhaust). This helps to apply torque in the advanced angle direction so that the vane lock pin securely engages with the housing when the engine stops.

          Figure 6. Intake Side

          A01W6T9C01
          *1 Timing Rotor *2 Outer Housing
          *3 Vane Sub-assembly (Coupled to Intake Camshaft) *4 Timing Chain Sprocket
          *5 Intake Camshaft *6 Lock Pin
          *a Oil Pressure *b In Operating
          *c At a Stop - -

          Figure 7. Exhaust Side

          A01W5YQC01
          *1 Outer Housing *2 Lock Pin
          *3 Timing Chain Sprocket *4 Exhaust Camshaft
          *5 Vane Sub-assembly (Coupled on Exhaust Camshaft) *6 Advanced Assist Spring
      2. Camshaft Timing Oil Control Valve


        • This camshaft timing oil control valve controls the spool valve using duty cycle control from the ECM. This allows hydraulic pressure to be applied to the camshaft timing gear assembly advance or retard side. When the engine is stopped, the camshaft timing oil control valve (intake) will move to the retard position, and the camshaft timing oil control valve (exhaust) will move to the advance position.

          A01W60FC01
          *1 Sleeve *2 Spring
          *3 Spool Valve - -
          *a To Camshaft Timing Gear Assembly (Advance Side) *b To Camshaft Timing Gear Assembly (Retard Side)
          *c Drain *d Oil Pressure
          *e The advance and retard sides of the intake side oil control valve are the reverse of the exhaust side. - -
    4. Operation


      1. Advance


        • When the camshaft timing oil control valve is positioned as illustrated below by the advance signals from the ECM, the resultant oil pressure is applied to the timing advance side vane chamber to rotate the camshaft in the timing advance direction.

          Figure 8. Intake Side

          A01W5WXC01
          *1 Vane Sub-assembly *2 ECM
          *3 Camshaft Timing Oil Control Valve (Intake) - -
          *a Rotation Direction *b Oil Pressure
          *c In *d Drain

          Figure 9. Exhaust Side

          A01W5S7C01
          *1 Vane Sub-assembly *2 ECM
          *3 Camshaft Timing Oil Control Valve (Exhaust) - -
          *a Rotation Direction *b Drain
          *c In *d Oil Pressure
      2. Retard


        • When the camshaft timing oil control valve is positioned as illustrated below by the retard signals from the ECM, the resultant oil pressure is applied to the timing retard side vane chamber to rotate the camshaft in the timing retard direction.

          Figure 10. Intake Side

          A01W6R6C01
          *1 Vane Sub-assembly *2 ECM
          *3 Camshaft Timing Oil Control Valve (Intake) - -
          *a Rotation Direction *b Drain
          *c In *d Oil Pressure

          Figure 11. Exhaust Side

          A01W626C01
          *1 Vane Sub-assembly *2 ECM
          *3 Camshaft Timing Oil Control Valve (Exhaust) - -
          *a Rotation Direction *b Oil Pressure
          *c In *d Drain
      3. Hold


        • After reaching the target timing, the engine valve timing is maintained by keeping the camshaft timing oil control valve in the neutral position unless the engine operating conditions change.

          This maintains the engine valve timing at the desired target position by preventing the engine oil from running out of the oil control valve.

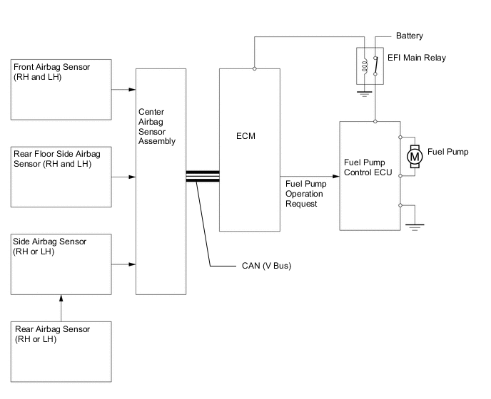
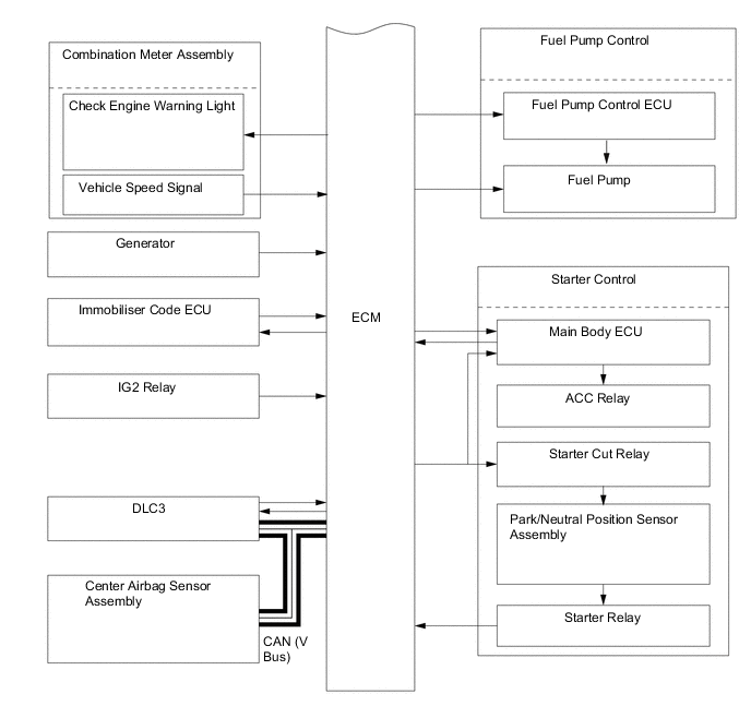
  7. Fuel Pump Control


    1. General


      1. In this vehicle, there are 2 types of fuel pump controls. The fuel pump is controlled to an optimum speed to match the engine operating conditions, and the fuel pump operation is stopped when the SRS airbags deploy.


        • The ECM transmits a fuel pump operation request signal to the fuel pump ECU that corresponds to the engine operating conditions. The fuel pump ECU receives this request signal and controls the speed of the fuel pump. As a result, under light engine loads, fuel pump speed is kept low to reduce electric power loss.

        • A fuel cut control is used to stop the fuel pump when any of the SRS airbags deploys. In this control, if an airbag deployment signal from the center airbag sensor assembly is detected by the ECM, the ECM will turn off the circuit opening relay. As a result, the power supply to the fuel pump ECU is stopped, causing the fuel pump to stop operating. After the fuel cut control has been activated, turning the ignition switch from off to on cancels the fuel cut control, and the engine can be restarted.

          Figure 12. System Diagram

          A01W63ZE02
    2. Fuel Pump Control ECU


      1. In the fuel pump speed control, the ECM transmits fuel pump operation request signals in accordance with the engine operating conditions. In response to the request signals, the fuel pump control ECU then transmits linear output signals to the fuel pump, optimally regulating the fuel pump speed.

  8. Air Injection System


    1. General


      1. To ensure the proper warm-up performance of the Three-Way Catalytic converters (TWCs) after starting a cold engine, an air injection system is used.


        • This system is comprised of an air injection control driver, an air pump, and 2 air switching valves with the built-in air pressure sensors. The air switching valves provided on each bank are controlled independently by the ECM and the air injection control driver.

        • The ECM estimates the amount of air injected to the TWCs based on signals from the intake mass air flow meter sub-assembly in order to regulate the air injection time.

          Figure 13. System Diagram

          A01W67MC01
          *1 Air Injection Control Driver *2 Air Pump
          *3 Air Pressure Sensor *4 Air Switching Valve
          *5 ECM *6 Engine Coolant Temperature Sensor
          *7 Intake Mass Air Flow Meter Sub-assembly *8 Intake Air Temperature Sensor
          *a Air *b Pump Actuation Request
          *c Valve Actuation Request *d Diagnosis Signal
          *e To Exhaust Manifold *f Bank 2 (Right Bank)
          *g Bank 1 (Left Bank) - -
    2. Construction and Operation


      1. Air Pump


        • Each air pump consists of a DC motor, an impeller and an air filter.

        • The DC motor is controlled by the air injection driver in accordance with signals from the ECM. The motor supplies air into an air switching valve through the impeller.

        • The air filter is maintenance-free.


          • A01W6X0C02
            *1 Air Pump *2 Heater
            *3 Impeller *4 DC Motor
            *5 Air Filter - -
            *a Air In *b Air Out
            *c Cross Section - -
      2. Air Switching Valve


        • The air switching valves consist of a valve that switches the air flow and a reed valve that restricts the exhaust flow to one direction.

        • The air switching valves are solenoid valves that are actuated by the ECM and air injection control driver.

        • An air pressure sensor is built into the corresponding air switching valve.

        • The structure and function of the air switching valves for bank 1 and bank 2 are basically the same.

          A01W6ACC01
          *1 Air Switching Valve (Bank 2) *2 Air Switching Valve (Bank 1)
          *3 Air Pressure Sensor *4 Valve
          *5 Solenoid Coil - -
          *a Air In *b Air Out
          *c Cross Section (Bank 1) - -
      3. Air Pressure Sensor


        • The air pressure sensor consists of a semiconductor, which has a silicon chip that changes its electrical resistance when pressure is applied to it. The sensor converts the pressure into an electrical signal, and sends it to the ECM in an amplified form.

        • The air pressure sensors for bank 1 and bank 2 have the same basic structure and function.

          A01W5VJE01
        • The ECM detects operation of the air injection system based on signals from the air pressure sensor as follows:


          1. When the air pump is on and the air switching valve is closed, the pressure is stable.

          2. When the air pump is on and the air switching valve is open, the pressure drops slightly and becomes unstable because of exhaust pulses.

          3. When the air pump is off and the air switching valve is closed, the pressure remains at atmospheric pressure.

          4. When the air pump is off and the air switching valve is open, the pressure drops below atmospheric pressure and becomes unstable because of exhaust pulses.

            A01W6VFE03
      4. Air Injection Control Driver


        • A semiconductor type air injection control driver is used. Activated by the ECM, this driver actuates the air pump and the air switching valve.

        • The air injection control driver also detects failures in the input and output circuits of the air injection driver and transmits the failure status to the ECM via duty cycle signals.

        • The following system chart shows bank 1 (left bank).

          A01W5YAE01
          DI Terminal Output
          Condition AIRP AIRV Output (Duty Cycle Signal)
          Open circuit in line between AIDI and DI terminals. - - A01W68SE01
          Failure in line between ECM terminals and air injection control driver. - - A01W67DE02
          Output failure at air injection control driver. (Failure in air pump actuation circuit) - - A01W65QE01
          *1 200 ms
          *2 Duty 20%
          Output failure at air injection control driver. (Failure in air switching valve actuation circuit) - - A01W6WDE01
          *1 Duty 40%
          Overheat failure of air injection control driver. - - A01W5ZZE01
          *1 Duty 60%
          Normal On On A01W5Y7E01
          *1 Duty 80%
          Off Off A01W67DE02
          On Off
          Off On
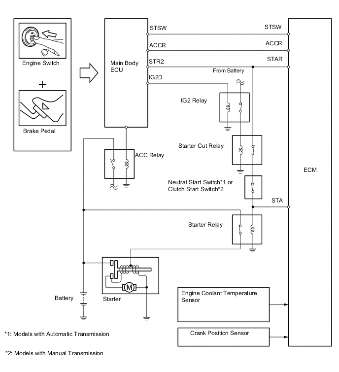
  9. Starter Control (Cranking Hold Function)


    1. General


      1. Once the engine switch is pressed, this function operates the starter until the engine starts, provided that the brake pedal (A/T) or clutch pedal (M/T) is depressed. This prevents application of the starter for an inadequate length of time and also prevents the engine from being cranked after it has started.

      2. When the ECM detects a start signal from the main body ECU, this system monitors the engine speed (NE signal) and continues to operate the starter until it has determined that the engine has started. Furthermore, even if the ECM detects a start signal from the main body ECU, this system will not operate the starter if the ECM has determined that the engine has already started.

        Figure 14. System Diagram

        A01W6PYE03
    2. Operation


      1. As indicated in the timing chart below, when the ECM detects an STSW signal (start signal) from the main body ECU, it outputs a STAR signal (starter relay drive signal) through the starter cut relay to the starter relay and actuates the starter. The ECM also outputs an ACCR signal (ACC cut request signal) to the main body ECU. Thus, the main body ECU will not energize the ACC relay.

      2. After the starter operates and the engine speed becomes higher than approximately 500 rpm, the ECM determines that the engine has started and stops the output of the STAR signal to the starter relay and the output of ACCR signal to the main body ECU. Thus, the starter operation stops and the main body ECU energizes the ACC relay.

      3. If the engine has any failure and does not start, the starter operates as long as its maximum continuous operation time and stops automatically. The maximum continuous operation time is approximately 2 seconds through 25 seconds depending on the water temperature condition. When the engine coolant temperature is extremely low, the time is approximately 25 seconds and when the engine is warmed up sufficiently, the time is approximately 2 seconds.

      4. This system cuts off the current that powers the accessories while the engine is cranking to prevent the accessory illumination from operating intermittently due to the unstable voltage that is associated with the cranking of the engine.

      5. This system has following protection features:


        • While the engine is running normally, the starter does not operate.

        • Even if the driver keeps pressing the engine switch, the ECM stops the output of the STAR and ACCR signals when the engine speed becomes higher than 1200 rpm. Thus, the starter operation stops and the main body ECU energize the ACC relay.

        • In case the driver keeps pressing the engine switch and the engine does not start, the ECM stops the output of the STAR and ACCR signals after 30 seconds have elapsed. Thus, the starter operation stops and the main body ECU energize the ACC relay.

        • In case the ECM cannot detect an engine speed signal while the starter is operating, it will immediately stop the output of the STAR and ACCR signals. Thus, the starter operation stops and the main body ECU energize the ACC relay.

          Figure 15. Timing Chart

          A01W641E01
  10. Diagnosis


    1. When the ECM detects a malfunction, it makes a diagnosis and memorizes the failed section. Furthermore, the check engine warning light in the combination meter illuminates or blinks to inform the driver.

    2. The ECM will also store the Diagnostic Trouble Code (DTC) of the malfunctions. The DTC can be accessed by using the Global TechStream (GTS).

    3. For details, refer to the Repair Manual.

      Tech Tips

      To clear the DTC that is stored in the ECM, use the Global TechStream (GTS), disconnect the battery terminal or remove the EFI MAIN fuse and ETCS fuse for 1 minute or longer.

  11. Fail-safe


    1. When a malfunction is detected at any of the sensors, there is a possibility of an engine or other malfunction occurring if the ECM were to continue to control the engine control system in the normal way. To prevent such a problem, the fail-safe function of the ECM either relies on the data stored in memory to allow the engine control system to continue operating, or stops the engine if a hazard is anticipated. For details, refer to the Repair Manual.