CVT SYSTEM


  1. FUNCTION OF MAIN COMPONENTS


    1. The main components of the K313 CVT are as follows:

      Component Function
      CVT Assembly Shift Solenoid Valve SC Used to switch control of the shift solenoid valve SLU between forward and reverse clutch control.
      Shift Solenoid Valve SL Used to switch control of the shift solenoid valve SLU during lock-up clutch control.
      Shift Solenoid Valve SLU Performs forward and reverse clutch control or lock-up clutch control depending on the state of the shift solenoid valves SC and SL.
      Shift Solenoid Valve SLP Controls the oil pressure of the primary pulley in accordance with the vehicle speed and accelerator pedal opening angle to control a speed ratio.
      Shift Solenoid Valve SLS Controls the oil pressure of the secondary pulley in accordance with the input shaft torque to control belt clamping force.
      Transmission Revolution Sensor (NIN) Detects the primary pulley speed (input speed).
      Transmission Revolution Sensor (NOUT) Detects the secondary pulley speed (output speed).
      Transmission Revolution Sensor (NT) Detects the turbine speed of the torque converter.
      CVT Fluid Temperature Sensor Detects the CVT fluid temperature.
      Oil Pressure Sensor Detects the steel belt clamping pressure
      E.F.I. Engine Coolant Temperature Sensor Detects the engine coolant temperature.
      Throttle Position Sensor Detects the opening angle of the throttle valve.
      Yaw Rate Sensor
      • Detects the vehicle's yaw rate

      • Detects the vehicle's longitudinal and lateral acceleration and deceleration.

      Stop Light Switch Assembly Detects the brake pedal depressing signal.
      Park/Neutral Position Switch Assembly Detects the shift lever position.
      Transmission Control Switch
      • Detects that the shift lever is in M.

      • Detects the driver's shift-up and shift-down operations when the shift lever is in M.

      Shift Paddle Switch (Transmission Shift Switch Assembly)
      • Detects the driver's shift-up and shift-down operations in 7-speed sport sequential shiftmatic mode.

      • Operating this switch when the shift lever is in D changes the mode temporarily to 7-speed sport sequential shiftmatic mode.

      SPORT Mode Switch (Pattern Select Switch Assembly) Detects that the driving mode is in the SPORT mode.
      ECM Drives each shift solenoid valve based on signals from each sensor and switch and optimally controls the CVT.
      Air Conditioning Amplifier Assembly Transmits the operating state of the air conditioning system to the ECM.
      Combination Meter Assembly Shift Display Indicates the shift lever position and shift range.
      SPORT Mode Indicator Illuminates when the SPORT mode switch is pressed and informs the driver that SPORT mode is active.
      MIL Illuminates or blinks to alert the driver that the ECM has detected a malfunction.
      Multi-information Display Displays a message to warn the driver if the CVT fluid reaches a high temperature.
      Master Warning Light Illuminates to warn the driver if the CVT fluid reaches a high temperature.
      Buzzer Sounds to warn the driver if the CVT fluid reaches a high temperature.
  2. SYSTEM CONTROL


    1. The electronic control system of the K313 CVT consists of the controls listed below.

      Control Outline
      Engine-CVT Integrated Control Coordinates the control of the CVT system and engine control system to ensure both smooth and powerful driving that excels in shift response and fuel economy.
      Automatic Shift Control (Speed Ratio Control) Controls the primary pulley speed to approach the target input rotation speed calculated based on the information such as the acceleration pedal opening angle, vehicle speed and brake signals
      Acceleration Improvement Control Maintains the acceleration at a certain level for the accelerator pedal input, thus improving the feeling of linear acceleration.
      Deceleration Improvement Control During deceleration, a pulley ratio is determined and high engine speed is maintained, thus ensuring adequate engine braking.
      Uphill/Downhill Shift Control Controls to restrict upshifts or to provide appropriate engine braking force by using the ECM to determine whether the vehicle is traveling on uphill or downhill.

      Lock-up Control

      Flex Lock-up Control

      The ECM sends a current to shift solenoid valve SC and SL, and shift solenoid valve SLU based on the throttle position sensor signal and vehicle speed signal, and engages or disengages the lock-up clutch.
      7-speed Sport Sequential Shiftmatic Enables driving in a gear step selected using the shift lever, providing engine braking force appropriate to each gear step.
    2. Engine-CVT Integrated Control


      1. To preform fine-tuned control in accordance with driving conditions, various signals are exchanged between the engine control system and the CVT system. As a result, both smooth and powerful driving that excels in shift response and fuel economy has been achieved.

        A002JZOE09
    3. Automatic Shift Control (Speed Ratio Control)


      1. The ECM calculates the target primary pulley speed in accordance with the accelerator pedal position signal, vehicle speed signal, and stop light switch signal, in order to attain an optimal pulley ratio and shifting speed. To allow the actual primary pulley speed (acquired from the primary speed sensor) to match the target primary pulley speed, the ECM actuates shift solenoid valves SLP and SLS in order to control the pressure of primary pulley and secondary pulley. As a result, optimal pulley ratio and shifting speed have been achieved.

        A002JSBE10
      2. When the shift lever is in D, the system effects engine integrated control to optimize fuel economy characteristics and driving performance.

        A002JR0E03
      3. When the shift lever is in M, the shift characteristic is as shown below. The system will upshift automatically when the vehicle reaches the set speed during acceleration.

        A002JS3E19
      4. The SPORT mode limits the shift range to the acceleration side and maintains the primary pulley speed at high speeds. This produces a moderate engine braking force and provides an excellent response to accelerator pedal operation.

        A002JS2E02
    4. Acceleration Improvement Control


      1. The system determines the driver's acceleration request based on the vehicle speed and the changes in the accelerator pedal position. When the system determines this request, it will change the shift characteristic into one in which the engine speed and vehicle speed increase linearly. This improves the acceleration feeling.

        A002K2FE08
      2. In SPORT mode, the control area has been enlarged to improve the direct feeling of acceleration.

        A002K4TE02
    5. Deceleration Improvement Control


      1. During deceleration, a pulley ratio is determined and high engine speed is maintained, thus ensuring adequate engine braking.

      2. Engine control, which generates driving force quickly, is conducted during re-acceleration.

        A002JRFE07
    6. Uphill/Downhill Shift Control


      1. The uphill/downhill shift control helps shifting to an optimal speed ratio while driving on a winding uphill or downhill road.

      2. When the ECM determines uphill travel, the control restricts upshifting, thus offering smooth driving.

      3. If a signal indicating that the driver has operated the brake pedal is input while the ECM detects downhill travel, the control downshifts the speed ratio and generates an optimal engine braking force.

        A002JQ9E03
      4. The actual acceleration calculated from the vehicle speed signal is compared with the reference acceleration (based on level road travel) stored in the ECM to determine uphill or downhill travel.

        A002JZ4E04
        Text in Illustration
        *a Uphill *b Downhill
        *c Smaller *d Greater
        A002JZ3 Reference Acceleration A002JOX Actual Acceleration
    7. Lock-up Control


      1. The lock-up operation range has been expanded from that of the previous CVT, thus enabling control to start from low speeds.

      2. The lock-up operation range during deceleration has been expanded to the low-speed range. This expands the fuel cut range and achieves excellent fuel economy.

        A002JPHE06
        *1 Lock-up Off
        *2 Throttle Opening Angle
        *3 Lock-up On
        *4 Vehicle Speed
    8. Flex Lock-up Control


      1. In order to improve the transmission efficiency and also the fuel economy, the shift solenoid valve SLU for lock-up engagement pressure control is employed to deliver flex lock-up control that can provide more precise control than that of the conventional lock-up clutch mechanism.

      2. The flex lock-up control consists of flex start control and flex lock-up control at deceleration.

      3. The flex start control aggressively operates the lock-up clutch during start-off to increase the transmission efficiency, as a result, the engine can run in its most efficient operating range.

        A002JP0E09
        A002K5RE08
      4. Flex lock-up control during deceleration is used to expand the fuel-cut range. It operates the lock-up clutch over the low vehicle speed range when the vehicle decelerates so that minimal speed difference between the engine speed and turbine speed can be maintained.

    9. 7-speed Sport Sequential Shiftmatic


      1. The driver can select the desired gear step by moving the shift lever to "+" (forward) or to "-" (backward) while the shift lever is in M (7-speed sport sequential shiftmatic mode). Thus, the driver is able to change gear steps with a manual-like feel.

      2. A shift paddle switch (transmission shift switch assembly), which enables the driver to perform shift operations while holding the steering wheel, is provided.

      3. 7-speed sport sequential shiftmatic mode can be selected from normal driving mode by moving the shift lever to M. The driver can change the gear step by selecting it using the shift lever or shift paddle switch (transmission shift switch assembly). Engine braking force is provided in accordance with the selected gear step.

        Tech Tips

        If the shift paddle switch "+ (UP)" or "- (DOWN)" is operated during normal driving mode with the shift lever in D, gear step change operations are temporarily made available.

        A002K9KE03
      4. The shift position and shift range indicator is provided in the shift display of the combination meter assembly. When the shift lever is in P, R, N or D, the shift position is indicated in the shift position and shift range indicator. When the shift lever is in M, or temporary 7-speed sport sequential shiftmatic mode is selected with the shift lever in D, "M" or "D" and the selected shift range is displayed in the shift position and shift range indicator.

        A002K79E02
        Text in Illustration
        *a When shift lever is in P, R, N or D *b When shift lever is in M
        *c During temporary 7-speed sport sequential shiftmatic mode with shift lever in D - -
      5. In M mode, the CVT automatically upshifts or downshifts under the following conditions:

        Condition System Control
        Engine is under-revving 1 step downshift
        Engine is over-revving 1 step upshift
      6. When the vehicle is stopped during temporary 7-speed sport sequential shiftmatic mode, the CVT automatically downshifts to M1.

      7. The ECM will restrict the changing of the shift range if it detects a malfunction in the CVT system.

      8. If the vehicle speed and engine speed exceeds or goes below a preset level in response to the driver's downshift operation request, changing the shift range will be prohibited. In this case, the buzzer in the combination meter will sound to alert the driver.

    10. G AI-shift Control


      1. G AI-shift control is used. When braking, G AI-shift control performs braking downshift in accordance with the actual braking force, producing appropriate engine braking force. Additionally, while determining a corner condition, G AI-shift control restricts unnecessary shift change and maintains engine speed by detecting a lateral G force, improving acceleration control performance and ensuring the drive torque when exiting a corner.

        A002JWIE03

        Tech Tips


        • G AI-shift control is turned on by pressing the SPORT mode switch (pattern select switch assembly). When SPORT mode is selected, the SPORT mode indicator in the combination meter assembly illuminates. Pressing the SPORT mode switch (pattern select switch assembly) again turns SPORT mode off.

        • When the engine is stopped with SPORT mode on, SPORT mode is turned off.

        • When the shift lever is in M or temporary sport sequential shiftmatic mode is selected, shift range change operation due to mode change is not performed.

        • If a malfunction is detected in the CVT system, transmission control is performed in normal mode

  3. FUNCTION


    1. Shift Lock System


      1. A shift lock system consisting of a key interlock device* and a shift lock mechanism is used.


        • *: Models without entry and start system

      2. On the models without the entry and start system, the key interlock device prevents the key from being pulled out after the ignition switch is turned off, unless the shift lever is moved to P. Thus, the driver is urged to park the vehicle with the shift lever in P.

      3. The shift lock mechanism prevents the shift lever from being moved to a position other than P, unless the ignition switch (engine switch*) is turned to on, and brake pedal is depressed. It prevents the vehicle from starting off suddenly.


        • *: Models with entry and start system

      4. A shift lock override button, vehicle manually overrides the shift lock mechanism, is used.

        A002JVTE03
  4. CONSTRUCTION


    1. Torque Converter


      1. Due to a compact and high-transmission-efficient torque converter, excellent starting and acceleration performance is achieved.

      2. A damper structure, which can perform lock-up operation in the low-speed range, is used, achieving low fuel consumption.

      3. The K313 CVT torque converter assembly utilizes the flex lock-up control mechanism, enabling more meticulous control and achieving further improved fuel efficiency.

        A002JWEE02
        Text in Illustration
        *1 Pump Impeller *2 Stator
        *3 1-way Clutch *4 Lock-up Damper
        *5 Lock-up Clutch *6 Turbine Runner
    2. Oil Pump


      1. An internal gear pump is used.

      2. The oil pump is operated by the torque converter. It lubricates the planetary gear units and supplies operating fluid pressure to the hydraulic control.

        A002JSTE02
        Text in Illustration
        *1 Oil Pump Assembly *2 Oil Pump Body
        *3 Front Oil Pump Drive Gear *4 Front Oil Pump Driven Gear
        *5 Stator Shaft *6 Pump Cover
      3. The oil pump assembly has 1 inlet port and 2 discharge ports.

      4. The 2 discharge port oil pump system enables the selection of 2 oil pressure modes in accordance with the engine operating conditions, reducing the required oil pump drive torque.

        A002K0PE03
        *1 Drive Torque of Single Discharge Port Oil Pump
        *2 Drive Torque of Oil Pump
        *3 Drive Torque of 2 Discharge Port Oil Pump
        *4 Engine Speed
    3. Forward/Reverse Switching Unit


      1. The forward/reverse switching unit consists of a planetary gear, a forward clutch, and a reverse brake.

      2. The forward clutch, which acts during a forward movement, connects the input shaft with the planetary carrier.

      3. The reverse brake, which acts during reverse movement, keeps the ring gear stationary.

        A002JZJE02
        Text in Illustration
        *1 Reverse Brake *2 Ring Gear
        *3 No. 1 Pinion Gear *4 Sun Gear
        *5 No. 2 Pinion Gear *6 Planetary Carrier
        *7 Forward Clutch - -
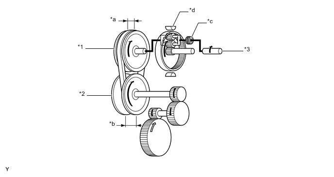
    4. Pulley and Steel Belt Unit


      1. The widths of the grooves of the pulleys are changed through hydraulic control.

      2. During acceleration, the action of shift solenoid valve SLP increases the oil pressure of the primary pulley, thus narrowing the width of the pulley groove.

      3. During deceleration, the action of shift solenoid valve SLP decreases the oil pressure of the primary pulley, thus widening the width of the pulley groove.

      4. The secondary pulley is hydraulically controlled by shift solenoid valve SLS. It controls the belt clamping pressure to ensure the proper power transmission efficiency.

        A002K8VE02
        Text in Illustration
        *1 Secondary Pulley *2 Primary Pulley
        *3 Steel Belt - -
        *a Pulley Ratio (Low) *b Pulley Ratio (High)
        *c Groove Width (Large) *d Groove Width (Small)
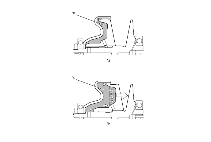
      5. The primary pulley uses a single piston construction.

        A002JUEE02
        Text in Illustration
        *a Pulley Ratio (Low) *b Pulley Ratio (High)
        *c Chamber - -
      6. The steel belt consists of elements and 2 rows of steel rings. In contrast to chains and belts, which transmit power through the use of tensile force, the steel belt uses the compressive action (pushing force) of the elements to transmit power.

        A002JZFE11
        Text in Illustration
        *1 Steel Ring *2 Element
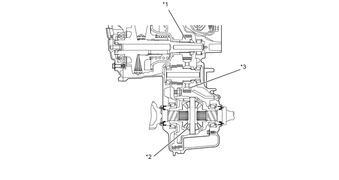
    5. Reduction Gear and Differential


      1. The reduction gear reduces the power output from the secondary pulley and transmits it to the differential.

      2. A 2-pinion type differential is used.

        A002JTDE02
        Text in Illustration
        *1 Reduction Drive Gear *2 Front Differential
        *3 Reduction Driven Gear - -
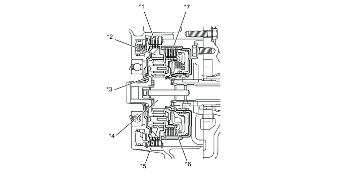
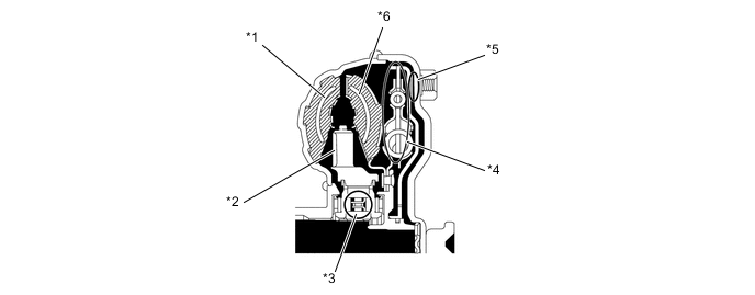
    6. Transmission Valve Body Assembly


      1. The transmission valve body assembly consists of the upper and lower valve bodies, 5 shift solenoid valves, upper valve body cover and valve body plate.

      2. The 5 shift solenoid valves are installed in the lower valve body for serviceability.

        A002JREE02
        Text in Illustration
        *1 Upper Valve Body Cover *2 Upper Valve Body
        *3 Shift Solenoid Valve SLP *4 Shift Solenoid Valve SC
        *5 Shift Solenoid Valve SLS *6 Shift Solenoid Valve SLU
        *7 Shift Solenoid Valve SL *8 Lower Valve Body
        *9 Valve Body Plate - -
        A002JZBE02
        Text in Illustration
        *1 Transmission Revolution Sensor (NIN) *2 Transmission Revolution Sensor (NT)
        *3 Lock-up Clutch *4 Primary Pulley
        *5 Forward Clutch *6 Reverse Brake
        *7 Secondary Pulley *8 Transmission Revolution Sensor (NOUT)
        *9 Manual Valve *10 Transmission Valve Body Assembly
        *11 Shift Solenoid Valve SLP *12 Shift Solenoid Valve SLS
        *13 Shift Solenoid Valve SLU *14 Shift Solenoid Valve SL
        *15 Shift Solenoid Valve SC *16 ECM
        *a Vehicle Speed Control *b Belt Clamping Pressure Control
        *c On-off and Back Pressure Control *d Clutch Pressure Control
        *e Transmission Revolution Sensor Signal (NT) *f Transmission Revolution Sensor Signal (NIN)
        *g Transmission Revolution Sensor Signal (NOUT) - -
      3. The functions of each shift solenoid valve are outlined in the table below.

        Shift Solenoid Valve Type Function
        Shift Solenoid Valve SC 2-way Used to switch control of the shift solenoid valve SLU between forward and reverse clutch control.
        Shift Solenoid Valve SL 2-way Used to switch control of the shift solenoid valve SLU between lock-up clutch control.
        Shift Solenoid Valve SLS Linear Controls the oil pressure of the secondary pulley.
        Shift Solenoid Valve SLP Linear Controls the oil pressure of the primary pulley.
        Shift Solenoid Valve SLU Linear Performs forward and reverse clutch control or lockup clutch control depending on the state of the shift solenoid valves SC and SL.
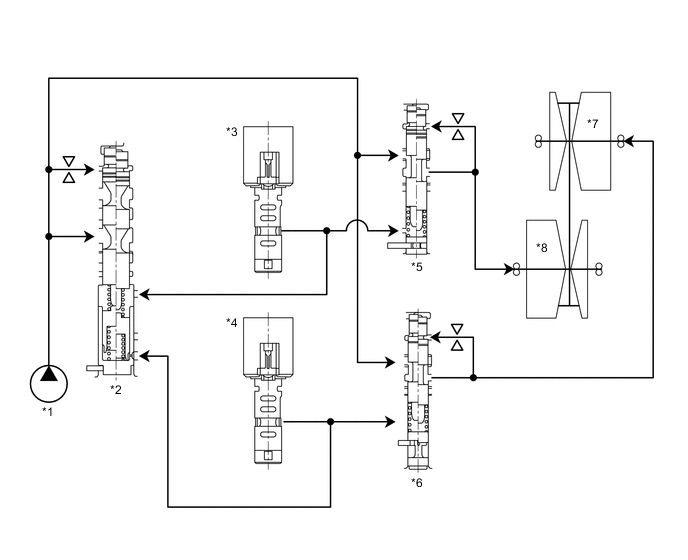
      4. Steel Belt Clamping Force Control


        • To ensure the proper control of the belt clamping pressure necessary for transmitting torque, the system controls the hydraulic pressure applied to the secondary pulley. The transmission valve body assembly is provided with a dedicated hydraulic pressure circuit for belt clamping pressure control. This circuit optimally controls the hydraulic pressure applied to the secondary pulley, thus achieving superior torque transmission performance.

      5. Speed Ratio Control (Shift Control)


        • Pulley ratio control is effected by controlling the hydraulic pressure applied to the primary pulley in order to provide fine-tuned control and a high level of reliability.

          A002JZ7E02
          Text in Illustration
          *1 Oil Pump Assembly *2 Primary Regulator Valve
          *3 Shift Solenoid Valve SLS *4 Shift Solenoid Valve SLP
          *5 No. 1 Line Pressure Modulator Valve *6 No. 3 Line Pressure Modulator Valve
          *7 Primary Pulley *8 Secondary Pulley
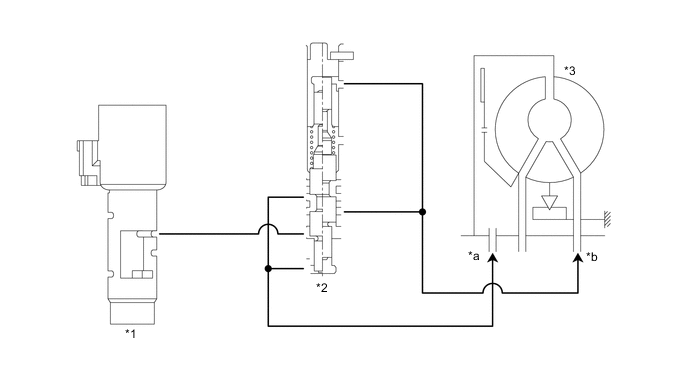
      6. Lock Up Control


        • Lock-up control is performed by controlling the oil pressure of the lock-up clutch. An shift solenoid valve SL and shift solenoid valve SLU are provided to control the lock-up clutch.

          A002JOZE02
          Text in Illustration
          *1 Shift Solenoid Valve SLU *2 Lock Up Control Valve
          *3 Torque Converter - -
          *a Off *b On
    7. Parking Lock Mechanism


      1. A parking lock mechanism is used on the secondary pulley. The engagement of the parking lock pawl with the parking lock gear integrated with the secondary pulley locks the movement of the vehicle.

        A002K2PE06
        Text in Illustration
        *1 Parking Lock Pawl *2 Parking Lock Gear
    8. Park/Neutral Position Switch Assembly, Transmission Control Switch and Shift Paddle Switch


      1. The park/neutral position switch assembly sends the P, R, N, and D position signals to the ECM.

      2. The transmission control switch detects whether the shift lever is in D or M, and detects the operating conditions of the shift lever ["+" (forwards) or "-" (backwards)] when M mode is selected, and sends signals to the ECM.

      3. The shift paddle switch (transmission shift switch assembly) is installed in the steering wheel. The ECM detects the operation of the shift paddle switch (transmission shift switch assembly) ["+" (right side) or "-" (left side)] when M mode is selected.

      4. The ECM controls the CVT system in accordance with the shift lever position signals.

      5. The ECM transmits signals to the combination meter assembly for the shift position and shift range indicator (P, R, N, D and M) in response to the signals received from the switches.

        A002K24E02
    9. Transmission Revolution Sensor


      1. The functions of each transmission revolution sensor are outlined in the table below:

        Transmission Revolution Sensor Type Output Signal Function
        NIN Pick-up Coil Analog Signal Detects the primary pulley speed from the rotation of the timing rotor on the primary pulley.
        NOUT Hall High/Low Digital Signal Detects the secondary pulley speed from the rotation of the reduction driven gear.
        NT Hall High/Low Digital Signal Detects the turbine speed from the rotation of the timing rotor on the forward clutch drum connected to the torque converter turbine runner.
        A002K37E04
        *1 Transmission Revolution Sensor (NIN)
        *2 Magnet
        *3 Coil
        *4 Output Waveform
        A002JX7E04
        *1 Transmission Revolution Sensor (NOUT)
        *2 Hall IC (Magnet in Hall IC)
        *3 Output Waveform
        A002JQ2E03
        *1 Transmission Revolution Sensor (NT)
        *2 Hall IC (Magnet in Hall IC)
        *3 Output Waveform
    10. CVT Fluid Warmer


      1. The CVT fluid warmer (transmission oil cooler) uses engine coolant to warm up the CVT fluid quickly. Consequently, the friction losses of the CVT are quickly reduced, thus improving fuel economy.

      2. The CVT fluid warmer (transmission oil cooler) works as a cooler after the CVT fluid has become heated, thus cooling down the CVT fluid.

        A002JX2E02
        Text in Illustration
        *1 CVT Fluid Warmer (Transmission Oil Cooler) - -
        *a Engine Coolant Inlet *b Engine Coolant Outlet
        *c CVT Fluid Inlet *d CVT Fluid Outlet
        A002JZ3 CVT Fluid Flow A002JOX Engine Coolant Flow
    11. Shift Control Mechanism


      1. A gate type shift lever is used.

      2. The shift control mechanism consists of a shift lock control unit assembly and a transmission control cable assembly.

        A002JXRE02
        Text in Illustration
        *1 Shift Lock Control Unit Assembly *2 Transmission Control Cable Assembly
        *3 Shift Lever Knob *4 Shift Lock Release Button
        *a Shift Pattern - -
  5. OPERATION


    1. Forward/Reverse Switching Unit


      1. The forward clutch is connected when advancing, and engine torque is input from the input shaft to the planetary carrier and is output to the primary pulley.

        A002JS7E08
        Text in Illustration
        *1 Reverse Brake *2 No. 1 Pinion Gear
        *3 Sun Gear *4 No. 2 Pinion Gear
        *5 Forward Clutch *6 Ring Gear
        *a Input *b Output
      2. Engine torque is input to the sun gear when reversing. The ring gear is fixed by the reverse brake to transmit engine torque to the stepless shift transmission mechanism with inverse rotation.

        A002K8RE08
        Text in Illustration
        *1 Reverse Brake *2 No. 1 Pinion Gear
        *3 Sun Gear *4 No. 2 Pinion Gear
        *5 Forward Clutch *6 Ring Gear
        *a Input *b Output
    2. Transaxle Power Flow


      1. The changing of the pulley ratio is accomplished in a continuously variable manner by varying the widths of the grooves of the primary and secondary pulleys.

        A002K68E11
        Text in Illustration
        *1 Primary Pulley *2 Secondary Pulley
        *3 Differential Ring Gear *4 Reduction Driven Gear
        *5 Reduction Drive Gear *6 Input Shaft
        *7 Forward Clutch *8 Reverse Brake
      2. Shift Lever in D (Pulley Ratio Low)

        A002K6IE09
        Text in Illustration
        *1 Primary Pulley *2 Secondary Pulley
        *3 Input Shaft - -
        *a Groove Width (Large) *b Groove Width (Small)
        *c Forward Clutch (On) *d Reverse Brake (Off)
      3. Shift Lever in D (Pulley Ratio High)

        A002JPKE09
        Text in Illustration
        *1 Primary Pulley *2 Secondary Pulley
        *3 Input Shaft - -
        *a Groove Width (Small) *b Groove Width (Large)
        *c Forward Clutch (On) *d Reverse Brake (Off)
      4. Shift Lever in N

        A002K1ZE09
        Text in Illustration
        *1 Primary Pulley *2 Secondary Pulley
        *3 Input Shaft - -
        *a Groove Width (Large) *b Groove Width (Small)
        *c Forward Clutch (Off) *d Reverse Brake (Off)
      5. Shift Lever in R

        A002K0TE09
        Text in Illustration
        *1 Primary Pulley *2 Secondary Pulley
        *3 Input Shaft - -
        *a Groove Width (Large) *b Groove Width (Small)
        *c Forward Clutch (Off) *d Reverse Brake (On
      6. Shift Lever in M


        • Gear train movement when the shift lever is in M is similar to the one when the shift lever is in D. However, since pulley ratio is adjusted in accordance with driver's shift operation, the driver is able to upshift or downshift with a manual-like feel.

  6. FAIL-SAFE


    1. This fail-safe function minimizes the loss of operability when an abnormality occurs in a sensor or shift solenoid valve. For details, refer to the Repair Manual.

  7. DIAGNOSIS


    1. When the ECM detects a malfunction, the ECM records the malfunction and memorizes the information related to the fault. Furthermore, the ECM illuminates or blinks the MIL in the combination meter assembly to inform the driver.

    2. The ECM will also store the Diagnostic Trouble Codes (DTCs) of the malfunctions. The DTCs stored in the ECM are output to the Global Techstream (GTS) via the ECM and the DLC3. For details, refer to the Repair Manual.

      Tech Tips

      To clear a DTC that is stored in the ECM, use the Global Techstream (GTS) or disconnect the cable from the battery terminal for 1 minute or longer.