СИСТЕМА КОНДИЦИОНИРОВАНИЯ


  1. КОНСТРУКЦИЯ


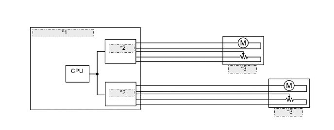
    1. В разъем шины встроена микросхема передачи данных/управления, которая обменивается данными с разъемами всех серводвигателей, приводит в действие серводвигатели и имеет функцию определения положения. Это позволяет объединять в шину жгуты проводов отдельных серводвигателей и обеспечивает более легкую конструкцию с меньшим количеством проводов.

      A019QGBE09
      A019QYGE04
      для моделей без разъема шины
      *1 Блок управления системой кондиционирования в сборе
      *2 ИС управления
      *3 Серводвигатель