СИСТЕМА АВТОМАТИЧЕСКОЙ ТРАНСМИССИИ


  1. НАЗНАЧЕНИЕ ОСНОВНЫХ УСТРОЙСТВ

    Устройство Функция
    Подогреватель ATF Быстро подогревает ATF.
    Охладитель ATF воздушного охлаждения*1 Охлаждает ATF.
    Гидротрансформатор в сборе
    • Передает мощность двигателя в трансмиссию.

    • Увеличивает крутящий момент двигателя.

    Масляный насос Создает давление масла, необходимое для работы трансмиссии.

    Муфта № 1 (C1)

    Соединяет первичный вал, F4и промежуточный вал.

    Муфта № 2 (C2)

    Соединяет первичный вал и водило центральной планетарной передачи.

    Муфта № 3 (C3)

    Соединяет первичный вал и солнечную шестерню передней планетарной передачи.

    Муфта № 4 (C4)

    Соединяет первичный и промежуточный валы.

    Тормоз № 1 (B1)

    Препятствует вращению водила передней планетарной передачи по часовой стрелке или против часовой стрелки.

    Тормоз № 2 (B2)

    Препятствует вращению коронных шестерен передней и центральной планетарных передач по часовой стрелке или против часовой стрелки.

    Тормоз № 3 (B3)

    Препятствует вращению наружного кольца F2по часовой стрелке и против часовой стрелки.

    Тормоз № 4 (B4)

    Препятствует вращению водила центральной планетарной передачи и коронной шестерни задней планетарной передачи по часовой стрелке или против часовой стрелки.

    Муфта свободного хода № 1 (F1)

    Препятствует вращению водила передней планетарной передачи против часовой стрелки.

    Муфта свободного хода № 2 (F1)

    Препятствует вращению солнечной шестерни передней планетарной передачи против часовой стрелки во время действия B3.

    Муфта свободного хода № 3 (F1)

    Препятствует вращению водила центральной планетарной передачи и коронной шестерни задней планетарной передачи против часовой стрелки.

    Муфта свободного хода № 4 (F1)

    Препятствует вращению промежуточного вала против часовой стрелки.
    Шестерни планетарной передачи Изменяют путь передачи мощности в соответствии с режимами муфт и тормозов, обеспечивая соответствующее увеличение или уменьшение частоты вращения выходного вала.
    Электромагнитный клапан переключения передач (S1) Управляет клапаном переключения передач 1-2 и релейным клапаном SL1.
    Электромагнитный клапан переключения передач (S2) Управляет клапанами переключения передач 2-3 и 5-6 .
    Электромагнитный клапан переключения передач (S3) Управляет клапаном переключения передач 3-4.
    Электромагнитный клапан переключения передач (S4) Управляет клапаном переключения передач 4-5, релейным клапаном SL1 и реверсивным клапаном последовательности.
    Электромагнитный клапан переключения передач (SR) Управляет релейным клапаном включения муфты и релейным клапаном B1.
    Электромагнитный клапан переключения передач (SL1)
    • Регулирует давление сцепления.

    • Регулирует обратное давление гидроаккумулятора.

    Электромагнитный клапан переключения передач (SL2) Регулирует давление в тормозной системе.
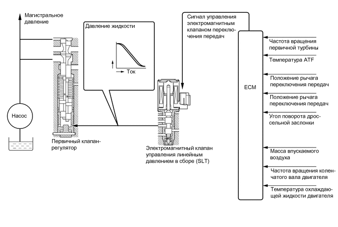
    Электромагнитный клапан управления линейным давлением в сборе (SLT)
    • Регулирует линейное давление.

    • Регулирует обратное давление гидроаккумулятора.

    Электромагнитный клапан управления блокировкой в сборе (SLU) Регулирует давление муфты блокировки.
    Датчики температуры ATF Определяет температуру ATF.
    Датчик частоты вращения трансмиссии (NT) Определяет частоту вращения первичного вала трансмиссии.
    Датчик оборотов трансмиссии (SP2) Определяет частоту вращения выходного вала трансмиссии.
    Датчик положения паркинга/нейтрали в сборе Определяет положение рычага переключения передач (P, R, N, D).
    Датчик положения селектора передач
    • Регистрирует перевод рычага переключения передач в положении S.

    • Регистрирует выполнение водителем операций повышения и понижения передачи, когда рычаг переключения передач находится в положении S.

    Переключатель мультиинформационного дисплея Служит для переключения экранов мультиинформационного дисплея.
    ECM
    • Управляет всеми электромагнитными клапанами переключения передач и регулирует мощность двигателя в соответствии с сигналами от различных датчиков и переключателей.

    • Когда ECM обнаруживает неисправность, он производит диагностику и сохраняет в памяти данные о неисправном узле.

    ЭБУ полного привода Передает сигнал режима привода в ЕСМ.
    Блок управления системой кондиционирования в сборе Передает сигнал управления задержкой переключения на более высокую передачу в ECM.
    ЭБУ помощи при движении в сборе*2 Передает сигнал запроса управления переключением передач в ECM.
    ЭБУ переключателя помощи при движении
    • Передает сигнал режима запуска на 2-й передаче в ЕСМ.

    • Передает сигнал управления выбором типа местности в ECM.*3

    Щиток приборов в сборе Индикатор механизма переключения передач
    • Отображает положение рычага переключения передач.

    • Обеспечивает индикацию движения в режиме D или S для водителя.

    • Отображает диапазон передач (S1-S6).

    MIL Горит или мигает, информируя водителя о том, что ECM обнаружил неисправность.
    Контрольная лампа режима запуска № 2 Загорается, когда водитель выбирает режим запуска на 2-й передаче.
    Мультиинформационный дисплей
    • Обеспечивает индикацию выбора режима запуска на 2-й передаче.

    • Отображает сообщение для предупреждения водителя, когда температура ATF становится высокой.

    • Отображает диагностический код неисправности (DTC).

    Главная контрольная лампа аварийного состояния Загорается для предупреждения водителя, когда на мультиинформационном дисплее появляется сообщение.
    Многофункциональный зуммер
    • Подает звуковой сигнал, когда блокируется понижение передачи в режиме S.

    • Подает звуковой сигнал для предупреждения водителя, когда на мультиинформационном дисплее появляется сообщение.


    • *1: для моделей с охладителем ATF воздушного охлаждения

    • *2: для моделей с динамической радарной системой круиз-контроля

    • *3: для моделей с функцией выбора типа местности

  2. УПРАВЛЕНИЕ В СИСТЕМЕ

    Электронное управление автоматической трансмиссией
    Управление Функция
    Управление порядком переключения передач ECM подает ток в электромагнитные клапаны S1, S2, S3, S4 и/или SR на основании сигналов от различных датчиков для переключения передач.
    Управление линейным давлением Система приводит в действие электромагнитный клапан переключения передач SLT, управляющий линейным давлением, согласно данным ECM и режиму работы трансмиссии.
    Оптимальное управление давлением сцепления Электромагнитные клапаны переключения передач SL1, SL2 и SLT точно регулируют давление сцепления в соответствии с мощностью двигателя и режимом работы трансмиссии.
    Регулирование давления между муфтами

    Система регулирует давление, которое подается непосредственно на тормоз B2и муфту C3, путем управления электромагнитными клапанами переключения передач SL1 и SL2 в соответствии с сигналами ECM.

    Регулирование сечения Предотвращает захват масляным насосом воздуха при движении на 1-й передаче в условиях очень низких температур.
    Регулирование подъема автомобиля В целях ограничения движения автомобиля вверх, когда рычаг переключения передач перемещается из положения D в положение N, оптимизируется скорость выключения сцепления.
    Переключение на пониженную передачу Для обеспечения плавного переключения на более низкую передачу при разгоне автомобиля оптимизируется каналы подачи жидкости и параметры управления.
    Регулирование крутящего момента двигателя Временно уменьшает угол опережения зажигания двигателя для улучшения ощущения переключения во время повышения или понижения передачи.
    Координированное управление силовой передачей Система совместно управляет переключением передач и мощностью двигателя для достижения превосходных характеристик переключения и управляемости.
    Управление понижением передач при движении по инерции Для предотвращения снижения частоты вращения коленчатого вала двигателя и поддержания отсечки топлива ECM включает пониженную передачу до тех пор, пока не закончится отсечка топлива.
    Регулировка моментов включения/выключения блокировки Исходя из сигналов от различных датчиков, ECM подает ток в электромагнитный клапан переключения передач SLU и включает или выключает муфту блокировки.
    Гибкое управление муфтой блокировки Путем управления электромагнитным клапаном переключения передач SLU муфта блокировки устанавливается в промежуточное состояние между включенным и выключенным состояниями, в результате чего расширяется рабочий диапазон муфты блокировки, и снижается расход топлива.
    Интеллектуальное управление переключением передач (управление AI-shift) На основании сигналов от различных датчиков ECM оценивает дорожные условия и намерение водителя. В результате автоматически определяется подходящая схема переключения передач, что улучшает управляемость.
    Автоматическое управление в режиме "multimode" Когда рычаг переключения передач находится в положении S, ECM управляет работой автоматической трансмиссии в соответствии с выбранным диапазоном переключения.

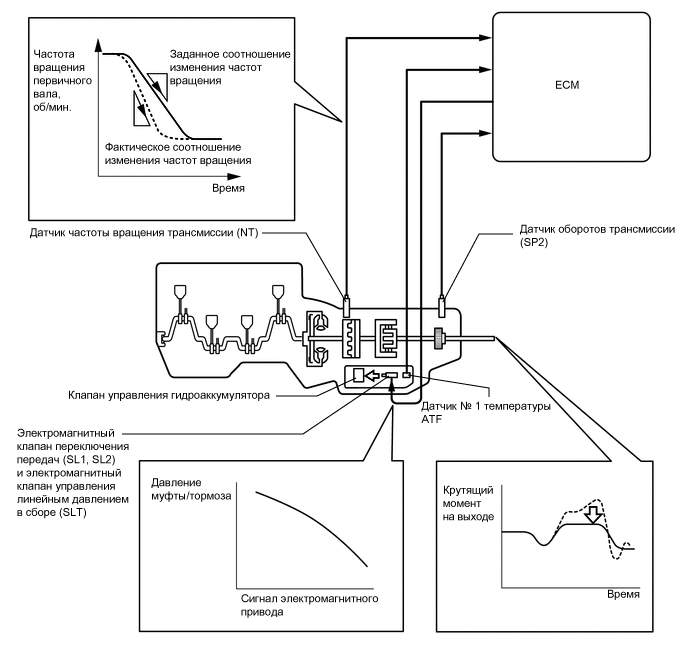
    1. Управление линейным давлением


      1. Чтобы получить заданную характеристику линейного давления, соответствующую сигналам всех датчиков, ECM приводит в действие электромагнитный клапан переключения передач SLT для регулирования давления дроссельной заслонки.

      2. Это дает возможность первичному клапану-регулятору точно управлять линейным давлением в соответствии с мощностью двигателя, тем самым сглаживая характеристики переключения.

        A019QQBE04
    2. Оптимальное управление давлением сцепления


      1. ECM контролирует сигналы различных датчиков (например, датчика оборотов трансмиссии (NT)), что позволяет электромагнитным клапанам переключения передач SL1, SL2 и SLT точно регулировать давление сцепления в соответствии с мощностью двигателя и условиями движения. В результате обеспечиваются сглаженные характеристики переключения.

        A019QJYE02
    3. Регулирование давления между муфтами


      1. Эта функция используется для переключения с 5-й передачи на 6-ю и с 6-й на 5-ю.

      2. ECM приводит в действие электромагнитные клапаны переключения передач SL1 и SL2 в соответствии с различными сигналами. Выходы этих электромагнитных клапанов напрямую подключены к клапанам управления B2и C3для регулирования линейного давления, действующего на тормоз B2и муфту C3.

      3. Обеспечиваются высокая чувствительность и превосходные характеристики переключения.

        A019R3NE04
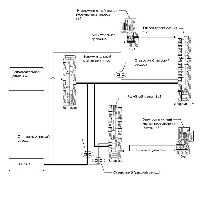
    4. Регулирование сечения


      1. При очень низких температурах увеличивается вязкость ATF, вследствие чего в масляном насосе может возникать кавитация. Поэтому функция регулирования сечения уменьшает объем ATF в гидравлическом контуре и увеличивает объем ATF, подаваемый масляным насосом, чтобы не допустить кавитации в масляном насосе.

      2. Когда автомобиль останавливается на 1-й передаче, ECM выключает электромагнитный клапан переключения передач S1 и включает (нормально выключенный) электромагнитный клапан переключения передач S4, чтобы подать гидравлическое давление на клапан переключения передач 1-2 и релейный клапан SL1. Электромагнитный клапан переключения передач 1-2 и релейный клапан SL1 закрывают канал подачи ATF для вспомогательного давления от вспомогательного клапан-регулятора, в результате чего вспомогательное давление подается через отверстие "A". В результате уменьшается объем ATF в гидравлическом контуре.

      3. Когда автомобиль останавливается на передаче, отличной от 1-й, вспомогательное давление от вспомогательного клапана-регулятора подается как через клапан переключения передач 1-2, так и через релейный клапан SL1 и проходит через отверстия B и C. В результате объем ATF в гидравлическом контуре не уменьшается.

        A019QKYE03
    5. Координированное управление силовой передачей


      1. За счет координации управления с интеллектуальной электронной системой управления дроссельной заслонкой (ETCS-i) и электронной системой регулирования угла опережения зажигания (ESA), а также электронного управления скоростью подачи/сброса гидравлических давлений сцепления и торможения достигаются высокое быстродействие и ослабление толчков при включении передач.

        A019QSRE02
    6. Управление понижением передач при движении по инерции


      1. ECM управляет понижением передач, ограничивая уменьшение частоты вращения коленчатого вала двигателя и, тем самым, максимально долго сохраняя отсечку топлива. В результате повышается экономия топлива.

      2. Благодаря этому управлению, когда автомобиль начинает замедлять ход на 6-й передаче, трансмиссия переключается с 6-й передачи на 5-ю, а затем с 5-й передачи на 4-ю до возобновления подачи топлива с тем, чтобы отсечка топлива не прекращалась.

        A019QZ0E05
    7. Регулировка моментов включения/выключения блокировки


      1. ECM обеспечивает снижение расхода топлива за счет правильного выбора моментов включения блокировки при движении на 5-й или 6-й передаче, когда рычаг переключения передач установлен в положение D или в диапазон S6, а также при движении на верхней передаче, когда рычаг переключения передач установлен в диапазон S5 или S4.

        Регулировка моментов включения/выключения блокировки
        Передача Диапазон передач или положение рычага переключения передач
        D, S6 S5 S4
        1-я X X X
        2-я X X X
        3-я X X X
        4-я X* X*
        5-я -
        6-я - -

        Tech Tips

        ○: Работает

        X: не действует

        -: не применимо

        *: управление блокировкой осуществляется, когда фиксируется 4-я передача при интеллектуальном управлении переключением AI-shift, а также при работе системы круиз-контроля.

    8. Гибкое управление муфтой блокировки


      1. В диапазоне низких и средних частот вращения данная функция управляет электромагнитным клапаном переключения передач SLU, заставляя муфту блокировки работать в промежуточном режиме между включенным и выключенным состояниями, что повышает КПД передачи энергии. В результате достигается расширение рабочего диапазона муфты блокировки, и повышается экономия топлива. Гибкое управление муфтой блокировки действует на 3-й, 4-й, 5-й и 6-й передачах, когда рычаг переключения передач находится в положении D или в диапазоне S6, на 3-й, 4-й и 5-й передачах, когда рычаг переключения передач находится в диапазоне S5, и на 3-й и 4-й передачах, когда рычаг переключения передач находится в диапазоне S4.

      2. Гибкое управление муфтой блокировки действует на 4-й, 5-й и 6-й передачах даже при замедлении автомобиля (когда педаль акселератора опущена). Как следствие, расширяется зона отсечки топлива двигателя, и снижается расход топлива.

        A019QHOE02
        A019QHNE09
        Гибкое управление муфтой блокировки
        Передача Диапазон передач или положение рычага переключения передач
        D, S6 S5 S4
        1-я X X X
        2-я X X X
        3-я
        4-я ○* ○* ○*
        5-я ○* ○* -
        6-я X* - -

        Tech Tips

        ○: Работает

        X: не действует

        -: не применимо

        *: гибкое управление муфтой блокировки также действует во время замедления.

    9. Интеллектуальное управление переключением передач (управление AI-shift)


      1. Управление AI-shift оптимизирует управление трансмиссией исходя из входных сигналов и автоматически изменяет схему переключения передач. В результате обеспечивается высококлассная работа трансмиссии.

      2. Управление AI-shift включает в себя вспомогательное управление в зависимости от дорожных условий и вспомогательное управление в зависимости от намерения водителя.

      3. Управление AI-shift действует в соответствии с данными о состоянии тормозов и положении педали акселератора, и только тогда, когда рычаг переключения передач находится в положение D. Когда рычаг переключения передач перемещается в какое-либо положение помимо D, управление AI-shift отключается.

        A019QREE05
      4. Реализуя вспомогательное управление в зависимости от дорожных условий, ECM определяет угол поворота дроссельной заслонки, угол поворота педали акселератора и скорость автомобиля, чтобы оценить характер движения автомобиля (вверх или вниз по склону). Чтобы обеспечить оптимальное тяговое усилие при движении вверх по склону, автоматически исключаются лишние переключения на более высокие передачи. Для оптимального торможения двигателем при движении вниз по склону автоматически производится переключение на более низкую передачу.

        A019R40E03
      5. В рамках вспомогательного управления в зависимости от намерений водителя система оценивает намерение водителя исходя из положения педали акселератора и состояния автомобиля, и выбирает схему переключения передач, хорошо подходящую конкретному водителю.

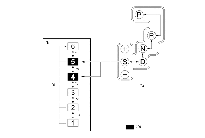
    10. Автоматическое управление в режиме "multimode"


      1. Режим автоматического управления трансмиссией "multimode" позволяет водителю переключать диапазоны передач (режим "multimode" не предназначен для ручного выбора отдельных передач). После перевода рычага переключения передач в положение S водитель получает возможность выбрать желаемый диапазон передач, смещая рычаг переключения в положение "+" (вперед) или "-" (назад). Таким образом, водитель может переключать передачи по ощущению, как в механической трансмиссии.

        A019QCTE04
      2. Водитель выбирает положение S с помощью рычага переключения передач, В это время в зависимости от скорости автомобиля выбирается диапазон S4 или S5 (в соответствии с функцией интеллектуального управления переключением передач AI-shift может быть выбран диапазон S3 или S2). После этого при каждом перемещении водителем рычага переключения передач в положение "+" (вперед) или положение "-" (назад) происходит поочередная смена диапазона передач.

      3. При таком управлении ECM оптимальным образом управляет переключением передач в выбранном водителем допустимом диапазоне. Когда автомобиль останавливается, выполняется переключение на 1-ю передачу (как в обычной автоматической трансмиссии).

      4. При удержании рычага переключения передач в положении "+" (после сдвига вперед из положения S) независимо от текущего диапазона (S1-S5) устанавливается диапазон передач S6.

        A019QTBC01
        *a Схема переключения передач *b Переходы между диапазонами переключения передач
        *c Перемещение рычага переключения передач в положение "+" (вперед) или "-" (назад). *d Удержание рычага переключения передач в положении "+" (сдвиг вперед).
        *e Диапазон передач по умолчанию - -
        Таблица допустимых передач
        Диапазон передач Состояние индикатора диапазона селектора передач Допустимые передачи
        S6 6 6-я ←→ 5-я ←→ 4-я ←→ 3-я ←→ 2-я ←→ 1-я
        S5 5 5-я ←→ 4-я ←→ 3-я ←→ 2-я ←→ 1-я
        S4 4 4-я ←→ 3-я ←→ 2-я ←→ 1-я
        S3 3 3-я ←→ 2-я ←→ 1-я
        S2 2 2-я ←→ 1-я
        S1 1 1-я
      5. Когда рычаг переключения передач находится в положении S, на щитке приборов отображается индикатор режима S. Индикатор диапазона селектора передач обеспечивает индикацию выбранного водителем диапазона.

      6. При движении автомобиля с заданной или более высокой скоростью любая попытка переключиться на более низкий диапазон передач с помощью рычага переключения передач будет игнорироваться, чтобы обеспечить защиту автоматической трансмиссии. При этом ECM дважды включит многофункциональный зуммер на щитке приборов для предупреждения водителя.

  3. ФУНКЦИИ


    1. Система блокировки селектора


      1. Система блокировки селектора предотвращает перемещение рычага переключения передач в какое-либо положение помимо P, когда выключатель зажигания не находится в состоянии ON (ВКЛ) (IG), и не нажата педаль тормоза. Это предотвращает непреднамеренное трогание автомобиля с места.

      2. Система блокировки селектора работает под управлением ЭБУ блокировки селектора и обеспечивает блокировку селектора.

      3. ЭБУ блокировки селектора определяет положение рычага переключения передач с помощью датчика положения P и принимает сигналы, поступающие от выключателя стоп-сигналов и выключателя зажигания. Исходя из этих сигналов ЭБУ блокировки селектора включает соленоид блокировки селектора с тем, чтобы разблокировать рычаг переключения передач.

      4. Предусмотрена кнопка разблокировки селектора, которая позволяет вручную отключить механизм блокировки селектора.

        A019QIKE03
    2. Система выбора схемы переключения передач


      1. Система выбора схемы переключения передач дает водителю возможность использовать переключатель мультиинформационного дисплея для выбора режима запуска на 2-й передаче, который позволяет автомобилю тронуться с места на 2-й передаче, тем самым облегчая начало движения на заснеженной, песчаной или грязной поверхности.

      2. Когда рычаг переключения передач находится в положении D, либо выбран диапазон S6, S5, S4, S3 или S2, выбор режима запуска на 2-й передаче дает автомобилю возможность тронуться с места на 2-й передаче. Если рычаг переключения передач находится в положении D, либо выбран диапазон S6, S5, S4 или S3, после трогания трансмиссия будет автоматически переключаться на более высокие 3-ю, 4-ю, 5-ю и повышающую передачи обычным способом. Если выбран диапазон S2, трансмиссия продолжит работать на 2-й передаче.

      3. В режиме выбора типа местности выбрать режим запуска на 2-й передаче невозможно.*


        • *: для моделей с функцией выбора типа местности

  4. Функция работы в аварийном режиме


    1. Аварийный режим сводит к минимуму ухудшение эксплуатационных качеств автомобиля при выходе из строя какого-либо датчика или электромагнитного клапана переключения передач.

      Перечень действий в аварийном режиме
      Неисправная деталь Функция
      Датчик частоты вращения трансмиссии (NT)
      • При неисправности датчика оборотов трансмиссии NT управление переключением осуществляется с использованием сигнала датчика оборотов трансмиссии SP2.

      • При неисправности датчика оборотов трансмиссии (NT) переключение на более высокие 5-ю и 6-ю передачи, управление AI-shift и гибкое управление муфтой блокировки запрещаются.

      Датчик оборотов трансмиссии (SP2)
      • При неисправности датчика оборотов трансмиссии SP2 управление переключением осуществляется с использованием сигнала датчика оборотов трансмиссии NT.

      • При неисправности датчика оборотов трансмиссии (SP2) переключение на более высокие 5-ю и 6-ю передачи, интеллектуальное управление переключением передач AI-shift и гибкое управление муфтой блокировки Flex запрещаются.

      Датчик температуры ATF № 1 (THO1) При неисправности датчика температуры ATF № 1 переключение на более высокие 5-ю и 6-ю передачи и гибкое управление муфтой блокировки запрещаются.
      Электромагнитные клапаны переключения передач S1, S2, S3, S4 и SR
      • В случае выхода из строя какого-либо из указанных слева электромагнитных клапанов переключения передач неисправный электромагнитный клапан обесточивается.

      • Система управления переключением передач переходит в аварийный режим работы и начинает осуществлять переключение передач с помощью исправных электромагнитных клапанов, обеспечивая продолжение движения.

      Электромагнитные клапаны переключения передач SL1 и SL2 При неисправности электромагнитного клапана переключения передач SL1 или SL2 переключение на более высокие 5-ю и 6-ю передачи и гибкое управление муфтой блокировки запрещаются.
      Электромагнитный клапан управления линейным давлением в сборе (SLT) При неисправности электромагнитного клапана управления линейным давлением в сборе (SLT) этот электромагнитный клапан обесточивается. В результате оптимальное управление линейным давлением прекращает действовать, и толчок при включении передачи усиливается. Переключение передач осуществляется путем обычного регулирования давления сцепления.
      Электромагнитный клапан управления блокировкой в сборе (SLU) При неисправности электромагнитного клапана управления блокировкой в сборе (SLU) этот электромагнитный клапан обесточивается. В результате регулировка моментов включения блокировки и гибкое управление блокировкой прекращают действовать, и повышается расход топлива.
  5. ДИАГНОСТИКА


    1. Когда ECM обнаруживает неисправность, он производит диагностику и сохраняет в памяти данные о неисправном узле. Кроме того, ECM включает или заставляет мигать контрольную лампу неисправности (MIL) на щитке приборов, информируя водителя о неисправности.*


      • *: кроме моделей для стран Персидского залива

    2. Также ECM сохраняет в памяти DTC (диагностические коды неисправности).

    3. Считать DTC можно, подключив портативный диагностический прибор II к разъему DLC3.

    4. Более подробную информацию см. в Руководстве по ремонту.