AIRBAG SYSTEM


  1. FUNCTION OF MAIN COMPONENTS


    1. The main components in the airbag system have the following functions:

      Component Function
      Center Airbag Sensor Assembly
      • The center airbag sensor assembly receives signals from the deceleration sensor and safing sensor built into the center airbag sensor assembly and one of the front airbag sensors, determines whether the steering pad (driver side squib), front passenger airbag, driver and front passenger knee airbag and front and rear seat outer belt assembly (pretensioner squib) should be activated, and diagnoses system malfunctions.

      • The center airbag sensor assembly receives signals from the deceleration sensor and the safing sensor built into the center airbag sensor assembly, the side airbag sensor assembly and rear airbag sensor, rear floor side airbag sensor, determines whether the front and rear seat side airbag, the curtain shield airbag and front and rear seat outer belt assembly (pretensioner squib) should be activated, and diagnosis system malfunctions.

      • The center airbag sensor assembly sends the airbag deployment signal to the ECM through the Controller Area Network (CAN) to operate the fuel pump control.

      • The center airbag sensor assembly sends the airbag deployment signal to the main body ECU to operate the collision door lock release function.

      Steering Pad (Driver Side Squib) These consist of an inflator, a bag, and so on. The inflator deploys gas in accordance with an expansion signal from the center airbag sensor assembly and deploys the bag.
      Front Passenger Airbag Assembly
      Driver Knee Airbag
      Front Passenger Knee Airbag
      Front Seat Side Airbag Assembly
      Rear Seat Side Airbag Assembly*
      Curtain Shield Airbag Assembly
      Front Airbag Sensor The front airbag sensor uses an electrical type deceleration sensor. Based on the deceleration of the vehicle during a frontal collision, a distortion is created in the sensor and converted into an electrical signal. Accordingly, the extent of the initial collision can be detected in detail.
      Side Airbag Sensor Assembly A deceleration sensor is enclosed in the side airbag sensor and rear airbag sensor. Based on the deceleration of the vehicle during a side or rear side collision, a distortion is created in the sensor and converted into an electrical signal.
      Rear Airbag Sensor
      Rear Floor Side Airbag Sensor Based on the deceleration of the vehicle during a rear side collision, a distortion is created in the sensor and converted into an electrical signal. This sensor functions as a safing sensor to detect the deployment of the SRS curtain shield airbag.
      Combination Meter Assembly SRS Warning Light The SRS warning light turns on to alert the driver when the center airbag sensor assembly detects a malfunction in the airbag system.
      Multi-information Display The multi-information display alerts the driver when the center airbag sensor assembly detects a malfunction in the airbag system.

      • *: Models with SRS rear side airbag

  2. OPERATING CONDITION


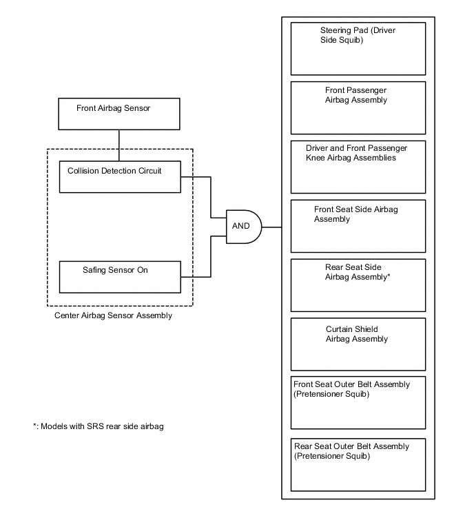
    1. If the impact of a collision is greater than the specified value, the SRS is activated automatically. The center airbag sensor assembly includes the safing sensor and deceleration sensor. The safing sensor is designed to turn on at a lower deceleration rate than the deceleration sensor.


      1. In case of a frontal collision, the center airbag sensor assembly determines whether airbag deployment or pretensioner activation is necessary based on signals from the deceleration sensor and the front airbag sensor. If the safing sensor turns on simultaneously with the front airbag sensor, current flows to the squibs to deploy the SRS components as shown in the illustration below. However, a deployment ignition signal may be output with the deceleration sensor on signal even without a signal from the front airbag sensor.

        A0009SZE02
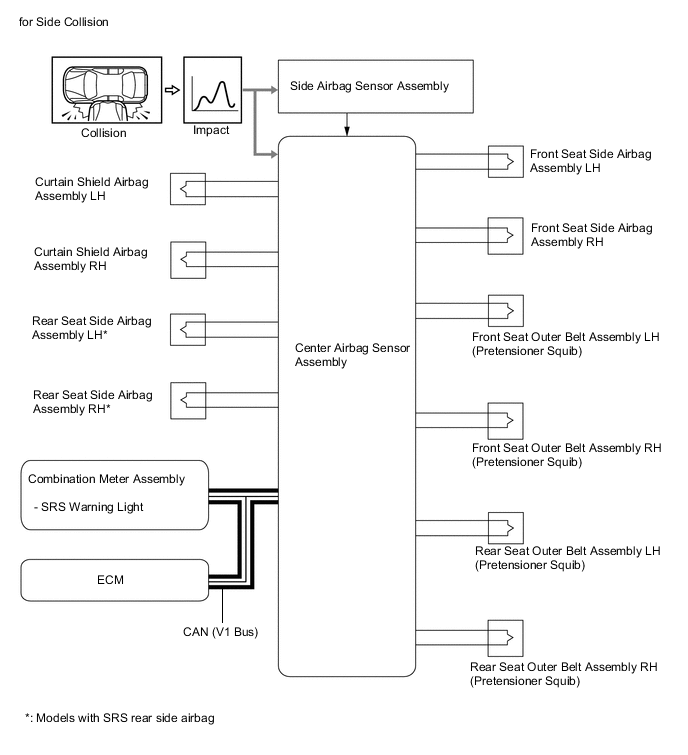
      2. In case of a side collision, the center airbag sensor assembly determines whether airbag deployment is necessary based on signals from the side airbag sensor assembly. If the safing sensor turns on simultaneously with the side airbag sensor assembly, current flows to the squibs to deploy the SRS as shown in the illustration below:

        A0009RJE03
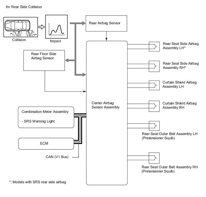
      3. In case of a rear side collision, the center airbag sensor assembly determines whether airbag deployment is necessary based on signals from the rear airbag sensor. If the safing sensor and rear floor side airbag sensor turn on simultaneously with the rear airbag sensor, current flows to the squib to deploy the SRS as shown in the illustration below:

        A0009SYE03
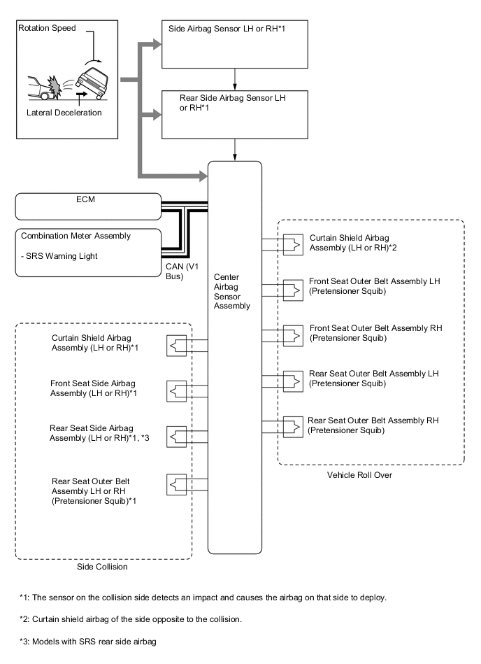
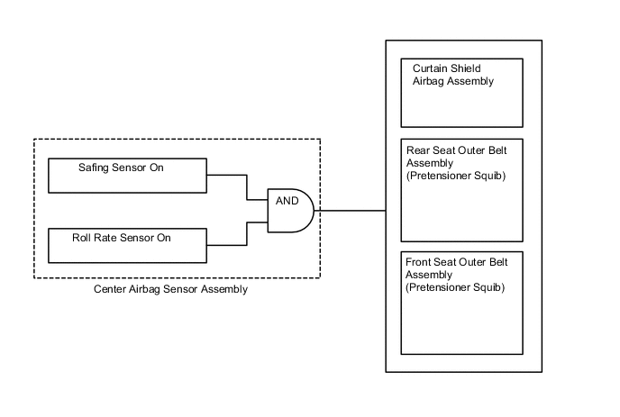
      4. In case of a roll over, the center airbag sensor assembly determines whether airbag deployment and pretensioner activation are necessary based on signals from the safing sensor and roll rate sensor.* If the safing sensor and roll rate sensor turn on simultaneously, current flows to the squibs to deploy the SRS components as shown in the illustration below:


        • *: Models with RSCA function

        A0009TWE02
  3. SYSTEM CONTROL


    1. Airbag for Frontal Collision


      1. There are 5 types of airbags for frontal collisions: steering pad, front passenger, driver and front passenger knee, curtain shield and front and rear seat side airbags. These airbags deploy simultaneously.

        A0009TJE02
    2. Airbag for Side/Rear Side Collision


      1. There are 2 types of airbags for side collisions: front seat side and curtain shield airbags. These airbags deploy simultaneously. The airbag for rear side collisions contains only the curtain shield airbags.


        • With the airbag for side collisions, if the side airbag sensor assembly detects an impact, it informs the center airbag sensor assembly, which causes the front seat side and curtain shield airbags to be deployed simultaneously.

        • With the rear airbag for side collisions, if the rear airbag sensor and rear floor side airbag sensor detect an impact, they inform the center airbag sensor assembly, which causes the rear seat side* and curtain shield airbags to be deployed.


          • *: Models with SRS rear side airbag

            A0009TTE04
            A0009THE04
    3. Airbag for Roll Over (Models with RSCA Function)


      1. If the vehicle is tilted and rolls over, the center airbag sensor assembly activates the seat belt pretensioners for the driver, front passenger and rear seat outer passengers and the left and right curtain shield airbags based on signals that show the vehicle's roll angle and rotation speed.

        A0009U9E02
      2. If the vehicle rolls over in a side collision, the center airbag sensor assembly causes the front seat side airbag assembly, rear seat side airbag assembly and curtain shield airbag assembly to deploy based on signals from the side airbag sensor and rear side airbag sensor. Meanwhile, it activates the belt pretensioners for the driver, front passenger and rear seat outer passengers (LH or RH) and the curtain shield airbag on the opposite side of the collision, based on lateral deceleration and rotation speed signals.

        A0009RUE03
  4. DIAGNOSIS


    1. Summary


      1. If the center airbag sensor assembly detects a malfunction in the SRS airbag system, the center airbag sensor assembly stores the malfunction data in memory, in addition to illuminating the SRS warning light.


        • The center airbag sensor assembly outputs the malfunction data as 5-digit Diagnostic Trouble Codes (DTCs) to an intelligent tester II or the SRS warning light.

          A0009TFE07
          *1 Center Airbag Sensor Assembly
          *2 Combination Meter Assembly
          *3 - SRS Warning Light
    2. SRS Airbag System DTCs


      1. The 5-digit DTCs can be read after connecting a Global TechStream (GTS) to the DLC3.

      2. If the SRS airbag deploys, the center airbag sensor assembly will turn on the SRS warning light. However, in contrast to the ordinary diagnosis function, a DTC will not be stored. The SRS warning light cannot be turned off. It is necessary to replace the center airbag sensor assembly with a new one.