СИСТЕМА CVT ДЕТАЛЬНОЕ ОПИСАНИЕ


  1. НАЗНАЧЕНИЕ ОСНОВНЫХ УСТРОЙСТВ


    1. Основные узлы и детали бесступенчатой трансмиссии K41B перечислены ниже.

      Устройство Функция
      Бесступенчатая трансмиссия в сборе Блок шкивов и ленты Бесступенчато регулирует передаточное число шкива с момента начала движения и до максимальной скорости посредством гидравлического привода.
      Планетарный редуктор Переключает передний/задний ход посредством гидравлического привода.
      Гидротрансформатор Повышает крутящий момент двигателя и передает его на бесступенчатую трансмиссию.
      Масляный насос Создает давление масла, необходимое для гидравлического управления.
      Подогреватель жидкости CVT Поддерживает оптимальную температуру жидкости CVT.
      Блок клапанов Регулирует гидравлическое давление посредством электромагнитных клапанов.
      Электромагнитный клапан DS1 Регулирует расход масла на входе первичного шкива и устанавливает высокое передаточное число шкива.
      Электромагнитный клапан DS2 Регулирует расход масла на выходе первичного шкива и устанавливает низкое передаточное число шкива.
      Электромагнитный клапан DSU Регулирует давление масла при сцеплении муфты блокировки.
      Электромагнитный клапан SL Изменяет назначение электромагнитного клапана переключения передач SLS.
      Электромагнитный клапан SLS
      • Регулирует давление масла вторичного шкива и создает прижимное усилие ленты.

      • Регулирует давление масла при сцеплении муфты переднего хода и тормоза передачи заднего хода.

      Датчик температуры жидкости бесступенчатой трансмиссии Определяет температуру жидкости бесступенчатой трансмиссии.
      Датчик давления жидкости CVT Определяет давление масла вторичного шкива.
      Датчик оборотов трансмиссии NIN Определяет частоту вращения первичного шкива.
      Датчик оборотов трансмиссии NOUT Определяет частоту вращения вторичного шкива.
      Датчик оборотов трансмиссии NT Определяет частоту вращения турбины гидротрансформатора.
      Датчик положения паркинга/нейтрали Определяет положение рычага переключения передач.
      Блок управления блокировкой переключения Датчик положения селектора передач
      • Регистрирует перевод рычага переключения передач в положение S.

      • Регистрирует положение M рычага переключения передач, а также операции повышения и понижения передачи водителем, когда рычаг переключения передач находится в положении M (для моделей с 7-ступенчатой спортивной секвентальной системой переключения "shiftmatic").

      Датчик температуры охлаждающей жидкости двигателя Определяет температуру охлаждающей жидкости двигателя.
      Датчик положения дроссельной заслонки Определяет угол поворота дроссельной заслонки.
      Датчик положения коленчатого вала Определяет частоту вращения коленчатого вала двигателя.
      Датчик положения педали акселератора Определяет угол поворота педали акселератора.
      Выключатель стоп-сигналов Определяет нажатие педали тормоза.
      ЭБУ системы противоскольжения
      • Передает скорость автомобиля и сигнал продольного ускорения в ECM.

      • Передает в ECM рабочее состояние АБС и VSC.

      Блок управления системой кондиционирования Передает в ECM рабочее состояние системы кондиционирования.
      ECM Приводит в действие все электромагнитные клапаны на основании сигналов от всех датчиков и переключателей и осуществляет оптимальное управление бесступенчатой трансмиссией.
      Щиток приборов в сборе Индикатор положения рычага переключения передач Отображает положение рычага переключения передач.
      Контрольная лампа двигателя "Chk Eng" Горит или мигает, информируя водителя о том, что ECM обнаружил неисправность.
    2. Основные узлы и детали системы блокировки селектора перечислены ниже.

      Устройство Функция
      Блок управления блокировкой переключения Соленоид блокировки селектора Блокирует рычаг переключения передач в положении P.
      Датчик положения P Определяет положение P рычага переключения передач.
      Выключатель стоп-сигналов Определяет нажатие педали тормоза.
      Соленоид блокировки ключа* Предотвращает извлечение ключа в любом положении, кроме P.
      ЭБУ блокировки селектора Управляет соленоидом блокировки селектора и соленоидом блокировки ключа в соответствии с сигналами от всех переключателей.

      • *: для моделей без системы посадки и запуска

  2. УПРАВЛЕНИЕ В СИСТЕМЕ


    1. Перечень функций управления


      1. Электронная система управления бесступенчатой трансмиссии K41B выполняет перечисленные ниже функции.

        Функция управления Описание
        Регулирование передаточного числа (управление переключением) Устанавливает оптимальное передаточное число шкива в блоке шкивов и ленты, управляя расходом жидкости на входе/выходе первичного шкива.
        Регулирование прижимного усилия ленты Создает прижимное усилие ленты, необходимое для передачи крутящего момента блока шкивов и ленты, регулируя давление масла вторичного шкива.
        Интегрированное управление двигателем и бесступенчатой трансмиссией Осуществляет интегрированное управление двигателем и бесступенчатой трансмиссией на основании сигналов блокировки и запросов снижения крутящего момента от бесступенчатой трансмиссии, а также сигналов крутящего момента и прекращения подачи топлива от двигателя, обеспечивая плавное и мощное движение с низким расходом топлива.
        Регулирование передаточного числа шкива Автоматическое управление переключением передач Оптимально регулирует передаточное число шкива и скорость переключения в соответствии с намерениями водителя и условиями движения на основе сигналов от различных датчиков и переключателей.
        Управление в целях улучшения разгона
        7-ступенчатая спортивная секвентальная система "Shiftmatic"
        Управление переключением при подъеме/спуске по склону Ограничивает переключение на более высокую передачу или обеспечивает торможение двигателем, определяя с помощью ECM, как движется автомобиль: вверх или вниз по склону.
        Управление блокировкой Включает муфту блокировки, начиная с низкой скорости, снижая тем самым расход топлива.
        Управление нейтралью Отключает трансмиссию в блоке с главной передачей от двигателя, когда автомобиль остановлен, снижая тем самым расход топлива.
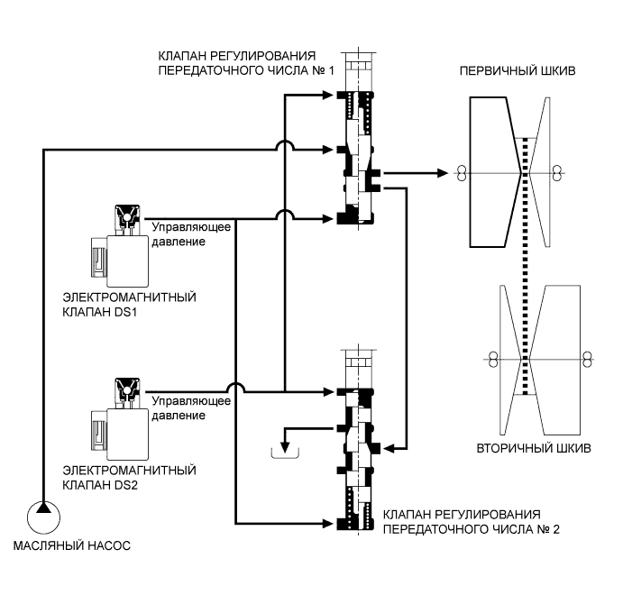
    2. Регулирование передаточного числа (управление переключением)


      1. Механизм переключения бесступенчатой трансмиссии регулирует расход масла на входе/выходе первичного шкива в блоке шкивов и ленты, плавно изменяя передаточное число шкива.

      2. ECM определяет требуемую частоту вращения первичного шкива, соответствующую оптимальному передаточному числу, по углу поворота педали акселератора, скорости автомобиля и сигналам тормозов. ECM приводит в действие электромагнитные клапаны DS1 И DS2, устанавливая фактическую частоту вращения первичного шкива, определенную датчиком оборотов трансмиссии NIN, равной заданной. Таким образом устанавливается оптимальное передаточное число, соответствующее условиям движения.

      3. Когда механизм переключения производит повышение передачи, электромагнитный клапан DS1 регулирует расход масла на входе первичного шкива посредством клапана регулирования передаточного числа № 1 и устанавливает высокое передаточное число.

      4. Когда механизм переключения производит понижение передачи, электромагнитный клапан DS2 регулирует расход масла на выходе первичного шкива посредством клапана регулирования передаточного числа № 2 и устанавливает низкое передаточное число.

        A0116DTE01
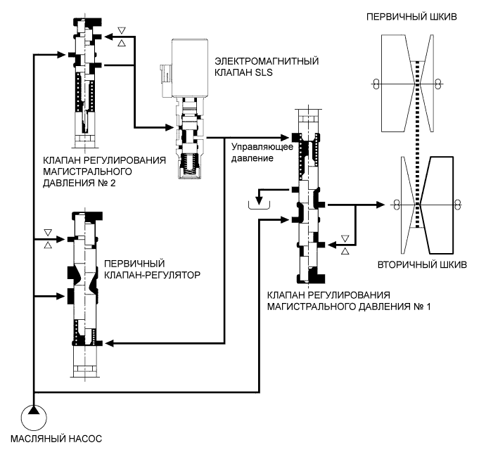
    3. Регулирование прижимного усилия ленты


      1. Блок шкивов и ленты передает крутящий момент через ленту между шкивами. Функция регулирования прижимного усилия ленты создает прижимное усилие ленты, необходимое для передачи крутящего момента, за счет управления давлением масла вторичного шкива.

      2. ECM регулирует давление масла вторичного шкива посредством клапана регулирования магистрального давления № 1, приводя в действие электромагнитный клапан SLS на основании крутящего момента на входе. Кроме того, датчик давления жидкости CVT определяет давление масла вторичного шкива, обеспечивая оптимальное регулирование прижимного усилия ленты.

        A0116NXE01
    4. Автоматическое управление переключением передач


      1. Функция автоматического переключения изменяет диапазон переключения передаточного числа в соответствии с положением рычага переключения передач, выбранным водителем.

      2. Когда рычаг переключения передач установлен в положение D, ECM регулирует передаточное число во всем диапазоне управления, оптимизируя расход топлива и управляемость.

        A0116I2E01
      3. Когда рычаг переключения передач установлен в положение S, ECM регулирует передаточное число, ограничивая диапазон управления в области высоких передаточных чисел. Тем самым улучшаются характеристики разгона, и создается надлежащее усилие торможения двигателем.

        A0116V3E01
      4. Когда рычаг переключения передач установлен в положение B, ECM регулирует передаточное число, ограничивая диапазон управления в области низких передаточных чисел, обеспечивая тем самым большое усилие торможения двигателем.

        A0116BTE01
      5. Когда рычаг переключения передач находится в положении M, характеристика переключения выглядит следующим образом. Система автоматически повышает передачу, когда при разгоне достигается заданная скорость автомобиля.

        A0116FCE03
    5. Управление в целях улучшения разгона


      1. Функция управления в целях улучшения разгона оптимизирует характеристики переключения передаточного числа, улучшая параметры разгона.

      2. Когда водитель намеревается разогнать автомобиль, ECM определяет запрос ускорения по изменениям скорости автомобиля и угла поворота педали акселератора и переключает передаточное число, обеспечивая линейное увеличение частоты вращения коленчатого вала двигателя и скорости автомобиля.

        A0116E3E01
    6. Управление переключением при подъеме/спуске по склону


      1. Функция управления переключением при подъеме/спуске помогает установить оптимальное передаточное число во время спуска или подъема по извилистой дороге.

      2. Когда ECM определяет подъем по склону, ограничивается повышение передачи, и тем самым обеспечивается плавное движение.

      3. Если ECM определяет движение вниз по склону, и поступает сигнал нажатия педали тормоза, передаточное число уменьшается, что создает оптимальное тормозное усилие двигателя.

        A0116JDE01
      4. Для определения подъема или спуска по склону фактическое ускорение, рассчитанное по сигналу скорости автомобиля, сравнивается с эталонным значением ускорения (заданным для ровной дороги), сохраненным в ECM.

        A0116L5E01
    7. Управление блокировкой


      1. ECM включает и выключает муфту блокировки, приводя в действие электромагнитный клапан DSU на основании угла поворота педали акселератора и скорости автомобиля.

      2. Бесступенчатая трансмиссия включает муфту блокировки, начиная с низкой скорости, снижая расход топлива. Муфта блокировки остается включенной на низкой скорости даже во время замедления, расширяя тем самым зону отсечки топлива двигателя.

        A0116VEE01
    8. Управление нейтралью


      1. Управление нейтралью используется для разъединения трансмиссии и двигателя, когда автомобиль остановлен. Это снижает нагрузку на двигатель и обеспечивает экономию топлива.

      2. Когда рычаг переключения передач установлен в положение D, и автомобиль остановлен, ECM наполовину выключает муфту переднего хода с помощью электромагнитного клапана SLS. Однако когда по сигналам продольного ускорения от ЭБУ системы противоскольжения ECM обнаруживает градиент, превышающий контрольное значение, он прекращает управление нейтралью.

        A0116DJE01
  3. ФУНКЦИИ


    1. 7-ступенчатая спортивная секвентальная система "Shiftmatic"


      1. В режиме M водитель имеет возможность выбрать желаемый диапазон передач, смещая рычаг переключения передач в положение "+" или "-". Таким образом, водитель может переключать передачи по ощущению, как в механической трансмиссии.

        A0116C0E01
      2. В режиме M трансмиссия автоматически переключается на более высокую или более низкую передачу при выполнении следующих условий:

        Режим Управление системой
        Слишком низкая частота вращения коленчатого вала двигателя. Понижение на 1 передачу.
        Превышение максимально допустимой частоты вращения коленчатого вала двигателя. Повышение на 1 передачу.
      3. При обнаружении неисправности в системе бесступенчатой трансмиссии ECM ограничивает изменение диапазона переключения.

      4. Если при выполнении команды водителя на понижение передачи скорость автомобиля и частота вращения коленчатого вала двигателя выходят за пределы заданного диапазона, изменение диапазона переключения будет запрещено. В этом случае для предупреждения водителя включается многофункциональный зуммер в щитке приборов.

    2. Система блокировки селектора


      1. Система блокировки селектора включает функции блокировки селектора и блокировки ключа*, которыми управляет ЭБУ блокировки селектора.

      2. Механизм блокировки селектора не позволяет устанавливать рычаг переключения передач в какое-либо положение помимо P, если замок зажигания не находится в состоянии ON (ВКЛ), и не нажата педаль тормоза. Эта функция помогает предотвратить непреднамеренный разгон.

      3. Функция блокировки ключа* не дает извлечь ключ из замка зажигания после выключения зажигания, если рычаг переключения передач не установлен в положение P. Поэтому при парковке водитель вынужден выбирать положение P.

      4. ЭБУ блокировки селектора определяет положение рычага переключения передач с помощью датчика положения P и принимает сигналы с выключателя стоп-сигналов и замка зажигания. После получения этих сигналов ЭБУ блокировки селектора включает соленоид блокировки селектора и соленоид блокировки ключа*, чтобы разблокировать соленоды блокировки селектора и блокировки ключа*.


        • *: для моделей без системы посадки и запуска

        A0116HZE02
  4. КОНСТРУКЦИЯ


    1. Бесступенчатая трансмиссия в сборе


      1. К основным узлам бесступенчатой трансмиссии в сборе (CVT) относятся блок шкивов и ленты, выполняющий функции механизма переключения передач, планетарную передачу, переключающую передний/задний ход, гидротрансформатор, дифференциал, подогреватель жидкости CVT, поддерживающий оптимальную температуру жидкости CVT, масляный насос и корпус клапанов для гидравлического управления.

        A0116TYE01
        Обозначения на рисунке
        *1 Блок шкивов и ленты *2 Планетарный редуктор
        *3 Масляный насос *4 Гидротрансформатор
        *5 Дифференциал *6 Ведущая шестерня редуктора
        *7 Ведомая шестерня редуктора *8 Оправка подшипника
        *9 Коронная шестерня дифференциала *10 Сателлит дифференциала
    2. Блок шкивов и ленты (механизм переключения передач)


      1. Блок шкивов и ленты включает первичный шкив, вторичный шкив и металлическую ленту, установленную на шкивы.

      2. Первичный и вторичный шкивы объединены с поршнем, и ширина канавки шкива регулируется за счет гидравлического управления каждой камеры.

      3. Металлическая лента включает элементы и 2 многослойных кольца, которые фиксируют элементы в форме ленты.

        A0116MZE01
    3. Планетарная передача (механизм переключения переднего/заднего хода)


      1. Блок планетарной передачи включает собственно планетарную передачу, а также муфту переднего хода и тормоз передачи заднего хода.

      2. Для обеспечения практически одинаковых передаточных чисел переднего и заднего хода используется планетарная передача с двумя сателлитами, повышающая управляемость при движении задним ходом.

      3. Когда включена муфта переднего хода, первичный вал соединяется с водилом планетарной передачи.

      4. Когда включен тормоз передачи заднего хода, коронная шестерня фиксируется на картере трансмиссии в блоке с главной передачей.

        A0116MME01
        Обозначения на рисунке
        *1 Солнечная шестерня *2 Ведущая шестерня № 1
        *3 Ведущая шестерня № 2 *4 Коронная шестерня
        *5 Водило планетарной передачи *6 Первичный вал
        *7 Муфта переднего хода *8 Тормоз передачи заднего хода
        *9 Картер трансмиссии в блоке с главной передачей - -
    4. Гидротрансформатор


      1. Используется компактный и легкий гидротрансформатор, снабженный функцией блокировки.

      2. Муфта блокировки имеет амортизатор, обеспечивающий блокировку в диапазоне низких скоростей. Это снижает расход топлива и обеспечивает плавное переключение передач.

        A0116C7E01
        Обозначения на рисунке
        *1 Рабочее колесо насоса *2 Ротор турбины
        *3 Статор *4 Муфта свободного хода
        *5 Муфта блокировки *6 Демпфер
    5. Масляный насос


      1. Масляный насос приводится в движение гидротрансформатором. Он создает рабочее давление масла для гидравлического привода.

      2. Оптимизирован нагнетаемый объем масляного насоса, что уменьшает крутящий момент привода, обеспечивая давление масла, необходимое для гидравлического управления.

        A0116QCE01
        Обозначения на рисунке
        *1 Корпус насоса *2 Ведущая шестерня
        *3 Ведомая шестерня *4 Крышка насоса
        *5 Вал статора - -
    6. Подогреватель жидкости CVT


      1. В подогревателе жидкости бесступенчатой трансмиссии для быстрого нагрева жидкости бесступенчатой трансмиссии используется охлаждающая жидкость двигателя. За счет этого быстро снижается трение в бесступенчатой трансмиссии, и сокращается расход топлива.

      2. После нагрева жидкости CVT подогреватель жидкости CVT работает в качестве охладителя жидкости CVT.

        A0116TAE01
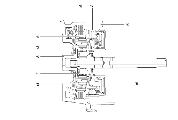
    7. Блок клапанов


      1. Блок клапанов включает верхний корпус клапанов, верхний задний корпус клапанов, нижний корпус клапанов и 5 электромагнитных клапанов.

        A0116U1E01
        Обозначения на рисунке
        *1 Верхний задний корпус клапанов *2 Крышка верхнего корпуса клапанов
        *3 Верхний корпус клапанов *4 Пластина корпуса клапанов
        *5 Нижний корпус клапанов *6 Клапан с ручным управлением
        *7 Электромагнитный клапан DS1 *8 Электромагнитный клапан DS2
        *9 Электромагнитный клапан DSU *10 Электромагнитный клапан SL
        *11 Электромагнитный клапан SLS - -
        A0116RME01
        Обозначения на рисунке
        *1 Верхний задний корпус клапанов (вид снизу) *2 Клапан управления блокировкой
        *3 Верхний корпус клапанов (вид снизу) *4 Клапан переключения передач
        *5 Клапан управления сцеплением *6 Вспомогательный клапан-регулятор
        *7 Клапан регулирования магистрального давления № 2 *8 Электромагнитный регулирующий клапан
        *9 Вид сверху нижнего корпуса клапанов *10 Гидроаккумулятор № 1
        *11 Первичный клапан-регулятор *12 Клапан регулирования магистрального давления № 1
        *13 Клапан регулирования передаточного числа № 1 *14 Клапан регулирования передаточного числа № 2
    8. Электромагнитные клапаны


      1. В следующей таблице указаны функции всех электромагнитных клапанов.

        Электромагнитный клапан Тип Управление Рабочее состояние Функция
        DS1 Трехходовой Регулирование продолжительности включения

        Скважность уменьшается (ВЫКЛ): давление управления уменьшается

        Скважность увеличивается (ВКЛ): давление управления увеличивается

        Регулирует расход масла на входе первичного шкива.
        DS2 Трехходовой Регулирование продолжительности включения

        Скважность уменьшается (ВЫКЛ): давление управления уменьшается

        Скважность увеличивается (ВКЛ): давление управления увеличивается

        Регулирует расход масла на выходе первичного шкива.
        DSU Трехходовой Регулирование продолжительности включения

        Скважность уменьшается (ВЫКЛ): давление управления уменьшается

        Скважность увеличивается (ВКЛ): давление управления увеличивается

        Регулирует давление масла при сцеплении муфты блокировки.
        SL 3-ходовой Двухпозиционное регулирование

        Выкл: давление управления уменьшается

        Вкл: давление управления увеличивается

        Изменяет назначение электромагнитного клапана переключения передач SLS.
        SLS Линейный Регулирование тока

        Ток уменьшается: давление управления увеличивается

        Ток увеличивается: давление управления уменьшается


        • Регулирует давление масла вторичного шкива.

        • Регулирует давление масла при сцеплении муфты переднего хода и тормоза передачи заднего хода.

        A0116SEE01
        A0116G1E01
        A0116PCE01
        A0116MKE01
    9. Датчик температуры жидкости бесступенчатой трансмиссии


      1. Используется датчик температуры жидкости CVT термисторного типа.

      2. Датчик температуры жидкости CVT установлен в нижнем корпусе клапанов и непосредственно измеряет температуру жидкости CVT.

        A0116C3E01
    10. Датчик давления жидкости CVT


      1. Используется датчик температуры жидкости CVT на базе пьезосопротивления.

      2. Датчик давления жидкости CVT определяет давление масла вторичного шкива в целях оптимального регулирования прижимного усилия ленты.

        A0116SJE01

        Note

        После замены датчика давления жидкости CVT, бесступенчатой трансмиссии или ECM требуется калибровка давления жидкости CVT. Более подробную информацию см. в руководстве по ремонту.

    11. Датчики оборотов трансмиссии


      1. В следующей таблице указаны функции всех датчиков оборотов трансмиссии.

        Датчик оборотов трансмиссии Тип Выходной сигнал Функция
        NIN Индуктивный Аналоговый сигнал Определяет частоту вращения первичного шкива по вращению задающего ротора на первичном шкиве.
        NOUT Датчик Холла Двухуровневый цифровой сигнал Определяет частоту вращения вторичного шкива по вращению ведомой шестерни редуктора.
        NT Датчик Холла Двухуровневый цифровой сигнал Определяет частоту вращения турбины по вращению задающего ротора на барабане муфты переднего хода, который соединен с ротором турбины гидротрансформатора.
        A0116LDE01
        A0116C5E01
        A0116N4E01
    12. Датчик положения паркинга/нейтрали и датчик положения селектора передач


      1. Датчик положения паркинга/нейтрали определяет положение рычага переключения передач и передает соответствующий сигнал в ECM.

      2. Датчик положения селектора передач передает в ECM сигнал положения S.

      3. На моделях с 7-ступенчатой спортивной секвентальной системой переключения "shiftmatic" датчик положения селектора передач передает в ECM сигналы повышения и понижения передачи в соответствии с действиями водителя, когда рычаг переключения передач находится в положении M.

      4. ECM управляет системой бесступенчатой трансмиссии в соответствии с сигналами положения рычага переключения передач.

      5. В ответ на сигналы, поступающие от датчиков, ECM передает сигналы в щиток приборов для включения соответствующих индикаторов положения рычага переключения передач.

  5. ПРИНЦИП РАБОТЫ


    1. Блок шкивов и ленты (механизм переключения передач)


      1. В блоке шкивов и ленты гидропривод изменяет ширину канавки шкива, регулируя тем самым радиус контакта ленты. Таким образом передаточное число шкива бесступенчато изменяется в диапазоне от 2,386 (низкое передаточное число) до 0,426 (высокое передаточное число), когда автомобиль движется вперед.

        A0116J9E01
    2. Планетарная передача (механизм переключения переднего/заднего хода)


      1. В планетарной передаче передний или задний ход автомобиля выбирается путем переключения гидравлического контура через клапан с ручным управлением в блоке клапанов.

      2. Когда автомобиль движется вперед, первичный вал соединен с водилом планетарной передачи посредством включенной муфты переднего хода. Поэтому вращение коленчатого вала двигателя с первичного вала передается на блок шкивов и ленты посредством водила планетарной передачи без изменения направления вращения.

        A0116TBE01
      3. При движении задним ходом коронная шестерня сцепляется с картером трансмиссии в блоке с главной передачей посредством включенного тормоза передачи заднего хода. Таким образом, вращение коленчатого вала двигателя передается на первичный вал и вызывает вращение солнечной шестерни и ведущих шестерен № 1 и № 2, как показано на рисунке. Ведущая шестерня № 2 движется вдоль неподвижной коронной шестерни, и это перемещение передается на блок шкивов и ленты через водило планетарной передачи в направлении, противоположном направлению вращения коленчатого вала двигателя.

        A0116FXE01
    3. Поток мощности трансмиссии


      1. Вращение коленчатого вала двигателя передается на первичный вал через гидротрансформатор. В планетарной передаче переключается передний/задний ход автомобиля. В блоке шкивов и ленты переключение производится в соответствии с передаточным числом шкива. Вращение с коленчатого вала двигателя передается на шестерню дифференциала через редуктор.

        A0116KYE01
        Обозначения на рисунке
        *1 Первичный вал *2 Планетарный редуктор
        *3 Блок шкивов и ленты *4 Ведущая шестерня редуктора
        *5 Ведомая шестерня редуктора *6 Оправка подшипника
        *7 Коронная шестерня дифференциала - -
        A0116PLE01
        A0116U9E01
        A0116H3E01
        A0116QYE01
  6. РАБОТА В АВАРИЙНОМ РЕЖИМЕ


    1. Когда ECM обнаруживает неисправность в системе бесступенчатой трансмиссии, он инициирует включение или мигание контрольной лампы двигателя, информируя водителя.

    2. Аварийный режим сводит к минимуму ухудшение эксплуатационных качеств автомобиля при выходе из строя какого-либо датчика или электромагнитного клапана. Более подробную информацию см. в руководстве по ремонту.

  7. ДИАГНОСТИКА


    1. Когда ECM обнаруживает неисправность в системе бесступенчатой трансмиссии, он производит диагностику соответствующего узла и сохраняет в памяти результаты. Одновременно в памяти сохраняется диагностический код неисправности (DTC).

    2. Считать DTC можно, подключив портативный диагностический прибор к разъему DLC3. Более подробную информацию см. в руководстве по ремонту.