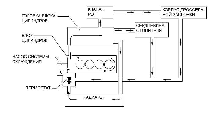
СИСТЕМА ОХЛАЖДЕНИЯ СХЕМА СИСТЕМЫ

A0116MAE01