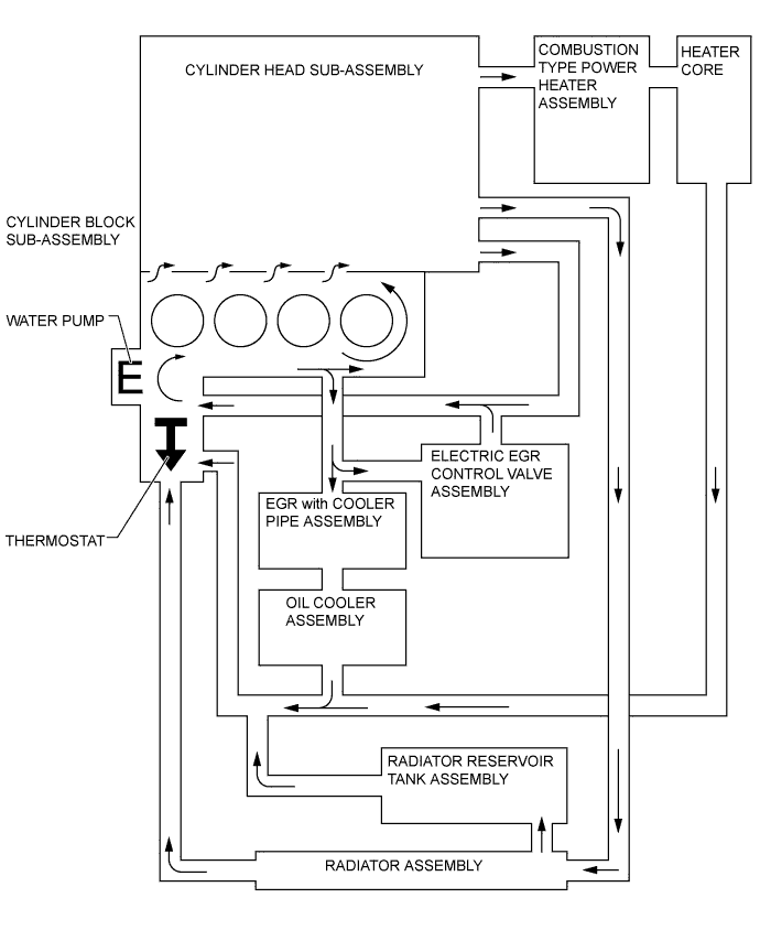
СИСТЕМА ОХЛАЖДЕНИЯ СХЕМА СИСТЕМЫ

A0116P9E01