AIR CONDITIONING SYSTEM DETAILS

  1. FUNCTION OF MAIN COMPONENTS

    1. The manual air conditioning consists of the following parts:

      Component Function
      Air Conditioning Control Assembly Allows operation and adjustment of the air conditioning system via switches.
      Air Conditioning Amplifier Assembly Transmits and receives data to and from the switches and sensors.
      Compressor Assembly with Pulley A continuously variable capacity type compressor assembly with pulley is used to steplessly control the refrigerant discharge capacity, thus improving comfort and achieving energy savings.
      Solenoid Control Valve Controls the suction pressure of the compressor assembly with pulley.
      Condenser Assembly A Multi-Flow-IV (MF-IV) sub-cool condenser is used to improve heat exchange efficiency.
      Heater Radiator Unit Sub-assembly A Straight Flow Aluminum-II (SFA-II) heater radiator is used for compactness and high performance.
      Blower Assembly High magnetic force magnets and ball bearings are used to achieve a compact and lightweight assembly.
      No. 1 Cooler Evaporator Sub-assembly A Revolutionary super-slim Structure (RS) is used for compactness.
      No. 1 Cooler Thermistor Detects the temperature of the cool air past the No. 1 cooler evaporator sub-assembly and transmits the data to the air conditioning amplifier assembly.
      Cooler (Ambient Temperature Sensor) Thermistor Detects ambient temperature and outputs it to the air conditioning amplifier assembly via the combination meter assembly.
      Cooler Expansion Valve Sprays the refrigerant in an atomized form.
      Quick Heater Assembly Consists of a Positive Temperature Coefficient (PTC) element, an aluminum fin, and a brass plate.
      PTC Heater Relay Adjusts the quick heater in 3 steps.
      Airmix Damper Servo Sub-assembly Receives the input of temperature setting dial signals via the air conditioning amplifier assembly, operates the motor, and opens and closes the airmix damper.
      No. 1 Damper Servo Sub-assembly Receives the input of the operation signals from the fresh-air/recirculation selector switch via the air conditioning amplifier assembly, operates the motor, and opens and closes the fresh-air/recirculation damper.
      Mode Damper Servo Sub-assembly Receives the input of the operation signals from the mode selector switch via the air conditioning amplifier assembly, operates the motor, and opens and closes the mode damper.
      Clean Air Filter Removes pollen and other particles to provide a comfortable interior space.
      ECM Receives the signals from the E.F.I. engine coolant temperature sensor and transmits them to the air conditioning amplifier assembly.
      Airconditioner Pressure Sensor Mounted on the high-pressure pipe, this sensor controls the compressor assembly with pulley.
      E.F.I. Engine Coolant Temperature Sensor Detects the engine coolant temperature and transmits it to the ECM.
    2. The automatic air conditioning consists of the following parts:

      Component Function
      Air Conditioning Control Assembly Allows operation and adjustment of the air conditioning system via switches.
      Air Conditioning Amplifier Assembly Transmits and receives data to and from the switches and sensors.
      Compressor Assembly with Pulley A continuously variable capacity type compressor assembly with pulley is used to steplessly control the refrigerant discharge capacity, thus improving comfort and achieving energy savings.
      Solenoid Control Valve Controls the suction pressure of the compressor assembly with pulley.
      Condenser Assembly A Multi-Flow-IV (MF-IV) sub-cool condenser is used to improve heat exchange efficiency.
      Heater Radiator Unit Sub-assembly A Straight Flow Aluminum-II (SFA-II) heater radiator is used for compactness and high performance.
      Blower Assembly High magnetic force magnets and ball bearings are used to achieve a compact and lightweight assembly.
      No. 1 Cooler Evaporator Sub-assembly A Revolutionary super-slim Structure (RS) is used for compactness.
      No. 1 Cooler Thermistor Detects the temperature of the cool air past the No. 1 cooler evaporator sub-assembly and transmits the data to the air conditioning amplifier assembly.
      Cooler Expansion Valve Sprays the refrigerant in an atomized form.
      Cooler (Ambient Temperature Sensor) Thermistor Detects ambient temperature and outputs it to the air conditioning amplifier assembly via the combination meter assembly.
      Cooler (Room Temperature Sensor) Thermistor Detects room temperature and outputs it to the air conditioning amplifier assembly.
      Cooler (Solar Sensor) Thermistor Detects the changes in the amount of solar energy and outputs them to the air conditioning amplifier assembly.
      Quick Heater Assembly Consists of a Positive Temperature Coefficient (PTC) element, an aluminum fin, and a brass plate.
      PTC Heater Relay Adjusts the quick heater in 3 steps.
      Airmix Damper Servo Sub-assembly Operates the motor to open and close the driver side airmix damper upon receiving the input of the operation signals from the temperature setting dial via the air conditioning amplifier assembly, or when the system is operating under auto control.
      No. 2 Airmix Damper Servo Sub-assembly Operates the motor to open and close the front passenger side airmix damper upon receiving the input of the operation signals from the temperature setting dial via the air conditioning amplifier assembly, or when the system is operating under auto control.
      No. 1 Damper Servo Sub-assembly Receives the input of the operation signals from the fresh-air/recirculation selector switch via the air conditioning amplifier assembly, operates the motor, and opens and closes the fresh-air/recirculation damper.
      Mode Damper Servo Sub-assembly Receives the input of the operation signals from the mode selector switch via the air conditioning amplifier assembly, operates the motor, and opens and closes the mode damper.
      Clean Air Filter Removes pollen and other particles to provide a comfortable interior space.
      ECM Receives the signals from the E.F.I. engine coolant temperature sensor and transmits them to the air conditioning amplifier assembly.
      Airconditioner Pressure Sensor Mounted on the high-pressure pipe, this sensor controls the compressor assembly with pulley.
      E.F.I. Engine Coolant Temperature Sensor Detects the engine coolant temperature and transmits it to the ECM.
  2. SYSTEM CONTROL

    1. The air conditioning system uses following controls:

      Control Outline Air Conditioning Type
      Manual Automatic
      Neural Network Control This control is capable of effecting complex control by artificially simulating the information processing method of the nervous system of living organisms in order to establish a complex input or output relationship that is similar to that of the human brain. -
      Outlet Air Temperature Control In compliance with the temperature set at the temperature control switch, the neural network control calculates the outlet temperature based on the input signals from various sensors. In addition, corrections in accordance with the signals from the No. 1 cooler thermistor and E.F.I. engine coolant temperature sensor are added to control the outlet air temperature. -
      Blower Control Controls the blower assembly in accordance with the airflow volume that has been calculated by the neural network control based on the input signals from various sensors. -
      Air Outlet Control Automatically switches the outlets in accordance with the outlet mode ratio that has been calculated by the neural network control based on the input signals from various sensors. -
      Air Inlet Control Automatically controls the air inlet control damper in accordance with the airflow volume that has been calculated by the neural network control. -
      Variable Capacity Compressor Control Controls the compressor assembly with pulley to turn on or off and the discharge capacity based on the signals from various sensors.
      Self-diagnosis Checks the sensors in accordance with the operation of the air conditioning switches, then the clock displays a Diagnosis Trouble Code (DTC) to indicate if there is a malfunction or not (sensor check function). -
      • ○:Equipped

      • -:Not equipped

    2. Neural Network Control

      1. In the previous automatic air conditioning system, the air conditioning amplifier assembly determined the required outlet air temperature and blower air volume in accordance with a calculation formula that had been obtained based on information received from the sensors.

        However, because the sensors of a person are rather complex, a given temperature is sensed differently, depending on the environment in which the person is situated. For example, a given amount of solar radiation can feel comfortably warm in a cold climate, but extremely uncomfortable in a hot climate. Therefore, as a technique for effecting a high level of control, a neural network has been used in the automatic air conditioning system. With this technique, the data that has been collected under varying environmental conditions is stored in the air conditioning amplifier assembly, which effects control to provide enhanced air conditioning comfort.

      2. The neural network control consists of neurons in the input layer, intermediate layer, and output layer. The input layer neurons process the input data of the ambient temperature, the amount of sunlight, and the room temperature based on the outputs of the switches and sensors, and output them to the intermediate layer neurons. Based on this data, the intermediate layer neurons adjust the strength of the links among the neurons. The sum of this data is then calculated by the output layer neurons in the form of the required outlet temperature, solar correction, target airflow volume, and outlet mode control volume. Accordingly, the air conditioning amplifier assembly controls the servomotors and blower assembly in accordance with the control volumes that have been calculated by the neural network control.

        A00OWW8E01
    3. Quick Heater Control

      1. The on/off function of the quick heater assembly is controlled by the air conditioning amplifier assembly in accordance with the engine coolant temperature, engine speed, air mix setting, and electrical load (alternator power ratio).

      2. For example, the heating valve of the operating quick heater assemblies varies depending on the engine coolant temperature, shown as in the graph below:

        A00OWB0E01
  3. CONSTRUCTION

    1. Air Conditioning Control Assembly

      1. Manual Air Conditioning Control Assembly

        • A manual air conditioning control assembly with Liquid Crystal Display (LCD) is used to ensure excellent visibility.

        • 5 air outlet modes are provided on the control panel on the models with air conditioning. To enable finer mode settings, a positive feel is provided between the positions of these modes, thus achieving a high comfort level.

        A00OWKE
      2. Automatic Air Conditioning Control Assembly

        • An automatic air conditioning control assembly with Liquid Crystal Display (LCD) is used to ensure excellent visibility.

        • Temperature control can be set independently for the driver and front passenger sides. For this reason, temperature control switches for the driver and front passenger are provided on the air conditioning control assembly.

        A00OWGX
    2. Air Conditioning Unit

      1. The front air conditioning unit consists of the No. 1 cooler evaporator sub-assembly, heater radiator unit sub-assembly, servomotors, No. 1 cooler thermistor, quick heater assembly and blower assembly.

      2. A semi-center location air conditioning unit, in which the No. 1 cooler evaporator sub-assembly and heater radiator unit sub-assembly are placed in the vehicle's longitudinal direction, is used.

        A00OWI2E01
      3. A partial recirculation system is used. This system has an air inlet control door (sub) in the cabin side of the air inlet duct. Thus, it is able to cycle a small volume of recirculated air even in the FRESH mode, thus enhancing heating performance. When the blower switch is on, the suction force of the blower fan opens this air inlet control door (sub).

        A00OW62E01
    3. No. 1 Cooler Evaporator Sub-assembly

      1. A Revolutionary super-slim Structure (RS) evaporator is used. By placing the tanks at the top and the bottom of the No. 1 cooler evaporator sub-assembly and by using a micropore tube construction, the following effects have been achieved:

        • The heat exchanging efficiency is ensured.

        • The temperature distribution is made uniform.

        • The No. 1 cooler evaporator sub-assembly is made thinner.

        A00OWGWE01
        Text in Illustration
        *1 Tank *2 Micropore Tube
        *3 Cooling Fin - -
    4. No. 1 Cooler Thermistor

      1. The No. 1 cooler thermistor detects the temperature of the cool air immediately past the No. 1 cooler evaporator sub-assembly in the form of resistance changes, and outputs it to the air conditioning amplifier assembly.

    5. Heater Radiator Unit Sub-assembly

      1. This heater radiator unit sub-assembly has been made more compact and performance has been improved by making the core section finer and improving the shapes of the tank section and flow section. Also, the environment has been considered. By using aluminum as the material, the amount of the environmental burden disposal (lead) has been reduced.

        A00OW83
    6. Blower Assembly

      1. The blower assembly has a built-in blower controller, and is controlled using duty control performed by the air conditioning amplifier assembly.

    7. Bus Connector

      1. The bus connector has a built-in communication/driver IC, which communicates with each servomotor connector, actuates the servomotor, and has a position detection function. This enables bus communication for the servomotor wire harness to achieve a more lightweight construction and a reduced number of wires.

        A00OWBIE01
        A00OW7JE01
    8. Servomotor

      1. In contrast to the previous type that detects the position by way of a potentiometer voltage, the pulse pattern type servomotor detects the relative position by way of the 2-bit on/off signals.

      2. The forward and reverse revolutions of this motor are detected by way of 2 phases, A and B, which output 4 types of patterns. The air conditioning amplifier assembly counts the number of pulse patterns in order to determine the stopped position.

        A00OW9IE01
    9. Quick Heater Assembly

      1. The quick heater assembly is located above the heater radiator unit sub-assembly in the air conditioning unit.

      2. The quick heater assembly consists of a PTC element, an aluminum fin, and a brass plate. When current is applied to the PTC element, it generates heat to warm the air that passes through the unit.

        A00OWBRE01
        Text in Illustration (Models with Quick Heater Assembly)
        *1 PTC Element *2 Aluminum Fin
        *3 Brass Plate - -
    10. Clean Air Filter

      1. A high efficiency type clean air filter is used to remove dust, pollen, and other micron particles from air entering from outside the vehicle to provide a comfortable cabin of clean air. The clean air filter is installed in the upper section of the blower fan.

        A00OWRBE01
        Text in Illustration
        *1 Clean Air Filter - -

        Tech Tips

        See the table below regarding the replacement intervals for the high efficiency type clean air filter. Replace the clean air filter after the ignition switch (engine switch*) is turned off.

        *: Models with entry and start system

        Condition Replacement Interval
        Normal Conditions 30000 km (18600 miles)
        Dusty Conditions 15000 km (9300 miles)
    11. Condenser Assembly

      1. The new models use a sub-cool condenser. This is a multi-flow condenser consisting of 3 portions: a condensing portion, a super-cooling portion and a gas-liquid separator (modulator) all integrated together. This condenser assembly uses a sub-cool cycle for its cooling cycle system to improve heat-exchanging efficiency.

      2. In the sub-cool cycle, after the refrigerant passes through the condensing portion of the condenser assembly, both the liquid refrigerant and the gaseous refrigerant that could not be liquefied are cooled again in the super-cooling portion. Thus, the refrigerant is sent to the No. 1 cooler evaporator sub-assembly in an almost completely liquefied state.

        A00OWP2E01

        Tech Tips

        The point at which the air bubbles disappear in the refrigerant of the sub-cool cycle is lower than the proper amount of refrigerant with which the system must be filled. Therefore, if the system is recharged with refrigerant based on the point at which the air bubbles disappear, the amount of refrigerant would be insufficient. As a result, the cooling performance of the system will be affected. If the system is overcharged with refrigerant, this will also lead to reduced performance. For the proper method of verifying the amount of the refrigerant and to recharge the system with refrigerant, refer to the AVENSIS Repair Manual.

        A00OWK2E01
    12. Compressor Assembly with Pulley

      1. The compressor assembly with pulley is a continuously variable capacity type with a capacity that varies in accordance with the cooling load of the air conditioning.

      2. This compressor consists of the shaft, lug plate, piston, shoe, crank chamber, cylinder, and solenoid control valve.

      3. A solenoid control valve that adjusts the suction pressure so that the suction pressure can be controlled as desired is provided.

      4. The plastic Damper Limiter (DL) type air conditioning pulley is used.

      5. A rotary valve type is used to suction refrigerant gas into the cylinder.

        A00OWP0E01
        Text in Illustration
        *1 Crank Chamber *2 Shoe
        *3 Piston *4 Cylinder
        *3 Piston *6 Lug Plate
        *7 Shaft - -
    13. Plastic DL Type Air Conditioning Pulley

      1. This pulley contains 6 dampers to absorb the torque fluctuations of the engine and a limiter mechanism to protect the drive belt in case the compressor locks. In the event that the compressor locks, the limiter mechanism causes the spoke portion of the pulley to break, thus separating the pulley from the compressor. To reduce weight, the pulley portion is made of plastic.

        A00OWIJE01
    14. Cooler (Room Temperature Sensor) Thermistor

      1. The cooler (room temperature sensor) thermistor detects the room temperature based on changes in the resistance of its built-in thermistor. This signal is used by the air conditioning amplifier assembly.

    15. Cooler (Ambient Temperature Sensor) Thermistor

      1. The cooler (ambient temperature sensor) thermistor detects the ambient temperature based on changes in the resistance of its built-in thermistor. This signal is used by the air conditioning amplifier assembly.

    16. Cooler (Solar Sensor) Thermistor

      1. The cooler (solar sensor) thermistor consists of a photo diode, 2 amplifier circuits for the cooler (solar sensor) thermistor, and a frequency converter circuit for the light control sensor.

      2. The cooler (solar sensor) thermistor detects (in the form of changes in the current that flows through the built-in photo diode) the changes in the amount of sunlight from its LH and RH sides (2 directions) and outputs these sunlight strength signals to the air conditioning amplifier assembly.

  4. OPERATION

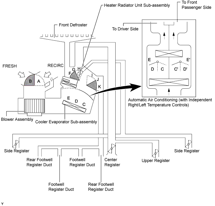
    1. Mode Position and Damper Operation

      A00OWFQE01
      Control Damper Operation Position Damper Position Operation
      Air Inlet Control Damper FRESH A Brings in fresh air.
      RECIRC B Recirculates internal air.
      Air Mix Control Damper

      MAX COLD - MAX HOT

      Temperature Setting (Auto Air Conditioning):

      16°C to 30°C (61°F to 86°F)

      C - D - E

      (C' - D' - E')

      Varies the mixture ratio of the fresh air and the recirculation air in order to regulate the temperature continuously from HOT to COLD.
      Mode Control Damper A00OWM9 DEF H, K Defrosts the windshield through the front defroster and side register.
      A00OWN7 FOOT / DEF H, J Defrosts the windshield through the front defroster and side register, while air is also blown out from the footwell register duct and rear footwell register duct.
      A00OWJV FOOT H, I Air blows out of the footwell register duct, rear footwell register duct, and side register. In addition, air blows out slightly from the front defroster.
      A00OWOR BI-LEVEL F, I Air blows out of the center register, upper register*, side register, footwell register duct and rear footwell register duct.
      A00OWQS FACE F, K Air blows out of the center register, upper register*, and side register.
      • *: Models with upper register

    2. Air Outlets and Airflow Volume

      A00OWUNE01
      Indication Mode A B C D
      Center Side Footwell Defroster
      A00OWQS FACE A00OWI1 A00OWI1 - -
      A00OWOR BI-LEVEL A00OWK7 A00OWK7 A00OWK7 -
      A00OWJV FOOT - A00OWKT A00OWI1 A00OWKT
      A00OWN7 FOOT / DEF - A00OWKT A00OWK7 A00OWK7
      A00OWM9 DEF - A00OWKT - A00OWI1

      Tech Tips

      The size of the circle ○ indicates the proportion of airflow volume.

    3. Compressor Operation (Variable Capacity Operation)

      1. The crank chamber is connected to the suction passage. A solenoid control valve is provided between the suction passage (low pressure) and the discharge passage (high pressure).

      2. The solenoid control valve operates under duty cycle control in accordance with the signals from the air conditioning amplifier assembly.

        A00OW5KE01
      3. When the solenoid control valve closes (the solenoid coil is energized), a difference in pressure is created and the pressure in the crank chamber decreases. Then, the pressure applied to the right side of the piston becomes greater than the pressure applied to the left side of the piston. This compresses the spring and tilts the lug plate. As a result, the piston stroke increases and the discharge capacity increases.

        A00OW85E01
      4. When the solenoid control valve opens (the solenoid coil is not energized), the difference in pressure disappears. Then, the pressure applied to the left side of the piston becomes the same as the pressure applied to the right side of the piston. Thus, the spring elongates and eliminates the tilt of the lag plate. As a result, there is a small piston stroke and the discharge capacity decreases.

        A00OWNZE01
  5. DIAGNOSIS

    1. Diagnostic Trouble Code (DTC)

      1. The air conditioning amplifier assembly has a self-diagnosis function. It stores any operation failures in the air conditioning system memory in the form of DTCs. For details, refer to the AVENSIS Repair Manual.