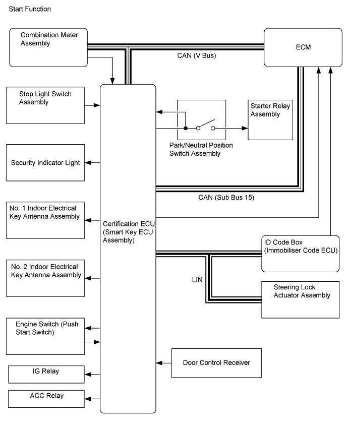
ENTRY AND START SYSTEM SYSTEM DIAGRAM

A01FCCJE01
A01FBW7E01
A01FCEIE01
A01FCDBE01