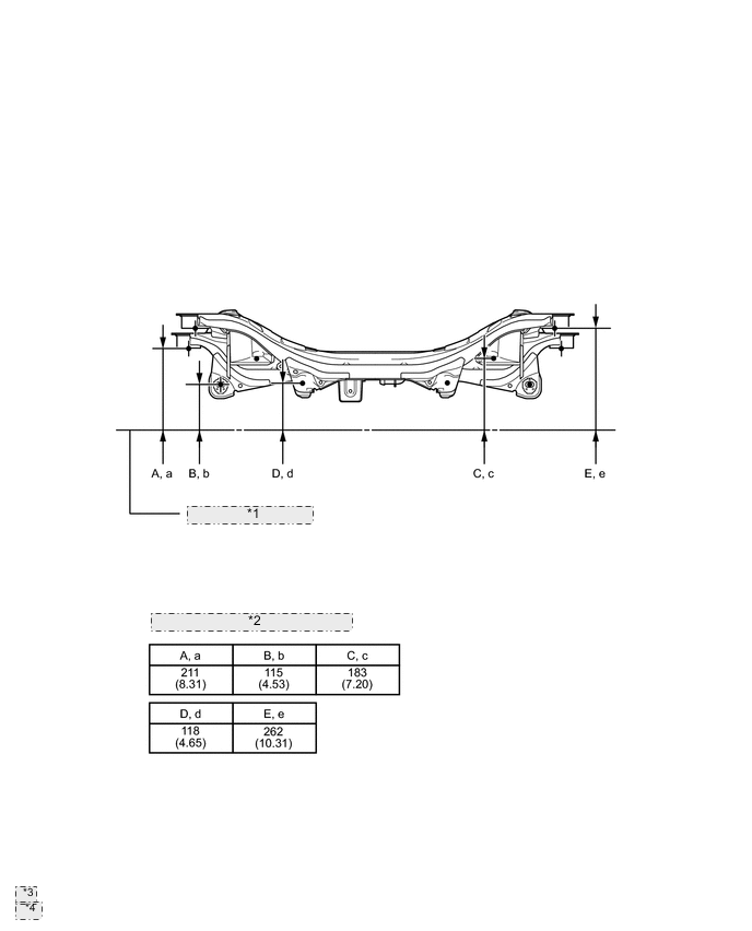
REAR SUSPENSION CROSSMEMBER TWO-DIMENSIONAL DISTANCE

Tech Tips


  • Length measurements are indicated at the points where the arrows extending from the zero point intersect the lines that extend towards the outside of the illustration from each point.

  • In cases in which only one dimension is given, left and right are symmetrical.

  • For symbols, capital letters indicate right side of vehicle, small letters indicate left side of vehicle (seen from rear).

Measuring Point Name
Symbol Name

Hole Diameter

mm (in.)

A, a Rear Suspension Member Installation Hole φ55.2 (2.17)
B, b Rear Suspension Lower Arm Installation Hole (Front) 24.1X15.2 (0.95X0.60)
C, c Stabilizer Installation Nut M12 (0.47)
D, d Rear Suspension Lower Arm Installation Hole (Rear) φ7 (0.28)
E, e Rear Suspension Member Installation Hole φ67.6 (2.66)
A004ULME01
*1 Front
*2 mm
*3 (in.)
A004UP6E01
*1 Imaginary Datum Line
*2 Height from Imaginary Datum Line
*3 mm
*4 (in.)