FRONT FENDER FRONT APRON ASSEMBLY REPLACEMENT

  1. REMOVAL

    Symbol meaning
    A011ZTV Remove Weld Points
    A011ZUH Remove Weld Points
    A011ZSL Remove Weld Points
    A011ZTGE01
    A011ZSEE01
  2. INSTALLATION

    Symbol meaning
    A011ZUB Spot Weld
    A011ZRI Plug Weld
    A011ZU4 Plug Weld
    A011ZPO Plug Weld

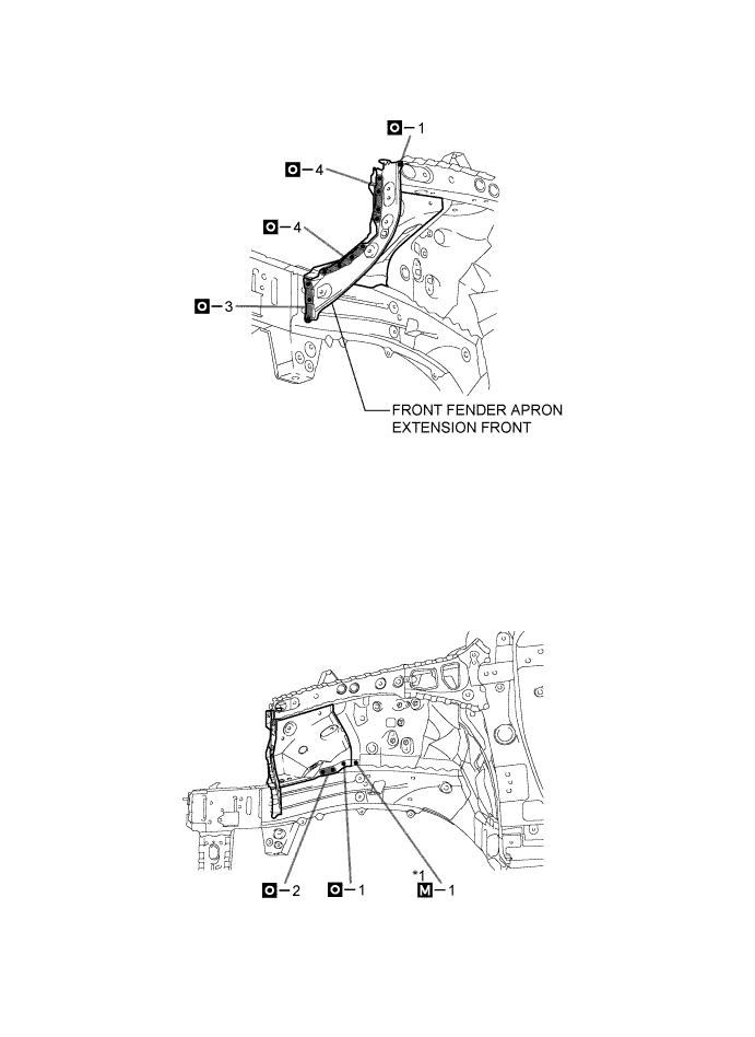
      INSTALLATION POINT

    1. Inspect the fitting of the related parts around the new parts before welding. This affects the appearance of the finish.

    2. Temporarily install the new parts and measure each part of the new parts in accordance with the body dimension diagram. (See the body dimensions)

    3. When welding *1, make a hole on a new part for plug welding and weld the panel with the panel behind completely.

    4. After welding, apply body sealer and undercoating to the corresponding parts. (See the painting / coating)

    5. After applying the top coat, apply anti-rust agent to the internal panel portion of the closed section structural weld points.

    A011ZVLE01
    A011ZTZE01