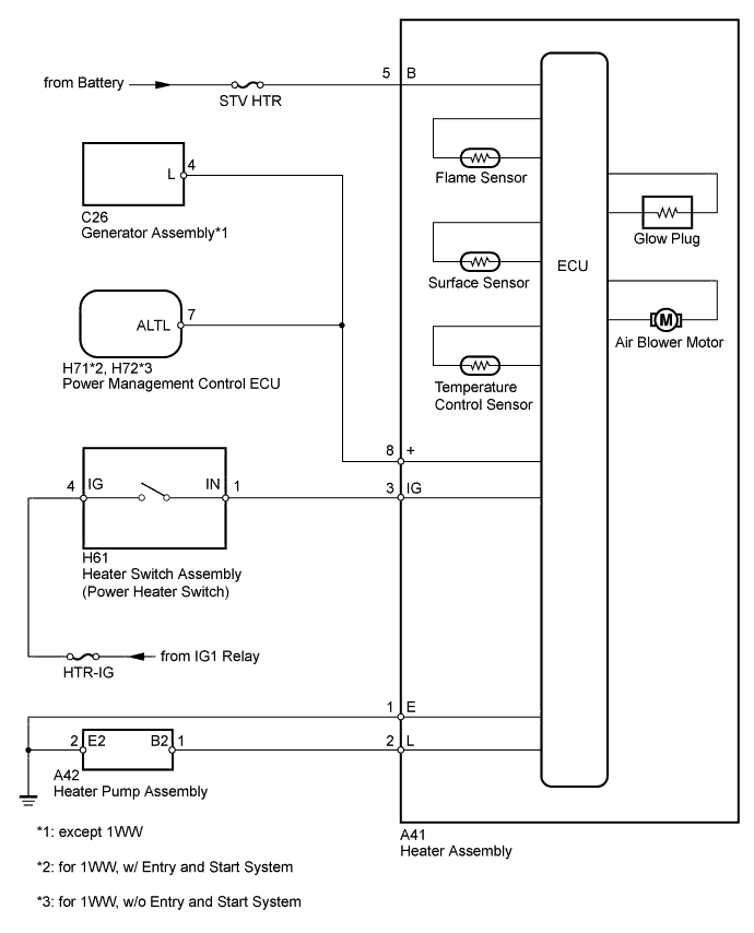
COMBUSTION TYPE POWER HEATER SYSTEM SYSTEM DIAGRAM

A01ISXFE01