AIR CONDITIONING SYSTEM (for Manual Air Conditioning System), Diagnostic DTC:B1413

DTC Code DTC Name
B1413 Evaporator Temperature Sensor Circuit

DESCRIPTION

The No. 1 cooler thermistor (evaporator temperature sensor) is installed on the evaporator in the air conditioning unit to detect the temperature of the cooled air that has passed through the evaporator and control the air conditioning. It sends appropriate signals to the air conditioning amplifier assembly. The resistance of the No. 1 cooler thermistor changes in accordance with the temperature of the cooled air that has passed through the evaporator. As the temperature decreases, the resistance increases. As the temperature increases, the resistance decreases.

The air conditioning amplifier assembly applies voltage (5 V) to the No. 1 cooler thermistor and reads voltage changes as the resistance of the No. 1 cooler thermistor changes. This sensor is used for frost prevention.

DTC Code DTC Detection Condition Trouble Area
B1413 An open or short in the No. 1 cooler thermistor circuit.
  • No. 1 cooler thermistor

  • Air conditioning amplifier assembly

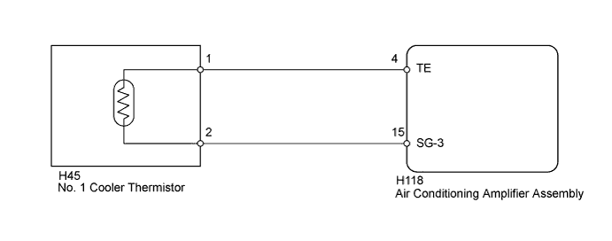
WIRING DIAGRAM

A01ITCVE08

INSPECTION PROCEDURE

PROCEDURE


  1. READ VALUE USING INTELLIGENT TESTER


    1. Use the Data List to check if the No. 1 cooler thermistor is functioning properly.

      Air Conditioner
      Tester Display Measurement Item/Range Normal Condition Diagnostic Note
      Evaporator Fin Thermistor

      No. 1 cooler thermistor /

      Min.: -29.7°C (-21.46°F)

      Max.: 59.55°C (139.19°F)

      Actual evaporator temperature displayed

      Open in the circuit: -29.7°C (-21.46°F).

      Short in the circuit: 59.55°C (139.19°F).

      Evaporator Target Temp

      Target evaporator temperature /

      Min.: -327.68°C (-557.82°F)

      Max.: 327.67°C (621.81°F)

      Target evaporator temperature displayed -
      OK
      The display is as specified in the normal condition column.
      Result
      Result Proceed to
      OK (When troubleshooting according to Problem Symptoms Table) A
      OK (When troubleshooting according to the DTC) B
      NG C

    B
    C
    A
  2. INSPECT NO. 1 COOLER THERMISTOR


    1. A01ITFCE06

      Remove the No. 1 cooler thermistor Click here.

    2. Measure the resistance according to the value(s) in the table below.

      Standard Resistance
      Tester Connection Condition Specified Condition
      1 - 2 -10°C (14°F) 7.30 to 9.10 kΩ
      -5°C (23°F) 5.65 to 6.95 kΩ
      0°C (32°F) 4.40 to 5.35 kΩ
      5°C (41°F) 3.40 to 4.15 kΩ
      10°C (50°F) 2.70 to 3.25 kΩ
      15°C (59°F) 2.14 to 2.58 kΩ
      20°C (68°F) 1.71 to 2.05 kΩ
      25°C (77°F) 1.38 to 1.64 kΩ
      30°C (86°F) 1.11 to 1.32 kΩ

      Note


      • Even slightly touching the sensor may change the resistance value. Be sure to hold the connector of the sensor.

      • When measuring, the sensor temperature must be the same as the ambient temperature.

      Tech Tips

      As the temperature increases, the resistance decreases (refer to the graph).


    NG
    OK
  3. CHECK HARNESS AND CONNECTOR (NO. 1 COOLER THERMISTOR - AIR CONDITIONING AMPLIFIER)


    1. A01ITDKE01
      Text in Illustration
      *1

      Front view of wire harness connector

      (to No. 1 Cooler Thermistor)

      *2

      Front view of wire harness connector

      (to Air Conditioning Amplifier Assembly)

      Disconnect the H45 thermistor connector.

    2. Disconnect the H118 amplifier connector.

    3. Measure the resistance according to the value(s) in the table below.

      Standard Resistance
      Tester Connection Condition Specified Condition
      H118-4 (TE) - H45-1 Always Below 1 Ω
      H118-15 (SG-3) - H45-2 Always Below 1 Ω
      H118-4 (TE) - Body ground Always 10 kΩ or higher
      H118-15 (SG-3) - Body ground Always 10 kΩ or higher

    NG
    OK