AIR CONDITIONING SYSTEM (for Automatic Air Conditioning System) PTC Heater Circuit

DESCRIPTION

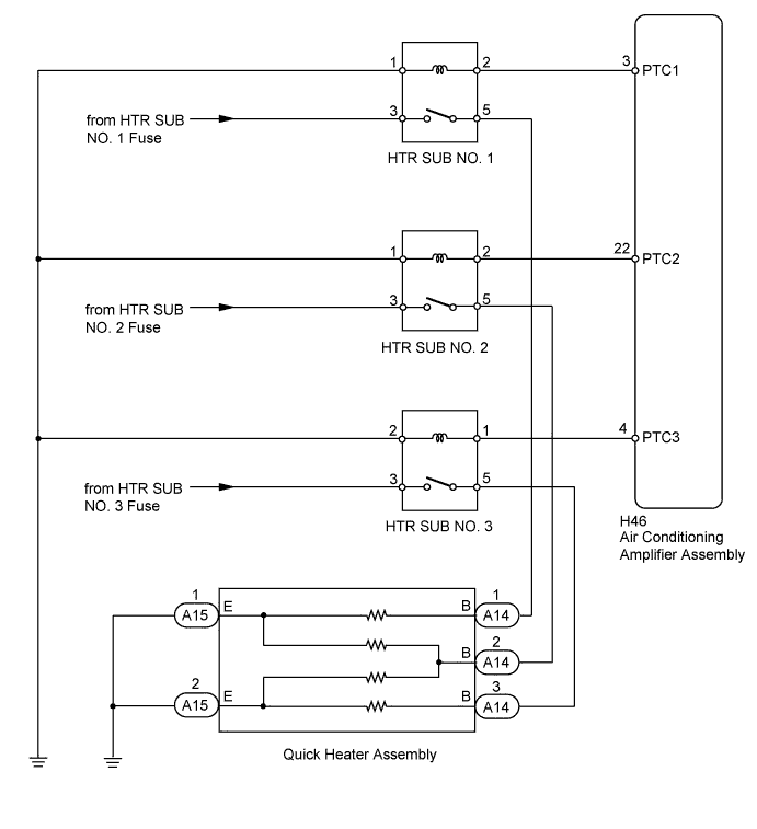
PTC heater relays are closed in accordance with signals from the air conditioning amplifier assembly and power is supplied to the quick heater assembly installed on the radiator heater unit.

WIRING DIAGRAM

A01IQ3PE08

INSPECTION PROCEDURE

PROCEDURE


  1. INSPECT PTC HEATER RELAY (HTR SUB NO. 1, HTR SUB NO. 2, HTR SUB NO. 3)


    1. A01IURU

      Remove the HTR SUB NO. 1, HTR SUB NO. 2 and HTR SUB NO. 3 relays from the engine room No. 2 relay block.

    2. Measure the resistance according to the value(s) in the table below.

      Standard Resistance
      Tester Connection Condition Specified Condition
      3 - 5 Battery voltage is not applied to terminals 1 and 2 10 kΩ or higher
      Battery voltage is applied to terminals 1 and 2 Below 1 Ω

    NG
    OK
  2. CHECK AIR CONDITIONING AMPLIFIER ASSEMBLY


    1. A01IQ6WE09
      Text in Illustration
      *1

      Component with harness connected

      (Air Conditioning Amplifier Assembly)

      Remove the air conditioning amplifier assembly with its connectors still connected Click here.

    2. Measure the voltage according to the value(s) in the table below.

      Standard Voltage
      Tester Connection Condition Specified Condition
      H46-3 (PTC1) - Body ground
      • Engine running (1250 rpm or more)

      • Temperature setting MAX HOT

      • Outside temperature 10°C (50°F) or less

      • Engine coolant temperature 75°C (167°F) or less

      • Headlight dimmer switch off

      • Blower switch off

      11 to 14 V*
      H46-22 (PTC2) - Body ground
      • Engine running (1250 rpm or more)

      • Temperature setting MAX HOT

      • Outside temperature 10°C (50°F) or less

      • Engine coolant temperature 70°C (158°F) or less

      • Headlight dimmer switch off

      • Blower switch off

      H46-4 (PTC3) - Body ground
      • Engine running (1250 rpm or more)

      • Temperature setting MAX HOT

      • Outside temperature 10°C (50°F) or less

      • Engine coolant temperature 65°C (149°F) or less

      • Headlight dimmer switch off

      • Blower switch off

      H46-3 (PTC1) - Body ground
      • Engine running (1250 rpm or more)

      • Temperature setting MAX HOT

      • Outside temperature 10°C (50°F) or less

      • Engine coolant temperature 75°C (167°F) or less

      • Headlight dimmer switch off

      • Blower switch on

      Below 1 V*
      H46-22 (PTC2) - Body ground
      • Engine running (1250 rpm or more)

      • Temperature setting MAX HOT

      • Outside temperature 10°C (50°F) or less

      • Engine coolant temperature 70°C (158°F) or less

      • Headlight dimmer switch off

      • Blower switch on

      H46-4 (PTC3) - Body ground
      • Engine running (1250 rpm or more)

      • Temperature setting MAX HOT

      • Outside temperature 10°C (50°F) or less

      • Engine coolant temperature 65°C (149°F) or less

      • Headlight dimmer switch off

      • Blower switch on

      Tech Tips

      *: After the measurement conditions are met, wait 30 seconds before performing measurements.


    NG
    OK
  3. CHECK HARNESS AND CONNECTOR (PTC HEATER RELAY - AIR CONDITIONING AMPLIFIER)


    1. A01IP7TE01
      Text in Illustration
      *1

      Component without relay installed

      (Engine Room No. 2 Relay Block)

      *2

      Rear view of wire harness connector

      (to Air Conditioning Amplifier)

      Remove the PTC heater relays from the engine room No. 2 relay block.

    2. Disconnect the H46 amplifier connector.

    3. Measure the resistance according to the value(s) in the table below.

      Standard Resistance
      Tester Connection Condition Specified Condition
      HTR SUB NO. 1 relay terminal 2 - H46-3 (PTC1) Always Below 1 Ω
      HTR SUB NO. 2 relay terminal 2 - H46-22 (PTC2)
      HTR SUB NO. 3 relay terminal 1 - H46-4 (PTC3)
      HTR SUB NO. 1 relay terminal 2 - Body ground Always 10 kΩ or higher
      HTR SUB NO. 2 relay terminal 2 - Body ground
      HTR SUB NO. 3 relay terminal 1 - Body ground

    NG
    OK
  4. CHECK HARNESS AND CONNECTOR (PTC HEATER RELAY - QUICK HEATER)


    1. A01ISXQE03
      Text in Illustration
      *1

      Component without relay installed

      (Engine Room No. 2 Relay Block)

      *2

      Front view of wire harness connector

      (to Quick Heater Assembly)

      Remove the PTC heater relays from the engine room No. 2 relay block.

    2. Disconnect the A14 heater connector.

    3. Measure the resistance according to the value(s) in the table below.

      Standard Resistance
      Tester Connection Condition Specified Condition
      HTR SUB NO. 1 relay terminal 5 - A14-1 (B) Always Below 1 Ω
      HTR SUB NO. 2 relay terminal 5 - A14-2 (B)
      HTR SUB NO. 3 relay terminal 5 - A14-3 (B)
      HTR SUB NO. 1 relay terminal 5 - Body ground Always 10 kΩ or higher
      HTR SUB NO. 2 relay terminal 5 - Body ground
      HTR SUB NO. 3 relay terminal 5 - Body ground

    NG
    OK
  5. CHECK HARNESS AND CONNECTOR (PTC HEATER RELAY - BATTERY AND BODY GROUND)


    1. A01IQW4E02
      Text in Illustration
      *1

      Component without relay installed

      (Engine Room No. 2 Relay Block)

      Remove the PTC heater relays from the engine room No. 2 relay block.

    2. Measure the voltage according to the value(s) in the table below.

      Standard Voltage
      Tester Connection Condition Specified Condition
      HTR SUB NO. 1 relay terminal 3 - Body ground Always 11 to 14 V
      HTR SUB NO. 2 relay terminal 3 - Body ground
      HTR SUB NO. 3 relay terminal 3 - Body ground
    3. Measure the resistance according to the value(s) in the table below.

      Standard Resistance
      Tester Connection Condition Specified Condition
      HTR SUB NO. 1 relay terminal 1 - Body ground Always Below 1 Ω
      HTR SUB NO. 2 relay terminal 1 - Body ground
      HTR SUB NO. 3 relay terminal 2 - Body ground

    NG
    OK
  6. INSPECT QUICK HEATER ASSEMBLY


    1. A01ITUCE08

      Remove the quick heater assembly Click here.

    2. Measure the resistance according to the value(s) in the table below.

      Standard Resistance
      Tester Connection Condition Specified Condition
      1 (B) - 1 (E) Always Below 1 kΩ
      2 (B) - 1 (E)
      2 (B) - 2 (E)
      3 (B) - 2 (E)

    NG
    OK
  7. CHECK HARNESS AND CONNECTOR (QUICK HEATER - BODY GROUND)


    1. A01IU67E04
      Text in Illustration
      *1

      Front view of wire harness connector

      (to Quick Heater Assembly)

      Disconnect the A15 heater connector.

    2. Measure the resistance according to the value(s) in the table below.

      Standard Resistance
      Tester Connection Condition Specified Condition
      A15-1 (E) - Body ground Always Below 1 Ω
      A15-2 (E) - Body ground

    NG
    OK