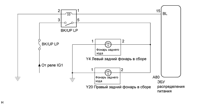
СИСТЕМА ОСВЕЩЕНИЯ Цепь фонаря заднего хода

ОПИСАНИЕ

ЭБУ распределения питания получает сигнал положения R рычага переключения передач и управляет работой реле света заднего хода.

СХЕМА ЭЛЕКТРИЧЕСКИХ СОЕДИНЕНИЙ

A01NLARE02

ПОСЛЕДОВАТЕЛЬНОСТЬ ПРОВЕРКИ

Note

Перед выполнением следующей процедуры проверки проверьте предохранители цепей, относящихся к данной системе.

ПОРЯДОК ВЫПОЛНЕНИЯ


  1. ПРОВЕРЬТЕ РЕЛЕ СВЕТА ЗАДНЕГО ХОДА (BK/UP LP)


    1. A01NMT5E91

      Извлеките реле света заднего хода из блока реле моторного отсека № 2.

    2. Измерьте сопротивление в соответствии со значениями, приведенными в таблице ниже.

      Номинальное сопротивление
      Подключение диагностического прибора Условие Заданные условия
      3 - 5 Напряжение не подается между контактами 1 и 2 10 кОм или более
      3 - 5 Напряжение подается между контактами 1 и 2 Менее 1 Ом

    NG
    OK
  2. ПРОВЕРЬТЕ ЖГУТ ПРОВОДОВ И РАЗЪЕМ (РЕЛЕ – ЭБУ РАСПРЕДЕЛЕНИЯ ПИТАНИЯ И МАССА)


    1. A01NI6ZE02
      Обозначения на рисунке
      *1 Блок реле № 2 моторного отсека
      *2

      Вид спереди разъема со стороны жгута проводов:

      (к ЭБУ распределения питания)

      Отсоедините разъем А80 ЭБУ распределения питания.

    2. Извлеките реле света заднего хода из блока реле моторного отсека № 2.

    3. Измерьте сопротивление в соответствии со значениями, приведенными в таблице ниже.

      Номинальное сопротивление
      Подключение диагностического прибора Условие Заданные условия
      А80-15 (BL) - Контакт 1 реле Всегда Менее 1 Ом
      А80-15 (BL) - масса Всегда 10 кОм или более
      Контакт 2 реле - масса Всегда Менее 1 Ом

    NG
    OK
  3. ПРОВЕРЬТЕ ЭБУ РАСПРЕДЕЛЕНИЯ ПИТАНИЯ


    1. Подсоедините разъем А80 ЭБУ распределения питания.

    2. A01NI2SE01
      Обозначения на рисунке
      *1 Блок реле № 2 моторного отсека

      Измерьте напряжение в соответствии со значениями, приведенными в таблице.

      Номинальное напряжение
      Контакты для подключения диагностического прибора Условие Заданные условия
      Контакт 1 реле - масса Рычаг переключения передач в положении R 11 - 14 В
      Контакт 1 реле - масса Рычаг переключения передач не в положении R Менее 1 В

    NG
    OK
  4. ПРОВЕРЬТЕ ЖГУТ ПРОВОДОВ И РАЗЪЕМ (АККУМУЛЯТОРНАЯ БАТАРЕЯ – РЕЛЕ)


    1. A01NI2SE01
      Обозначения на рисунке
      *1 Блок реле № 2 моторного отсека

      Измерьте напряжение в соответствии со значениями, приведенными в таблице.

      Номинальное напряжение
      Контакты для подключения диагностического прибора Условие Заданные условия
      Контакт 3 реле - масса Питание включено (IG) 11 - 14 В
      Контакт 3 реле - масса Питание выключено Менее 1 В

    NG
    OK